0 引言
随着我国连续管作业机的推广应用,连续管装备与技术得到全面发展,作业工艺百花齐放,使连续管作业机作为“万能作业机”的美誉得以全面展示[1-5]。而注入头作为连续管装备中的第一核心部件,担负着夹持连续管进行起下作业的使命,其安全性和可靠性直接决定着连续管作业机整机的性能以及施工效果[6]。目前,市面上的连续管作业机由于生产年代不同,技术水平参差不齐。经过近二三十年的发展,连续管注入头技术已基本更新至第6代。各大油田现场在用的注入头,从驱动方式而言有很多种[7-9],如单马达+齿轮驱动系统、双马达+同步齿轮并联驱动系统、双马达+减速机并联驱动系统等。这些驱动方式的注入头在服役期间或多或少地表现出了一些缺陷,如注入头运转过程中异响、链条堆积、左右侧链条不同步,甚至在未夹持连续管时单边转、速度或深度计量误差累积等,这些缺陷不同程度地影响着作业效果。
笔者在对比分析这些现有驱动方式存在的缺陷及所产生的负面影响基础上,对注入头驱动方式进行优化设计,引入注入头驱动主马达+通轴驱动副马达的控制理念,采用液压柔性同步技术取代机械刚性同步方式,使注入头的性能得到最大优化。
1 现有驱动系统分析连续管作业过程中,注入头通过水平夹紧油缸施加给左、右侧链条横向夹持力,夹持块即可对连续管产生纵向摩擦力[10-11],下部的张紧油缸向被动链轮施加纵向向下的张力,保证链条纵向不弯曲堆积,上部的马达和主动链轮将液压力转换为注入头的提升或下注力。注入头驱动单元结构如图 1所示。
|
| 图 1 注入头驱动单元结构图 Fig.1 Structure of injector head drive unit |
下侧的被动链轮轴心处常安装有编码器,可实时采集作业过程中的起/下管速度和作业深度,由控制室内的作业参数仪进行显示,便于操作人员随时掌握作业状态。因此,可靠的夹持、平稳的运转及准确的计量对连续管作业效果至关重要。
1.1 单马达+齿轮传动系统单马达+齿轮传动系统即注入头左、右侧两挂链条仅采用1台马达驱动。然后通过齿轮箱将扭矩传递给一侧链轮,齿轮将扭矩继续向另一侧链轮进行反向传递,从而实现左、右侧链条的同步运转,如图 2所示。
|
| 图 2 单马达+齿轮传动系统图 Fig.2 Single motor + gear drive system 1—高压过滤器;2—刹车集成块;3—平衡阀;4—变量马达;5—制动器;6—主驱动齿轮;7—左侧链轮通轴齿轮;8—右侧链轮通轴齿轮。 |
这种驱动方式由于右侧链轮的扭矩通过左侧链轮加载传递过去,右侧链轮属于随动状态,所以可使两侧夹持块很好地同步运转,齿轮箱的润滑及齿轮传动系统的精密配合相当重要。
采用单台马达提供动力,其所能提供的扭矩有限,较早时期的小吨位注入头采用过单台马达,随着目前作业井越来越深,连续管通径越来越大,该驱动方式已不再适合大吨位注入头的上装要求。
1.2 双马达+同步齿轮并联驱动系统双马达+同步齿轮驱动系统采用低速大扭矩2挡变速马达进行上装,左、右侧马达驱动轴上均安装有1副相互咬合的齿轮进行机械强制同步,故称之为同步齿轮,如图 3所示。该驱动方式采用双马达虽然规避了单马达驱动时提升能力受限的问题,但也存在一些结构性问题。
|
| 图 3 双马达+同步齿轮并联驱动系统图 Fig.3 Double motor + synchronous gear parallel drive system 1—高压过滤器; 2—刹车集成块; 3—平衡阀4—2挡变量马达; 5—制动器; 6—同步齿轮。 |
左、右侧马达同时反向运转,如果不夹持连续管,两侧链条同步运转非常平稳,包括注入头运转的前期,同步齿轮及链条状态良好的情况下问题也不会明显暴露。但在使用后期,随着同步齿轮磨损加剧,夹持块堆积或链条异响的问题就会频繁表现出来。
从注入头的运转特性方面分析,夹持块夹持连续管后,夹紧压力调节合适的情况下,链条与连续管之间不产生相对滑动,这种不产生相对滑动的运转特性实际上是左、右侧链条线速度相等,而同步齿轮在完好状态下也只能尽可能地保证两侧主动链轮的角速度相等。当同步齿轮发生磨损或角速度相等的状况被打破后,线速度肯定更无法保证相等,而夹持块仍然不会打滑,这样左、右侧链条由于线速度细微的差异就会硬搓连续管表面。运转里程误差累积就会造成链条堆积,这种堆积特别容易发生在起管过程中链条进入主动链轮时。当链条出现堆积后,堆积侧的马达就处于偷懒状态(即该侧的马达只是被旁边侧马达及同步齿轮带动做被动运转),不仅会因为链条堆积而产生异响,而且提升力也会大幅衰减。
该驱动方式也有其弊端,具体表现在:①由于采用了低速大扭矩2挡变量马达进行驱动,马达高、低速切换时,必须先停下注入头后才能进行,连续管入井后如果吨位较大,切换高速挡如果时机稍有不当,驱动压力调节非常高,而且一旦运转起来速度将非常快;②该驱动方式未设置减速机,受限于低速大扭矩马达的最低稳定转速,注入头的最低稳定运转速度难以保证,对某些需要低速/超低速运转工况不太适合。
1.3 双马达+减速机并联驱动系统双马达+减速机并联驱动系统为目前注入头普遍采用的一种驱动方式,采用2组高速变量马达+减速机并联反向驱动,如图 4所示。
|
| 图 4 双马达+减速机并联驱动系统图 Fig.4 Double motor + reducer parallel drive system 1—高压过滤器; 2—刹车集成块;3—平衡阀;4—无级变量马达;5—制动器。 |
该驱动方式有如下优点:①马达无级变速,高、低速切换无缝衔接,直接在运转过程中进行切换,加、减速过程平稳;②高速马达经过减速机对扭矩进行放大,能适应大吨位注入头的上装要求;③规避了马达最低稳定转速的局限性,可保障注入头的最低稳定速度在0.05 m/min以内。
该驱动方式中左、右侧的马达+减速机驱动单元为并联单独运行模式,未夹持连续管时运转注入头,就可能出现两边链条运转不同步的现象,甚至出现单边转的现象。该“异常现象”解释如下。由于注入头为双马达+减速机+平衡阀的并联驱动系统,在过滤器后端自由分流至2台马达,如需左、右侧链条线速度绝对相同(即马达转速绝对同步),必须满足以下5个条件:①两侧马达的容积效率及内泄量完全相同;②两侧马达的排量(马达旋转1圈所需的流量)应该完全相等;③平衡阀芯的动作流压特性必须完全相同;④两侧齿轮减速机的减速比分毫不差;⑤两侧机械摩擦阻力完全一致。但是液压元器件及减速机即使是同一批生产的,其个体特性在生产及出厂校调过程中只能无限接近,做不到绝对相同,也就是上述5个理想条件达不到,即使在出厂校调过程中匹配到无限接近了,在使用过程中也会因为各自工况的不同产生累积误差,因此,该“异常现象”也就正常了。
这种运转步调不一致仅仅只是表观上的,当夹持连续管后,连续管作为左、右侧链条的夹持载体,在不打滑的情况下,马达自由分流而共同输出动态扭矩,2挂链条夹持连续管成为一个运动结合体,就会以相同的步调进行运转。
该方式下,表观上的运转不同步及夹持块累积错位并不会对连续管的表面产生拉伤或搓伤,但该型注入头的下侧被动轴轴心处一般会设置编码器,链条微观上的运转错位累积会造成作业深度数据的采集误差,在一定程度上影响到作业的精准性。为避免被动链轮深度记录误差的问题,市面上有些作业机选择连续管表面摩擦计数的方式,即在滚筒排管小车上或注入头箱体底部设置摩擦轮压紧连续管,利用连续起下运行时带动摩擦轮的转动来记录深度数据。
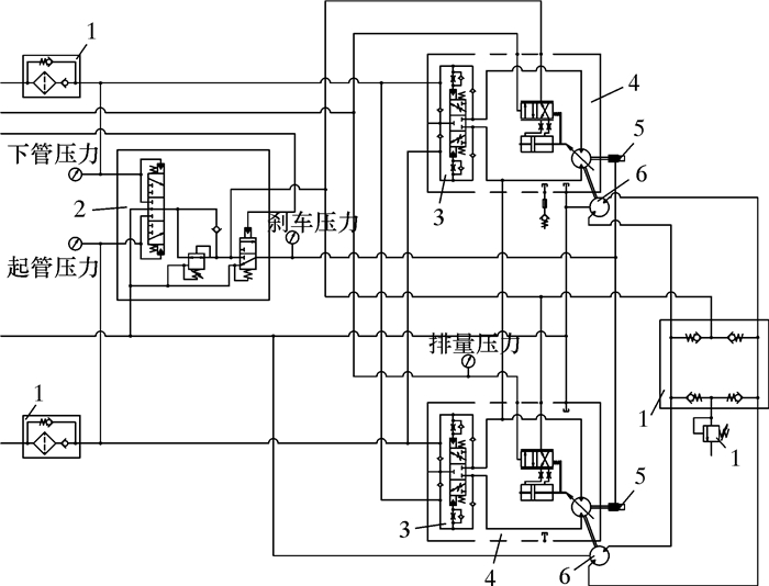
2 驱动系统优化设计对比分析上述3种驱动方式的各自特性,理清其存在的不足之处后,笔者对驱动系统进行了改进和优化设计,试图在双马达+减速机并联驱动系统的基础上引入液压辅助的柔性同步驱动系统,如图 5所示。通过在主驱动马达尾部通轴上各设置1个定量马达,此处2定量马达为型号相同的高精度柱塞马达,液压控制系统方面对其进行串联闭式运行,串联回路设置有桥架阀块,桥架阀块的进油口从刹车集成块减压阀后端的“SERVO”口取3.5 MPa的刹车减压压力油进行加压补油,桥架阀块的出油口设置有溢流阀。该溢流阀的设定压力为5.5 MPa,其出口直接向大气中超压排油。
|
| 图 5 双马达+减速机并联驱动柔性同步系统图 Fig.5 Double motor + reducer parallel drive flexible synchronous system 1—高压过滤器;2—刹车集成块;3—平衡阀;4—无级变量马达;5—制动器;6—定量马达。 |
注入头马达驱动压力增加过程中,主马达得油压试图运转,如果双马达+减速机并联驱动系统中两侧元器件及机械阻力的差异导致某侧主马达有优先运转趋势,其尾部的通轴副马达也会随之运转起来,此时该副马达即变为泵工况。由于串联闭式回路的特性,滞后侧的副马达将得到助力驱动,也试图与优先侧的副马达同转速运行,将带动与其通轴的滞后主马达,达到同步运转的效果。之前阐述过并联驱动系统在夹持连续管且不打滑的情况下,两侧主动链轮角速度之间的累积误差试图发生链条不同步而堆积时,运转步调的不一致将在两侧副马达闭式回路中形成憋压,当压力高于溢流阀的设定压力时,溢流阀向空气中排出部分液压油来弥补累积误差;副马达在串联运转过程产生的壳体泄油及憋压溢流油从桥架阀块的入口进行补充,防止闭式循环回路吸空干磨。
采用液压柔性同步驱动系统取代同步齿轮刚性同步驱动系统,既保留了双马达+减速机并联驱动系统的所有优点,又尽可能地保证了两侧的同步运转,提高了被动轴处深度计量的精度。
3 试验对比分析采用优化设计的液压辅助柔性同步驱动系统进行了注入头的上装,在此基础上取消液压辅助通轴副马达,即为目前市面上最常见的双马达+减速机并联驱动系统。因此,在同一个机械构件上对这2种驱动系统进行对比运转试验,即可分析出性能的优劣。试验分厂内试验和井场试验2个部分。
厂内试验在不带载情况下进行。试验时,两侧夹持块完全脱开,用记号笔在左、右侧夹持块画水平线做标定,观察里程表,记录夹持块在不同运行里程时的累积错位量,试验对比结果如表 1所示。
| 运行里程/m | 双马达+减速机并联驱动系统累积错位量/mm | 液压辅助的柔性同步驱动系统累积错位量/mm |
| 100 | 1 425 | 3 |
| 300 | 2 030 | 10 |
| 500 | 2 700 | 16 |
| 700 | — | 25 |
| 900 | — | 40 |
双马达+减速机并联驱动系统注入头在刚启动时发生单边转的现象,通过注入头马达压力快速加压操作后不动侧才运转起来,由于运行500 m时的错位量已经达到21个夹持块的长度(约2 700 mm),所以后续未再记录下去。
当出现单边转时,通过注入头方向切换或注入头马达压力的快速加压,可能会将滞后侧马达带动起来;如果仍然实现不了双边运转,可适当给予夹紧压力,使优先运动侧夹持块施加给静止侧夹持块一定的摩擦力,将其带动。
厂内试验结果表明:双马达+减速机并联驱动系统注入头在未夹持连续管时运转,发生运转不同步甚至单侧转的现象非常普遍;液压辅助的柔性同步驱动系统注入头的累积错位量明显小于双马达+减速机并联驱动系统注入头,前者具有非常好的同步性,彻底消除了单边转现象,更加有利于夹持块的更换。
在一口深度约1 000 m的油井内夹持连续管实际起下进行了井场试验。2种驱动系统在运行过程中均非常平稳,试验对比结果如表 2所示。
| 运行里程/m | 双马达+减速机并联驱动系统累积错位量/mm | 液压辅助的柔性同步驱动系统累积错位量/mm |
| 100 | 9 | 1 |
| 300 | 25 | 3 |
| 500 | 64 | 8 |
| 700 | 143 | 14 |
| 900 | 268 | 22 |
采用滚筒排管小车处机械摩擦轮压紧连续管的计数器显示的深度值与注入头被动轴处编码器采集深度值进行对比,滚筒处深度计量为900 m时,双马达+减速机并联驱动系统注入头被动轴处编码器采集值为898.5 m,液压辅助的柔性同步驱动系统注入头被动轴处编码器采集值为899.6 m。
井场试验结果表明:液压辅助柔性同步驱动系统注入头的累积错位量明显小于双马达+减速机并联驱动系统注入头,同步性更好,因此深度采集与实际入井深度之间的误差更小;左、右侧链条之间的累积错位量只能尽量减小,无法完全消除,2种驱动方式均可实现平稳运转。
4 结论(1) 无论采用何种驱动方式,左、右侧链条之间的累积错位量只能尽量减小,无法完全消除,试图采用同步齿轮的机械方式来实现刚性同步将适得其反。
(2) 普遍采用双马达+减速机并联驱动系统的注入头,在未夹持连续管运转过程中的不同步甚至单边转属于正常现象,该表象并不会在作业过程中造成夹持块伤管或马达扭矩偷懒等问题。
(3) 改进后的注入头驱动系统可彻底杜绝未夹持连续管状态下运转注入头而出现链条单边转的现象,更便于链条维护、夹持块更换及连续管穿管操作。
(4) 改进后的注入头驱动系统在保留现有驱动方式优点的基础上,其通轴副马达串联同步运转系统能规避齿轮刚性同步方式下的异响和链条堆积等缺陷。
(5) 改进后的注入头驱动系统能保证更高的同步性,注入头深度采集和记录与实际入井深度之间的误差更小,可有效地保证连续管作业机的安全施工。
| [1] | 李根生, 宋先知, 黄中伟, 等. 连续管钻井完井技术研究进展及发展趋势[J]. 石油科学通报, 2016, 1(1): 81–90. |
| [2] | 刘寿军, 李根生. 我国连续管技术面临的挑战和发展建议[J]. 石油机械, 2013, 41(11): 1–5. DOI: 10.3969/j.issn.1001-4578.2013.11.001 |
| [3] | 贺会群. 连续管钻井技术与装备[J]. 石油机械, 2009, 37(7): 1–6. |
| [4] | 王海涛, 李相方. 连续油管技术在井下作业中的应用现状及思考[J]. 石油钻采工艺, 2008, 30(6): 120–124. |
| [5] | 胡亮, 高德利. 连续管钻定向井工具面调整方法研究[J]. 石油钻探技术, 2015, 43(2): 50–53. |
| [6] | 瞿丹, 黎伟. 连续管注入头现状及发展趋势[J]. 石油矿场机械, 2012, 41(1): 46–50. |
| [7] | 彭嵩, 王爱国, 马青芳. 连续管测井机注入头液压系统的设计[J]. 机床与液压, 2011, 39(2): 68–70. |
| [8] | 杨高, 张士彬, 刘寿军, 等. 连续管注入头驱动液路系统设计及优化[J]. 石油机械, 2013, 41(11): 96–99. DOI: 10.3969/j.issn.1001-4578.2013.11.023 |
| [9] | 张宏, 贺会群, 康厚芳, 等. 连续管钻机注入头驱动系统结构参数设计方法[J]. 石油机械, 2014, 42(12): 36–38. DOI: 10.3969/j.issn.1001-4578.2014.12.008 |
| [10] | 杨高, 刘菲, 唐纯静, 等. 连续管注入头夹持块的夹持性能研究[J]. 石油机械, 2012, 40(11): 10–14. |
| [11] | 施志辉, 张真真, 许立. 注入头管块夹持提升系统受力及结构分析[J]. 大连交通大学学报, 2015, 36(5): 38–41. |

