2. 中国石油大学(华东)海洋油气装备与安全技术研究中心
2. Center for Offshore Equipment and Safety Technology, China University of Petroleum (Huadong)
0 引 言
在海上钻井作业过程中,由于突然遭遇恶劣海况或因其他因素导致平台或钻井船定位失效,不能保持位置而发生漂移时,必须及时断开隔水管与井口的连接,如果在平台偏离超出最大允许位置之前没有成功断开隔水管,就会对隔水管及井下设备造成严重损害。在深水钻井作业中,处于连接状态的深水钻井隔水管系统顶部受到张紧力的作用,储存着巨大的势能,紧急断开时,一旦下部隔水管总成(LMRP)与井口防喷器(BOP)实现脱离,张力作用下储存于隔水管系统中的巨大势能将会释放出来,引起隔水管轴向产生破坏性的加速度和位移响应,产生反冲[1]。如果反冲不能得到有效控制,可能导致伸缩节与分离器及月池发生碰撞,隔水管压缩破坏,严重时会导致钻井船或平台产生灾难性事故[2, 3]。
为了在短时间内对隔水管反冲进行有效控制,通常采取防反冲措施来降低隔水管紧急脱离后的上冲运动,最主要的措施是通过减小反冲阀的阀口开度来控制张紧器液压油的流速;除此之外,也可通过关闭一定数量的隔离阀控制系统压力/容积,从而达到控制目的[4]。
笔者针对液压缸直接作用式隔水管张力器反冲控制系统,分析了隔水管反冲控制系统的构成,对反冲控制系统控制算法进行了设计,并基于Matlab构建反冲控制系统的精确仿真模型,进行了仿真研究分析,以期为深水钻井隔水管的安全应用提供参考。
1 反冲控制系统工作原理及数学模型 1.1 工作原理反冲控制系统[5]是在隔水管张紧器系统基础上添加一系列的反冲阀、隔离阀及对反冲阀进行闭环控制的控制系统构成的,核心设备为反冲控制阀。不同结构的张紧器工作原理不同,但反冲控制系统实现的功能及工作原理基本相同。基于反冲控制系统的结构特点,只有改变张力器对隔水管的顶张力大小,才能实现通过控制张力器对隔水管的运动进行控制。笔者研究通过调整反冲阀的阀口开度大小来控制高压油气蓄能器与液压缸高压侧之间的液压油流速,从而达到控制隔水管反冲运动的目的[6, 7, 8]。
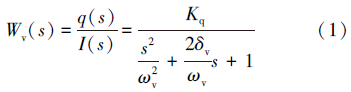
1.2 数学模型根据反冲控制系统要求,反冲阀采用电液比例阀,其传递函数为[9]:

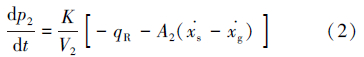
液压缸下油腔内液压油压力与其压缩量的关系式为[5, 10, 11]:

活塞的速度和液压缸沿活塞杆方向的速度可以表示为[5, 10, 11]:

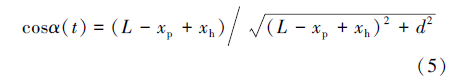
设隔水管脱离前与张紧器顶端间的垂直距离为L,隔水管与张紧器之间的水平距离为d,则α(t)可表示为[5, 10, 11]:

为了在短时间内对隔水管反冲进行有效控制,通常采用防反冲措施来降低隔水管紧急脱离后的上冲运动。其中,最主要的措施是通过减小反冲控制阀的阀口开度大小以控制张紧器液压油的流速来实现。在每个张力器液压缸上均安装有位置传感器,将液压缸内的位移传感器检测到的位移信号与给定值进行比较,经过一定的控制算法调节后,控制器的输出经电流放大器放大来控制电液比例阀的动作,通过改变阀口的开度大小控制张力器液压油的流速,以控制液压缸内活塞杆的运动,最终控制活塞杆上隔水管的运动。隔水管反冲控制系统构成框图如图 1所示[12]。
|
| 图 1 反冲控制系统构成框图 Fig.1 Schematic of recoil control system structure |
隔水管的反冲是一个复杂的动态过程,张力器、反冲控制系统、隔水管以及钻井液同时互相作用与耦合,针对隔水管反冲控制系统具有非线性、时变和大惯性的特点,设计模糊PID控制器控制反冲阀开度来调节张力器液压油的流速,从而控制隔水管垂直位移。
模糊PID控制器[11]主要由模糊控制和参数可调的PID 2部分组成,设计的模糊控制器为两输入三输出结构。选择隔水管位移偏差E及位移偏差变化量EC作为输入语言变量,PID控制的3个参数KP、KI和KD作为输出语言变量。
根据反冲控制系统的结构特点,笔者将变量E、EC的论域均设定为[-3,3],并将其量化为{-3,-2,-1,0,1,2,3}7个等级。同时设定输出变量ΔKP、ΔKI和ΔKD的模糊论域为[-3,3],并将其量化为{-3,-2,-1,0,1,2,3}7个等级。
根据上述变量的论域设定各模糊变量的语言值集合均为{NB,NM,NS,ZO,PS,PM,PB}7级语言变量。
选择分辨率较高的三角形作为隶属函数。 根据系统控制要求,按照上述模糊变量论域量化等级,建立模糊控制规则,结果如表 1所示。
| E | EC | ||||||
| NB | NM | NS | ZO | PS | PM | PB | |
| NB | PB/NB/PS | PB/NB/NS | PM/NM/NB | PM/NM/NB | PS/NS/NB | ZO/ZO/NM | ZO/ZO/PS |
| NM | PB/NB/PS | PB/NB/NS | PM/NM/NB | PS/NS/NM | PS/NS/NM | ZO/ZO/NS | NS/ZO/ZO |
| NS | PM/NB/ZO | PM/NM/NS | PM/NS/NM | PS/NS/NM | ZO/ZO/NS | NS/PS//NS | NS/PS/ZO |
| ZO | PM/NM/ZO | PM/NM/NS | PS/NS/NS | ZO/ZO//NS | NS/PS/NS | NM/PM/NS | NM/PM/ZO |
| PS | PS/NM/ZO | PS/NS/ZO | ZO/ZO/ZO | NS/PS/ZO | NS/PS/ZO | NM/PM/ZO | NM/PB/ZO |
| PM | PS/ZO/PB | ZO/ZO/PS | NS/PS/PS | NM/PS/PS | NM/PM/PS | ZO/PB/PS | NB/PB/PB |
| PB | ZO/ZO/PB | ZO/ZO/PM | NM/PS/PM | NM/PM/PM | NM/PM/PS | NB/PB/PS | NB/PB/PB |
根据隔水管反冲控制系统的理论模型[5],结合工程实际选择隔水管张紧系统的相关参数[11]。
隔水管参数为:钻井液密度2.04 g/cm3,隔水管长度3 000 m,液压缸的面积0.246 8 m,隔水管直径533.4 mm,液压缸初始压力14.5 MPa,隔水管壁厚15.9 mm,液压缸活塞总冲程20.1 m,隔水管密度7 850 kg/m3,液压缸活塞的质量600 kg,截流阀截面积0.03 m,液压缸缸体的厚度31.0 mm,液压油密度800 kg/m3,脱离前隔水管与张紧器顶部距离26.25 m,张紧器顶端与隔水管之间的水平距离2.25 m。
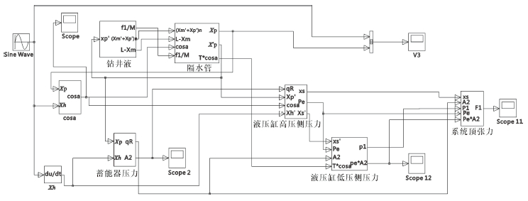
基于Matlab依次构建钻井液、隔水管、蓄能器压力、液压缸高压侧压力、液压缸低压侧压力及系统顶张力等各部分的仿真模型,根据各部分的内在联系得到反冲控制系统的开环仿真模型,如图 2所示。
|
| 图 2 反冲控制系统开环仿真模型 Fig.2 Open-loop simulation model of recoil control system |
模型中的钻井液模块模拟反冲过程中隔水管内部钻井液的运动轨迹,根据钻井液运动学方程式构建。正常条件下,隔水管内部储存有大量的钻井液,紧急分离时由于没有足够的时间将钻井液循环替换,在LMRP 与井口防喷器分离后,钻井液会从隔水管底部流出,作用于隔水管内壁的摩擦力将起到显著的阻滞作用,通过仿真可以观察钻井液在整个下落过程中的运动轨迹。
隔水管模块根据反冲过程中隔水管运动方程式构建而成,用来模拟反冲发生时隔水管的运动轨迹。正常工作条件下,隔水管顶部由于液压缸活塞杆的拉伸作用储存了很大的弹性势能,当反冲发生时,这部分弹性势能会转化成很大的向上的冲力。通过仿真可观测到隔水管的运动是否能控制在合理范围内,以便更好地调控反冲阀开度,防止发生危险情况。
液压缸及蓄能器内部压力模块根据液压缸及蓄能器压力变化方程式搭建,反应隔水管反冲过程中各部分压力变化情况,观测隔水管运动的合理控制情况。
系统顶张力变化模块根据系统顶张力变化方程式构建,反映隔水管反冲控制过程中张紧器系统施加在隔水管顶部顶张力大小的变化情况,并观测控制隔水管的提升力是否在合理范围内。
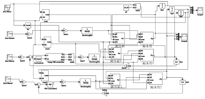
在开环仿真模型的基础上,根据对反冲控制系统控制算法的设计,构建反冲控制系统闭环仿真模型,如图 3所示。模型中钻井液、隔水管以及液压缸高压侧压力等子模块与图 2中的对应子模块结构及功能相同,油液流量qR与隔水管反冲时产生的位移xp之间的关系子模块根据液压缸内液压油流速与隔水管的速度关系式[11]构建,模糊PID控制器模块Fuzzy PID Controller根据所设计的模糊PID控制算法构建,反冲控制阀的仿真模型基于其传递函数模型构建。
|
| 图 3 反冲控制系统闭环仿真模型 Fig.3 Closed-loop simulation model of recoil control system |
根据构建的系统仿真模型,对反冲控制系统分别进行开环及不同控制算法的闭环控制仿真研究,得到隔水管紧急脱离后系统中各参数的变化曲线。其中,隔水管位移和速度变化曲线分别如图 4和图 5所示。
|
| 图 4 隔水管位移变化曲线 Fig.4 The riser displacement over time |
|
| 图 5 隔水管速度变化曲线 Fig.5 The riser displacement over time |
隔水管发生紧急脱离时,由于张紧力与自身形变因素会产生很大的加速度,瞬间速度增大,随后由于反冲控制系统的作用[12, 13, 14],隔水管速度逐渐变小最后趋于0,隔水管位移则基本稳定在14.25 m附近,跟随钻井船做振幅为1 m的正弦运动。从图 5可以看出,无论是开环控制还是闭环控制,隔水管在反冲过程中既与下部的BOP组件保持了安全的提升距离,也没有超出伸缩节的冲程,不会与上部钻井平台相撞。
虽然开环控制达到了反冲控制的基本要求,但是系统超调量大,震荡时间比较长,系统的稳定性较差。闭环控制效果明显优于开环控制,在闭环控制中,隔水管紧急脱离时基于模糊PID控制时其位移幅值明显减小,且能更快地跟踪钻井船的正弦运动,动态调节性能优于PID控制,有较好的稳定性能。
4 结束语针对深水钻井隔水管系统可能发生的紧急脱离状况,设计了紧急脱离反冲控制系统,建立了系统的数学模型。对于加入了反冲控制阀的张紧系统,针对隔水管发生紧急脱离时的情况进行了仿真分析,分析结果表明,反冲控制阀的加入可以实现反冲控制的目标,使隔水管最终处于稳定状态,并且不存在隔水管与上部结构发生碰撞的风险。
通过选定特殊的反冲控制阀进行闭环控制仿真分析可知,闭环控制可以达到较好的控制效果,系统的稳定性增强,PID控制和模糊PID控制都能发挥较好的控制作用,有效地控制了隔水管的反冲速度,经过综合比较,模糊PID控制降低了隔水管起升位移的峰值,减少了液压系统的压力冲击,提高了系统控制性能。
| [1] | 张磊,畅元江,刘秀全,等.深水钻井隔水管与防喷器紧急脱离后的反冲响应分析[J].石油机械,2013,41(3):25-30. |
| [2] | Brekke J N.Key elements in ultra-deep water drilling riser management[R].SPE 67812,2001. |
| [3] | Brekke J N,Soles J,Wishahy M A,et al.Drilling riser management in deepwater environments[C].2H Offshore Inc.,Houston,TX,USA,2007. |
| [4] | Young R D,Hock C J.A deepwater riser emergency disconnect aanti-recoil system[R].SPE 23858,2001. |
| [5] | 陈黎明.深水钻井隔水管系统作业风险控制与评价[D].东营:中国石油大学(华东),2012. |
| [6] | Stahl M J,Brekke J,Hock C J.Design of a riser recoil control system and validation through full-scale testing[R].SPE 62959,2000. |
| [7] | Stahl W J,Wishahy M.Riser recoil analysis at a harsh environment,deepwater site[R].OMAE 51628,2004. |
| [8] | Young R D,Hock C J,Karlsen G,et al.Analysis and design of anti-recoil system for emergency disconnect of a deepwater riser:Case study[R].OTC 6891,1992. |
| [9] | 黄银萍,唐志勇.工程机械电液比例阀控制系统模糊PID控制器研究[J].机床与液压,2010,38(13):52-54,18. |
| [10] | 田秀娟.深水钻井隔水管张紧系统反冲控制研究[D].青岛:中国石油大学(华东),2013. |
| [11] | 张方芬.深水钻井隔水管装置防反冲控制对策及应用研究[D].青岛:中国石油大学(华东),2015. |
| [12] | 李艳杰,崔天宇,王海,等.比例阀控液压缸位置PID闭环控制的PLC软件实现[J].沈阳理工大学学报,2013,32(4):37-40,46. |
| [13] | 畅元江,段梦兰.南海深水钻井隔水管设计与作业技术[J].天然气工业,2014,34(5):106-111. |
| [14] | 盛磊祥,王荣耀,许亮斌,等.台风应急期间深水钻井隔水管悬挂撤离安全分析[J].石油机械,2015,43(4):25-29. |


