2. 长庆油田公司采油二厂;
3. 长庆油田公司采油十厂
2. The Second Oil Production Plant, Changqing Oilfield Company;
3. The Tenth Oil Production Plant, Changqing Oilfield Company
0 引 言
膜技术作为一种超滤、微滤分离技术,以其高效的精细处理效果引起水处理行业的广泛重视,在油田特别是低渗透油田回注污水处理中也有应用。但膜组件的成本高,膜污染的通量衰减速度快,反洗再生困难等问题阻碍了膜技术的推广应用。液体过滤技术可解决这些问题[1]。
液体过滤是指含有涂膜材料的溶液在一定的压力和流速下经多空支撑层,在孔内或表面沉积而形成的具有分离作用的滤饼层,由预涂而产生滤饼过滤的过程又称动态膜过滤。国际上最早对动态膜进行研究的是美国OcekRidge国家原子能所实验室,早在20世纪60年代就发表了ZnOCl2动态膜具有渗透性能的系列论文[2]。在2008年第十届世界过滤大会上,相关学者就液体过滤的趋势和挑战进行了综述[3, 4],指出滤饼过滤在纳米和生物分离、减少碳排放及水处理等新领域将起到更大作用[5]。国内李俊[6, 7]、张捍民等[8]对液体过滤及动态膜形成机理进行了比较全面的研究,提出了错流过滤模型。但在油田污水特别是含聚污水的处理上,国内外均未见明确的试验应用研究,因此,笔者针对液体过滤技术用于油田污水处理进行了试验研究,以满足油田含聚污水的处理要求。
1 原理性试验液体过滤可根据污水中颗粒物的性质,有针对性地选择相应的液体助滤剂。在过滤过程中,助滤剂吸附污水的颗粒物并使颗粒物粗化的同时,将污水中的颗粒物滤除,滤料随滤浆中颗粒物的滤除而更新。随着过滤的进行,固体颗粒在过滤介质上沉积、架桥逐渐形成泥饼。泥饼的形成提高了过滤精度,延缓了细小颗粒对过滤介质内部进一步的堵塞。
当滤器中颗粒物充满时,滤渣以干饼的形态自动排出。如此循环往复,实现对液体的连续净化。液体过滤技术可通过液体筑膜剂来达到过滤目的。筑膜剂的动态添加使滤层处于和滤液同步的变化之中,从而实现精度和流量的双稳定,液体筑膜剂构成的滤层始终具有一定的通透性,避免了流量的快速衰减,即常说的堵塞现象,脱除生产污水中的污油和悬浮物,并将污染物从污水中彻底剔除,既能保证处理后污水的水质精度,满足油田污水回注要求,又解决了传统过滤技术无法逾越的反洗再生问题,避免了水循环系统的二次污染。常规过滤采用如图 1所示的非循环过滤模式,能将来液中的油、固体悬浮物等拦截吸附,随着过滤时间的延长,污染物越积越多,通量逐渐衰减,从而进入介质清洗再生流程,清洗后的污水又会进入前级处理流程,极易形成二次污染,加重系统的处理负担。液体过滤技术采用如图 2所示的循环过滤模式。
|
| 图 1 非循环过滤模式 Fig.1 The acyclic filtration mode |
|
| 图 2 循环过滤模式 Fig.2 The circulating filtration mode |
该技术的关键是将多种药剂进行级配,形成一种特殊的微孔过滤介质,该介质能够脱除生产污水中的污油和悬浮物。此外,采用过滤介质的循环流动不断形成均匀的微孔过滤介质,既能保证过滤精度又能长时间保证通量稳定,解决常规非循环过滤通量衰减快的问题,污染后的介质与污染物一起被剔除,从而避免了因清洗产生二次污水[9]。
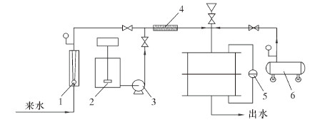
根据循环过滤模式进行液体过滤原理性试验。试验装置:液体过滤试验装置1套,2 m×1 m滤布5张,助滤剂5 kg,0.6 MPa空压机1台,流量计量装置1套,离心泵和计量泵各1台,DN25连接软管6根,扳手等工具1套,浊度仪1台,1 MPa数显式精密压力表(0.2级)1只,0.6 MPa精密压力表2只,200 mL取样杯50个,取样注射器2套。试验流程见图 3。
|
| 图 3 液体过滤试验流程 Fig.3 The liquid filtration test process 1—流量计; 2—助滤器混合罐; 3—计量泵; 4—静态混合器;5—差压表;6—空压机。 |
根据试验数据绘制的压力和浊度随时间变化的曲线分别如图 4和图 5所示。
|
| 图 4 压力-时间曲线 Fig.4 The pressure-time curve |
|
| 图 5 浊度-时间曲线 Fig.5 The turbidity-time curve |
综上所述可知,形成液体膜条件为:可以有效保持液体膜的载体,过滤分离方式的构件以保证动态膜的形成和运行[10],形成膜的制备液质量浓度为1~20 g/L;动态膜在提高过滤精度的同时还可防止污染物向其载体表面及内部扩散,预涂剂颗粒粒径选择合适可使成膜孔隙率高、可压缩性小,还能提高动态膜的渗透性能。
2 现场适应性试验基于动态膜原理性试验的结论,从探究液体过滤的运行参数入手,在保证进口水质的情况下,开展液体过滤小型样机试验研究,以满足现场需求。
2.1 试验方案该样机设计指标是将含油质量浓度120~200 mg/L、悬浮物质量浓度50~100 mg/L的含聚污水处理至含油质量浓度小于10 mg/L、悬浮物质量浓度小于5 mg/L。为了验证该装置对含聚污水的适应性,在中海油绥中处理厂进行先导性试验,确保该装置各项技术参数满足含油污水处理要求。
2.1.1 SZ36-1原油处理厂污水处理工艺SZ36-1原油处理厂的工艺流程如图 6所示,主要设备参数如表 1所示。
|
| 图 6 SZ36-1原油处理厂污水处理工艺 Fig.6 The wastewater treatment process of SZ36-1 oil treatment plant |
| 设 备 | 温度/℃ | 容积/m3 | 数量 | 备注 |
| 调储罐 | 60 | 2 000 | 2 | 聚合物上部抽出 |
| 粗粒化斜管除油罐 | 60 | 500 | 2 | — |
| 气浮罐 | 60 | — | — | 3 |
| 澄清沉降罐 | 58 | 500 | 2 | — |
| 双滤料过滤罐 | 58 | — | 4 | — |
在试验效果达到设计要求的情况下,取污水系统调储罐T-0501A/B入口水进行适应性试验,连接方案如图 7所示。
|
| 图 7 动态膜过滤装置试验连接方案 Fig.7 The connectivity solution of dynamic membrane filtration device test |
动态膜设备尺寸为3 m×1 m,场地尺寸为3.5 m×9.0 m;调储罐出口至动态膜设备距离小于10 m;动态膜设备至排污口距离小于10 m。设备入口水样接入点为调储罐出口,水样含油质量浓度为100~200 mg/L。试验装置包括过滤主机、添加罐、缓冲罐、工作泵、阀门和电气控制系统等。
2.1.3 试验内容(1)定性试验。按照滤速、过滤精度和筑膜剂添加量等经验参数,进行初步试验,并取进、出口水样化验。
(2)精度和滤速选择试验。根据出口水质化验结果,优选出最佳过滤精度和滤速。
(3)添加量和压力衰减试验。根据定性试验结果,确定筑膜剂最优添加量和过滤载荷等参数。
(4)记录优选后的各项参数,并对出口水质取样化验。
2.2 现场试验 2.2.1 性能试验2014年10月18日,在完成试验准备工作后,进行了初步试验。试验发现,在含聚污水条件下,设备性能参数完全满足工作要求。
2.2.2 药剂选择对ZM1~ZM7等7种筑膜剂进行筛选试验,试验结果如表 2所示。从表 2、图 8和图 9可知,从出口水质和过滤周期综合考虑,以ZM2和ZM6效果最好。
| 药剂名称 | 进口水质/NTU | 出口水质/NTU | 时间/h |
| ZM1 | 36.9~97.0 | 0.7~4.3 | 6.0 |
| ZM2 | 48.3~114.0 | 3.7~6.4 | 10.5 |
| ZM3 | 60.0~78.2 | 2.7~5.7 | 1.5 |
| ZM4 | 55.1~85.1 | 3.4~5.8 | 3.0 |
| ZM5 | 42.8~51.2 | 1.7~3.0 | 2.0 |
| ZM6 | 37.5~93.6 | 7.2~10.9 | 10.0 |
| ZM7 | 114.2~926.6 | 15.7~16.8 | 1.5 |
|
| 图 8 含油质量浓度随时间变化曲线 Fig.8 The oil concentration versus time |
|
| 图 9 悬浮物质量浓度随时间变化曲线 Fig.9 The suspended solids concentration versus time |
选取处理效果较好的ZM2和ZM6药剂,在不同添加量下进行试验,试验结果见表 3。
| 药剂名称 | 药剂质量浓度/(mg·L-1) | 进口水质/NTU | 出口水质/NTU | 过滤时间/h |
| ZM2 | 200 | 81.9~102.1 | 12.9~16.3 | 2.0 |
| ZM2 | 600 | 70.5~210.1 | 3.6~7.9 | 4.0 |
| ZM2 | 800 | 105.6~174.9 | 7.9~10.3 | 4.0 |
| ZM2 | 1 000 | 206.1~421.6 | 11.5~18.5 | 1.0 |
| ZM6 | 200 | 123.2~141.2 | 9.0~10.9 | 1.5 |
| ZM6 | 600 | 296.2~486.2 | 5.5~7.5 | 2.0 |
| ZM6 | 800 | 42.1~360.0 | 5.8~11.1 | 3.0 |
| ZM6 | 1 000 | 335.5~697.1 | 10.5~17.8 | 1.0 |
对处理量、压力损失和出水水质进行匹配试验。由于进口来液量只能达到1.0 m3/h,所以增加1个进水口,使处理量最多达到2.3 m3/h。
试验发现,在处理量1.91~2.23 m3/h范围内,压力损失不超过0.35 MPa,当进口水质在44~110 NTU时,出口水质稳定在5 NTU以下,过滤时间达到10.5 h,完全满足试验要求。试验结果如图 10、图 11和图 12所示。
|
| 图 10 进、出口浊度随时间变化曲线 Fig.10 The turbidity of water at inlet and outlet versus time |
|
| 图 11 流量随时间变化曲线 Fig.11 The flow rate versus time |
|
| 图 12 压力变化曲线 Fig.12 The pressure versus time |
为了确认液体过滤技术在油田污水处理中的可信性和实用性,笔者在原理试验的基础上,设计了小型液体过滤装置。在中海油SZ36-1原油污水处理厂,用小型液体过滤装置对含聚污水进行了定性、精度选择、滤速优选、筑膜剂添加量和运行参数优选试验。根据优选后的各项参数,对出口水质进行取样化验,得到如下结论。
(1)小型液体过滤装置对含油质量浓度≤200 mg/L、悬浮物质量浓度≤100 mg/L的含聚污水进行处理后,可使出口水含油质量浓度≤10 mg/L,悬浮物质量浓度≤10 mg/L。
(2)当进口水质为44~110 NTU时,出口水质稳定在5 NTU以下,过滤时间超过10.5 h,完全满足工艺要求。
(3)过滤系统可自动剔除污染物,避免了常规过滤系统因反洗形成的二次污染,且不需要反洗水,污水处理系统可减负20%以上。
| [1] | 罗鸿兵,刘晓玲,罗麟,等.我国动态膜技术在水处理中的研究进展[J].水处理技术,2008,34(5):1-6,19. |
| [2] | Mareinko W,Philips K A,Johnson H O,et al.Hyper-filtration studies(Ⅳ) salt rejection by dynamically formed hydrous oxide membranes[J].Jam.Chen.Soc.,1996,88(24):5744-5746. |
| [3] | Wakeman R J.Filtration in the framework of globalization and technical innovation[C]//Proceedings of the World Filtration CongressⅠ,Leipzig,Germany,2008. |
| [4] | Anlauf H.Solid-liquid-separation by cake filtration state of the art and future expectations[C]//Proceedings of the World Filtration CongressⅠ,Leipzig,Germany,2008. |
| [5] | Schnitzer C.Zeta potential of filter media and its influence on the initial stages of cake filtration[C]//Proceedings of the World Filtration CongressⅠ,Leipzig,Germany,2008. |
| [6] | 李俊,李方,卓琳云,等.动态膜技术及其在环境工程中的应用[J].膜科学与技术,2003,23(3):49-53. |
| [7] | 李俊,李方,卓琳云,等.动态膜处理污水性能的研究.上海理工大学学报,2005,27(4):323-326. |
| [8] | 张捍民,乔森,叶茂盛,等.预涂动态膜-生物反应器处理生活污水试验研究[J].环境科学学报,2002,25(2):249-253. |
| [9] | 康勇,罗茜.液体过滤与过滤介质[M].北京:化学工业出版社,2008:199-201. |
| [10] | 鄢玲俐,洪明东,李向伟,等.动态膜过滤装置处理大庆三元污水试验研究[J].石油机械,2010,38(12):1-4. |


