中国是水产养殖大国,2018年我国水产养殖总产量达4 991万t,占全国水产品总产量比例达77%以上。作为水产养殖的重要组成部分,虾蟹养殖的规模逐年增加,2018年,虾产量409.04万t,同比增长16.44%,蟹产量105.07万t,同比增长1.32%[1]。在养殖规模增长、人工成本增加、养殖生态化要求提高的背景下,虾蟹塘投饵船作为一种虾蟹养殖自动化设备,逐渐为人们所重视。虾蟹塘工作要求及环境特殊,对投饵船的运行速度和整体功耗有较高的要求,且投饵船动力系统布局空间有限,这使得推进装置的研究成为虾蟹塘投饵船成功与否的关键之一。
近年来,我国在自动化虾蟹塘投饵船设备的探索和推广上开展了一系列的工作。综合国内文献,虾蟹塘投饵船推进装置主要分两种方式。第一种是使用明轮作为推进装置,胡庆松等[2]和程志金[3]研究设计了一种基于明轮驱动虾塘自主导航投饵船,平均船速达0.72 m/s,具有良好的抗风性,但工作效率仅为31.79%。第二种是使用螺旋桨作为推进装置,孙月平等[4]研究设计了一种空气螺旋桨风力驱动投饵船,试验表明投饵船具有良好的稳定性,但平均船速只有0.42 m/s,效率损耗较大。胡庆松等[5]研究设计了一种直径为0.1 m的三叶小型螺旋桨作为推进装置,其螺旋桨工作状态为浸没式,试验表明空载投饵船船速能够达到1.2 m/s,满载时可达1.02 m/s,并通过研究使用螺旋桨推进虾蟹塘投饵船的饵料负载试验表明,当平均船速达到1 m/s时,投饵船的工作效率较人工精细化管理养殖效率提高50%。因此相比于低船速、高能耗以及低效率的明轮以及半潜式水上风力螺旋桨作为推进装置,水下螺旋桨显然拥有更好的研究价值。
本研究虾蟹塘投饵船载体,由于其船体尺寸较小,船体尾部浮重部分距离船体底部的尺寸不足0.1 m,因此螺旋桨的直径通常小于0.1 m,是一种特殊类型的小型螺旋桨,螺旋桨桨叶数量与转速成反比趋势。若使用高转速多叶螺旋桨,则桨叶转过的地方会产生真空,无法产生推力,根据本文选定的高转速电机,设定三叶小型螺旋桨作为主要研究目标较为合适。小型螺旋桨的仿真理论已有一些国内外学者对其开展了有意义的研究。林伟豪等[6]利用Fluent研究小型螺旋桨射流的CFD模型,结果表明小型螺旋桨射流具有完整性,并可以根据CFD软件预测螺旋桨尾流速度。螺旋桨周围的湍流计算使用雷诺平均纳维叶-斯托克斯方程(Reynolds-Averaged Navier-Stokes,RANS),实验表明使用RANS计算预测螺旋桨的整体性能和流动特性方面取得了合理的一致性[7-13]。姜东栓[14]、杨美红等[15]、孙承亮等[16]采用SST k-ω湍流模型和SIMPLE算法分析了螺旋桨在不同进速系数下的推力、扭矩与表面压力分布特点,并指出SST k-ω模型在预测小型螺旋桨的整体敞水性能和流量特性时为较佳的湍流模型。OCHI等[17]和王诗洋等[18]通过数值模拟方法对螺旋桨桨毂的研究表明,桨毂造成毂涡可导致螺旋桨叶片最小5%的整体推力下降。但目前,针对小型螺旋桨尺寸、转速与功耗之间的匹配优化研究较少。
因此,本文基于虾蟹塘投饵船的具体工作环境及船体尺寸上限,提出一种虾蟹塘投饵船三叶小型螺旋桨设计方法。通过理论计算以及CFD仿真分析,研究虾蟹塘投饵船小型螺旋桨尺寸、转速与功耗之间的匹配优化问题。最后通过虾蟹塘实地实验计算螺旋桨实际工作效率,验证了本文提出的螺旋桨设计、仿真与实验方法的实用性和可靠性。
1 投饵船螺旋桨的分析与设计 1.1 背景及基本尺寸分析所研究三叶小型螺旋桨(以下简称螺旋桨)以双体式船式虾蟹塘投饵船为应用对象。虾蟹塘投饵船集成GPS导航、三轴陀螺仪、姿态传感器、电子罗盘、自动投饵系统、螺旋桨推进系统等高精度、高可靠性设备,搭载移动式投饵装置平衡抖料系统, 主要可用于虾塘和蟹塘的投料饲养工作,以遥控和自控两种方式在虾蟹塘进行精确投饵,可以实现远程投饵或无人自主投饵[19-20],而螺旋桨决定了投饵船的运行速度、稳定性及能耗,是投饵船成功与否的关键所在。
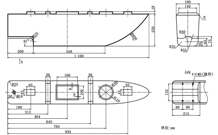
虾蟹塘投饵船搭载两个螺旋桨作为推进装置,其双螺旋桨的运行具有左右对称性,螺旋桨叶片旋转具有轴对称性[21]。如图 1所示,单船体尾部浮重距离船体底部的距离只有0.08 m,构成了螺旋桨的直径尺寸上限。桨毂作为螺旋桨的核心轴,其性能的优劣影响螺旋桨在水中的敞水性能表现[22],虾蟹塘投饵船工作受池塘内增氧管线、水草等影响,为保证船体工作时不搁浅,桨毂长度应小于导流罩长度0.2 m(图 1),同时螺旋桨桨毂直径应不小于螺旋桨直径的14%来满足其足够的强度支撑叶片。根据刘爱兵等[23]的研究,具有一定弧度的桨毂所受阻力较小,抗空化能力较优。因此,选定虾蟹塘投饵船螺旋桨的圆弧形桨毂直径Dh为0.012 5 m,桨毂长度为0.025 m,螺旋桨直径Dp尺寸分别为0.05 m、0.06 m和0.07 m进行研究。
|
图 1 虾蟹塘投饵船单船体尺寸示意图 Fig. 1 Schematic diagram of single hull size of shrimp and crab pond feeding boat |
螺旋桨射流速度由3个速度分量与湍流强度组成,其中轴向射流速度是造成射流沿中心轴方向流动的主要速度分量。由此通过选定螺旋桨射流的初始流出速度可以预测整个螺旋桨的轴向射流分布,获得螺旋桨射流发展区的最大轴向射流速度。在理想状态下,螺旋桨流出速度方程[24]和流出系数方程[6]的表达式如下:
(1)
(2)
式中:Vo为流出速度,m/s;Eo为流出系数,0.8~0.9;n为螺旋桨转速,r/s;Dp为螺旋桨直径,m;Ct为螺旋桨推力系数;Dh为螺旋桨轮毂直径,m;β为叶片盘面比。
虾蟹塘投饵船螺旋桨直径小于0.1 m,因此取流出系数Eo=0.8,流出速度Vo=2 m/s。以螺旋桨直径Dp=0.07 m、转速n=58 r/s为例,根据公式1可得理想状态下螺旋桨的推力系数Ct=0.51。圆弧形桨毂直径Dh=0.012 5 m,根据式2可得直径0.07 m的螺旋桨叶片盘面比的大小为β=0.862,同理直径为0.05 m以及0.06 m的螺旋桨叶片盘面比经计算分别为β=0.699和β=0.799,推力系数Ct分别为0.31和0.43。
通过螺旋桨流出速度可推导螺旋桨射流发展区最大轴向射流速度,其方程如下:
(3)
式中:Vmax为最大轴向射流速度,m/s;x为距初始流出平面的轴向距离,m。
根据STEWART等[25]研究表明螺旋桨最大轴向射流速度只有在x/Dp=0.35以内有效,超过该距离后,轴向射流速度沿着螺旋桨射流轴线将呈现逐渐衰减状态,直到x/Dp=3.25衰减结束。根据螺旋桨最大轴向射流速度的有效性,将x/Dp=0.35以及上述所得各螺旋桨叶片盘面比代入公式3,可得螺旋桨直径Dp=0.07 m最大轴向射流速度Vmax=1.48 m/s。同理直径为0.05 m以及0.06 m螺旋桨在转速n=58 r/s时其射流发展区最大轴向射流速度分别为1.41和1.46 m/s。
螺旋桨最大轴向射流速度与螺旋桨实际工作时的推进速度(以下简称船速)存在误差,因此需要通过CFD软件建立水动力仿真模型计算得出螺旋桨平均轴向射流速度。根据射流内任何截面处的平均速度分布遵循高斯正太分布,射流发展区平均轴向射流速度的横向分布方程[26]如下:
(4)
式中:Vx, r为平均轴向射流速度,m/s;d为距旋转轴线的径向距离,m;Rmo为平均轴向射流速度位置,m;Rp为螺旋桨半径,m。
由式(4)可知,当距旋转轴线的径向距离越大分布越广时,螺旋桨平均轴向射流速度将越大,根据螺旋桨射流速度分量原理,当螺旋桨的平均轴向射流速度越高时,螺旋桨的船速以及敞水性能也更高。根据式(3)可知螺旋桨轴向射流速度在x/Dp=3.25衰减结束,以螺旋桨直径0.07 m为例,即距初始流出平面的轴向距离x=0.228 m时,螺旋桨轴向射流速度为最小值,因此取平均轴向射流速度位置Rmo=0.13 m。
1.3 叶片边缘方程将螺旋桨叶片边缘的一点沿旋转轴中心展开,其旋转一周所留下的轨迹线为螺旋线,将螺旋线展开,则成为一条与旋转轴线夹角为Φ的螺距线,螺距线与旋转轴线的端点形成几何三角形,桨叶角及三维坐标方程如下:
(5)
式中:p为螺距,m;z为轴向坐标距离,m;L为基准点距离前缘边缘点或后缘边缘点的距离,m。
以直径0.07 m螺旋桨为例,其叶片的参数如表 1所示。
|
表 1 直径0.07 m螺旋桨叶片参数 Tab.1 Parameters of propeller blade with a diameter of 0.07 m |
结合上述理论计算所得的螺旋桨几何参数以及虾蟹塘投饵船工作实际需求,虾蟹塘投饵船螺旋桨以转速3 500 r/min为例,其设计应该满足的主要技术指标如表 2所示。
|
表 2 虾蟹塘投饵船三叶小型螺旋桨参数统计 Tab.2 Parameter statistics of three-blade small propeller of shrimp and crab pond feeding boat |
利用表 1叶片参数及公式(5),经过轴坐标系换算得出虾蟹塘螺旋桨的叶片边缘三维坐标(如表 3所示的0.07 m直径螺旋桨坐标),同理可得0.05和0.06 m直径的三维坐标。由表 3三维叶片边缘点可获得叶片曲线,如图 2所示(其中A1点与A8点重合),然后进行曲面填充加厚即可获得螺旋桨单叶片的三维模型。3种不同直径的虾蟹塘投饵船螺旋桨三维模型如图 2所示。
|
表 3 螺旋桨直径(0.07 m)叶片边缘点三维坐标 Tab.3 Three-dimensional coordinates of blade edge points of propeller diameter (0.07 m) |
|
图 2 螺旋桨叶片边缘三维曲线及叶片填充模型 Fig. 2 Three-dimensional curve of the propeller blade edge |
螺旋桨的敞水性能即螺旋桨单独模型在均匀水流中发出的推力功率与收到功率的比值,它可以预测螺旋桨在水中的射流速度,并提供详细的流场参数和趋势,通过流场趋势的优良与否来检验分析螺旋桨在水中的工作效率。CFD数值模拟是水动力仿真的一个重要步骤,在螺旋桨敞水性能预测中,它可以有效地预测螺旋桨周围射流分布,缩短设计周期。近年来由于计算机性能的不断提高,CFD软件的湍流模型以及离散方案的改进,RANS方程的求解变得更加精确[27]。为进一步分析所设计的虾蟹塘投饵船螺旋桨的敞水性能,采用Ansys CFD软件求解未知雷诺应力项RANS方程来模拟螺旋桨在水中工作时周围的流场流动。根据孙承亮等[16]基于CFD的对转螺旋桨水动力的分析研究表明:RANS方程和SST k-ω模型在小型螺旋桨水动力模拟计算中具有计算误差最小的优势。基于上述结论,虾蟹塘投饵船螺旋桨SST k-ω湍流模型方程[28]如下:
(6)
(7)
式中:μt = ρk /ω;由SST理论推导得到湍流模型常数值为α=5/9,β=0.075,β*= 0.09,σk=2.0,σω=2.0。
2.2 网格划分与边界条件网格划分的质量与边界条件的清晰设定将直接影响控制方程离散的精度和速度导致最终仿真计算结果的精确程度。仿真试验中,静止域长度设置为螺旋桨直径的20倍,直径为螺旋桨直径的5倍,旋转域设置在静止域内部尺寸且略大于螺旋桨直径,如图 3所示。在旋转域与静止域的边界场建立交界面,给予旋转域一定的角速度使其相对于静止域绕螺旋桨旋转轴匀速旋转运动和自由运动来模拟实际工作情况。在螺旋桨周围旋转域以及静止域周围设置网格加密区,利用Mesh模块对所建仿真模型采用六面体网格划分,为提高数值模拟的精确性、准确性和稳定性,对静止域、旋转域及螺旋桨进行网格加密处理,网格的总数达到6 173 129个,单元节点为1 068 896个。有研究[29]指出:当网格尺度低于螺旋桨直径的1.76%时,其水动力性能和尾涡模拟具有较高可靠性,因此,选择静止域加密区的网格尺度为5×10-4 m,对应螺旋桨旋转域加密区的网格尺度设置为5×10-4 m,均在1.76%之内。
|
图 3 静止域和旋转域 Fig. 3 Static domain and rotation domain |
为了分析3种不同直径螺旋桨在模拟虾蟹塘工况下进行工作的水动力性能,利用控制变量法,改变旋转域转速以及螺旋桨的直径参数来判断螺旋桨叶片截面压力与平均轴向射流速度之间的关系。旋转域设置的转速分别为n1=3 000 r/min、n2=3 500 r/min和n3=4 000 r/min。各种不同直径螺旋桨在各转速下的叶片截面压力云图,以0.07 m直径螺旋桨为例,其云图如图 4所示。
|
图 4 螺旋桨直径Dp=0.07 m不同转速下的叶片截面压力分布云图 Fig. 4 Cloud diagrams of blade cross-section velocity and pressure at different speeds with propeller diameter Dp= 0.07 m |
根据表 4中的数据,螺旋桨叶片截面压力的最大值在3 500 r/min时最小,且都在n2=3 500 r/min时,最大叶片截面压力为最小值,而叶片截面压力的最小值为先增加再减少,说明在n2=3 500 r/min时,叶片截面压力的差值变化为最小。根据图 5所示螺旋桨叶片截面压力差值变化曲线,当n2=3 500 r/min时,其截面正压力与截面负压力的差为最小。
|
表 4 不同转速下各直径螺旋桨仿真截面压力最值 Tab.4 Maximum and minimum pressures of simulated section of propellers of each diameter at different rotating speeds |
|
图 5 螺旋桨叶片截面压力差值变化曲线 Fig. 5 Curve of pressure difference of propeller blade section |
为了进一步分析螺旋桨叶片截面压力差值的变化与平均轴向射流分布的关系,在Fluent中得出螺旋桨在静止域和旋转域纵向剖面的轴向速度分布云图,图 6为Dp=0.07 m时不同转速下的轴向速度分布云图。根据式4所得结论,当距旋转轴线的径向距离越大分布越广时,螺旋桨平均轴向射流速度将越大。因此,可以得出当螺旋桨叶片截面正压力绝对值减去叶片截面负压力绝对值无限趋向于零时,螺旋桨平均轴向射流速度达到最大值。
|
图 6 螺旋桨Dp=0.07 m纵向剖面轴向射流速度云图 Fig. 6 Axial jet velocity cloud of longitudinal section of propeller Dp = 0.07 m |
根据螺旋桨射流速度分量原理,当螺旋桨的平均轴射流速度越高时,螺旋桨的推进效率越高,因此暂定转速n2=3 500 r/min为虾蟹塘投饵船螺旋桨的额定转速。
为深入研究螺旋桨实际工作射流速度与平均轴向射流速度的关系,经仿真计算分析,各直径螺旋桨的平均轴向射流速度与平均轴向射流速度位置的关系曲线如图 7所示,螺旋桨的平均轴向射流速度随平均轴向射流速度位置越远而越少,其中在20~30 mm处,都有较为明显的速度衰减。而转速在n2=3 500 r/min时,各螺旋桨的平均轴向射流速度衰减都较为平缓,这也验证在该转速下,螺旋桨的敞水性能以及工作效率为最优。
|
图 7 螺旋桨平均轴向射流速度与位置关系曲线 Fig. 7 Curve of average axial jet velocity and position of propeller |
各螺旋桨在n2=3 500 r/min时的工作效率线性直线如图 8所示,螺旋桨直径Dp=0.07 m相较其他直径螺旋桨的效率线性直线斜率绝对值更大,表明在相同时间内所需达到相同平均轴向射流速度的时间更短,螺旋桨的敞水性能最优。根据式(5)所选定的平均轴向射流速度位置Rmo=0.13 m时得出各螺旋桨在各转速下的平均射流速度来对比理论计算所得的最大射流速度。如表 5所示,理论计算所得的最大轴向射流速度与数值模拟所得平均轴向射流速度的值误差范围小于6%,验证了使用船舶射流理论方程所计算得出的螺旋桨最大轴向射流速度具有可靠性。因此根据水动力模拟实验结果,选定直径Dp=0.07 m、n2=3 500 r/min为最佳匹配虾蟹塘投饵船螺旋桨。
|
图 8 n2=3 500 r/min各直径螺旋桨效率线性直线 Fig. 8 n2=3 500 r/min linear propeller diameter |
|
表 5 最大轴向射流速度值与平均轴向射流速度值误差 Tab.5 Error between the maximum axial jet velocity value and the average axial jet velocity value |
为了进一步分析虾蟹塘投饵船螺旋桨的能耗特性及验证仿真分析方法的可行性,根据本文CFD水动力仿真试验结论,将螺旋桨模型保存为二进制模型,通过将所设计螺旋桨模型导入Sprint-3D进行3D打印,获得螺旋桨实物,进行螺旋桨实物现场试验。试验于2019年12月10日在上海市奉贤区四团镇虾蟹塘合作养殖基地进行,如图 9所示,试验设备见表 6。
|
图 9 实验现场设备 Fig. 9 Experimental field equipment |
|
表 6 实验硬件 Tab.6 Experimental hardware |
将3种不同直径螺旋桨与同一虾蟹塘投饵船体进行搭载安装后,分别试验其整体性能,并采集相关试验数据。试验内容为:测试不同螺旋桨在不同转速、不同负载下的船速、拉力、工作电流。
试验过程:分空载和满载两种情况测试螺旋桨搭载船体时的船速以及电能功耗。将虾蟹塘投饵船设定4个GPS定点坐标,选择自主导航模式工作,测试区间为50 m,利用船头搭载的传感器与岸边传感器对接,实现类光电门测速。同时为保证试验数据的准确性,所测电流、船速等数据都在船体相对匀速的行驶状态下测量且均为3次测量的平均值。功率大小测试,以不同螺旋桨配合不同电机,并针对实际虾蟹塘投饵船工作情况,在试验中添加不同载重,并测量其船速以及具有载重的功率消耗。现场试验结果见表 7。
|
表 7 螺旋桨试验数据结果 Tab.7 Test data results |
表 7中各工况下的平均船速与平均轴向射流速度的误差均在10%之内,船体负载的影响对于消耗的电流来说没有太大的浮动变化,整体功率趋势呈现平缓状态。但是负载影响船速,负载越重,船体行驶的速度会变得越慢。针对于虾蟹塘投饵船特殊工况来看,由于刚开始投饵工作时船体为满载状态,此时应满足相对较高的船速来保证精确投饵的整体效率。
由于表 7中所测电流值皆为单个螺旋桨的电流测试值,因此在选定螺旋桨时电流应以2倍值作为参考,根据投饵船搭载的电瓶容量为30 Ah,所需工作时间单次为至少1 h,将满载时船速低于1.2 m/s以及满载电流超过12 A的试验参数淘汰,将剩余螺旋桨测试数据进行螺旋桨工作效率计算:
(8)
式中:T为推力大小,kg;W为功率,W;V为船速,m/s;η为螺旋桨工作效率。
根据表 8可知螺旋桨的工作效率在转速n2=3 500 r/min时效率比n3=4 000 r/min时的效率要高,其效率最高为DP=0.07 m螺旋桨的70.90%,相比DP=0.06 m螺旋桨工作效率高1.38%,平均船速为1.46 m/s。通过测算,使用该螺旋桨搭载虾蟹塘投饵船管理养殖池塘,效率提高63%。实际船速与最大轴向射流速度之间的误差不超过10%。在能耗方面,本文设计的螺旋桨驱动的能耗保持在150 W以内,不仅工作效率更高且能耗更低,验证了本文针对虾蟹塘投饵船螺旋桨研究的可靠性。对比我们利用SST k-ω湍流模型方程所得出选定直径Dp=0.07 m、n2=3 500 r/min为最佳匹配虾蟹塘投饵船螺旋桨的仿真结果一致。
|
表 8 实验效率结果 Tab.8 Test efficiency results |
针对虾蟹塘投饵船,根据船舶螺旋桨射流理论方程计算得出螺旋桨的基本参数以及螺旋桨最大射流速度,再通过叶片边缘点坐标方程计算得出单个螺旋桨叶片的三维坐标,在此基础上,应用SolidWorks等三维软件实现虾蟹塘投饵船螺旋桨的快速设计。
基于雷诺平均纳维叶-斯托克斯(RANS)方程以及SST k-ω湍流模型方程,使用Ansys CFD软件,可以对虾蟹塘投饵船螺旋桨进行较为准确有效的水动力仿真分析试验,为螺旋桨设计合理性提供依据。分别仿真分析了转速n1=3 000 r/min、n2=3 500 r/min和n3=4 000 r/min下螺旋桨的叶片截面压力云图以及叶片纵向剖面轴向速度云图。仿真试验结果表明:当转速在3 500 r/min时,螺旋桨叶片截面正压力与截面负压力的差为最小,同时各直径螺旋桨的轴向射流分布距旋转轴线的径向距离最远。根据仿真计算所得螺旋桨平均轴向射流速度与理论计算所得最大轴向射流速度之间的误差小于6%,验证了水动力仿真模型的有效性。
现场试验结果表明,在满足虾蟹塘投饵船工作工况下,转速n2= 3 500 r/min的工作效率比n3=4 000 r/min时的工作效率要高,其中,DP =0.07 m螺旋桨的效率为70.90%,相比DP =0.06 m螺旋桨工作效率高1.38%,比DP=0.05 m螺旋桨工作效率高3.28%,同时,所设计螺旋桨的驱动能耗可控制在150 W以内,增加螺旋桨推进系统的使用寿命。
本文提出了一种针对虾蟹塘投饵船所使用的三叶小型螺旋桨推进装置的研究与设计方法,基于船舶射流理论以及水动力仿真试验分析,并依托大量的实地试验数据,得出了转速与螺旋桨的最优匹配值,对虾蟹塘投饵船推进装置的研究和应用具有很好的借鉴价值。后续研究,将进一步结合虾蟹塘投饵船螺旋桨的特点,综合考虑轴向、切向和径向射流速度分量的影响,在优化虾蟹塘投饵船螺旋桨设计的同时完善虾蟹塘投饵船螺旋桨设计理论。
| [1] |
农业农村部渔业渔政管理局, 全国水产技术推广总站, 中国水产学会. 中国渔业统计年鉴2019[M]. 北京: 中国农业出版社, 2019. Fishery and Fishery Administration Bureau of the Ministry of Agriculture. 2019 China fishery statistics yearbook[M]. Beijing: China Agriculture Press, 2019. |
| [2] |
胡庆松, 曹佳瑞, 郑波, 等. 明轮驱动虾塘自主导航投饵船设计与可靠性试验[J]. 农业机械学报, 2019, 50(11): 121-128. HU Q S, CAO J R, ZHENG B, et al. Design and reliability test of paddle wheel drived shrimp pond autonomous navigation feeding boat[J]. Transactions of the Chinese Society for Agricultural Machinery, 2019, 50(11): 121-128. DOI:10.6041/j.issn.1000-1298.2019.11.013 |
| [3] |
程志金. 一种新型喂虾机: 中国, 201820315770.9[P]. 2019-02-22. CHENG Z J. A Novel feed shrimp machine: CN, 201820315770.9[P]. 2019-02-22. |
| [4] |
孙月平, 赵德安, 洪剑青, 等. 河蟹养殖船载自动均匀投饵系统设计及效果试验[J]. 农业工程学报, 2015, 31(11): 31-39. SUN Y P, ZHAO D A, HONG J Q, et al. Design of automatic and uniform feeding system carried by workboat and effect test for raising river crab[J]. Transactions of the Chinese Society of Agricultural Engineering, 2015, 31(11): 31-39. DOI:10.11975/j.issn.1002-6819.2015.11.005 |
| [5] |
胡庆松, 郑波, 曹佳瑞, 等. 船载投饵装置平衡抖料系统设计与试验[J]. 上海海洋大学学报, 2020, 29(6): 928-937. HU Q S, ZHENG B, CAO J R, et al. Design and test of balanced shaking system for boat-borne bait feeding device[J]. Journal of Shanghai Ocean University, 2020, 29(6): 928-937. |
| [6] |
林伟豪, 崔永刚. 船舶螺旋桨射流理论与工程计算[M]. 天津: 天津大学出版社, 2018. LIN W H, CUI Y G. Ship propeller jet theory and engineering computation[M]. Tianjin: Tianjin University Press, 2018. |
| [7] |
MORGUT M, NOBILE E. Influence of grid type and turbulence model on the numerical prediction of the flow around marine propellers working in uniform inflow[J]. Ocean Engineering, 2012, 42: 26-34. DOI:10.1016/j.oceaneng.2012.01.012 |
| [8] |
YAO J X. Investigation on hydrodynamic performance of a marine propeller in oblique flow by RANS computations[J]. International Journal of Naval Architecture and Ocean Engineering, 2015, 7(1): 56-69. DOI:10.1515/ijnaoe-2015-0005 |
| [9] |
MIZZI K, DEMIREL Y K, BANKS C, et al. Design optimisation of propeller boss cap fins for enhanced propeller performance[J]. Applied Ocean Research, 2017, 62: 210-222. DOI:10.1016/j.apor.2016.12.006 |
| [10] |
FUNEDO I. Analysis of unsteady viscous flow around a highly skewed propeller[J]. Journal of Kansai Society of Naval Architects, 2002, 237: 39-45. |
| [11] |
RHEE S H, JOSHI S. CFD validation for a marine propeller using an unstructured mesh based RANS method[C]//ASME/JSME 20034th Joint Fluids Summer Engineering Conference. Honolulu: ASME, 2003.
|
| [12] |
郑小龙, 黄胜, 王超. 基于CFD的螺旋桨定常水动力性能预报精度研究[J]. 舰船科学技术, 2014, 36(12): 11-15. ZHENG X L, HUANG S, WANG C. Study of precision of steady hydrodynamic performance prediction of propeller of based on CFD[J]. Ship Science and Technology, 2014, 36(12): 11-15. DOI:10.3404/j.issn.1672-7649.2014.12.003 |
| [13] |
KORSSTRÖM A, MIETTINEN P, HÄNNINEN S K, et al. Investigation of the propeller slip stream over an Azipod propulsor by PIV measurements and CFD simulations[C]//Proceedings of the 4th International Symposium on Marine Propulsors. Austin, 2015.
|
| [14] |
姜东栓. CFD技术在螺旋桨粘性流场计算中的可靠性预报分析[J]. 中国水运, 2017, 38(7): 43-44. JIANG D S. Reliability prediction analysis of CFD technology in calculation of propeller viscous flow field[J]. China Water Transport, 2017, 38(7): 43-44. |
| [15] |
杨美红, 李铁骊, 胡俊明, 等. 基于CFD法的对转螺旋桨敞水性能参数匹配研究[J]. 船舶工程, 2016, 38(11): 42-46. YANG M H, LI T L, HU J M, et al. Study on open water performance of parameters matching of counter-rotating propellers based on CFD method[J]. Ship Engineering, 2016, 38(11): 42-46. |
| [16] |
孙承亮, 赵江滨. 基于CFD的对转螺旋桨水动力性能分析[J]. 舰船科学技术, 2019, 41(2): 36-40. SUN C L, ZHAO J B. Hydrodynamic performance analysis of counter-rotating propellers based on CFD[J]. Ship Science and Technology, 2019, 41(2): 36-40. DOI:10.3404/j.issn.1672-7649.2019.02.007 |
| [17] |
OCHI F, FUJISAWA T, OHMORI T, et al. Simulation of propeller hub vortex flow[C]//First International Symposium on Marine Propulsors. 2009.
|
| [18] |
王诗洋, 解学参, 王超, 等. 参数选择对螺旋桨水动力性能的影响[J]. 船舶工程, 2010, 32(6): 4-8. WANG S Y, XIE X S, WANG C, et al. Effect of parameters selection on hydrodynamic performance of propeller[J]. Ship Engineering, 2010, 32(6): 4-8. DOI:10.3969/j.issn.1000-6982.2010.06.002 |
| [19] |
张丽珍, 杨加庆, 邵祺, 等. 基于北斗定位系统的虾塘投饵管控系统的设计和实现[J]. 全球定位系统, 2017, 42(2): 83-87. ZHANG L Z, YANG J Q, SHAO Q, et al. Design of management and control system of feeding in shrimp farming based on BDS[J]. Gnss World of China, 2017, 42(2): 83-87. |
| [20] |
胡庆松, 程文平, 李俊. 移动式虾塘投饵装置偏心抖料及抛饵系统优化与试验[J]. 上海海洋大学学报, 2016, 25(5): 794-800. HU Q S, CHENG W P, LI J. Eccentric shaking and bait throwing system optimization and experiment of the mobile shrimp feeding machine[J]. Journal of Shanghai Ocean University, 2016, 25(5): 794-800. |
| [21] |
ATKINS W S. Best practice guidelines for marine applications of computational fluid dynamics[R]. 2004.
|
| [22] |
贵忠东, 丁凡, 袁野, 等. CPP桨毂机构电液伺服加载试验台[J]. 农业机械学报, 2014, 45(1): 313-320, 300. GUI Z D, DING F, YUAN Y, et al. CPP hub electro-hydraulic servo loading test bench[J]. Transactions of the Chinese Society for Agricultural Machinery, 2014, 45(1): 313-320, 300. |
| [23] |
刘爱兵, 谢清程, 张俊武. 桨毂形状对螺旋桨水动力影响仿真[J]. 船舶工程, 2019, 41(4): 42-46. LIU A B, XIE Q C, ZHANG J W. Simulation of the effect of hub shape on propeller hydrodynamics[J]. Ship Engineering, 2019, 41(4): 42-46. |
| [24] |
HASHMI H N. Erosion of a granular bed at a quay wall by a ship's screw wash[D]. Belfast: Queen's University of Belfast, 1993.
|
| [25] |
STEWART D P J, HAMILL G A, JOHNSTON H T. Velocities in a ship's propeller wash[Z]. Rotterdam: International Symposium on Environmental Hydraulics, 1991.
|
| [26] |
HAMILL G A, KEE C. Predicting axial velocity profiles within a diffusing marine propeller jet[J]. Ocean Engineering, 2016, 124: 104-112. DOI:10.1016/j.oceaneng.2016.07.061 |
| [27] |
LIU C B, LI J, LI Y, et al. Scale-resolving simulation and particle image velocimetry validation of the flow around a marine propeller[J]. Journal of Zhejiang University-SCIENCE A, 2019, 20(8): 553-563. DOI:10.1631/jzus.A1900165 |
| [28] |
任芸, 刘厚林, 舒敏骅, 等. 考虑旋转和曲率影响的SST k-ω湍流模型改进[J]. 农业机械学报, 2012, 43(11): 123-128. REN Y, LIU H L, SHU M H, et al. Improvement of SST k-ω turbulence model and numerical simulation in centrifugal pump[J]. Transactions of the Chinese Society for Agricultural Machinery, 2012, 43(11): 123-128. DOI:10.6041/j.issn.1000-1298.2012.11.023 |
| [29] |
胡健, 耿冲, 冯峰. 基于大涡模拟的螺旋桨梢涡数值分析[J]. 华中科技大学学报(自然科学版), 2017, 45(11): 68-73. HU J, GENG C, FENG F. Numerical analysis of propeller tip vortex based on large eddy simulation[J]. Journal of Huazhong University of Science and Technology (Nature Science Edition), 2017, 45(11): 68-73. |
2021,
Vol. 30


