我国幅员辽阔,存在能源分布与负荷中心的不一致问题,这就需要可以实现远距离、大容量电力输送的特高压工程[1-2]。截至目前,我国已投运16条特高压工程,还有4条在建工程。特高压变压器作为关键设备,在特高压工程中发挥着重要作用。特高压变压器的质量和体积很大,在设计和制造时考虑到制造成本、运输、安装、可靠性等要求,目前国内所有交流特高压变压器和特高压直流站1000 kV和750 kV联络变压器均采用分体布置,分别将主体变压器和调补变压器作为两个独立部分[1]。
已有多篇文献分析了特高压变压器的调压方式。文献[1-8]对比分析了特高压变压器调压方法和补偿方法,介绍了特高压变压器采用的完全补偿和非完全补偿两种方式。文献[6-17]针对非完全补偿或特定绕组进行电气量参数和数值分析、计算和仿真。但以上研究均未对特高压变压器补偿方式基于电磁关系进行对比分析,本文对两种调压补偿方式变压器电压调节的差别进行了分析比较,同时给出了特高压变压器采用完全补偿方法的变压器各个绕组的电磁关系[3-7]。
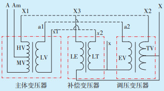
1 单相分体自耦变压器结构特点目前国内特高压变压器均采用调补变压器与主体变压器分体结构,如图 1所示。分体结构可分开运输,降低了运输成本和难度。在电网运维过程中如调补变压器故障,可将主体变压器分离,保证了主体变压器运行的可靠性和安全性。自耦变压器具有用材少、损耗小、质量和体积小的特点,降低了造价成本、运输成本和运输难度[3]。因此,从工程可行性、经济性、电网运维可靠性考虑,特高压变压器采用单相、分体、自耦结构是合理的。
|
| 图 1 特高压变压器结构 |
目前特高压变压器所采用的调压方式主要为中性点无载调压[3-5]。
2.1 调压方式变压器的调压方式分为有载调压和无载调压。无载调压方式结构简单、造价低、可靠性高,但必须在停电时切换档位。有载调压方式可以实现带负荷调压,但结构相对复杂、造价高,设计时需要充分考虑到绝缘和限流等的影响。据统计,有载调压变压器的故障率占总变压器故障率的80%,而自身的故障率约占40%。因此在满足设计需求条件下,在电网应用中尽可能选用无载调压。特高压电压等级波动小,供电可靠性要求高,且有下级电网的有载调压变压器作为保障。结合系统运行方式,从可靠性和经济性考虑,特高压变压器采用无载调压更为合理[6]。
2.2 调压位置按照调压位置划分,自耦变压器的调压方式可以分为线端调压和中性点调压。
线端调压一般在中压侧,调压时每匝绕组电压不变,因此绕组铁心磁通为恒定,也称恒磁通调压。调压时低压侧电压受影响较小,中压侧额定电流大,因此绕组引线粗和高场强区域大。采用线端调压时,绝缘处理难度大,中压侧线端往往是绝缘设计的薄弱点[7]。
中性点调压方式会造成其他相关电压和主磁通的变化,也称为变磁通调压。当调压变压器的分接开关在不同档位时,不仅中压绕组线端的电压、电流会改变,低压绕组的电压、电流也会改变。采用中性点调压方式调压时,绕组电压低、绝缘要求低、制造工艺易实现、整体造价低。
综合考虑绝缘性能、经济性、可靠性等要求,特高压变压器宜采用中性点调压。采用中性点调压时,为降低主体变压器低压侧电压变化量,保证主体变压器运行的稳定性,需对低压侧电压进行补偿,因此会在调压变压器中专设一个调补变压器[5-10]。
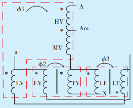
3 非完全和完全补偿调压原理分析对比调压变压器的励磁电源有完全补偿和非完全补偿两种方式,两种补偿绕组连接图见图 2、图 3。
|
| 图 2 非完全补偿绕组连接图 |
|
| 图 3 完全补偿绕组连接图 |
需注意的是,图 2中x为补偿绕组尾端,调压励磁绕组尾端与补偿绕组首端、低压绕组尾端相连;图 3完全补偿绕组连接图中,x为补偿绕组和调压励磁绕组共用尾端,图中实线表示绕组在变压器内部相连,虚线表示需要通过外部引线相连。
引言中提到的多篇论文已针对非完全补偿方式进行了电气量参数和数值分析,因此本文针对完全补偿方式进行电气量参数和数值分析,并和非完全补偿结果进行对比。特高压变压器完全补偿调压原理如图 4和图 5所示。
|
| 图 4 非完全补偿调压原理图 |
|
| 图 5 完全补偿调压原理图 |
矩阵方程(1)和(2)分别为非完全补偿调压和完全补偿调压原理电磁耦合关系:
|
(1) |
|
(2) |
式中:N为对应绕组匝数;e1、e2、e3分别为HV、TV、LT每匝电动势;Uh为高压侧系统电压,为已知量,通常系统的电压等级越高,电网的电压波动越小。
中性点调压方式下,在调压变压器中设置了补偿绕组,确保低压侧电压波动能够满足要求。根据电路结构、绕组电磁耦合关系得出变压器高、中、低压侧电压Uh、Um、Ul为:
|
(3) |
磁通ϕ1、ϕ2、ϕ3为:
|
(4) |
式中:f为系统频率,其值为50 Hz。
中性点调压方式下,分接档位的变化会引起主体变压器、调压变压器、补偿变压器的铁心磁通发生不同程度的变化,同时补偿变压器磁通的变化率要大于主体变压器和调压变压器。以某厂生产的两种补偿方式的特高压变压器为例,其中调压绕组TV有9个分接,各绕组数量如表 1所示。比较和分析两种补偿方式下不同分接时主体变压器低压侧电压Ul和调压变压器磁通ϕ3相对分接档位在5时的变化率(即没有接入调压变压器)。
| 表 1 两种补偿方式的特高压变压器绕组数量 |
定义变化率y为:
|
(5) |
式中:xi为在第i分接头下低压侧电压或调压变压器磁通,i为分接头位置。由式(5)分别计算低压侧电压变化率和调压变压器磁通变化率,变化趋势如表 2和图 6、图 7所示。从图中可以看出,在通过调节分接开关位置来调节中压侧电压时,完全补偿方式比非完全补偿方式低压侧电压波动小。
| 表 2 不同补偿方式下磁通、电压变化率 |
|
| 图 6 两种补偿方式的特高压变压器磁通变化率 |
|
| 图 7 两种补偿方式的特高压变压器电压变化率 |
从绝缘要求、工程可行性、经济性、电网运维可靠性考虑,特高压变压器采用单相、分体、自耦结构更为合理。虽然采用中性点调压方式会造成低压侧电压的变化,但综合考虑绝缘要求、经济性、可靠性等要求,特高压变压器宜采用中性点调压,通过补偿绕组补偿可满足调压要求。两种补偿方式中,完全补偿方式相比非完全补偿方式调压效果好,低压侧电压变化小。
| [1] |
赵宏飞, 陈晓贵, 张郭晶, 等. 特高压变压器调压补偿方法对比分析[J].
中国电力, 2016, 49(4): 93-96 DOI:10.3969/j.issn.1007-3361.2016.04.035 ( 0)
|
| [2] |
邢超, 赵军, 王丽丽, 等. 特高压变压器调压方式分析[J].
河北电力技术, 2017, 36(1): 30-32 DOI:10.3969/j.issn.1001-9898.2017.01.010 ( 0)
|
| [3] |
李岩军, 周春霞, 肖远清, 等. 特高压有载调压变压器差动保护特性分析[J].
中国电力, 2014, 47(9): 112-117, 148 ( 0)
|
| [4] |
高文彪, 赵宇亭, 成运. 特高压变压器两种调压方法及调压补偿变保护浅析[J].
变压器, 2013, 50(1): 38-41 ( 0)
|
| [5] |
符雪鹏, 苑东升. 一种应用在自耦变压器中的带偏压绕组的有载调压方式[J].
变压器, 2017, 54(8): 11-14 ( 0)
|
| [6] |
Samet Haidar, Kazemzadeh Ebrahim, Ghanbari Teymoor. Realising full selective sources contribution in AC nano grids[J].
IET Energy Systems Integration, 2020, 2(1): 40-49 DOI:10.1049/iet-esi.2019.0048 ( 0)
|
| [7] |
CORDEIRO A, PIRES F V, FOITO D, et al. Three-level quadratic boost dc-dc converter associated to a srm drive for water pumping photovoltaic powered systems[J].
Solar Energy, 2020(209): 42-56 ( 0)
|
| [8] |
栾乐. 不同接线方式调压器对10 kV配电网故障电流的影响[J].
内蒙古电力技术, 2020, 38(5): 63-67 ( 0)
|
| [9] |
谢成, 刘家齐, 赵启承, 等. 10 kV双向线路调压器控制模式验证与应用分析[J].
浙江电力, 2018, 37(4): 25-29 ( 0)
|
| [10] |
冯艳明, 戴钰冰, 李明, 等. 基于AMESim的调压器的研究[J].
计算机辅助技术, 2018, 45(2): 42-44 ( 0)
|
| [11] |
王晓芳. 变压器无载开关及调压方式的选择[J].
电工技术, 2020(20): 110 ( 0)
|
| [12] |
张立国, 柴孟东, 冯争人. 特高压自耦变压器消磁线圈的分析与计算[J].
变压器, 2016, 53(7): 13-16 ( 0)
|
| [13] |
陈静, 赵宏飞, 黄厚明, 等. 特高压变压器调压补偿建模与仿真分析[J].
变压器, 2016, 53(7): 65-68 ( 0)
|
| [14] |
符雪鹏. 一种变磁通移相自耦变压器阻抗计算方法的推导[J].
变压器, 2016, 53(8): 16-19 ( 0)
|
| [15] |
范新萍. 一种改变调压方式直流电弧炉变压器设计简介[J].
变压器, 2017, 54(2): 8-10 ( 0)
|
| [16] |
韩克俊, 胥建文, 李象军, 等. 特高压1000 kV并联电抗器首端引线两种出线方式的分析与研究[J].
变压器, 2016, 53(1): 29-34 ( 0)
|
| [17] |
魏萍, 杨二龙, 刘仁峤, 等. 基于WPF的变压器绕组模型的研究与开发[J].
变压器, 2016, 53(2): 17-21 ( 0)
|


0)