支柱绝缘子作为外绝缘被广泛应用于电力系统中,像变电站、换流站和发电厂中的母线、隔离开关及10 kV配电网架空线路均需用绝缘子作支撑,并使之与大地(接地物)或其他有电位差的导体隔离。实际运行过程中,现场绝缘子由于受周围环境污染,以及高雾、高湿、低温、雷击等恶劣气象条件的影响,可能会发生各种放电现象,使绝缘子局部出现劣化变质,表面出现裂纹,缩短使用寿命[1-4]。支柱绝缘子不仅要满足电气绝缘的要求,还要满足各种运行工况对绝缘子机械强度的要求,因此,开展支柱绝缘子的机电性能研究工作具有重要意义。
本文通过在实验室模拟现场恶劣环境,利用液体污染和倾斜式样法(简称斜面法),研究严酷环境下绝缘子釉面耐电蚀损性能,分析试品釉面破坏机理;并对电蚀一定时间后的绝缘子进行泄漏电流试验、工频湿闪络电压试验、工频干闪络电压试验等闪络电压试验,分析绝缘子的寿命损耗情况。
1 电瓷釉作用简介电瓷釉是覆盖在支柱绝缘子表面的平滑玻璃质,该玻璃质层的厚度约为0.2~0.3 mm。电瓷釉对绝缘子的性能发挥起重要作用,主要体现在以下方面。
(1)提高绝缘子的化学稳定性。电瓷釉在绝缘子表面形成了致密的、不透水的玻璃薄层,使绝缘子有较高的表面硬度和抵抗外部腐蚀性气体、液体的侵蚀能力,提高了绝缘子的化学稳定性。
(2)提高绝缘子的强度和热稳定性。电瓷釉可以填充和平整瓷体表面的各种缺陷——粗糙不平、细小的孔洞、微裂纹等,改善绝缘子的表面质量。
(3)提高绝缘子的防污秽能力。釉面的光滑和光洁赋予绝缘子较好的自洁能力,运行中不易污染,也便于运行人员对污秽表面进行清洗[5-6]。
2 试验方案 2.1 试验方法本试验使用斜面法,试验电压采用恒定漏电起痕电压,GB/T 6553—2014 《严酷环境条件下使用的电气绝缘材料评定耐电痕化和蚀损的试验方法》 [7]推荐采用2.5 kV、3.5 kV或4.5 kV电压,本试验采用4.5 kV。
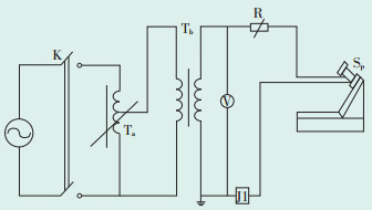
污染液通过塑料导流管导入电极,用质量分数为0.1%的氯化铵和0.02%的多乙氧基异新基苯乙醚溶于蒸馏水获得,保证污液电阻率为395±5 Ω·cm,污液流速为0.6 ml/min。试验时环境温度为23±2 ℃。试验接线原理示意图见图 1,实物试验台如图 2所示。
|
| 图 1 接线原理示意图 图中:K—电源开关;R—限流电阻;JI—过电流继电器;Ta—调压器;Tb—试验变压器;V—电压表;Sp—试样。 |
|
| 图 2 实物试验台 |
本试验所用试品为某厂生产的新支柱绝缘子1支,参数如表 1所示。
| 表 1 支柱绝缘子试品参数 |
试验平台搭建好以后,对试品进行耐电蚀损试验,并每隔1 h拍摄1次绝缘子的放电图像和红外热像。试验每持续100 h,对试品分别进行1次泄漏电流试验、工频湿闪电压试验、工频干闪电压试验,并做好试验数据记录。
3 试验分析 3.1 试品电瓷釉面放电情况及破坏机理分析 3.1.1 绝缘子放电情况升压时拍摄的绝缘子放电情况如图 3所示。
|
| 图 3 升压时绝缘子的放电情况 |
从图 3可以看出,当电蚀时间比较短,在100 h时,绝缘子的表面状况仍然良好,无漏电痕迹出现。此时绝缘子电弧从上电极向下电极发展,呈现紫色、大范围刷形放电,升压过程中,刷行放电基本持续进行。
随着电蚀时间的增加,达到150 h左右时,绝缘子表面已不如初始时光滑,局部出现劣变;放电现象也由原来的大范围刷形放电转变为只在下电极牙齿的上方随机间断出现剧烈放电,从电极的一端至另一端往返持续发生。
当电蚀达300 h左右时,放电现象主要集中在下电极的中部,出现持续的剧烈放电,表现为黄色豆粒大小的热点放电。
3.1.2 长绝缘子的红外情况升压过程中用红外热成像仪拍摄的该绝缘子放电时的热成像情况见图 4。
|
| 图 4 红外热成像情况 |
从图 4可以看出,在电蚀150 h时,绝缘子的表面状况依然良好,电弧放电的最高温度达60 ℃,最低温度约35 ℃。
当电蚀达200 h时,放电区域最高温度超过了110 ℃;到700 h时,最高温度仍达110 ℃以上,最高温度基本保持不变。
3.1.3 绝缘子表面状况升压过程中拍摄的绝缘子表面电蚀情况如图 5所示。
|
| 图 5 不同时刻绝缘子的电蚀情况 |
了硅氧四面体网络的空隙中,使网络空隙丧失了抵消温度变化引起体积变化的能力。此外,碱金属离子形成了非氧桥,其与非氧桥构成的R-O化学键在受热时振幅也较大,从而引起热膨胀系数增大,易于产生微裂纹或出现鼓包现象。
3.2 电气性能分析 3.2.1 泄漏电流试验每持续100 h,测试1次试品表面泄漏电流,测试前用纯净蒸馏水对试品表面进行清洁擦拭处理。测试结果见表 2。
| 表 2 不同试验时刻的泄漏电流测试结果 |
从表 2可以看出,各时间节点泄漏电流的变化不大,表明电蚀尚未影响到绝缘子的绝缘性能。
3.2.2 工频闪络电压试验试验每持续100 h,在测试完表面泄漏电流后,紧接着对试品进行闪络电压测试。
3.2.2.1 工频干闪络电压| 表 3 工频试验干闪络电压测试结果 |
| 表 4 工频试验干闪络路径记录 |
从表 3可以看出,随着试验时间的增加,试品绝缘子表面釉层的破坏程度越来越严重,陶瓷内部形成微裂纹、吸湿性气孔,试验用的液体浸入内部,造成试品绝缘性能下降,造成干闪络电压呈下降趋势[8-17]。截至700 h,平均干闪络电压约下降了20.7%。
从表 4可以看出,随着试验时间的增加,试品干闪络时的路径发生了明显变化,闪络路径有趋向于电蚀区的现象,至700 h时,发生在电蚀区边缘、附近的概率为50%,通过或部分通过电蚀区的概率为40%,随机发生的概率为10%。
3.2.2.2 工频湿闪络电压测试湿闪络电压前,用纯净蒸馏水对试品表面进行清洁擦拭处理,浸没在纯净蒸馏水内24 h后取出进行测试,结果如表 5所示,闪络路径记录见表 6。
| 表 5 工频试验湿闪络电压测试结果 |
| 表 6 工频试验湿闪络路径记录 |
从表 5可以看出,随着试验时间的增加,试品绝缘子表面釉层的破坏程度越来越严重,试品绝缘子放入水中时,由于外界水压力作用致使水分子更容易通过开口气孔或裂纹浸入瓷体内部,使得更多的水分子停留在气相中的开口孔中,形成断续导电孔隙。随着试验时间的延长,试品的湿闪络电压呈下降趋势,截至700 h,平均湿闪络电压下降了16.46%。
从表 6可以看出,随着试验时间的增加,试品湿闪络时的路径发生了较为明显的变化,闪络路径有趋向于电蚀区的现象,截至700 h,发生在电蚀区边缘、附近的概率为50%,通过或部分通过电蚀区的概率为50%,随机发生的概率为0。
3.3 结论(1)经过长时间电蚀破坏,试品表面釉层发生了化学变化,釉层碳化现象严重,出现了鼓包和微裂纹。
(2)内部微裂纹及一系列小孔洞形成了断断续续的闪络通道,造成试品绝缘子工频干闪络电压和湿闪络电压等电气性能明显降低。
由于本试验仅选取了1支绝缘子作为研究对象,取得的数据和得出的结论不具广泛代表性,尚需补充一定数量的样品绝缘子开展深入研究工作,进一步提升研究结果的准确性。
4 结语本文使用斜面法模拟了严酷条件下支柱瓷绝缘子表面釉层耐电蚀损性能及长时间电蚀对试品绝缘子电气性能的影响,试验结果为绝缘子的运行维护提供了基本的数据支撑。需要提醒的是,在高湿、高海盐、高污秽地区,为保证绝缘子的良好性能,更应重视支柱瓷绝缘子的电化学腐蚀情况,定期开展巡检及表面清扫维护工作,以延缓电化学腐蚀速度、延长绝缘子使用寿命,保障电网的安全、可靠运行。
| [1] |
吴泽华, 王浩然, 田汇冬, 等. 特高压GIL三支柱绝缘子结构参数分析与优化[J].
高电压技术, 2018, 44(10): 3165-3173 ( 0)
|
| [2] |
胡建林, 杨洪椿, 石璧, 等. 110 kV染污支柱绝缘子人工覆雪耐压试验研究[J].
高电压技术, 2018, 44(9): 2792-2798 ( 0)
|
| [3] |
汪佛池, 马建桥, 律方成, 等. 污秽和水分对瓷支柱绝缘子发热的影响[J].
高电压技术, 2018, 44(9): 3054-3060 ( 0)
|
| [4] |
张轩, 郑欣, 刘荣海, 等. 基于统计分析支柱绝缘子振动声学检测[J].
云南电力技术, 2016, 44(5): 112-114 DOI:10.3969/j.issn.1006-7345.2016.05.044 ( 0)
|
| [5] |
关志成.
绝缘子及输变电设备外绝缘[M]. 北京: 清华大学出版社, 2006.
( 0)
|
| [6] |
王培铭.
无机非金属材料学[M]. 上海: 同济大学出版社, 1999.
( 0)
|
| [7] |
全国电气绝缘磁料与绝缘系统评定标准化技术委员会. 严酷环境条件下使用的电气绝缘材料评定耐电痕化和蚀损的试验方法: GB/T 6553-2014[S]. 北京: 中国标准出版社, 2014.
( 0)
|
| [8] |
吴雪梅.
材料物理性能与监测[M]. 北京: 科学出版社, 2012.
( 0)
|
| [9] |
吴起胜, 蔡安兰, 杨亚群.
材料物理性能[M]. 上海: 华东理工大学出版社, 2006.
( 0)
|
| [10] |
关振铎, 张中太, 焦金生, 等.
无机材料物理性能[M]. 北京: 清华大学出版社, 2011: 71-74.
( 0)
|
| [11] |
李圣, 程永锋, 卢智成, 等. 支柱绝缘子互连体系地震易损性分析[J].
中国电力, 2016, 49(4): 61-66 DOI:10.3969/j.issn.1007-3361.2016.04.020 ( 0)
|
| [12] |
孙庆峰, 柳青山, 骆宗义, 等. 高压支柱瓷绝缘子小角度纵波探伤缺陷案例分析[J].
浙江电力, 2018, 37(9): 28-30 ( 0)
|
| [13] |
张柳, 巢亚锋, 黄福勇, 等. 布置方式对染污绝缘子污闪电压影响综述[J].
中国电力, 2016, 49(6): 95-100 ( 0)
|
| [14] |
侯宇嘉, 杨文良, 王琼, 等. 高压支柱瓷绝缘子断裂原因及缺陷检测技术分析[J].
内蒙古电力技术, 2019, 37(1): 71-74 ( 0)
|
| [15] |
邱志斌, 阮江军, 黄道春, 李晓彬. 一种瓷绝缘子釉面电蚀加速老化试验的新方法[J].
中国电机工程学报, 2015, 35(18): 4825-4832 ( 0)
|
| [16] |
陈平, 朱振峰, 陈月娥, 等. 瓷绝缘子棕红釉黑色网状缺陷形成机理探讨[J].
电瓷避雷器, 2001(5): 3-8 ( 0)
|
| [17] |
夏云峰, 宋新明, 何建宗, 等. 复合绝缘子用硅橡胶老化状态评估方法[J].
电工技术学报, 2019, 34(增刊1): 440-448 ( 0)
|


0)