随着高压直流输电技术的发展,单极大地返回运行方式下直流接地极入地电流对周边地面、地下导体以及交流电网的不利影响日益突出[1-2]。消除高压直流输电系统单极运行对电厂主变压器的影响,对保证机组的安全运行具有重要意义。
广东省某厂区拥有较大面积的主接地网,接地状况良好,且靠近海边,接地电阻较小,主变压器处于较理想的电位低洼处。由于该厂区位于广东电网末端,电流通过500 kV线路呈流入趋势。近几年,持续监测了厂区主变压器中性点直流电流,最大直流电流约15 A。本文以该厂区为例,分析了直流系统单极运行时厂区附近局部交流电网的直流电流分布,通过分析变压器直流偏磁的影响因素,比较抑制直流偏磁的措施,制订适用于该厂区主变压器的直流偏磁治理方案。
1 交流电网直流电流分布模型 1.1 土壤模型及电厂地表电位的简化处理计算地中直流电流分布时,最常用的土壤模型是水平分层模型,文献[3]将土壤导电特性简化为不同层数的水平分层结构。为获得合适的土壤模型,本文采用四极法和大地电磁测深法(Magnetotelluric Mehtod,MT)测量土壤电阻率,之后通过共轭梯度法、信赖域法、粒子群法等对分层土壤模型参数(层电阻率和厚度)进行反演。经现场试验和反演计算,将四极法和MT法的优点进行整合,获取由浅至深的土壤结构,构建适用于交流电网直流电流分布计算的土壤模型。广东省境内的直流接地极概况如表 1所示。具体的分层土壤模型参数如表 2所示。
| 表 1 广东省境内的直流接地极概况 |
| 表 2 深圳—惠州、长翠村、鱼龙岭、莘田和天堂地区分层土壤模型参数 |
观音阁使用深圳—惠州的土壤模型,长翠村使用滇西北—长翠村接地极附近的土壤模型,鱼龙岭、莘田、天堂统一使用水平四层土壤模型。调研结果表明,当距离直流接地极5 km时,典型土壤结构第一层中流过电流仅占总入地电流的6.61%;当距离直流接地极100 km时,第四层中流过电流占总入地电流的90.92%[4]。因此采用四极法测浅层土壤结构时,只需测量直流接地极周边5 km以内即可;采用MT法测深层土壤结构时,只需测量直流接地极周边100 km以内即可。
1.2 变电站模型和线路模型交流系统直流电流分布模型除土壤模型外,还包括变电站模型和线路模型。变电站模型可分为地上部分和地下部分,地上部分由电力元件构成,主要包括母线、变压器和中性点串联设备;地下部分则按戴维南定理进行等效。线路模型是连接变电站三相母线的3条电阻支路,其关键参数是直流电阻和接线方式。线路直流电阻一般很小,故线路接线方式是直流电流分布的重要影响因素。交流电网直流电流分布模型如图 1所示。
|
| 图 1 交流电网直流电流分布模型 图中:IA—注入变电站接地网的直流电流;ID—直流极入地电流;RG—变电站直流接地电阻;Z—场路耦合量矩阵;M—直流极与变电站间互阻矩阵;N—变电站间(不包括自身作用)的互阻矩阵。 |
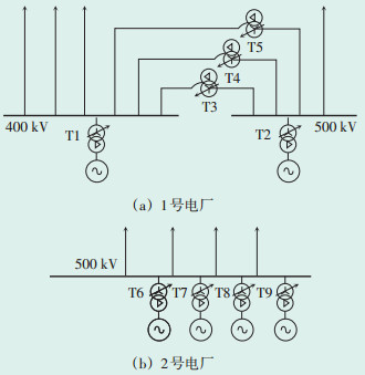
该厂区共有两个电厂,1号电厂有两台主变压器T1、T2,1回500 kV出线,3回400 kV出线,其中500 kV和400 kV母线通过3台自耦联络变压器T3、T4、T5形成互联;2号电厂有4台主变压器T6、T7、T8、T9,4回500 kV出线。某厂区500 kV/400 kV系统模型如图 2所示。
|
| 图 2 厂区500/400 kV系统模型 |
在直流偏磁仿真软件中,计算2025年广东电网网架结构下,观音阁、鱼龙岭、长翠村、莘田和天堂直流接地极单极运行时,该厂区各变压器的直流偏磁电流计算结果如表 3所示。
| 表 3 2025年变压器直流偏磁电流计算结果 |
从表 3可知,对厂区主变压器影响最大的直流接地极是观音阁,鱼龙岭、长翠村、莘田、天堂距离该厂区较远,影响相对较小。1号电厂主变压器T2和2号电厂主变压器T6—T9受直流接地极单极运行的影响大,1号电厂主变压器T1和自耦联络变压器T3—T5受直流接地极单极运行的影响较小。
3 主变压器直流偏磁的影响因素 3.1 两条直流线路同时单极运行在广东电网结构下,两条直流输电线路同时采用单极大地返回运行方式时,会加重电厂主变压器的直流偏磁,直流偏磁电流为0.46~11.46 A,其中最严重的是观音阁和鱼龙岭直流接地极同时流入/流出直流电流。
3.2 接线方式和变压器中性点运行方式的改变接线方式的改变会影响直流电流分布,如线路投切等,将导致直流电流分布的网络发生改变,从而影响变压器的直流偏磁。变压器中性点的运行方式也会影响直流电流分布,如变压器中性点直接接地、经直流电流抑制装置接地、不接地或者经小电阻/小电抗接地等。
3.3 接地电阻对直流偏磁的影响变电站接地电阻会影响交流系统的直流电流分布,而直流接地极的接地电阻并不会影响交流系统的直流电流分布。
3.4 厂区近区变压器直流抑制的相互影响计算模型考虑了整个广东电网的直流偏磁抑制措施使用后的情况,如果使用中性点隔直装置,直流电流不再流入站内。经核算,与厂区有线路联系的3个变电站的总入地直流电流无明显变化。厂区远离直流接地极,加装隔直装置,不会引起地表电位波动,不会导致周边站点出现新的直流偏磁风险。
4 直流偏磁的治理直流偏磁电流是变压器绕组的等效直流,是引起变压器直流偏磁问题的直观反映。在实际工程中,不同类型变压器的直流偏磁电流不同。由于大型电力变压器常采用3个单相变压器组成三相变压器组,铁心结构的限制使其最易受直流偏磁的影响,特别是1000 kV特高压变压器和500 kV变压器。在实际工程中,大型变压器一般使用性能优良的冷轧硅钢片,正常工作时磁导率和磁密点较高,发生直流偏磁时铁心半周磁饱和程度更深,因此直流偏磁电流限值较低。研究表明,以直流偏磁电流作为评价指标的变压器直流偏磁治理结果的技术经济性更优[5]。综合广东省、云南省、湖北省等的直流输电工程运行经验,兼顾主电源安全可靠性要求,电厂主变压器的直流偏磁电流限值取4 A。
从表 3可知,2号电厂主变压器T6—T9的直流偏磁电流超过了安全阈值。若只对2号电厂4台主变压器进行隔直,1号电厂2台主变压器直流偏磁电流将升高,其中T2将超过4 A;反之,若只对1号电厂2台主变压器进行隔直,则2号电厂4台主变压器直流偏磁电流将升高,且均超过4 A;将两个电厂6台主变压器都隔直后,直流偏磁电流均在安全阈值内,但3台联络变压器的直流偏磁电流接近4 A;将6台主变压器和3台联络变压器全部隔直后,直流偏磁电流均在4 A内。2025年不同工况下,电厂的主变压器直流偏磁计算结果见表 4。
| 表 4 2025年不同工况下变压器直流偏磁电流 |
目前,交流电网直流电流的抑制措施主要有变压器中性点串联电容法、串联电阻法、直流电流注入法[6],以及其他直流偏磁治理的优化措施[7-9]。
(1)在变压器中性点加装小电阻、电容或同时加装电阻和电容,通过加装隔离或限制装置来抑制直流偏磁。该方法需要考虑对主变压器、发电机保护设备定值的影响,以及对主变压器中性点绝缘承受能力的影响。
(2)通过电容隔直装置与可控硅装置的配合来抑制直流偏磁。在系统/设备故障的情况下,通过控制回路切换到金属导体直接接地导通,确保故障电流通过,避免过电压对变压器及保护定值的影响。
(3)在变压器中性点注入相反方向的直流电流,改变变压器中性点电位,从而抵消直流干扰电流。该方法有一定效果,但需要的直流抵消电流较大,只有20%的抵消效果,且需要一个闭环的监测反馈系统,实时监测中性点直流,根据监测结果提供补偿电流的极性和大小。从整个电力系统的角度来看,如果通过改变某些变压器中性点电位来解决变压器直流偏磁问题,直流电流可能会转移至其他变压器,有一定的局限性。
(4)在电厂所有输电线路的出口串联装设电容器进行直流电流隔离,该方法难以完全阻断直流的影响,同时在线路上装设串补电容,造价高,会使线路故障率增大,维护工作量增加。
综合分析,厂区6台主变压器应加装隔直装置,隔直装置推荐采用利用中性点串联电容器,并将放电间隙、整流桥、晶闸管和机械开关并联构成的中性点直流隔直装置,该装置可以同时避免对变压器本体和发变组保护定值的影响。3台联络变压器的直流偏磁电流非常接近安全阈值,建议可考虑加装隔直装置或加强运行状态监测。
6 结语随着电力系统的发展,电网内主变压器和特高压直流输电线路逐渐增多,变压器直流偏磁现象也会越来越普遍。本文分析了广东省境内多个直流输电工程对厂区主变压器的影响,采取相应的治理措施后,消除了电厂主变压器的直流偏磁影响,治理措施对于同处类似电网的变压器直流抑制具有借鉴意义。
| [1] |
刘连光, 闫旭东, 马成廉, 等. 换流变压器编组和受端电网结构对其直流偏磁的影响研究[J].
电网技术, 2016, 40(1): 322-327 ( 0)
|
| [2] |
曹方圆, 孟晓波, 廖永力, 等. 直流接地极对埋地金属管道影响的电路模型及应用[J].
电网技术, 2016, 40(10): 3258-3264 ( 0)
|
| [3] |
何金良.
电力系统接地技术[M]. 北京: 中国科学技术出版社, 2007.
( 0)
|
| [4] |
解广润.
电力系统接地技术[M]. 北京: 水利电力出版社, 1991.
( 0)
|
| [5] |
王玲, 徐柏榆, 马明, 等. 一种电网直流偏磁风险的量化评价方法[J].
广东电力, 2019, 32(4): 62-68 ( 0)
|
| [6] |
全江涛, 童歆, 文习山, 等. 复杂运行工况下变压器直流偏磁的抑制[J].
高电压技术, 2015, 41(7): 2464-2472 ( 0)
|
| [7] |
刘春明, 黄彩臣, 林晨翔. 抑制变压器地磁感应电流的电容隔直装置安装位置优化[J].
电力系统自动化, 2016, 40(16): 132-137 ( 0)
|
| [8] |
刘春明, 黄彩臣, 潘明明, 等. 抑制变压器直流偏磁的电容隔直装置优化配置[J].
高电压技术, 2016, 42(7): 2308-2314 ( 0)
|
| [9] |
谢志成, 林湘宁, 李正天, 等. 基于隔直装置全局优化投切的直流偏磁治理方法中国电机工程学报[J]. 2017, 37(24): 7133-7142.
( 0)
|


0)