2. 国网福建省电力有限公司福州供电公司, 福州 350009;
3. 内蒙古电力科学研究院, 呼和浩特 010020;
4. 中国农业大学信息与电气工程学院, 北京 100083
2. State Grid Fujian Electric Power Company Limited, Fuzhou 350009, China;
3. Inner Mongolia Power Research Institute, Hohhot 010020, China;
4. China Agricultural University, Beijing 100083, China
电网静态安全的传统分析方法主要是在预期的故障场景下分析系统的可靠性水平,属于确定性方法[1-3]。确定性方法只能预想较严重事故类型产生的后果,而无法评估事故发生的可能性,因此,近年来确定性方法已经逐渐被概率性评估方法取代。概率性评估方法采用数学统计或计算机模拟技术,遍历电网可能的运行状态,通过分析各状态出现频率与状态后果[4],计算电网相关运行参数变化区间和风险指标,从而对电网进行全面、客观的评价[5-7]。当前概率性评估方法分为模拟法与解析法。模拟法利用分层抽样、拉丁超立方采样等模拟技术,有效提高了随机抽样的效率,但对电网规模不敏感、计算效率低,与工程实际应用的要求相差较大。解析法的核心思想是将潮流方程线性化,其中半不变量法原理简单、计算效率高,计算结果可直接反映系统各状态量的概率分布信息,深刻揭示系统运行特性,且计算精度高。本文基于风电场回归优化功率曲线,采用半不变量法计算电网概率潮流,分析电网静态安全风险的可能性指标、严重度指标和综合性风险指标,辨识电网运行的脆弱环节,为调度人员提供参考[8-9]。
1 风电场出力等值模型本文选取福建省某风电场2014-01-01—12-31历史数据,建立风电场出力等值模型。首先,采用四分位法和聚类分析法对数据组进行预处理,消除数据组中的奇异点。前10个月数据作为训练集数据,后2个月数据作为测试集数据,设定目标观察值个数变化范围为100~500,变化间隔为10,针对不同的目标观测值个数,确定拟合的区间边界和区间个数。利用训练集数据对每个区间进行最小二乘线性拟合,确定每个区间的功率曲线。搜寻使测试集数据误差平方和为最小的功率曲线,从而确定风电场基于运行数据的优化功率曲线(如图 1所示)。后将风速作为功率曲线的输入值,根据风电场优化功率曲线得到有功功率输出值,作为概率潮流计算的数据基础。
|
图 1 风电场优化功率曲线 |
Borkowaka B[10]最早提出了概率潮流的概念,后得到国内外学者的改进和优化[11]。典型的概率潮流计算形式为:
|
(1) |
式中W、Z—系统节点功率注入向量和支路潮流状态向量;
f、g—系统功率方程和支路潮流方程;
X—节点电压状态向量。
在基准运行点处进行泰勒级数展开,并忽略2次及以上的高次项,表达如下:
|
(2) |
式中ΔX、ΔZ—节点电压和支路潮流状态量增量;
X0、Z0—节点电压和支路潮流状态量原始量;
ΔW—节点功率注入向量的随机变化量;
S0、T0—节点电压和支路潮流对各节点注入功率变化的灵敏度。
为了避免大量的卷积计算,根据原点矩和半不变量的性质,有[12-13]:
|
(3) |
式中



随机变量的各阶半不变量需要根据其各阶原点矩进行递推得到。具体关系如下:
|
(4) |
式中αr—随机变量的r阶原点矩;
kr—随机变量的r阶半不变量;
Crj—从r个不同元素中取j个元素的组合数。
3 电网静态安全风险指标研究电网静态安全风险需要分析节点电压幅值越限和支路有功潮流过载的可能性和严重度[14-15]。通过可能性指标可以计算节点电压越限与支路有功潮流过载的概率。严重度指标主要针对那些会对系统造成严重影响的小概率事件,分析节点电压和支路潮流在当前电网运行条件下的最严重状态。综合性安全风险指标是将可能性指标与严重度指标的乘积加和,以评估系统当前运行条件下的综合风险,为电力系统规划和调度人员提供参考依据。
|
(5) |
|
(6) |
|
(7) |
式中L(s)、S(s)—可能性指标和严重度指标;
Rall—综合性风险指标;
S—状态变量(节点电压、支路有功潮流、支路无功潮流)的取值;
S0—当前电网运行条件最严重状态下状态变量的取值;
Smax、Smin—系统静态安全运行所允许的状态变量的上、下限。
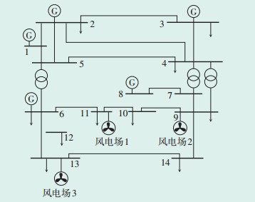
4 算例分析 4.1 概率潮流计算本文以IEEE14节点系统为例,在节点9、11和13处分别接入额定功率为53 MW的风电场,其中输入的风电功率为随机变量(见图 2)。节点1、2、3、6和8处接入发电机,负荷期望值的10%为其标准差。本算例进行概率潮流计算的功率基准值为100 MVA。计算时假设上述风电场均为恒功率因数控制(功率因数为0.98),从电网吸收部分无功功率。概率潮流计算中蒙特卡洛模拟法(Monte Carlo sim ulation,MCS)计算结果准确度高,且不受系统规模的制约,因此采用10 000次的仿真结果作为验证半不变量法的有效性和准确性。
|
图 2 改进IEEE14节点系统结构图 |
分别采用MCS方法和半不变量法绘制得到状态变量的概率密度函数(Probability Density Func tion,PDF)和累积分布函数(Cumulative Distribu tion Function,CDF)。其中,节点14和支路6—12与MCS的概率潮流计算结果对比见图 3。从图 3可以看出,半不变量法所得结果精度较高,接近MCS计算结果。
|
图 3 概率潮流结果 |
为进一步验证半不变量法的有效性,通过状态变量的期望值和标准差的相对误差指标,验证半不变量法在统计数字特征方面的准确程度。以MCS计算所得状态变量(节点电压、支路有功潮流、支路无功潮流)的期望值和标准差为基准,采用半不变量法计算状态变量的期望值和标准差,并统计半不变量法的误差,结果见表 1、表 2和表 3。由表 1可知,半不变量法所求节点电压幅值的期望值误差和标准差误差分别不超过0.246 62%和4.083 13%;由表 2可知,支路有功潮流的期望值误差和标准差误差分别不超过1.788 14%和1.710 67%;由表 3可知,支路无功潮流的期望值误差和标准差误差分别不超过4.663 13%和0.688 61%。因此,半不变量法计算统计数字特征的误差在工程实际中可以接受,其中处于风电场附近的节点电压幅值和支路有功潮流、无功潮流的期望值和标准差受影响较大,但采用半不变量法仍能准确得到其潮流结果。
| 表 1 节点电压幅值的期望值和标准差对比 |
| 表 2 支路有功潮流的期望值和标准差对比 |
| 表 3 支路无功潮流的期望值和标准差对比 |
假设正常运行时的PQ 节点电压幅值范围为[0.95,1.05],PV节点电压幅值范围为[0.9,1.0],支路有功潮流范围为[-2.7,2.7]。首先由状态变量的累积分布函数依据式(5)计算越上、下限的概率,依据式(6)计算状态变量所有可能运行状况中偏离正常值的最严重状况,并将该偏离值与正常临界值的比值作为严重度指标,最后依据式(7)计算电网的静态安全风险指标。分别采用MCS和半不变量法计算的支路有功潮流过载概率和严重度如表 4所示,节点电压幅值越限概率和严重度如表 5所示。可以看出,通过半不变量法和MCS定量评估电力系统综合安全风险指标分别为0.076 77和0.070 24。据此采用半不变量法评估得全系统综合安全风险指标为0.173 44,评估误差为0.110 58,在可接受范围内。
| 表 4 支路有功潮流过载概率和严重度 |
| 表 5 节点电压幅值越限概率和严重度 |
进一步分析表中数据可得,状态变量越限概率误差和严重度误差趋势基本一致,邻近风电场节点的误差指标相对较大,一定程度上降低了半不变量法的计算精度,但是对电网的风险指标影响不大。
5 结束语本文基于风电场优化功率曲线,结合概率潮流算法中计算精度较高的半不变量法,分析系统运行的不确定性及造成的节点电压和线路潮流的不确定性;最后,建立系统线路过载和电压越限的安全风险指标,评估电网安全风险,找出系统薄弱环节。随着大规模风电并网比例的增高,本文计算概率潮流采用的半不变量法精度有待进一步优化,针对随机变量的变化特性,如何有效组合利用近似法和解析法的优越性,是下一步需要研究的关键点。
| [1] |
郭智祺.考虑新能源大规模接入的电力系统概率潮流研究[D].成都: 西南交通大学, 2018.
|
| [2] |
薛禹胜, 雷兴, 薛峰, 等. 关于风电不确定性对电力系统影响的评述[J]. 中国电机工程学报, 2014, 34(29): 5029-5040. |
| [3] |
Vicente W C B, Caire R, Hadjsaid N. Probabilistic load flow for voltage assessment in radial systems with wind power[J]. International Journal of Electrical Power & Energy Systems, 2012, 41(1): 27-33. |
| [4] |
段瑶, 张步涵, 刘怡芳. 基于快速随机潮流的电力系统安全风险评估[J]. 中国电机工程学报, 2014, 34(22): 3784-3790. |
| [5] |
朱星阳, 黄宇峰, 张建华, 等. 基于随机潮流的含风电电力系统静态安全评估[J]. 电力系统自动化, 2014, 38(20): 46-53. DOI:10.7500/AEPS20140120004 |
| [6] |
李峰, 管霖, 陈国璋, 等. 风电场接入地区电网静态电压稳定性分析[J]. 可再生能源, 2015, 33(2): 209-213. |
| [7] |
杜平, 万玉良, 王安迪. 大规模风电接入电网及市场消纳问题分析[J]. 内蒙古电力技术, 2012, 30(4): 1-4. |
| [8] |
赵桂廷, 李强, 丛雨, 等. 内蒙古电网大规模风电消纳问题分析研究[J]. 内蒙古电力技术, 2013, 31(2): 1-4. |
| [9] |
王鲜花, 陈诚. 变电站A类电压越上限运行的影响因素分析及对策[J]. 内蒙古电力技术, 2017, 35(4): 44-49. |
| [10] |
饶日晟, 叶林, 任成, 等. 基于实际运行数据的风电场功率曲线优化方法[J]. 中国电力, 2016, 49(3): 148-153. |
| [11] |
廖小兵, 刘开培, 乐健, 等. 电力系统区间潮流计算方法综述[J]. 中国电机工程学报, 2019, 39(2): 447-458. |
| [12] |
Usaola J. Probabilistic load flow with correlated wind power injections[J]. Electric Power Systems Research, 2010, 80(5): 528-536. DOI:10.1016/j.epsr.2009.10.023 |
| [13] |
石东源, 蔡德福, 陈金富, 等. 计及输入变量相关性的半不变量法概率潮流计算[J]. 中国电机工程学报, 2012, 32(28): 104-113. |
| [14] |
周松林, 茆美琴, 苏建徽. 考虑风力发电随机性的微电网潮流预测[J]. 中国电机工程学报, 2013, 33(22): 26-34. |
| [15] |
丁明, 李生虎, 黄凯. 基于蒙特卡罗模拟的概率潮流计算[J]. 电网技术, 2001, 25(11): 10-14. DOI:10.3321/j.issn:1000-3673.2001.11.003 |
| [16] |
Singhee A, Rutenbar R. Why quasi-monte carlo is better than monte carlo or latin hypercube sampling or statistical circuit analysis[J]. Computer-Aided Design of Integrated Circuits and Systems, IEEE Transactions on, 2010, 29(11): 1763-1776. DOI:10.1109/TCAD.2010.2062750 |
2019, Vol. 37 
