2. 内蒙古金山热电厂, 呼和浩特 010110
2. Inner Mongolia Jinshan Thermal Power Plant, Hohhot 010110, China
为满足线路继电保护选跳要求及保障电力系统稳定运行,220 kV线路保护的重合闸回路配置相对复杂[1],在保护屏接线、线路调试以及检修试验、运行维护等工作中易出现差错,进而造成线路误重合或重合闸拒动等情况。因此,需要从设计、安装、调试及运行维护等环节层层把关,重视对二次回路的检查,严格按照相关要求、规范进行保护校验[2]。同时,还应借鉴和总结以往的运行经验,做好线路重合闸运行分析,及时发现保护装置的不正常运行状态并予以消除,以保证电网的安全稳定运行[3]。
1 金山热电厂线路保护装置概况金山热电厂线路保护配置2套保护装置,分别为北京四方继保自动化股份有限公司CSC103B型保护装置以及南瑞继保电气有限公司RSC931B型保护装置,操作箱为北京四方继保自动化股份有限公司JZF-12FA装置。按双重化配置要求[4],线路第1套保护动作后跳断路器第Ⅰ线圈,线路第2套保护动作后跳断路器第Ⅱ线圈。按电力系统继电保护及安全自动装置反事故措施相关要求[5],断路器操作电源由2组独立直流电源分别供电,第1组电源供断路器第Ⅰ线圈跳闸回路使用(接至第1套保护装置跳闸回路),同时供2套保护装置重合闸回路使用;第2组电源供断路器第Ⅱ线圈跳闸回路使用(接至第2套保护装置跳闸回路)。
2 重合闸保护传动试验2015年5月,对金山热电厂线路保护检查时,进行了2条线路各相保护重合闸传动试验。试验过程中,使用继电保护测试仪向装置输入电压、电流量,分别模拟各相接地故障情况。2套保护装置定值均整定为:投入单相接地距离保护Ⅰ段,投单相重合闸。首先对第1套保护装置模拟L1相接地故障,接地距离保护Ⅰ段动作,L1相跳闸后重合闸成功,传动结果正确。然后采用相同试验方法,分别对第1套保护装置进行L2相、L3相及第2套保护装置L1相、L2相、L3相保护传动试验。结果为:第1套保护L2相、L3相及第2套保护L1相、L2相均正确跳闸后重合闸成功,第2套保护L3相跳闸后重合闸失败。检查第2套装置L3相试验动作报告,发现L3相接地距离保护Ⅰ段正确动作,L3相跳闸,重合闸出口,但重合闸失败,经延时动作于三相跳闸,而操作箱显示L3相跳闸成功,重合闸指示灯亮。
3 试验失败原因分析 3.1 电源回路分析对照竣工设计图纸,现场进行重合闸相关二次回路及各装置间电气联系的检查。
3.1.1 操作箱电源回路检查JZF-12FA操作箱中断路器操作电源回路示意图如图 1所示,相应的接线端子排示意图如图 2所示。第1组直流电源经直流开关4K1后接至端子排4D1和4D80端子,4D1和4D2端子短接。第2组直流电源经直流开关4K2后接至端子排4D5和4D83端子,4D5和4D5′端子短接。
|
图 1 JZF-12FA操作箱中断路器操作电源回路示意图 |
|
图 2 JZF-12FA操作箱中断路器操作电源接线端子排示意图 |
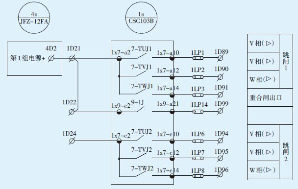
第1套CSC103B保护装置与JZF-12FA操作箱之间重合闸回路电气联系图如图 3所示。第1组直流电源由JZF-12FA操作箱的4D2端子引出,接至第1套CSC103B保护装置的1D21端子,实现断路器第Ⅰ线圈跳闸。同时,在第1套CSC103B保护装置中,1D21和1D22短接,以实现第1组直流电源同时用于断路器重合闸,即第1套保护装置中跳断路器第Ⅰ线圈的跳闸回路和重合闸回路共用了同1组直流电源。
|
图 3 CSC103B保护装置与JZF-12FA操作箱重合闸回路电气联系图 |
第2套RCS931B保护装置与JZF-12FA操作箱之间重合闸回路电气联系图如图 4所示。第2组直流电源由JZF-12FA操作箱的4D5′端子引出,接至第2套RCS931B保护装置的1D17端子,实现断路器第Ⅱ线圈跳闸。而第1组直流电源由JZF-12FA操作箱的4D2′引出,接至第2套RCS931B保护装置的1D18端子,实现断路器重合闸。按照竣工设计图纸,第2套保护装置中跳断路器第Ⅱ线圈的跳闸回路和重合闸回路没有共用同1组直流电源。
|
图 4 RCS931B保护装置与JZF-12FA操作箱重合闸回路电气联系图 |
对照装置出厂图纸进行检查发现,第1 套CSC103B保护装置相关二次回路出厂图纸和竣工设计图纸吻合;第2套RCS931B保护装置重合闸相关二次回路,由于初设人员将出厂装置的第1组跳合闸回路作为实际跳断路器第Ⅱ线圈回路,导致出厂图纸与竣工设计图纸不吻合。按照出厂图纸,1D17和1D18端子短接,即跳闸回路和重合闸回路共用1组直流电源(如图 4);而按照竣工图纸,1D17 和1D18端子不短接,即跳闸回路和重合闸回路不共用1组电源。RCS931B保护装置重合闸相关二次回路出厂图纸如图 5所示。
|
图 5 第2套RCS931B保护装置重合闸二次回路出厂图 |
由于现场接线端子均按竣工设计图纸接线,因此,跳闸回路和重合闸回路正电端子1D17和1D18不短接。但是,跳闸回路和重合闸回路负电端子的接线,2图纸一致,共用了同1组直流电源,即2回路负电端子均接至第2组直流电源负极,因此导致第2套保护的重合闸出口回路正电端子接入了第1组电源的正极,负电端子接入了第2组电源的负极。
按照该种接线方式,金山热电厂2条线路投运前,重合闸传动试验结果均正确,线路及保护装置投运后也没有出现本文中重合闸失败的情况。直至2015年5月进行线路保护检查时,相关二次回路接线没有进行任何改动。
3.2 传动试验失败原因综合上述情况进一步分析可知,由于2组直流蓄电池的容量相当,当蓄电池特性在较优状态时,可以满足重合闸出口要求。但经过长时间运行后,2组蓄电池特性达不到最优状态,当2组蓄电池的电容电流作用在同1回路上时,无法保证任何情况下均能满足操作箱的动作功率要求,即存在重合闸失败的可能性。因此,出现了本文所述的第2套保护中L3相重合闸失败的情况。
3.3 解决措施正确处理第2套保护装置接线,即将跳闸回路和重合闸回路负电端子分别接入第2组直流电源的负极和第1组直流电源的负极,跳闸回路和重合闸回路使用2组独立的直流电源。正确接线后,在与处理前相同试验条件下,多次进行带开关保护传动试验,结果均正确。
4 结语本文针对金山热电厂线路保护传动试验失败情况进行分析,由于线路重合闸回路较复杂,2套线路保护装置端子排的编号和电源接线端子位置易造成混乱,调试人员和其他相关继电保护工作人员对回路图纸及相关保护原理不够熟悉,没能及早发现线路重合闸保护回路接线存在的问题,导致线路在运行中存在较大安全隐患。正确连接电源极性后,线路传动试验成功。该经验可供相关继电保护人员借鉴,以避免类似故障的发生。
| [1] | 卢纯义,张良.220 kV线路保护重合闸回路解析[J].电气工程与自动化,2010(18):87-88. |
| [2] | 彭克,高兆丽,王淑颖.220 kV线路重合闸标准化校验流程探讨[J].山东电力技术,2014(2):45-48. |
| [3] | 罗虎,张双梓,丁红东.220 kV线路重合闸运行分析[J].技术与应用,2013(2):64-67. |
| [4] | 国家电网公司.Q/GDW 161-2007线路保护及辅助装置标准化设计规范[S].北京:国家电网公司,2007. |
| [5] | 原电力工业部.电安生[1994] 191号电力系统继电保护及安全自动装置反事故措施要点[R].北京:电力工业部, 1994. |
2016, Vol. 34 