神华国能神东电力有限责任公司萨拉齐电厂 (以下简称为萨拉齐电厂)装机为2×300 MW直接空 冷机组,配置的锅炉为哈尔滨锅炉厂有限责任公司 引进ALSTOM公司技术生产的1065 t循环流化床汽 包锅炉。锅炉采用双布风板结构,2台一次风机经 各自的调节风门分别给对应的布风板水冷风室提 供循环流化风[1]。机组DCS采用杭州和利时自动化 有限公司的MACSV软件系统及SM系列硬件设备。 1.2 一次风系统
一次风系统为左、右2侧独立设计,经改造,中 间设置了电动联络门(正常运行时该电动门关闭, 单侧故障时自动打开)。一次风机为变频调节,每 个风机出口至炉膛底部均设有电动调节门[2]。 1.3 一次风调节的特殊要求
与300 MW 单炉膛CFB 锅炉不同,双支腿型 CFB锅炉一次风的调节必须考虑锅炉床温波动较 大、易翻床等因素,因此对锅炉一次风自动调节功 能有以下一些特殊要求。
(1) 在满足常规锅炉一次风自动调节风量的 要求之外,还应能够调节左、右炉膛的风量偏差,以 防止锅炉翻床;
(2) 由于300 MW双支腿型CFB锅炉脱硫一般 采用炉内喷钙的方式,锅炉床温对脱硫效率有非常 大的影响,所以一次风量的调节速率不能太快。
为了提高机组调节品质,改善控制性能,萨拉 齐电厂对双支腿型300 MW CFB锅炉一次风量控制 策略进行了优化改进工作。 2 锅炉一次风量自动调节策略的优化改进 2.1 一次风系统改造
锅炉一次风系统原设计为左、右2侧独立运行, 中间没有联络管和联络门。这种设计方式在一侧 风机跳闸时,很容易造成锅炉左、右2侧炉膛的翻 床,导致锅炉结焦或停炉事故。后经改造,在一次 风机出口增加了联络管道和联络电动门。
一次风机原采用液力耦合器调节,后改造为变 频调节方式,在一次风进入炉膛下部的每根管道上 均设置1个电动调节门。 2.2 一次风量的自动调节 2.2.1 原方案
萨拉齐电厂机组一次风量自动调节原方案为: 变频器调节总风量,而用出口电动调节门调节锅炉 2侧的床压以控制翻床事故的发生[3]。但由于风量 和床压经常互相干扰,调节效果较差,所以一直没 有正常投入。 2.2.2 优化后方案
通过调研发现,目前同类型机组普遍采用的控 制方案为:由一次风变频器调节一次风压力,用出 口电动门调节一次风总风量,并在调节器的给定上 增加1个偏置来控制翻床。这种方案虽然能够保证 一次风控制的自动投入,但存在出口门节流损失大 的问题。例如机组负荷在额定负荷的80%时,一次 风机出口调节门开度通常在40%左右,节流损失在 很大程度上抵消了一次风机变频改造带来的节能 效果。
经过优化改进,萨拉齐电厂机组目前采用的控 制策略为:全开一次风机出口电动调节门,仅通过2 侧的一次风机变频器来控制一次风量,并通过平衡 调节的方法防止锅炉翻床事故的发生。 2.2.2.1 一次风指令
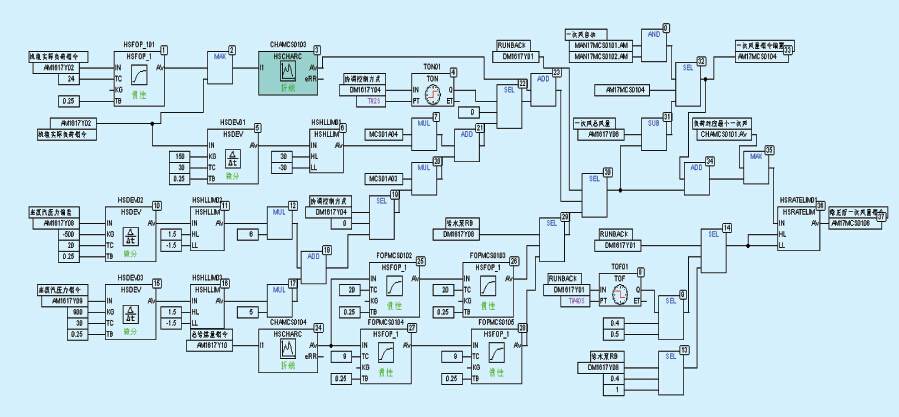
一次风指令的形成方案见图 1所示。该方案的 突出特点在于:
![]() |
图 1 一次风指令的形成逻辑 |
(1) 建立和设定了负荷与一次风总风量的折 线函数CHAMCS0103,并在其中附加了最小风量限 值,保证调节值不低于最小流化风量;
(2) 增加了机组实际负荷指令、主蒸汽压力偏 差、主蒸汽压力微分指令,以提高负荷、压力变化时 一次风量的响应速度。CFB锅炉给煤速度慢、锅炉 燃煤响应速度也慢,一次风量的变化对机组负荷、 主蒸汽压力的影响较大,对AGC调节品质的影响也 较大。
(3) 由于机组所用煤质不稳定,风煤比也不准 确,所以没有加入燃煤和一次风量的校正回路,但 增设了不同RB动作时的风量给定系数。 2.2.2.2 一次风总风量左、右偏差校正回路
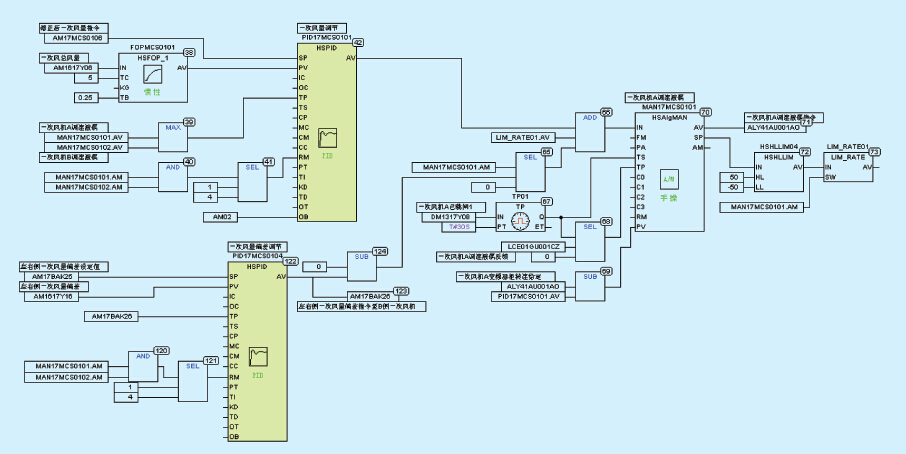
改进后的一次风总风量控制逻辑及左、右偏差 校正回路见图 2所示,优化时采取了以下措施:
![]() |
图 2 一次风总风量自动控制和左、右侧一次风量偏置逻辑 |
(1) 主调节回路PID17MCS0101的作用是根据 一次风总风量的实际值来调节一次风量指令(经过 各种修正),考虑到一次风总风量波动很大,对锅炉 床温有较大的影响,所以没有使用微分作用,只是 适当减小了比例和积分作用[4]。
(2) 一次风量偏差调节器PID17MCS0104为调 节左、右侧一次风量偏差的校正回路。床压不仅与一次风量有关,还与床层厚度有关,投入自动时常 常互相干扰,经常需要人为干预。运行人员在手动 调节锅炉翻床时,多数是根据锅炉2侧床压的偏差 来调节的[5, 6],而投入自动调节时,因锅炉床压测点 较多(每侧5个),而且所测数据不稳定,所以调节响 应速度较慢。
现场试验发现,左、右侧一次风量偏差调节较 好时对防止翻床有较明显的抑制作用。因左、右侧 一次风量偏差在一定范围内时不会导致锅炉翻床, 且调节范围过大会影响2侧的一次风压力,反而会 增加翻床的风险,所以经多次观察和试验,在自动 调节回路中设置了调节死区和调节范围。
(3) 由于机组负荷变化和燃烧调整操作的不 同时性,所以在DCS画面上增加了偏差偏置模块, 运行人员可根据现场情况人为设置左、右一次风量 平衡的允许偏差。
(4) 在一次风量偏差调节器PID17MCS0104的 输出端增加1个减法器来区分左、右侧一次风机变 频器输出的反向偏置。增加了此回路后,在满足一 次风量自动调节的同时,基本能够克服锅炉翻床的 问题[6, 7]。 2.3 优化效果
图 3为优化改进后,一次风自动投入时各参数 24 h响应曲线。
![]() |
图 3 一次风自动投入后各参数24 h响应曲线 |
为避免翻床,运行值班人员以前在日常操作中 几乎每分钟都要进行手动调节操作。从图 3可以看 出,经过优化改进后,一次风量及一次风量偏差自动调节均能稳定投入。负荷在150~300 MW时,对 一次风量进行调节的响应时间在60 s以内,风量调 节偏差在3%以内;左、右2侧的一次风量偏差也能 够及时调整,二者的频率偏差能控制在±4 Hz以内, 风量偏差在30 000 m3/h以内;不再需要人为干预一 次风量自动控制系统的调节过程,杜绝了锅炉翻床 故障的发生。 3 结束语
经过优化改进,一次风变频器自动调节稳定、 可靠,机组负荷波动时一次风量跟踪较及时、风煤 配比适中,再未发生过翻床事故。由于2侧一次风 机出口门处于全开状态,完全没有节流损失,使得 一次风机变频改造的节能效果更加显著。一次风 自动投入后,不但提高了机组AGC的响应速度、调 节精度及热工自动投入率,而且大大减轻了运行人 员的工作压力和劳动强度,经验可供同类型机组借 鉴。
| [1] | 哈尔滨锅炉厂有限责任公司.HG-1065/17.5-L.MG44 循 环流化床锅炉运行说明书[R].哈尔滨:哈尔滨锅炉厂有限 责任公司,2009:1-8. |
| [2] | 神华神东电力有限责任公司萨拉齐电厂.萨拉齐电厂2× 300 MW CFB锅炉运行规程[R].包头:神华神东电力有限 责任公司萨拉齐电厂,2009:214-216. |
| [3] | 中国电力工程顾问集团西北电力设计院.萨拉齐电厂 DCS系统逻辑图[R].西安:中国电力工程顾问集团西北电 力设计院,2010:11-12. |
| [4] | 刘爱君,刘孝国,蔡宝玲,等.循环流化床锅炉床温主要影 响因素仿真研究[J].热力发电,2011(9):73-75. |
| [5] | 白成春,孙丽丽,王俊杰.循环流化床锅炉燃烧过程控制 研究[J].陕西电力,2007,35(5):24-27. |
| [6] | 王立红,秦成果,王彪,等.循环流化床锅炉燃烧控制系统 稳定性提高方法探讨[J].内蒙古电力技术,2013,31(5): 48-51,56. |
| [7] | 徐婷婷,蔡斌.300 MW机组循环流化床锅炉燃烧特性分 析[J].内蒙古电力技术,2013,31(6):32-34. |
2014, Vol. 32 


