2. 国网河南电力直流运检分公司, 郑州 450000
2. State Grid Henan DC Operation&Maintenance Company, Zhengzhou 450000, China
交流滤波器是特高压换流站的重要设备之一,其主要作用是滤除交流母线上的谐波并补偿换流器运行时的无功消耗[1]。国家电网公司近几年对所辖换流站交流滤波器运行情况的分析结果表明,鸟害在换流站引起交流滤波器保护动作跳闸的次数不断增加。经统计,2013—2017年,国家电网公司所辖换流站共发生48起鸟害导致的交流滤波器跳闸事件,内蒙古境内的3座±800 kV特高压换流站(锡盟站、伊克昭站及扎鲁特站)自投入运行后,近几年也均多次发生鸟害故障跳闸情况。2017— 2020年,其中一组交流滤波器发生的6次跳闸事件中,有4次为鸟害原因导致。虽然故障发生时,因直流系统输送功率较小、备用交流滤波器投运及时,均未造成功率损失,但多次发生的鸟害事件威胁到特高压换流站的安全稳定运行。本文针对某特高压换流站鸟害导致交流滤波器电容器不平衡保护动作跳闸事件进行分析,查找故障原因并提出运维建议。
1 换流站交流滤波器概况 1.1 交流滤波器配置该换流站是±800 kV特高压直流输电工程的送端站,直流额定电流6250 A,额定输电容量10 000 MW。共配置4大组、20小组交流滤波器(含并联电容器),配置情况见表 1。
| 表 1 某换流站交流滤波器配置 |
该换流站发生4次鸟害跳闸的滤波器均为BP11/13型,以5642交流滤波器为例,电容器塔BP11塔高15.37 m,BP13塔高14.44 m。C11和C12高压电容器组采用了H形桥接线方式,每相C11电容器塔由224只电容器组成,每相C12电容器塔共由208只电容组成,C11和C12电容器塔组成结构见图 1。正常运行时,4个桥臂的电容值相同,中间的全光纤电流互感器(OCT)上无电流通过。
|
| 图 1 C11和C12电容器塔电容器组成 |
交流滤波器组均并联在换流站500 kV交流母线上,滤波器中的电容器承受了大部分的母线电压,当电容器塔中有电容器元件因受外力或自身原因发生故障时,将会导致其余电容器承受的电压升高,可能引发雪崩击穿,对整个电容器塔设备安全构成威胁[2]。交流滤波器保护中配置了三段式电容器不平衡保护,通过电流互感器测量桥臂间的不平衡电流大小,采用两桥臂的不平衡电流与入地电流的比值作为动作判据,反映电容器元件的故障情况,以判断电容器是否发生故障,必要时快速切除故障小组交流滤波器[3-4]。
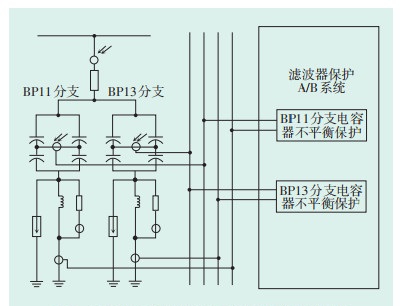
2.2 不平衡保护逻辑该换流站每大组滤波器各配置A/B两套测量回路相互独立的保护装置,采用“启动”+“保护”出口逻辑,当其中一套滤波器保护AFP的“启动”+“保护”满足条件时则保护动作。BP11/13交流滤波器电容器不平衡保护接线原理见图 2。
|
| 图 2 BP11/13交流滤波器不平衡保护接线原理 |
5642交流滤波器电容器不平衡保护的“启动+ 动作”逻辑及保护定值设置方法如下。
2.2.1 启动逻辑不平衡保护启动为三段式电流保护,判据为:
|
(1) |
式中:Iqd为保护启动电流;Iunb为不平衡电流;Iw为尾端电流。
报警段(Ⅰ段):当Iqd>0.000 361时,延时10 s报警;
跳闸段(Ⅱ段):当Iqd>0.000 668 8时,延时120 min跳闸;
速断跳闸段(Ⅲ段):当Iqd>0.000 884 45时,延时20 ms跳闸。
2.2.2 动作逻辑不平衡保护动作同样分三段式过流,判据为:
|
(2) |
式中:Idz为保护动作电流。
报警段(Ⅰ段):当Idz>0.000 38时,延时10 s报警;
跳闸段(Ⅱ段):当Idz>0.000 704时,延时120 min跳闸;
速断跳闸段(Ⅲ段):当Idz>0.000 931时,延时20 ms跳闸。
3 交流滤波器故障跳闸事件分析 3.1 故障现象2019-07-30T13:25:49,OWS报出:第4大组滤波器保护系统A/B报第4大组第2小组13分支电容器不平衡保护L1相跳闸动作;5642交流滤波器跳闸;5642开关跳开并锁定;5632交流滤波器自动投入替换成功。故障跳闸事件记录见表 2。
| 表 2 交流滤波器故障跳闸事件记录表 |
保护动作跳闸后,运维人员立即到现场对5642小组滤波器电容器设备本体进行全面检查,电容器塔支柱绝缘子无放电、变形现象,单只电容无渗油、鼓包现象,电容器接头无断股、放电、松动现象,设备本体未发现明显异常。
检查时发现5642滤波器BP13分支电容器下方有1只受伤的雀鹰,雀鹰右爪及右翅有轻微电弧烧伤痕迹,测量其体长约36 cm、展翅宽度约77 cm(见图 3)。初步分析为鸟害导致5642交流滤波L1相保护跳闸。
|
| 图 3 现场检查发现的鸟类 |
检查分析5642小组交流滤波器不平衡保护内置故障录波,发现BP13分支L1相电容器不平衡电流达0.173 A,尾端电流127 A,Iqd=0.001 36,大于动作定值(0.000 931)和启动定值(0.000 884 45)。故障值大于启动定值,同时大于动作定值,保护启动、动作正确。
检查分析5642小组交流滤波器不平衡保护外置故障录波,发现5642小组滤波器BP13分支L1相在保护动作时刻的不平衡电流同样达到0.217 A,与内置故障录波值保持一致,确认AFP1A、AFP1B的5642小组滤波器BP13分支L1相不平衡保护启动及动作逻辑均正确。外置故障录波如图 4所示。
|
| 图 4 5642交流滤波器外置故障录波波形 |
将5642交流滤波器组转至检修状态,使用接地线对BP13分支L1相电容器逐层逐个多次放电后,检修人员现场对电容器的单体电容及4个桥臂电容进行全面测量,并与上次检修试验数据进行了对比,结果显示单体电容数据均无异常,桥臂两次测量的数值相差在±2%范围内。测量结果表明,电容器电容值正常,排除了电容器内部故障击穿放电的情况。桥臂电容值试验数据见表 3。
| 表 3 电容器桥臂电容值测量结果 |
运维人员对5642交流滤波器进行全面检查后,未发现设备存在故障,确认5642交流滤波器具备转热备用条件,当日即申请调度将5642交流滤波器转为热备用。
3.5 故障原因分析根据现场一次设备检查情况,电容量测量结果正常,排除了电容器设备本体故障的可能性,实际测量5642交流滤波器层间电容器之间的最小距离为49 cm,电容器上表面与上层间构架支撑最小距离为37 cm,见图 5。
|
| 图 5 电容器层间及电容器同构架间的距离 |
特高压换流站交流滤波器小组较常规换流站容量大,数量多,约占全站建设面积的1/4~1/3,在满足安全运行和经济指标情况下,特高压换流站建设既要做到节约用地,又要节约设备投资。滤波器场布置直接影响总平面布置面积,关系到工程投资、设备与人员安全、运行维护等要素,其中电容器数量多,电容器塔高度较高,在保证高度和运行安全的前提下,电容器层间距离被优化设计至较小数值。正常运行时,电容器层间电压约30 kV,受伤雀鹰展翅宽度约77 cm,远大于层间电容器的绝缘间距,可以确定飞鸟降落至5642交流滤波器BP13分支L1相电容器构架时,造成层间电容器绝缘击穿放电,产生桥臂不平衡电流导致保护出口动作,造成5642交流滤波器跳闸。
4 换流站其他3起鸟害情况2019—2020年,该换流站又发生3次交流滤波器不平衡保护动作跳闸事件,检查结果均为鸟害导致。
(1)2019-09-12T05:18,5612交流滤波器BP13分支电容器不平衡保护L1相动作,5612交流滤波器跳闸。现场检查发现1只长度约33 cm、展翅宽度约70 cm的雀鹰,此次事件未造成电容器故障。
(2)2020-08-12T11:06,5612交流滤波器BP11分支电容器不平衡保护L1相动作,5612交流滤波器跳闸。现场检查在电容器塔上发现1只死亡雀鹰,在BP11分支第7层电容器顶部和第8层电容器底部发现放电痕迹,其中第7层的A3电容器顶部击穿,有1个直径3 mm左右的孔洞,电容器损坏。经更换新的备品电容器后,恢复5612交流滤波器热备用。鸟害情况见图 6。
|
| 图 6 5612交流滤波器鸟害情况 |
(3)2020-08-31T23:19,5642小组交流滤波器BP13分支电容器不平衡保护L1相动作,5642开关跳开。检查发现在BP13分支电容器从下向上第9层B8电容器的支撑钢构架的正下方横梁上、第8层B8电容器器身上部外壳均发现1处电弧烧灼痕迹,但现场未发现受伤或死亡鸟类。经查看视频录像,发现故障时刻该点位存在瞬时的电弧放电,分析确定为飞鸟降落时导致故障,此次故障未造成电容器故障。鸟害情况见图 7。
|
| 图 7 5642交流滤波器鸟害情况 |
该特高压换流站交流滤波器电容器接线头设计加装了防鸟帽,同时在交流滤波器场加装了20台超声波噪音驱鸟器,但结合运行情况来看,防鸟效果欠佳。特高压换流站比常规换流站的额定输送功率更多,交流滤波器小组容量更大,一旦发生故障跳闸,容易引起交流电压较大波动,严重时还可能造成直流功率回降甚至直流闭锁[5],所以防鸟害工作非常重要。
5 鸟害原因分析及建议措施 5.1 原因分析由于内蒙古地区多为大草原,地势空旷,每年的7—9月为草木茂盛季节,鸟类不论白天、夜晚均活动频繁,其中不乏雀鹰、夜鹭等中大型鸟类。该换流站4次交流滤波器跳闸事件均发生在夏季,且均为中型鸟类导致。结合特高压换流站设备情况,鸟害发生的主要原因有以下几个方面。
(1)鸟类筑巢。特高压换流站占地面积大,构架设备多,地势平坦,能够吸引鸟类筑巢,而筑巢的树枝、铁丝、杂草等则容易引起设备短路放电。
(2)鸟类飞行停靠。由于特高压换流站周围草原缺少高大树木,而站内构筑物较高,有利于鸟类停靠或起飞,体型较大的鸟类在换流站附近飞行的过程中更倾向于停歇在站内构筑物上,造成带电设备故障。
(3)鸟类进食。大型鸟类捕到猎物后会在高处进行进食,其停留在电容器塔等设备进食时,可能会造成设备间短路或对其放电。
(4)鸟粪影响。鸟的粪便较稀,导电性能良好,在鸟类经常停靠的地方,鸟粪滴落在绝缘子等设备上积累到一定程度后,在一定湿度条件下可能会引发闪络放电[6]。
5.2 建议措施目前,内蒙古地区换流站、变电站和输电线路采取的防鸟措施主要有主动驱鸟装置和被动防鸟装置两大类[7-16],主动驱鸟装置主要有超声波驱鸟器、红外对射驱鸟器等;被动防鸟装置有防鸟针、防鸟板等。为降低鸟害发生率,根据换流站特点,建议采取以下防鸟措施。
(1)在杆塔合适位置安装防鸟刺,在杆塔顶端安装风力驱鸟器等装置,阻止鸟类停靠;在构架、构筑物上安装反光器、三维立体牌、鸟型反光装置等驱鸟装置,达到惊吓鸟类的目的;在交流滤波器围栏和围墙四周安装太阳能供电的超声波驱鸟器,采用超声波干扰方式驱鸟。
(2)在交流滤波器塔每层电容器四周设计加装可拆卸的硬质绝缘防护网,阻断鸟类降落电容器塔的路径。
(3)对站内设备进行排查,对鸟类容易筑巢的构架、孔洞等地方进行封堵,降低鸟类筑巢机会,减少站内鸟类数量。
(4)部分换流站采用具有良好绝缘、憎水、阻燃、散热等性能的氟硅橡胶材料对交流滤波器进行绝缘化改造后,防鸟害效果明显。建议工程建设阶段即对交流滤波器开展绝缘化工作,在电容器外壳、构架、等电位排和均压环等金属裸露部分进行喷涂氟硅橡胶材料等绝缘材料,最大限度地增加交流滤波器电容器组绝缘强度。
(5)鸟类活动频繁的季节,在夜间关闭带电设备场区的照明灯具,降低鸟类降落带电设备的概率。
(6)根据实际情况,采用高音喇叭、电子鞭炮等方式适时开展人工驱鸟。
| [1] |
赵畹君.
高压直流输电工程技术[M]. 北京: 中国电力出版社, 2004.
( 0)
|
| [2] |
杨贵军, 卢海颖. 兴安直流工程直流滤波电容器组不平衡保护[J].
电力电容器与无功补偿, 2015, 36(1): 77-80 ( 0)
|
| [3] |
李建勋, 吴贻志, 李豹. 交流滤波器C1电容器保护配合策略研究[J].
电力系统保护与控制, 2014, 42(4): 139-144 ( 0)
|
| [4] |
库晓斐, 蔡泽祥, 徐敏. 高压直流输电系统交流滤波器故障与保护分析[J].
电力系统保护与控制, 2012, 40(19): 150-155 DOI:10.7667/j.issn.1674-3415.2012.19.026 ( 0)
|
| [5] |
杨跃辉, 冯战武, 戴甲水. 换流站交流滤波器典型故障分析[J].
电力电容器与无功补偿, 2014, 35(3): 69-72, 82 DOI:10.3969/j.issn.1674-1757.2014.03.016 ( 0)
|
| [6] |
李孟春. 浅析换流站交流滤波器防鸟害措施[J].
机电信息, 2020(29): 60-61 DOI:10.3969/j.issn.1671-0797.2020.29.031 ( 0)
|
| [7] |
王宝成, 祝永坤, 张悉正, 等. 高寒草原地区输电线路鸟害故障原因分析及预防措施[J].
内蒙古电力技术, 2013, 31(1): 96-98 ( 0)
|
| [8] |
陈宁宁, 宋子豪, 徐光年, 等. 海盐县配电网鸟害现状分析及防治措施[J].
浙江电力, 2017, 36(5): 12-15 ( 0)
|
| [9] |
刘亚东, 张新东, 田宏波, 等. 配电网常见故障类型及防范措施[J].
农村电气化, 2018(3): 75 ( 0)
|
| [10] |
多俊龙, 崇生生. 输电线路鸟害原因分析及防范措施探究[J].
东北电力技术, 2018, 39(4): 45-47 DOI:10.3969/j.issn.1004-7913.2018.04.014 ( 0)
|
| [11] |
孙海鸿, 马军林. 110 kV变电站鸟害激光立体防治系统[J].
农村电气化, 2017(12): 43-44 ( 0)
|
| [12] |
李凯, 刘希和, 余诗俊, 等. 利用绝缘子电容电压放电的输电线路驱鸟板[J].
中国电力, 2016, 49(4): 55-58 DOI:10.3969/j.issn.1007-3361.2016.04.018 ( 0)
|
| [13] |
季睿琦, 董辉洲. 基于多普勒效应的自动测控驱鸟装置的研究与应用[J].
农村电气化, 2019(5): 25-28 ( 0)
|
| [14] |
王闯, 马丛淦. 一起220 kV输电线路跳闸故障原因分析[J].
电力安全技术, 2018, 20(5): 32-34 ( 0)
|
| [15] |
钱勇, 郭华, 张扬. 配电网风力驱鸟装置的改进[J].
农村电气化, 2017(6): 57 ( 0)
|
| [16] |
张兰峰, 丁世勇. 10 kV线路红外驱鸟报警装置[J].
农村电气化, 2017(5): 27 ( 0)
|


0)