特高压直流输电具有输送功率大、输送距离远的特点,是输送西南、西北大量电能的重要方式。因此,直流输电技术对实现西电东送、南北互供的电力系统格局起着决定性作用[1]。
特高压直流换流站装设了大容量高电压等级的滤波器和并联电容器,滤除换流器工作产生的大量谐波和满足无功需求。为减小断路器合闸时对滤波器和高压并联电容器的冲击,特高压直流换流站的滤波器和电容器均装设了选相合闸装置。通过合理控制滤波器和电容器的投切时间,能够显著减小冲击电流,对电力系统的安全稳定运行起到重要作用[2-5]。
本文针对伊克昭换流站调试过程中个别选相合闸装置出现未发合闸命令的故障,通过改变合闸过程中电压质量分析未动作原因[6-7],并调整选相合闸装置参数以适应现场实际情况,为后续特高压直流工程调试提供参考。
1 选相合闸装置工作原理伊克昭换流站直流±800 kV系统为双极直流系统,输送至山东临沂沂南换流站,交流750 kV采用二分之三开关接线方式,共3串3回出线,交流500 kV采用二分之三开关接线方式两回,500 kV进线、共配置4大组18小组交流滤波器。500 kV交流滤波器间隔断路器选相合闸装置采用SWITCHSYNCF236型控制器,其接线方式如图 1所示。F236控制器的工作原理是暂时保留控制系统送来的分合闸命令,结合断路器的预期操作时间,在下一个合适的电压电流相位时刻将分合闸命令送至断路器的分合闸动作线圈, 以保证分合闸时暂态时间最短,设备暂态冲击最小[9]。
|
| 图 1 选相合闸装置接线方式 |
选相合闸装置接收到继电保护系统下达的控制命令时,控制装置微处理器在基准电压为零时,启动选相控制逻辑,根据电压电流输入数据、负载类型及合闸目标点,结合已知的断路器关合时间、相移参数和预击穿时间,计算出合适的合闸等待时间[10]。在经过等待时间后,控制器发送开关合闸命令至断路器操作线圈。其中,基准电压是选相合闸装置的重要动作判据之一[11]。
2 选相合闸装置的现场试验换流站调试期间,投切500 kV交流场滤波器过程中偶发断路器选相合闸装置拒发合闸命令现象,选取其中1台未合闸断路器进行分析。
2.1 选相合闸装置输入信号检查合闸输入命令为瞬时命令,需要即时监测,根据电压幅值和时长判断是否异常。现场将选相合闸装置合闸命令输入端子和输出端子接入录波仪,监测操作失败时的电压值和持续时间,图 2为选相合闸装置正常动作图形,红线为控制保护系统发出的合闸指令(A线),蓝线为F236输出至开关线圈的合闸指令(B线)。
|
| 图 2 选相合闸控制装置正常动作图形 |
图 3为故障断路器合闸命令输入图形,继电保护系统发出合闸指令有效(C线),但是F236没有向断路器输出合闸指令(D线),初步判断F236有拒合现象发生。
|
| 图 3 选相合闸控制装置拒动作图形 |
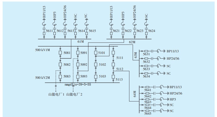
站内启动调试投切滤波器过程中共发生8次选相合闸装置未发合闸命令情况,经分析发现,所有故障都发生在关合HP24/36类型的负载时。换流站交流滤波器接线如图 4所示。滤波电容器组的投切策略为先投第一大组的BP11/13,2 s后投第一组的HP24/36。如果第一大组HP24/36负载投入失败,会转移到第二大组的HP24/36负载进行投切。过程中BP11/13负载投入时均未发生故障,只是2 s后需要投入HP24/36时会偶发故障。初步怀疑在BP11/13负载投入后的2 s时间内,电源质量存在不稳定情况。
|
| 图 4 交流滤波器接线示意图 |
F236的标准工作模式有两种[6]:S模式(Secure mode)和R模式(Rapid mode)。站内合闸装置的初始设置模式为安全(S)模式。在S模式下,F236收到输入命令后,要连续判断3个过零周波电压,如果3个周波的周期时间波动均在0.2 ms内,F236认为系统电压频率稳定,可以有效进行合闸。如果超出周期精度范围,F236认为电源质量不合格(此时的参考电压为干扰),控制器不会发出命令。此时F236会重新计算新一轮的3个过零周波电压的误差,如果周期精度计算合格,F236会发出合闸命令。但是否会触发新一轮的检测取决于继电保护装置发出命令的时间脉冲宽度。如果脉冲截止则不会继续检测参考电压周期,认为合闸命令无效。在快速(R)模式下,选相合闸装置会判断参考电压的第一个过零点时刻,F236装置经过计算,使开关合在目标窗口内[12]。
2.3 参考电压波形畸变对选相合闸装置影响的验证 2.3.1 试验一:S/R模式参考电压零点周期被破坏试验设置参考电压为60 V、50 Hz基波叠加20 V、20次谐波,试验波形如图 5所示,黄色线为畸变的参考电压波形,绿色线为输出端电压波形。如果F236判断为有效的电压波形,输出接点闭合,会有150 ms的零电位输出。由于零点周期已经被破环,F236设定为S模式,连续触发合闸指令10次,F236没有发出合闸指令。
|
| 图 5 F236参考电压零点周期被破坏试验波形 |
F236调整为R模式后,发出合闸指令,连续触发10次,无异常。
2.3.2 试验二:S模式参考电压零点周期未被破坏试验设置参考电压为60 V、50 Hz基波叠加3 V、20次谐波,合成的电压过零点周期没有被破环,如图 6所示,F236设置为S模式,连续触发合闸指令10次,F236输出指令正常。
|
| 图 6 F236 S模式参考电压零点周期未被破坏试验波形 |
设置参考电压为60 V、50 Hz基波叠加3 V、11次谐波(初始相位90°)、12次谐波、13次谐波(初始相位56°)、14次谐波,此时合成的电压零点周期不稳定,F236设定为S模式,连续触发合闸指令10次, 有1次拒合,波形如图 7(a)所示。
|
| 图 7 F236参考电压零点周期不稳定试验波形 |
F236调整为R模式,零点周期不稳定,连续触发合闸指令50次,无异常,波形如图 7(b)所示。
根据上述3个试验波形可以看出,参考电压的电压质量是F236动作的重要判据。在S模式下,参考电压零点周期的稳定性要求较为严格,若零点周期存在不稳定情况,F236可能会出现拒动现象。R模式下,F236仅检测1个电压过零点时刻,不判别电压质量,能够快速动作。
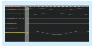
2.4 故障时参考电压分析故障时波形记录如图 8所示,可以看出,在合上BP11/13负载后,母线电压UL1L2在过零点附近有比较明显的畸变(红圈处为零点放大图形)。3U0和2UL1波形中含有一定程度的谐波分量,UL1L2在电压过零点时,由于谐波分量的叠加作用,会出现反复过零的情况。而F236在S模式下,主要的判断依据为参考电压过零点的稳定性,即连续3个周波周期是否超出0.2 ms。从波形图可以看出,过零点电压有畸变和反复过零的现象,选相合闸装置会判断电压波形周期不稳定,导致断路器拒合。
|
| 图 8 拒动断路器合闸时电压波形图 |
现场调取关合BP11/13负载之前的波形如图 9所示。与图 8进行对比,可以看出电压UL1L2过零点时曲线圆滑稳定,没有发生零点附近上下波动的情况。电压3U0和2UL1没有谐波干扰。关合BP11/13负载前后,电压质量出现了明显变化。
|
| 图 9 关合BP11/13负载之前电压波形图 |
综合上述分析,发生拒合断路器在合闸时刻存在电压零点周期不稳定现象,而参考电压零点电压质量是F236在S模式动作的重要判断依据[13-15]。在过零期间,如果有多次过零现象或者过零周期被干扰,则选相合闸装置视参考电压不满足周期精度要求,闭锁合闸命令发出。
3 选相合闸装置拒动改进措施选相合闸装置在S模式发出合闸命令的条件有两个,一是要接收到控制系统发出的合闸命令,二是在接收到合闸命令期间电源质量合格,这种模式下能够有效避免合闸时出现干扰电压导致合闸时刻不够精准的情况,使断路器能够在较优的角度进行合闸,降低冲击电流。但S模式需要判别参考电压3个周期的电源质量,合闸时间在控制系统发出合闸命令3个周波后,滤波器投入时间相对延后。R模式下选相合闸装置会在接到合闸命令后第1个电源零点发出合闸命令,使开关在最佳时刻合闸。R模式能缩短F236的反应时间,但在控制器接收合闸命令期间若存在外部电压信号干扰可能会导致选相合闸装置无法在最佳角度合闸。根据试验结果及站内实际电压质量,将选相合闸装置由S模式更换为R模式,有效解决了电压质量不满足S模式时断路器选相合闸装置的拒合问题。
4 结语换流站内滤波器和并联电容器能够有效滤除换流器工作产生的谐波,并满足无功需求,选相合闸装置能够控制滤波器及并联电容器在最佳的合闸角度进行合闸,减小合闸过程中涌流的冲击,对设备的安全稳定运行有着重要的意义,因此选相合闸装置的动作情况至关重要,对现场发现的调试问题应予以重视,进行深入研究,为后期工程调试、运行提供参考,以保障直流输电系统运行的稳定性。
| [1] |
贺家李, 李永丽, 李斌, 等.
特高压交直流输电保护与控制技术[M]. 北京: 中国电力出版社, 2014: 9-11.
( 0)
|
| [2] |
张照辉, 徐江涛, 刘子全, 等. 一起特高压换流站交流滤波电容器故障分析与思考[J].
电力电容器与无功补偿, 2020, 41(2): 47-52 ( 0)
|
| [3] |
胡庆春. 不对应启动重合闸问题探讨[J].
电力大数据, 2017, 20(10): 42-44, 68 ( 0)
|
| [4] |
郭冬青. ±800 kV特高压换流站交流滤波器保护动作跳闸分析研究[J].
电子测试, 2018(6): 97-98 ( 0)
|
| [5] |
程波. ±800 kV特高压直流输电工程交流滤波器优化设计[J].
电子技术与软件工程, 2018(23): 207-208 ( 0)
|
| [6] |
李显鹏, 刘世安, 程兴民, 等. 选相分合闸装置在交流特高压无功补偿设备上的应用[J].
浙江电力, 2016, 35(12): 56-59 ( 0)
|
| [7] |
陈向宜, 甄威, 刘明忠, 等. 特高压直流换流站选相合闸控制装置现场调试技术[J].
电网技术, 2012, 36(2): 18-22 ( 0)
|
| [8] |
孔祥平, 李鹏, 阮思烨, 等. 实景替代式特高压直流保护系统现场性能测试方案[J].
电力系统自动化, 2019, 43(13): 139-146 ( 0)
|
| [9] |
王荣富, 杨洋. 二分之三接线方式下选相合闸装置回路优化[J].
云南电力技术, 2016, 44(增刊): 105-107 ( 0)
|
| [10] |
鲍音夫, 张平, 杜智超. 选相合闸装置在特高压工程中的调试方法[J].
东北电力技术, 2019, 40(7): 47-49 ( 0)
|
| [11] |
陆洪建, 黄欣. 银川东换流站滤波器用断路器合闸问题分析及解决办法[J].
宁夏电力, 2019(4): 48-56 ( 0)
|
| [12] |
ABB(中国)有限公司. SWITCHSYNC F236控制器使用说明手册[Z]. 北京: ABB (中国)有限公司, 2008.
( 0)
|
| [13] |
翟永昌, 高永强, 余江. 高压断路器选相合闸方法研究[J].
广东电力, 2020, 33(6): 107-113 ( 0)
|
| [14] |
杨帆, 宋天奇, 张雪波, 等. ±800 kV侨乡换流站500 kV交流滤波器小组断路器选相合闸问题分析[J].
南方电网技术, 2014, 8(6): 34-38 ( 0)
|
| [15] |
李强, 郑新明, 刘志强. 高压直流输电系统选相分合闸装置控制原理及异常分析[J].
自动化应用, 2019(11): 90-92, 115 ( 0)
|


0)