2. 中国科学院大学,北京 100049
2. University of Chinese Academy of Sciences, Beijing 100049, China
目前,AUV 成为海洋探索与开发的核心利器,AUV 是自带能源、可水下自主导航执行任务的机器人,无需人工干预,通过内置传感器和控制系统探索、探测、采集海底数据[1]。其凭借自主作业与环境适应能力,能突破深海极端环境限制,抵达人类难及海区,执行地形测绘、资源勘探等高风险任务,推动深海探索进程[2]。
数字孪生技术作为工程领域关键使能技术,在 AUV 系统设计、任务决策支持及故障预测与健康管理等方面应用价值显著。其通过构建与物理实体对应的全寿命周期五维数字化映射模型,实现虚实系统高精度实时同步与双向动态交互[3],可优化水下机器人多学科协同设计流程,提升AUV系统性能可靠性与管理效率,为复杂海洋环境下自主作业提供支撑。多领域建模仿真技术是构建数字孪生样机模型的关键,对确保数字样机准确反映物理模型状态至关重要[4]。
传统建模仿真方法将各领域模型在不同专业工具中分别建模,再通过开发接口集成,存在模型系统耦合性差、系统级仿真精度下降、计算效率低等问题,尤其在表征机电系统能量 - 信息交互时缺陷明显,难以胜任复杂机电系统统一设计分析[5]。许国锋等[6]指出分领域独立建模导致子系统耦合性、复用性差,修改任一模块需全局调整。董仁义等[7]发现传统方法在液压管路系统分析中存在耦合关系割裂、仿真效率低等问题,难以满足多物理场协同分析需求。张皓宇等[8]在船用汽轮机建模中发现传统方法依赖不同专业软件,难实现机、电、液、控多领域耦合建模。Liu等[9]认为传统建模流程依赖大量人工操作与跨平台接口开发,效率低,难适应高复杂度、多物理场耦合系统快速迭代需求。Tiller等[10]指出Simulink、Ansys等传统工具因独立求解器,时间步长与数值方法差异导致误差累积,影响动态特性预测准确性。
为解决传统方法问题,多领域统一建模理论于20世纪提出。该理论基于键合图理论及广义基尔霍夫定律集成不同领域,对复杂系统综合建模分析,准确描述领域间耦合关系与相互作用,实现模型无缝集成和协同工作,以提高效率与质量,降低成本和风险。如今该技术主要采用基于标准接口和统一建模语言的方法。
Modelica作为面向对象的非因果建模语言,能自然表达各物理领域耦合关系,是支撑多领域统一建模理论实践的有力工具。Swaminathan等[11]基于Modelica开发遥控水下机器人(Remotely Operated Vehicle,ROV)建模框架,可完成其多领域耦合工况数字化映射。韩枫等[12]以Modelica为工具,通过组件化设计和系统建模高效构建ROV动力学系统,验证了该方法在复杂运动特性分析中的便捷性与正确性。宋研等[13]基于Modelica构建载人航天器多学科集成模型,以设备为最小粒度建模并系统集成,验证了其在反映多学科耦合特性方面的可行性,为航天器数字化样机设计提供途径。
基于Modelica在多领域统一建模中的优势,本文以AUV为研究对象展开多领域数字样机建模方法研究,并以“探索-100”AUV为实物对象验证。
1 建模方法 1.1 AUV系统建模AUV数字样机基于多系统协同运行,为研究其运动性能,可划分为动力学系统、推进系统、操纵系统和能源系统,系统结构组成如图1所示。能源系统的电池为各系统供电;推进系统中,航速控制器调节电机,进而带动螺旋桨产生推力;操纵系统中,航向深度控制器控制舵机驱动舵翼,借助流体作用生成力矩,实现转向与定深。艇体的运动状态会反馈至控制器,形成闭环控制,从而保障 AUV 按预定轨迹和姿态稳定精准地航行。
|
图 1 AUV数字样机系统结构组成 Fig. 1 AUV digital prototype system structure composition |
为建立艇体动力学模型,可基于运动学、水动力学和静力学方程建模。运动学描述六自由度运动以支撑操控性设计,水动力学分析水动力以优化外形、提升效率,静力学研究浮重平衡以确保稳定性与结构安全,三者共同实现艇体运动特性的全面建模与性能优化。
将AUV在运动坐标系下所受力和力矩表示为:
| $ {\boldsymbol{\tau }}_{\boldsymbol{H}}+{\boldsymbol{\tau }}_{\boldsymbol{S}}+{\boldsymbol{\tau }}_{\boldsymbol{P}}+{\boldsymbol{\tau }}_{\boldsymbol{R}}-{\boldsymbol{\tau }}_{\boldsymbol{R}\boldsymbol{B}}=0。$ | (1) |
式中:
本文采用国际水池会议推荐的造船与轮机工程师学会术语公报体系[14]。坐标系采用如图2所示的2种右手直角坐标系,一个是固定坐标系
|
图 2 水下航行器定系与动系定义 Fig. 2 Definition of fixed and moving coordinate system of underwater vehicle |
一般情况下,水下航行器的操纵运动可表示为运动坐标系
两坐标系之间线速度与角速度之间的转化矩阵为:
| $ \begin{split} \overset{\cdot }{\boldsymbol{\eta }}=&\left[\begin{matrix} {J}_{\mathbf{1}}\left({\boldsymbol{\eta }}_{\mathbf{1}}\right) & {0}_{3\times 3}\\ {0}_{3\times 3} & {J}_{\mathbf{2}}\left({\boldsymbol{\eta }}_{\mathbf{2}}\right) \end{matrix} \right]\cdot \boldsymbol{v}=\\ &\left[\begin{matrix} \cos \psi \cos \theta & \cos \psi \sin \theta \sin \varphi -\sin \psi \cos \varphi & \sin \psi \sin \varphi +\cos \psi \cos \varphi \sin \theta & 0 & 0 & 0\\ \sin \psi \cos \theta & \cos \psi \cos \varphi +\sin \varphi \sin \theta \sin \psi & \sin \theta \sin \psi \cos \varphi -\cos \psi \sin \varphi & 0 & 0 & 0\\ -\sin \theta & \cos \theta \sin \varphi & \cos \theta \cos \varphi & 0 & 0 & 0\\ 0 & 0 & 0 & 1 & \sin \varphi \tan \theta & \cos \varphi \tan \theta \\ 0 & 0 & 0 & 0 & \cos \varphi & -\sin \varphi \\ 0 & 0 & 0 & 0 & \sin \varphi /\cos \theta & \cos \varphi /\cos \theta \end{matrix} \right]\cdot \left[\begin{array}{l} u\\ v\\ w\\ p\\ q\\ r \end{array}\right]。\end{split} $ | (2) |
式中:
将航行器视为刚体,对动系原点应用动量定理与动量矩定理,进一步可将运动学方程整理为:
| $ {\boldsymbol{M}}_{\boldsymbol{R}\boldsymbol{B}}{\dot{\boldsymbol{v}}}+{\boldsymbol{C}}_{\boldsymbol{R}\boldsymbol{B}}\left(\boldsymbol{v}\right)\boldsymbol{v}={\boldsymbol{\tau }}_{\boldsymbol{R}\boldsymbol{B}}。$ | (3) |
式中:
| $ {\boldsymbol{\tau }}_{\boldsymbol{R}\boldsymbol{B}}=\left[\begin{array}{c} m\left[\dot{u}-vr+wq-{x}_{G}\left({q}^{2}+{r}^{2}\right)+{y}_{G}\left(pq-\dot{r}\right)+{z}_{G}\left(pr+\dot{q}\right)\right]\\ m\left[\dot{v}-wp+ur-{y}_{G}\left({r}^{2}+{p}^{2}\right)+{z}_{G}\left(qr-\dot{p}\right)+{x}_{G}\left(qp+\dot{r}\right)\right]\\ m\left[\dot{w}-uq+vp-{z}_{G}\left({p}^{2}+{q}^{2}\right)+{x}_{G}\left(rp-\dot{q}\right)+{y}_{G}\left(rq+\dot{p}\right)\right]\\ {I}_{x}\dot{p}+\left({I}_{x}-{I}_{y}\right)qr-\left(\dot{r}+pq\right){I}_{zx}+\left({r}^{2}-{q}^{2}\right){I}_{yz}+\left(pr-\dot{q}\right){I}_{xy}+m\left[{y}_{G}\left(\dot{w}-uq+vp\right)-{z}_{G}\left(\dot{v}-wp+ur\right)\right]\\ {I}_{y}\dot{q}+\left({I}_{x}-{I}_{z}\right)rp-\left(\dot{p}+qr\right){I}_{xy}+\left({p}^{2}-{r}^{2}\right){I}_{zx}+\left(qp-\dot{r}\right){I}_{yz}+m\left[{z}_{G}\left(\dot{u}-vr+wq\right)-{x}_{G}\left(\dot{w}-uq+vp\right)\right]\\ {I}_{z}\dot{r}+\left({I}_{y}-{I}_{x}\right)pq-\left(\dot{q}+rp\right){I}_{yz}+\left({q}^{2}-{p}^{2}\right){I}_{xy}+\left(rq-\dot{p}\right){I}_{zx}+m\left[{x}_{G}\left(\dot{v}-wp+ur\right)-{y}_{G}\left(\dot{u}-vr+wq\right)\right] \end{array}\right] 。$ | (4) |
式中:
根据格特勒和哈根的潜艇标准运动方程[15]且不考虑螺旋桨及舵的流体动力影响可得
| $ {{\boldsymbol{\tau }}_{\boldsymbol{H}}=\left[\begin{array}{c} 0.5\rho {L}^{4}\left(X_{qq}^{\prime}{q}^{2}+X_{rr}^{\prime}{r}^{2}+X_{rp}^{\prime}rp\right)+0.5\rho {L}^{3}\left(X_{\dot{u}}^{\prime}\dot{u}+X_{vr}^{\prime}vr+X_{wq}^{\prime}wq\right)+0.5\rho {L}^{2}\left(X_{uu}^{\prime}{u}^{2}+X_{vv}^{\prime}{v}^{2}+X_{ww}^{\prime}{w}^{2}\right)\\ 0.5\rho {L}^{4}\left(Y_{\dot{r}}^{\prime}\dot{r}+Y_{\dot{p}}^{\prime}\dot{p}+Y_{p\left| p\right| }^{\prime}p\left| p\right| +Y_{pq}^{\prime}pq+Y_{qr}^{\prime}qr+Y_{r\left| r\right| }^{\prime}r\left| r\right| \right)+0.5\rho {L}^{3}\left(Y_{\dot{v}}^{\prime}\dot{v}+Y_{vq}^{\prime}vq+Y_{wp}^{\prime}wp+Y_{wr}^{\prime}wr+Y_{r}^{\prime}ur+Y_{p}^{\prime}up+Y_{v\left| r\right| }^{\prime}v\left| r\right| \right)\\ +0.5\rho {L}^{2}\left(Y_{*}^{\prime}{u}^{2}+Y_{v}^{\prime}uv+Y_{v\left| v\right| }^{\prime}v\left| v\right| +Y_{vw}^{\prime}vw\right)\\ 0.5\rho {L}^{4}\left(Z_{\dot{q}}^{\prime}\dot{q}+Z_{pp}^{\prime}{p}^{2}+Z_{rr}^{\prime}{r}^{2}+Z_{rp}^{\prime}rp+Z_{q\left| q\right| }^{\prime}q\left| q\right| \right)+0.5\rho {L}^{3}\left(Z_{\dot{w}}^{\prime}\dot{w}+Z_{vr}^{\prime}vr+Z_{vp}^{\prime}vp+Z_{q}^{\prime}uq+Z_{w\left| q\right| }^{\prime}w\left| q\right| \right)\\ +0.5\rho {L}^{2}\left(Z_{*}^{\prime}{u}^{2}+Z_{w}^{\prime}uw+Z_{w\left| w\right| }^{\prime}w\left| w\right| +Z_{\left| w\right| }^{\prime}u\left| w\right| +Z_{ww}^{\prime}{w}^{2}+Z_{vv}^{\prime}{v}^{2}\right)\\ 0.5\rho {L}^{5}\left(K_{\dot{p}}^{\prime}\dot{p}+K_{\dot{r}}^{\prime}\dot{r}+K_{qr}^{\prime}qr+K_{pq}^{\prime}pq+K_{p\left| p\right| }^{\prime}p\left| p\right| \right)+0.5\rho {L}^{4}\left(K_{p}^{\prime}up+K_{r}^{\prime}ur+K_{\dot{v}}^{\prime}\dot{v}+K_{vq}^{\prime}vq+K_{wp}^{\prime}wp+K_{wr}^{\prime}wr\right)\\ +0.5\rho {L}^{3}\left(K_{*}^{\prime}{u}^{2}+K_{v}^{\prime}uv+K_{v\left| v\right| }^{\prime}v\left| v\right| +K_{vw}^{\prime}vw\right)\\ 0.5\rho {L}^{5}\left(M_{\dot{q}}^{\prime}\dot{q}+M_{pp}^{\prime}{p}^{2}+M_{rr}^{\prime}{r}^{2}+M_{rp}^{\prime}rp+M_{q\left| q\right| }^{\prime}q\left| q\right| \right)+0.5\rho {L}^{4}\left(M_{\dot{w}}^{\prime}\dot{w}+M_{vr}^{\prime}vr+M_{vp}^{\prime}vp+M_{q}^{\prime}uq+M_{q\left| w\right| }^{\prime}q\left| w\right| \right)\\ +0.5\rho {L}^{3}\left(M_{*}^{\prime}{u}^{2}+M_{w}^{\prime}uw+M_{w\left| w\right| }^{\prime}w\left| w\right| +M_{\left| w\right| }^{\prime}u\left| w\right| +M_{ww}^{\prime}{w}^{2}+M_{vv}^{\prime}{v}^{2}\right)\\ 0.5\rho {L}^{5}\left(N_{\dot{r}}^{\prime}\dot{r}+N_{\dot{p}}^{\prime}\dot{p}+N_{pq}^{\prime}pq+N_{qr}^{\prime}qr+N_{r\left| r\right| }^{\prime}r\left| r\right| \right)+0.5\rho {L}^{4}\left(N_{\dot{v}}^{\prime}\dot{v}+N_{wr}^{\prime}wr+N_{wp}^{\prime}wp+N_{vq}^{\prime}vq+N_{p}^{\prime}up+N_{r}^{\prime}ur+N_{r\left| v\right| }^{\prime}r\left| v\right| \right)\\ +0.5\rho {L}^{3}\left(N_{*}^{\prime}{u}^{2}+N_{v}^{\prime}uv+N_{v\left| v\right| }^{\prime}v\left| v\right| +N_{vw}^{\prime}vw\right) \end{array}\right]。}$ | (5) |
式中:带有下标的系数均为无因次水动力系数,通常通过数值模拟方法获取。
1.2.3 静力学部分AUV所受静力包括重力、浮力及其力矩。重力可分为作用于重心
| $ \left\{\begin{array}{l} P={P}_{0}+\Delta P={P}_{0}+\sum{P}_{i}\left(i=1\sim n\right),\\ B={B}_{0}+\Delta B={B}_{0}+\sum{B}_{j}\left(j=1\sim m\right)。\end{array}\right. $ | (6) |
则静力
| $ \begin{array}{c} {\boldsymbol{\tau }}_{\boldsymbol{S}}=\left[\begin{array}{c} {f}_{\boldsymbol{G}}\left({\boldsymbol{\eta }}_{\mathbf{2}}\right)+{f}_{B}\left({\boldsymbol{\eta }}_{\mathbf{2}}\right)\\ {\boldsymbol{r}}_{\boldsymbol{G}}\times {f}_{G}\left({\boldsymbol{\eta }}_{\mathbf{2}}\right)+{\boldsymbol{r}}_{\boldsymbol{B}}\times {f}_{\boldsymbol{B}}\left({\boldsymbol{\eta }}_{\mathbf{2}}\right) \end{array}\right]=\\ \left[\begin{array}{c} -\left(P-B\right)\sin \theta \\ \left(P-B\right)\cos \theta \sin \varphi \\ \left(P-B\right)\cos \theta \cos \varphi \\ \left({y}_{G}P-{y}_{B}B\right)\cos \theta \cos \varphi -\left({z}_{G}P-{z}_{B}B\right)\cos \theta \sin \varphi \\ -\left({z}_{G}P-{z}_{B}B\right)\sin \theta -\left({x}_{G}P-{x}_{B}B\right)\cos \theta \cos \varphi \\ \left({x}_{G}P-{x}_{B}B\right)\cos \theta \sin \varphi +\left({y}_{G}P-{y}_{B}B\right)\sin \theta \end{array}\right] \end{array} 。$ | (7) |
式中:
AUV螺旋桨工作过程中会产生推力
| $ \left\{\begin{aligned} &T=\left(1-t\right)\rho {n}^{2}{D}^{4}{K}_{T},\\ &Q=\rho {n}^{2}{D}^{5}{K}_{Q}。\end{aligned}\right. $ | (8) |
式中:
| $ \left\{\begin{aligned} &{K}_{T}={k}_{t0}+{k}_{t1}J+{k}_{t2}{J}^{2},\\ &{K}_{Q}={k}_{q0}+{k}_{q1}J+{k}_{q2}{J}^{2},\\ &J=u/nD。\end{aligned}\right. $ | (9) |
式中:
推进机构中的电机使用三相直流无刷电机,其定子绕组等效电路图如图3所示。
|
图 3 三相定子绕组等效电路图 Fig. 3 Stator winding equivalent circuit diagram |
电机基本原理如下:
| $ {\left\{\begin{array}{l} \left[\begin{array}{l} {u}_{a}\\ {u}_{b}\\ {u}_{c} \end{array}\right]=\left[\begin{matrix} R & 0 & 0\\ 0 & R & 0\\ 0 & 0 & R \end{matrix} \right]\cdot \left[\begin{array}{l} {i}_{a}\\ {i}_{b}\\ {i}_{c} \end{array}\right]+\left[\begin{matrix} L-M & 0 & 0\\ 0 & L-M & 0\\ 0 & 0 & L-M \end{matrix} \right]\cdot \dfrac{{\mathrm{d}}}{{\mathrm{d}}t}\left[\begin{array}{l} {i}_{a}\\ {i}_{b}\\ {i}_{c} \end{array}\right]+\left[\begin{array}{l} {e}_{a}\\ {e}_{b}\\ {e}_{c} \end{array}\right],\\ {T}_{e}=\dfrac{{P}_{e}}{\omega }=\dfrac{{e}_{a}\cdot {i}_{a}+{e}_{b}\cdot {i}_{b}+{e}_{c}\cdot {i}_{a}}{\omega },\\ J\cdot \dfrac{{\mathrm{d}}\omega }{{\mathrm{d}}t}={T}_{e}-{T}_{l}-{B}_{e}\omega 。\end{array}\right.}$ | (10) |
式中:3个方程依次为电压平衡方程、电磁转矩方程和转子运动方程;
以图4所示X形舵操纵面为例,其4个舵翼呈“X”字形正交布置,舵轴中心线与艇的纵中对称面成±45°夹角[19]。
|
图 4 X形舵示意图 Fig. 4 X-Rudder schematic |
X形舵的流体力学模型
| ${ {\boldsymbol{\tau }}_{\boldsymbol{R}}=\left[\begin{array}{c} 0.5\rho {L}^{2}{u}^{2}\left(X_{{\delta }_{LU}{\delta }_{LU}}^{\prime}\delta _{LU}^{2}+X_{{\delta }_{LD}{\delta }_{LD}}^{\prime}\delta _{LD}^{2}+X_{{\delta }_{RU}{\delta }_{RU}}^{\prime}\delta _{RU}^{2}+X_{{\delta }_{RD}{\delta }_{RD}}^{\prime}\delta _{RD}^{2}\right)\\ 0.5\rho {L}^{2}{u}^{2}\left(Y_{{\delta }_{LU}}^{\prime}{\delta }_{LU}+Y_{{\delta }_{LD}}^{\prime}{\delta }_{LD}+Y_{{\delta }_{RU}}^{\prime}{\delta }_{RU}+Y_{{\delta }_{RD}}^{\prime}{\delta }_{RD}\right)\\ 0.5\rho {L}^{2}{u}^{2}\left(Z_{{\delta }_{LU}}^{\prime}{\delta }_{LU}+Z_{{\delta }_{LD}}^{\prime}{\delta }_{LD}+Z_{{\delta }_{RU}}^{\prime}{\delta }_{RU}+Z_{{\delta }_{RD}}^{\prime}{\delta }_{RD}\right)\\ 0.5\rho {L}^{3}{u}^{2}\left(K_{{\delta }_{LU}}^{\prime}{\delta }_{LU}+K_{{\delta }_{LD}}^{\prime}{\delta }_{LD}+K_{{\delta }_{RU}}^{\prime}{\delta }_{RU}+K_{{\delta }_{RD}}^{\prime}{\delta }_{RD}\right)\\ 0.5\rho {L}^{3}{u}^{2}\left(M_{{\delta }_{LU}}^{\prime}{\delta }_{LU}+M_{{\delta }_{LD}}^{\prime}{\delta }_{LD}+M_{{\delta }_{RU}}^{\prime}{\delta }_{RU}+M_{{\delta }_{RD}}^{\prime}{\delta }_{RD}\right)\\ 0.5\rho {L}^{3}{u}^{2}\left(N_{{\delta }_{LU}}^{\prime}{\delta }_{LU}+N_{{\delta }_{LD}}^{\prime}{\delta }_{LD}+N_{{\delta }_{RU}}^{\prime}{\delta }_{RU}+N_{{\delta }_{RD}}^{\prime}{\delta }_{RD}\right) \end{array}\right] 。}$ | (11) |
式中:
舵机是一种基于闭环反馈原理的位置伺服驱动器,其基本的原理如图5所示。电位器或编码器等位置传感器实时反馈舵机当前位置,通过计算当前位置与目标位置偏差,生成所需误差。控制电路根据误差调整电机驱动信号,通过持续调节使舵机逐步消除偏差,从而精确控制舵面的转动角度,实现各种复杂的动作和姿态控制。
|
图 5 舵机建模原理 Fig. 5 Servo modelling principle |
能源系统中的电池采用二阶RC等效电路模型模拟AUV电池的外部特性,内部由3个电阻、2个电容和1个电压源构成,其基本电路模型如图6所示。
|
图 6 电池等效模型 Fig. 6 Battery equivalent module |
电池模型的基本原理为:
| $ \left\{\begin{aligned} &U={U}_{OC}-I\cdot {R}_{0}-{U}_{C1}-{U}_{C2},\\ &I=\frac{{U}_{C1}}{{R}_{1}}+{C}_{1}\cdot \frac{{\mathrm{d}}{U}_{C1}}{{\mathrm{d}}t},\\ &SOC=SO{C}_{\mathrm{{init}}}+\int\frac{I}{{Q}_{{\mathrm{bat}}}}{\mathrm{d}}t。\end{aligned}\right. $ | (12) |
式中:3个方程依次为电压平衡方程、电流方程和电池荷电状态方程;
电源对外供电分为动力电和控制电两大体系,如图7所示。动力电由电源直接输出,凭借高电压、大电流特性,直接驱动电机高功率负载。控制电为电源经转换板处理后输出的低电压、小电流,为传感器、控制器等电子设备供电,从电路角度,这些电子设备可等效为电阻,以满足其特定用电需求。
|
图 7 配电建模 Fig. 7 Distribution modelling |
AUV的巡航速度控制原理如图8所示,通过电流、转速、航速三级控制器构建闭环系统。电流控制器监测电机电流并动态调节驱动信号,保障输出扭矩稳定。转速控制器结合螺旋桨实际转速反馈,调整电机功率以补偿负载变化;最外层的航速控制器通过设备获取实时航速,与目标值比较后生成转速指令,逐层传递调节。三级控制器动态调整推进器动力输出,适应水下阻力与洋流干扰,实现巡航速度的稳定跟踪与精准控制,确保 AUV 按预定速度可靠航行。
|
图 8 航速控制原理 Fig. 8 Speed control principle |
AUV航向控制如图9所示,基于闭环反馈系统,利用惯性导航等传感器实时采集航向数据,控制器通过算法计算目标航向与实际航向的偏差,驱动舵机调节垂直舵面角度
|
图 9 航向控制原理 Fig. 9 Heading control principles |
AUV深度控制基于俯仰角与深度双闭环反馈机制,如图10所示,俯仰角控制回路用于提高深度控制阻尼,避免深度控制过程的震荡[20]。压力传感器实时采集深度数据,控制器对比目标深度计算偏差,通过PID等算法生成俯仰角控制指令,俯仰角控制器根据俯仰角实时反馈驱动舵机调节水平舵面角度
|
图 10 深度控制原理 Fig. 10 Depth control principles |
X形舵控制方式是通过控制等效的尾升降舵角
逻辑转换模块原理[21]为:
| $ \left\{\begin{aligned} &{\delta }_{LU}=\frac{\sqrt{2}}{2}\left({\delta }_{s}+{\delta }_{r}\right),\\ &{\delta }_{LD}=\frac{\sqrt{2}}{2}\left({\delta }_{s}-{\delta }_{r}\right),\\ &{\delta }_{RU}=\frac{\sqrt{2}}{2}\left(-{\delta }_{s}+{\delta }_{r}\right),\\ &{\delta }_{RD}=\frac{\sqrt{2}}{2}\left(-{\delta }_{s}-{\delta }_{r}\right)。\end{aligned}\right. $ | (13) |
AUV 的运行依赖多模块紧密集成与信号的高效传输调控,其模型集成示意图如图11所示。基于Modelica的设备建模以物理统一性为核心原则,打破传统分领域建模的工具壁垒与学科界限。其关键在于将不同领域的物理规律转化为形式统一的数学表达式,通过面向对象的模块化设计实现模型的复用与扩展。这种建模方式不依赖特定领域的专用工具,而是以能量守恒、动量守恒等普适物理定律为基础,把机械、电气、控制等领域的设备特性抽象为包含参数、变量和方程的模块化组件。每个模块只需定义自身的物理属性和与外部交互的物理量接口,无需预设信号流向,为跨领域集成创造了条件。
|
图 11 AUV数字样机模型集成示意图 Fig. 11 AUV digital prototype model integration schematic |
基于Modelica的设备集成通过接口标准化与方程关联实现。在接口层,通过连接器定义跨领域统一的物理量交互接口,无论机械系统的力-速度、电气系统的电压-电流还是控制系统的信号量,都被抽象为包含物理维度和数值属性的标准化接口,无需额外的格式转换。本文中推进系统、操纵系统与动力学系统的集成接口仅需定义力(流变量)和速度(势变量)两类物理量,推进系统、操纵系统与能源系统的集成接口则定义电流(流变量)和电压(势变量)。传统方法中,各领域接口定义混乱,机械系统的力信号与电气系统的电流信号格式不同,集成时需开发专用接口程序进行转换,耗时费力且易出错。在关联层,基于非因果建模思想建立设备间的方程关联,通过变量绑定将不同设备的接口物理量直接关联,形成无冗余的全局方程组,这种关联方式不依赖人工定义信号流向,而是由求解器根据物理规律自动分析因果关系,例如 AUV 加速时,艇体速度变化会自动反馈至螺旋桨进速比。而传统建模方法中,机械系统往往在ADAMS等专用工具中建模,控制系统则依赖 Matlab/Simulink,不同工具间的模型格式差异大,难以直接关联物理量,需要大量人工干预进行转换并预设信号传递方向,当系统复杂时,容易出现信号流向定义错误,导致模型耦合关系失真。
1.7.2 模型求解Modelica模型求解的本质是将多领域非因果陈述式建模转化为微分代数方程(Differential-Algebraic Equations,DAEs)系统,通过统一数学框架处理机、电、控等跨领域物理方程的耦合关系,借助数值积分与非线性方程求解技术实现系统动态行为的仿真。
考虑到自主水下机器人仿真模型具有非线性、变系数和多物理耦合等特性,CVODE(C Variable-coefficient Ordinary Differential Equation solver,CVODE)方法在基于 Modelica 的建模与仿真中具有良好的适用性。CVODE 采用变步长、变阶数的后向差分公式,结合预测校正机制和误差控制策略,能够根据系统状态动态调整计算参数,提升数值解的稳定性与收敛性。其自适应策略不仅保障了仿真精度,还有效提高了计算效率。CVODE 可直接集成于常用的 Modelica 仿真平台,适用于多场景、长时间的 AUV 数字样机仿真,为控制策略开发与性能优化提供了高效可靠的计算支持。
2 方法验证 2.1 “探索-100”AUV建模依据建模方法中数字样机系统结构将AUV划分为动力学系统、推进系统、操纵系统和能源系统。
2.1.1 动力学系统实例化模型动力学系统是反映AUV实际运动状态的关键,可基于艇体动力学方程构建,主要包含式(4)~式(7)所示的运动学、水动力学和静力学部分。动力学系统通过力学连接器接受来自螺旋桨和舵翼输入的力与力矩作用,并通过同一连接器输出反作用力与AUV当前运动状态变量。“探索-100”AUV艇体采用回转体设计,长度为1.79 m,体积为0.048 m2,质量为47 kg,水动力系数通过CFD数值模拟[21]的方法获得。
基于艇体动力学方程构建图12所示的动力学系统实例化模型。
|
图 12 动力学系统实例化模型 Fig. 12 Instantiated model of dynamic system |
推进系统为 AUV 水下运动提供动力,输出推力克服水阻以推动其前进,主要由运动控制和推进机构子系统构成。运动控制子系统的航速控制器接收传感器运动状态反馈,输出控制信号给执行机构;推进机构子系统由电机和螺旋桨构成,将控制信号转化为力与力矩输出。“探索 - 100”AUV 推进系统仅产生轴向力与力矩,采用六步换向法控制直流无刷电机,尾部水平轴向安装一副直径0.16 m的螺旋桨。
根据上述逻辑构建图13所示推进系统实例化模型。
|
图 13 推进系统实例化模型 Fig. 13 Instantiated model of propulsion system |
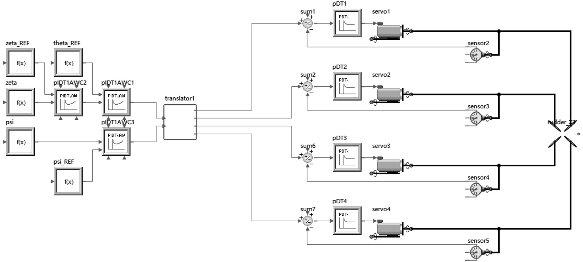
操纵系统通过舵面偏转产生力与力矩,实现AUV六自由度运动中深度、航向的精准调控,为复杂轨迹跟踪与作业姿态保持提供动力学支撑。其主要由运动控制和操纵机构子系统构成。运动控制子系统集成深度及航向控制器,接收传感器运动状态反馈并输出控制信号给执行机构;操纵机构子系统由舵机和舵翼构成,将控制信号转化为力与力矩输出。“探索-100”AUV 配备X形舵,4个舵各有独立传动装置,可独立转动,任一舵单独偏转都会产生潜浮、转向和横倾操纵效应[22]。根据X形舵控制逻辑构建图14所示操纵系统实例化模型。
|
图 14 操纵系统实例化模型 Fig. 14 Instantiated model of maneuvering system |
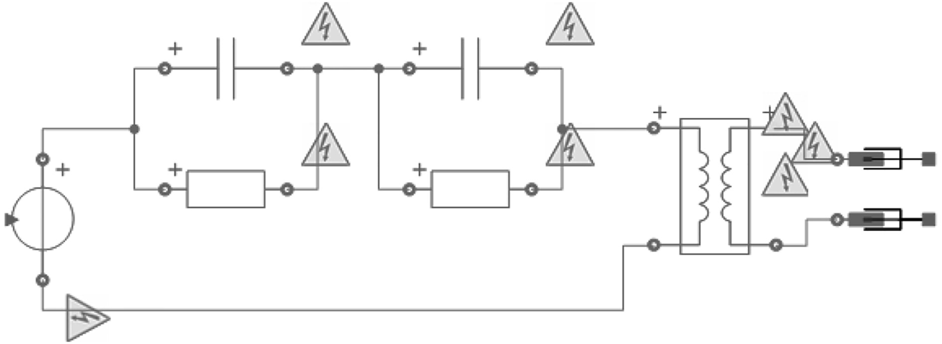
能源系统作为AUV的能量枢纽,通过电池组提供动力电及控制电输出为推进系统和操纵系统提供电力支撑。“探索-100”AUV电池输出电压为42~50 V,电池容量约0.8 kWh,在3 kn航速下续航里程为70 km。
基于电池模块及配电原理构建图15所示能源系统实例化模型。
|
图 15 能源系统实例化模型 Fig. 15 Instantiated model of energy system |
按照建模方法中模型集成原理实现系统级集成,利用实际参数实例化仿真模型,并通过智能算法辨识等效参数,得到图16所示的“探索-100”数字样机。
|
图 16 “探索-100”数字样机 Fig. 16 “探索-100”digital prototype |
为验证数字样机仿真能力的可靠性和正确性,研究选取AUV某次实航实验中的各类数据进行仿真验证,将某一时刻AUV的真实状态设置为仿真初始状态,得到如图17所示的航行轨迹曲线,以及图18呈现的各类运动状态曲线,以此直观呈现 AUV 仿真运动过程与状态变化。
|
图 17 航行轨迹对比及误差 Fig. 17 Trajectory comparison and error |
|
图 18 航行数据对比及误差 Fig. 18 Navigation date comparison and error |
从运动状态模拟来看,仿真模型输出的 AUV 航行轨迹与实际轨迹宏观贴合良好。在深度(图17)与航向(图18(a))维度,仿真值和实测值在幅值变化、动态趋势上高度一致,MAE分别为
姿态与速度参数中,俯仰角(图18(b))及垂向速度(图18(c))的仿真输出与实测数据在幅值波动和时域趋势上高度拟合,体现模型可精准捕捉姿态调整与垂向动力学响应,验证了多维运动模拟的有效性。但航速(图18(d))在 500 ~950 s 区间有显著幅值差异,主要源于仿真未建模补偿洋流扰动,同时传感器测量噪声与系统误差的叠加最终使得航速MAE为
综合而言,该 AUV 仿真模型能在深度控制、航向跟踪等核心场景准确模拟真实运动。虽因海洋环境扰动未建模和传感器误差存在局部偏差,但处于可接受范围,未影响整体有效性。核心参数高拟合度与误差可解释性,佐证了建模方法的鲁棒性,为后续研究奠定可靠基础。
3 结 语本文基于多领域统一建模理论展开AUV数字样机建模方法研究,主要完成了以下工作:
1)详细阐述了AUV动力学系统、推进系统、操纵系统和能源系统关键设备的建模方法及系统集成方法。
2)基于Modelica语言工具,以“探索-100”AUV作为研究对象,验证了建模方法及系统集成方法的可行性,实现了复杂非线性多物理域问题的统一描述。
3)设计了仿真验证实验,验证了数字样机仿真能力的可靠性和正确性。
研究结果表明,与传统建模方法相比,基于多领域统一建模理论搭建的数字样机在保证多领域多学科模型及系统之间紧密耦合的同时也能保证数字仿真的准确性和可靠性,为AUV建模与仿真提供了高效、灵活的解决方案,可为复杂海洋环境下的AUV设计与性能优化提供实现路径。
未来研究将聚焦建模方法创新,基于多领域统一建模理论优化多领域协同建模框架,打破学科界限,实现AUV多系统高效集成,提升建模精度。同时拓展建模范围,纳入关键系统与物理域,构建更完善的模型体系,为海洋设备数字化设计提供思路。
| [1] |
GONZÁLEZ-GARCÍA J, GÓMEZ-ESPINOSA A, CUAN-URQUIZO E, et al. Autonomous underwater vehicles: localization, navigation, and communication for collaborative missions[J]. Applied Sciences, 2020, 10(4): 12−56.
|
| [2] |
李硕, 吴园涛, 李琛, 等. 水下机器人应用及展望[J]. 中国科学院院刊, 2022, 37(7): 910-920. LI S, WU Y T, LI C, et al. Application and prospect of unmanned underwater vehicle[J]. Bulletin of Chinese Academy of Sciences, 2022, 37(7): 910−920. |
| [3] |
陶飞, 马昕, 胡天亮, 等. 数字孪生标准体系[J]. 计算机集成制造系统, 2019, 25(10): 2405-2418. TAO F, MA X, HU T L, et al. Research on digital twin standard system[J]. Computer Integrated Manufacturing Systems, 2019, 25(10): 2405-2418. |
| [4] |
张宁, 郭君, 尹韶平, 等. 数字孪生技术发展现状及其在水下无人系统中的应用展望[J]. 水下无人系统学报, 2022, 30(2): 137-146. ZHANG N, GUO J, YIN S P, et al. Development of digital twin technology and its application prospect in unmanned undersea system[J]. Journal of Unmanned Undersea Systems, 2022, 30(2): 137-146. DOI:10.11993/j.issn.2096-3920.2020.04.001 |
| [5] |
马小辉. 基于Modelica的四旋翼飞行器多领域统一建模及多目标优化设计[D]. 杭州: 杭州电子科技大学, 2017.
|
| [6] |
许国锋, 许鹏文, 邹红霞. 装备采办领域复杂系统建模仿真的应用研究[J]. 计算机技术与发展, 2014, 24(3): 178-182+186. XU G F, XU P W, ZOU H X. Research on application of complex system modeling and simulation in equipment acquisition field[J]. Computer Technology and Development, 2014, 24(3): 178-182+186. DOI:10.3969/j.issn.1673-629X.2014.03.044 |
| [7] |
董仁义, 吴崇健, 张京伟, 等. 多领域统一建模技术在管路分析中的应用与发展[J]. 舰船科学技术, 2012, 34(7): 3-7. DONG R Y, WU C J, ZHANG J W, et al. Application and development of the multi-domain unified modeling applied in pipe analysis[J]. Ship Science and Technology, 2012, 34(7): 3-7. DOI:10.3404/j.issn.1672-7649.2012.07.001 |
| [8] |
张皓宇. 基于Modelica/Mworks的船用汽轮机级图形化建模与仿真[J]. 机电设备, 2022, 39(4): 97-102. ZHANG H Y. Graphic modeling and simulation of marine steam turbine stage based on modelica/mworks[J]. Mechnical and Electrical Equipment, 2022, 39(4): 97-102. DOI:10.16443/j.cnki.31-1420.2022.04.018 |
| [9] |
LIU J, WANG G, LUO Y. Multi-domain modeling based on modelica[C]//MATEC Web of Conferences, 2016.
|
| [10] |
TILLER M. Introduction to physical modeling with modelica[M]. Springer Science & Business Media, 2001.
|
| [11] |
SWAMINATHAN S, SARIPALLI S. Developing a Framework for Modeling Underwater Vehicles in Modelica[C]//In Proceedings of the American Modelica Conference, 2018.
|
| [12] |
韩枫, 谢基榕. 基于Modelica语言的ROV动力学系统建模与仿真[J]. 船舶力学, 2021, 25(1): 65-72. HAN F, XIE J R. Modeling and simulation of ROV mechanical system based on modelica[J]. Journal of Ship Mechanics, 2021, 25(1): 65-72. |
| [13] |
宋研, 邢涛, 巩朝阳. 基于Modelica的载人航天器多学科集成建模仿真[J]. 载人航天, 2019, 25(3): 397-402. SONG Y, XING T, GONG C Y. Multi-disciplinary integrated modeling and simulation of manned spacecraft based on modelica[J]. Manned Spaceflight, 2019, 25(3): 397-402. DOI:10.3969/j.issn.1674-5825.2019.03.018 |
| [14] |
李沐阳. 基于EER-PPO算法的自主水下机器人路径跟踪及自主避障研究[D]. 济南: 山东大学, 2022.
|
| [15] |
施生达. 潜艇操纵性[M]. 北京: 国防工业出版社, 1995.
|
| [16] |
KAYA B B, HAJIYEV C. 6-DOF nonlinear dynamic modeling and control of autonomous underwater vehicle[J]. International Journal of Transportation Research and Technology, 2024, 1(1).
|
| [17] |
韩枫. 水下平台与潜器协同作业过程仿真研究[D]. 北京: 中国舰船研究院, 2020.
|
| [18] |
何春荣, 马向能. 潜艇垂直面分离型数学模型及其干扰因子分析[J]. 船舶力学, 2009, 13(5): 697-704. HE C R, MA X N. Submarine combined mathematics model and interference coefficients analyses in the vertical plane[J]. Journal of Ship Mechanics, 2009, 13(5): 697-704. DOI:10.3969/j.issn.1007-7294.2009.05.004 |
| [19] |
焦玉超, 肖昌润. 潜艇X舵的布局优化[J]. 兵器装备工程学报, 2018, 39(3): 40-44+71. JIAO Y C, XIAO C R. Layout optimization of submarine X rudder[J]. Journal of Ordnance Equipment Engineering, 2018, 39(3): 40-44+71. |
| [20] |
谢虎, 吴维, 董元发, 等. UUV定深控制模型参数优化设计方法[J]. 数字海洋与水下攻防, 2024, 7(2): 177-185. XIE H, WU W, DONG Y F, et al. Research on parameter optimization method for UUV depth setting control model[J]. Digital Ocean & Underwater Warfare, 2024, 7(2): 177-185. |
| [21] |
曾俊宝, 李硕, 刘鑫宇, 等. 便携式自主水下机器人动力学建模方法研究[J]. 计算机应用研究, 2018, 35(6): 1747-1750. ZENG J B, LI S, LIU X Y, et al. Research on dynamic modeling of portable autonomous underwater vehicle[J]. Application Research of Computers, 2018, 35(6): 1747-1750. DOI:10.3969/j.issn.1001-3695.2018.06.032 |
| [22] |
刘小峰. 海洋探测机器人操纵性及运动仿真研究[D]. 哈尔滨: 哈尔滨工程大学, 2007.
|
2026, Vol. 48
