无人水下航行器(UUV)因其舵效高、机动性强、噪声低、容错能力好等优势,在海洋勘探与环境监测等领域具有广泛的应用前景[1]。UUV平台设计涉及机械、电子、能源动力、控制等多学科、多领域交叉融合[2],具有较强的先进性和复杂性,近年来得到越来越多的关注和研究[3]。
在UUV控制算法设计、硬件开发,以及系统集成测试等场景中,半实物仿真平台可以发挥重要的作用。根据研究目标与验证重点,现有UUV半实物仿真平台可分为两类:一类为算法验证型,以控制、导航、路径规划等核心算法的快速迭代与功能验证为核心,侧重通过虚拟建模与关键信号模拟构建验证环境。李晓晖等[4]构建的RTX-based系统,硬件采用RTX实时计算机与反射内存网,软件集成四阶ADAMS算法,实现100 μs级动力学解算,支撑实时性优化;谢攀等[5]提出的导航验证平台通过GPS模拟器、水压模拟器生成多工况信号,适配SimGEN导航场景;Chen等[6]基于ROS的半实物平台以PC和IMU为硬件,软件依托UUV Simulator开源库实现路径规划算法可视化;Li等[7]采用VR设备、简化对接机构模拟器,软件通过VR构建水下对接场景,该半实物仿真系统可直观展示对接过程。另一类为系统性能校验型,通过接入关键实物部件与复杂环境模拟器构建高保真测试体系。吴小涛等[8]搭建海流验证系统,以三轴转台、流速剖面仪采集实航数据,软件嵌入定常海流模型,支撑海流动力学校验;严浙平等[9]提出的避障平台采用双目相机与六自由度台架,通过金字塔NCC算法实现毫米级测距;黄哲敏等[10]接入舵机实物与转台,量化X舵回转性能优势;Gao等[11]建立的X舵容错平台以舵机故障模拟器为核心,软件结合滑模控制,验证故障补偿逻辑。唐建强等[12]提出的半实物仿真系统硬件包含三轴转台、罗经、舵机负载模拟器、程控压力装置等实物,软件采用KD-SIM强实时仿真平台与HLA高层体系结构,实现UUV任务全流程仿真;陈衡等[13]采用硬件包括嵌入式控制机、视觉处理机等,软件采用VxWorks实时操作系统与基于规则的避障算法,实现区域搜索与目标识别仿真。Dong[14]构建包含三轴转台、控制器实物、海洋环境模拟器的半实物平台,通过转台模拟UUV姿态,引入实航中的海流参数,软件方面基于积分反步方法设计控制器,验证轨迹跟踪的稳定性。
综上所述,现有半实物仿真平台有效支撑了UUV控制算法验证和系统集成测试等方面研究,但在跨平台兼容性、多场景适配灵活性、多学科耦合仿真等方面,可以根据研究需要进一步调整。本文目标是搭建面向UUV集成设计的半实物仿真平台:基于Modelica统一规范建立多学科耦合模型库,通过M-Works平台实现模型集成,具备多学科耦合仿真能力;将模型转化为实时仿真模型并装载于Links-RT实时仿真机,保障高时效性;通过上位机-实物控制器-三轴转台的闭环链路,实现控制指令下发、运动特性解算与实时可视化反馈,可适配不同UUV型号与复杂场景。该平台为UUV集成设计与关键技术研究提供灵活高效的研究基础。
1 UUV系统多学科建模 1.1 UUV水动力模型UUV坐标系的建立分为固定坐标系和运动坐标系2种,建立UUV坐标系如图1所示。
|
图 1 UUV坐标系 Fig. 1 UUV coordinate system |
UUV的运动在静水环境可以在运动坐标系下用速度u、v、w、和角速度p、q、r描述,
| $ \begin{split}X=&m[\dot{u}-vr+wq-{x}_{G}\left({q}^{2}+{r}^{2}\right)+\\& {y}_{G}\left(pq-\dot{r}\right)+{z}_{G}(pr+\dot{q})],\end{split} $ | (1) |
| $ \begin{split}Y=&m[\dot{v}-wq+ur-{y}_{G}\left({r}^{2}+{q}^{2}\right)+\\& {z}_{G}\left(qr-\dot{p}\right)+{x}_{G}(pq+\dot{r}),\end{split}$ | (2) |
| $ \begin{split}Z=&m[\dot{w}-uq+vp-{z}_{G}\left({p}^{2}+{q}^{2}\right)+\\& {x}_{G}\left(pr-\dot{q}\right)+{y}_{G}(qr+\dot{p}) ,\end{split}$ | (3) |
| $ \begin{split}K=&{I}_{xx}\dot{p}+\left({I}_{zz}-{I}_{yy}\right)qr)+\\& {m[y}_{G}\left(\dot{w}-uq+vp\right)-{z}_{G}(\dot{v}-wp+ur)] ,\end{split}$ | (4) |
| $ \begin{split}M=&{I}_{yy}\dot{q}+\left({I}_{xx}-{I}_{zz}\right)pr+\\& m[{z}_{G}\left(\dot{u}-vr+wq\right)-{x}_{G}(\dot{w}-uq+vp)],\end{split} $ | (5) |
| $ \begin{split}N=&{I}_{zz}\dot{r}+\left({I}_{yy}-{I}_{xx}\right)pq+\\& m\left[{x}_{G}\left(\dot{v}-wp+ur\right)-{y}_{G}\left(\dot{u}-vr+wq\right)\right] 。\end{split}$ | (6) |
式中:m为航行器质量,kg;
海洋环境对UUV的运动产生较大影响,这种影响统称为海洋扰动。其中,洋流扰动是影响UUV定深、定向航行精度和能耗的关键因素之一。洋流是海水大规模、相对稳定的定向流动,尺度从全球环流(如北大西洋暖流)到局部流(潮汐流、风生流、涡旋等)。洋流对UUV的核心扰动机制是:海水相对于UUV的运动在UUV表面产生了额外的流体动力,这种由洋流引起的扰动效应,在数学模型上可以归结为附加的力和力矩。
洋流扰动模型基本有2种,第一种是在作用力的层面研究,通过经验公式等物理模型计算海流的作用力和力矩,并加在UUV的所受合力中。以下是一种海流对UUV的力和力矩的计算方程:
| $ \left\{\begin{aligned} &{X}_{c}=\frac{1}{2}\rho V_{c}^{2}{C}_{X}\left({\mu }_{c}\right){A}_{TC},\\& {Y}_{c}=\frac{1}{2}\rho V_{c}^{2}{C}_{Y}\left({\mu }_{c}\right){A}_{LC},\\ &{N}_{c}=\frac{1}{2}\rho V_{c}^{2}{C}_{N}\left({\mu }_{c}\right){A}_{TC}L。\end{aligned}\right. $ | (7) |
式中:
第2种表现在速度层面,通过合成UUV速度矢量和海流速度矢量,得到海流扰动的数学模型。根据相对运动原理使用UUV对于海流的相对速度替代绝对速度,便可以得到UUV在海流环境中运动的扰动。假设惯性坐标系下海流速度为常值向量,考虑海流速度后参考速度变为:
| $ \left\{\begin{aligned} &{u}^{*}=u-{u}_{c}\cos\psi +{v}_{c}\sin\psi,\\& {v}^{*}=v-{u}_{c}\sin\psi -{v}_{c}\cos\psi,\\ &{w}^{*}=w-{w}_{c}。\\ \end{aligned}\right. $ | (8) |
式中:
UUV能源动力系统包含动力电池、电机、螺旋桨等部分。
1)动力电池模型
动力电池由单体蓄电池组、充放电模块等组成,用于向主推电机、侧推电机等设备供电;蓄电池由受控电压源、电阻和一组RC网络3部分构成:受控电压源表征电池的开路电压,通常用查表的方式表示为蓄电池SOC的函数;电阻体现了电池在充放电过程中的能量损失;RC网络体现蓄电池内部由于电化学反应引起的过电位变化,即电池的动态特性。
荷电状态(SOC)采用电流积分法计算:
| $ \text{SOC}=\frac{\displaystyle\int _{0}^{t}i{\mathrm{d}}t}{{Q}_{M}}。$ | (9) |
式中:
充放电循环次数Cycle根据电流积分来计算,计算式为:
| ${Cycle}=\left[{Cycle}_{ini}+\frac{\displaystyle\int_{0}^{t}\left| i\right| {\mathrm{d}}t}{2{Q}_{M}}\right]。$ | (10) |
式中:[ ]为向下取整。
2)电机模型
电机模型基于物理等效电路,由气隙模型、电学、机械部件及控制模块组成,运动控制系统的基本方程为:
| $ \left\{\begin{aligned} &\frac{{\mathrm{d}}\left(J{w}_{m}\right)}{{\mathrm{d}}t}={T}_{e}-{T}_{L}-D{\omega }_{m}-K{\theta }_{m},\\& \frac{{\mathrm{d}}{\theta }_{m}}{{\mathrm{d}}t}={\omega }_{m}。\end{aligned}\right. $ | (11) |
式中:
在额定励磁下感应电动势和电磁转矩为:
| $ E={C}_{e}n {T}_{e}={C}_{m}{I}_{d} 。$ | (12) |
式中:E为感应电动势;
| $ {C}_{m}=\frac{30}{\text{π} }{C}_{e} 。$ | (13) |
3)螺旋桨模型
螺旋桨模型考虑螺旋桨转速以及船舶运动速度和螺旋桨受水的作用,船体航行时,受到伴流
| $ {V}_{a}={V}_{s}(1-w) 。$ | (14) |
这一关系直接影响进速系数
| $ {J}=\frac{{V}_{a}}{nD}=\frac{{V}_{s}(1-w)}{nD} 。$ | (15) |
设
| $ {T}=\rho \cdot {D}^{4}\cdot {K}_{T}\cdot {n}^{2}。$ | (16) |
| $ {Q}=\rho \cdot {D}^{5}\cdot {K}_{Q}\cdot {n}^{2}。$ | (17) |
4)X舵舵效模型
改变X舵UUV舵角便可以改变作用于UUV上的力和力矩。本文以
| $ {{T}\left( {\delta }_{i}\right) =[{X}_{r}\text{,} {Y}_{r}\text{,}{Z}_{r}\text{,}{M}_{r}\text{,}{N}_{r}]\text{,}{A}_{r}=\displaystyle\sum \limits_{i=1}^{4}{A}_{{{uu\delta }_{i}}}{u}^{2}{\delta }_{i}。}$ | (18) |
式中:
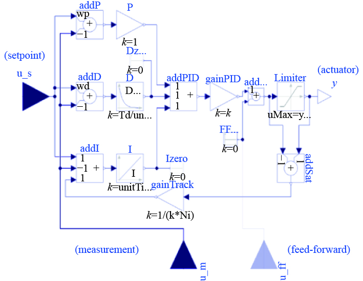
UUV采用PID闭环控制架构实现运动协同,航向控制通过PID模块处理目标航向与实际航向的偏差,输出舵角指令生成横向舵力,驱动偏航力矩调节航向,基于Modelica标准PID模块搭建航向控制模型;速度控制建立螺旋桨转速和船舶航行速度的关系,结合设定速度和实际速度的反馈,通过LimPID控制器,输出螺旋桨转速,输入到螺旋桨模型中,实现对航行器速度的控制目的;深度控制首先将预定深度与实际深度的差值转换为期望纵倾角,再经PID控制器对比实际纵倾角后输出舵角指令驱动俯仰力矩,同步调节深度与纵倾姿态。PID控制器作为基础控制架构,通过构造误差信号
| $ {u}\left({t}\right)={k}_{p}\left[\varepsilon \left(t\right)+\frac{1}{{T}_{i}}\int_{0}^{t}\varepsilon \left(\tau \right){\mathrm{d}}\tau +{T}_{d}\frac{{\mathrm{d}}\varepsilon (t)}{{\mathrm{d}}t}\right],$ | (19) |
对应的传递函数为:
| $ {{G}}_{{c}}\left({s}\right)={k}_{p}\left(1+\frac{1}{{T}_{i}s}+{T}_{ds}\right)。$ | (20) |
搭建UUV控制模型如图2所示。
|
图 2 UUV控制模型 Fig. 2 UUV control model |
依托机械、能源、控制等多领域模型库,设计UUV系统架构如图3和图4,通过结构化模型调用接口动态实例化模型库中的设备模块,将电气系统(含动力电池、电机)、推进系统等子系统按架构约束进行动态组装,实现跨领域物理量的耦合仿真。
|
图 3 电气系统集成模型 Fig. 3 Electrical system integration model |
|
图 4 推进系统集成模型 Fig. 4 Propulsion system integration model |
实时仿真平台以Links-RT实时仿真机为核心,实现“虚拟模型-实物控制器”的闭环交互,平台由以下模块组成:
1)上位机软件。发送控制指令(航向、深度、速度),监控系统状态、设置参数、启停仿真;
2)实物控制器。执行控制算法,解算舵角、转速指令以及进行故障诊断与容错控制;
3)实时仿真机。运行UUV动力学模型,模拟流体、推进器特性以及输出姿态、位置、速度等数据;
4)三轴转台。物理复现UUV姿态,其中搭载IMU传感器,实时测量转台姿态角、角速度并输出数据至控制器;
5)三维可视化软件。实时渲染UUV运动轨迹,进行可视化姿态以及轨迹精度验证。
半实物仿真系统体系框架如图5所示。
|
图 5 半实物仿真系统框架 Fig. 5 Semi-physical simulation system framework |
其中控制器为UUV的实际控制单元,执行从上位机发送的控制指令,接收来自实时仿真机反馈给三轴转台艇模型的速度、位置、姿态等信息,增加实际姿态的反馈以提高研究平台的真实度,并根据算法逻辑解算出舵角和转速,然后发送指令到实时仿真机;同时,根据艇模型反馈过来的状态数据进行故障诊断和容错控制。最后,通过三维可视软件可有效验证UUV的轨迹图,并实现运动过程的可视化。
2.2 机动性能解算通过半物理仿真平台研究X舵UUV变向和变深机动性能,分析其在复杂水下环境中的运动性能。为方便研究,将X舵角转换至十字舵角,公式为:
| $ {\delta }_{\mathrm{r}}=\frac{1}{4}\left({\delta }_{1}+{\delta }_{2}+{\delta }_{3}+{\delta }_{4}\right) {\delta }_{s}=\frac{1}{4}\left({\delta }_{1}-{\delta }_{2}+{\delta }_{3}-{\delta }_{4}\right)。$ | (21) |
分别模拟方向舵角(
|
|
表 1 UUV变向机动性能参数 Tab.1 UUV maneuverability performance parameters |
|
图 6 UUV变向机动 Fig. 6 UUV directional maneuver |
实验结果表明,采用
此外,对X舵构型UUV的变深机动性能进行了计算分析,在定深直航机动(速度6 kn)仿真第200 s时,模拟方向舵角(
|
图 7 UUV变深机动 Fig. 7 UUV deepening maneuver |
三轴转台和三维场景可视化软件复现了UUV物理姿态变化和轨迹跟踪过程,UUV的变深机动可视化效果如图8所示。
|
图 8 可视化界面 Fig. 8 Visualization interface |
本文搭建了一套UUV集成设计与关键技术研究的半实物仿真平台:基于Modelica统一规范的多学科耦合模型库,实现UUV机械、能源与控制系统的统一建模与集成;将集成模型转化为实时仿真模型,并部署于Links-RT实时仿真机中,通过上位机发送控制指令至实物控制器,驱动实时模型解算,形成“实物控制器-实时仿真模型”的闭环交互。同时仿真结果通过实物三轴转台与三维可视化软件进行实时、直观的呈现。该半实物仿真平台利用了模型仿真的灵活性,又接入实物控制器用于支撑UUV的多学科协同设计,为后续研究提供了可靠的平台。
| [1] |
LIU F, MA Z, MU B, et al. Review on fault-tolerant control of unmanned underwater vehicles[J]. Ocean Engineering, 2023, 285(2): 115471. |
| [2] |
YUAN J, SHE Y, ZHANG Y, XU J, et al. Research on L1 adaptive control of autonomous underwater vehicles with X-rudder [J]. Journal of Marine Science and Engineering. 2023, 11(10): 1946.
|
| [3] |
陈云赛, 徐庆丰, 姜清华, 等. 多轴矢量复合推进无人水下航行器动力学建模及运动仿真研究[J]. 中国造船, 2024, 65(5): 87-99. CHEN Y S, XU Q F, JIANG Q H, et al. Research on dynamic modeling and motion simulation of multi-axis vector composite propulsion unmanned underwater vehicle[J]. China Shipbuilding, 2024, 65(5): 87-99. DOI:10.3969/j.issn.1000-4882.2024.05.008 |
| [4] |
李晓晖, 严卫生, 范欣. 基于RTX的水下航行器实时仿真研究[J]. 计算机测量与控制, 2010, 18(4): 850-853. LI X H, YAN W S, FAN X. Real-time simulation research of underwater vehicles based on RTX[J]. Computer Measurement and Control, 2010, 18(4): 850-853. |
| [5] |
谢攀, 康凤举, 王圣洁. 一种新型UUV半实物仿真系统设计与实现[J]. 系统仿真学报, 2010, 22(11): 2613-2617. XIE P, KANG F J, WANG S J. Design and implementation of a new type of UUV semi-physical simulation system[J]. Journal of System Simulation, 2010, 22(11): 2613-2617. |
| [6] |
CHEN M, ZHU D. Application and exploration of an open-source underwater vehicle simulation platform in ROS practical teaching[C]//2025 11th International Conference on Education and Training Technologies (ICETT). IEEE, 2025: 148−152.
|
| [7] |
HONGJUAN L, FANGHAO H, ZHENG C. Virtual-reality-based online simulator design with a virtual simulation system for the docking of unmanned underwater vehicle[J]. Ocean Engineering, 2022, 266.
|
| [8] |
吴小涛, 赵冉, 乔冰. 基于实航数据的定常海流动力学模型验证评估[J]. 数字海洋与水下攻防, 2021, 4(4): 294-300. WU X T, ZHAO R, QIAO B. Validation and evaluation of steady ocean current dynamic models based on real navigation data[J]. Digital Ocean and Underwater Offense and Defense, 2021, 4(4): 294-300. DOI:10.19838/j.issn.2096-5753.2021.04.006 |
| [9] |
严浙平, 姜玲, 王晓娟, 等. 基于双目视觉的UUV避障半实物仿真系统[J]. 鱼雷技术, 2012, 20(2): 143-148. YAN Z P, JIANG L, WANG X J, et al. A semi-physical simulation system for UUV obstacle avoidance based on binocular vision[J]. Torpedo Technology, 2012, 20(2): 143-148. |
| [10] |
黄哲敏, 程舟济, 夏英凯, 等. X舵自主式水下航行器抗横滚控制研究与操纵性试验[J]. 中国舰船研究, 2021, 16(1): 19-30. HUANG Z M, CHENG Z J, XIA Y K, et al. Research and maneuverability test of anti-roll control of X-rudder autonomous underwater vehicle[J]. China Ship Research, 2021, 16(1): 19-30. DOI:10.19693/j.issn.1673-3185.02395 |
| [11] |
GAO J, XU G, DONG B, et al. Research on fault-tolerant control of Rudder for unmanned underwater vehicle driven by x rudder[C]//ISOPE International Ocean and Polar Engineering Conference. ISOPE, 2021: ISOPE-I-21-1142.
|
| [12] |
唐建强. 水下无人航行器半实物仿真系统设计与实现[D]. 西安: 西安电子科技大学, 2014.
|
| [13] |
陈衡, 刘兵. 自主式无人潜航器半实物仿真系统应用研究[J]. 贵州师范学院学报, 2013, 29(6): 33-36. CHEN H, LIU B. Research on the application of semi-physical simulation system for autonomous underwater vehicles[J]. Journal of Guizhou Normal University, 2013, 29(6): 33-36. DOI:10.3969/j.issn.1674-7798.2013.06.010 |
| [14] |
DONG Z, WAN L, LIU T, et al. Horizontal-plane trajectory-tracking control of an underactuated unmanned marine vehicle in the presence of ocean currents[J]. International Journal of Advanced Robotic Systems, 2016, 13(3): 83−96.
|
2026, Vol. 48
