2. 中国船舶集团有限公司第七一四研究所,北京 110101
2. The 714 Research Institute of CSSC, Beijing 100101, China
舰船红外隐身设计旨在降低水面舰船红外辐射强度,通过降低热源的温度或屏蔽热源来降低其与周围环境的热对比度,综合运用动力装置排气红外抑制装置、舷侧或艉部排气、全舰红外水幕系统或复合材料等多种技术,改变或降低舰船红外辐射特征,使敌方难以探测。随着机载探测系统和精确制导武器的技术水平不断提升,现代舰船面临的红外探测威胁日趋严重。在此背景下,开展舰船红外隐身技术研究对提升海上作战平台的战场生存能力具有重要价值。当前,欧美各国针对水面舰船红外辐射特征的概念内涵和辐射特性进行了较深入的理论研究,并结合各自海军特点开展了较长时期的红外抑制尝试和技术迭代。由于各国海军舰船目标特性相关的标准规范保密性较高,导致可借鉴的公开资料存在不足。本文通过分析欧美主流水面舰船红外隐身设计技术手段,典型系统作用机理以及相关可用的红外标准规范和评估手段,总结国外舰船红外隐身技术及应用情况,为水面舰船红外隐身设计提供参考和设计思路。
1 舰船主要红外辐射源舰船的红外辐射特征通常可分为自身产生的内源辐射和来自外部环境的外源辐射两部分。内源辐射主要来自舰船内部的热源,包括动力系统(如发动机和其他机械装置)运行时产生的热量,以及通风排气系统散发的热能。外源辐射则指舰船与外界环境相互作用产生的红外信号,主要体现在舰体表面吸收和反射的外部辐射能量,其中太阳辐射是最主要的外源,其次是来自海洋表面和天空的背景辐射。为提升舰船的隐蔽性,各国普遍采用红外隐身技术,通过降低舰体自身的红外辐射特征,并运用红外干扰手段,有效削弱敌方红外制导导弹的探测、追踪和打击效能[1 − 2]。
水面舰艇实现红外隐身主要依靠两大技术途径:一是抑制舰船热源的辐射能量,二是调控舰体表面的红外发射特性;主要针对3~5 μm波段的点源(内源红外辐射)和8~14 μm波段的面源(外源红外辐射)。表1为美国某型舰船的红外辐射特征数据。
|
|
表 1 美国某型舰船的红外辐射特征数据 Tab.1 Infrared radiation characteristic data of acertain type of U.S. warship |
舰船红外隐身技术是指通过多种设计和工程手段,抑制舰船红外辐射特征,主要分为:一是舰船红外辐射强度抑制技术,即降低舰船与背景环境的热对比度;二是舰船红外隐身材料技术,即改变舰船表面的红外发射率。
2.1.1 舰船红外辐射强度抑制技术该技术旨在通过降低热源的温度或屏蔽热源来降低其与周围环境的热对比度,具体可分为用于降低高温热源3~5 μm波段红外辐射特征的红外信号抑制技术、水线排气技术,以及用于降低低温热源8~14 μm波段红外辐射特征的水雾遮蔽技术、舰体表面主动冷却技术。
1)红外信号抑制技术。主要通过安装于舰船排气终端的红外抑制装置(IRSS)降低舰船红外辐射特征。该类系统通常采用多层重叠管套设计,通过强制送风或排气系统产生的负压从管套间隙吸入低温空气,并结合对流冷却和气膜冷却原理,降低排气系统管壁和废气羽流温度。该技术是舰船采用最广泛的红外隐身技术。
2)水线排气技术。通过将舰船动力装置的排气口设置在水线附近位置,利用舰船内部海水喷淋冷却和外部海水波浪掩盖的方式,降低舰船废气羽流温度,实现红外隐身效果。
3)舰体表面冷却技术。基于液膜换热原理,依托舰船信号管理系统实现自动化管理。该系统通过海水喷淋装置在舰体高温区域形成动态水膜进行高效降温,并持续检测舰体表面与环境温度的差异,确保温差稳定在预设阈值内。
4)水雾遮蔽技术。基于水雾对红外辐射的吸收和散射原理,通过在舰体四周布设大量可自动控制的喷水装置,以在紧急情况下快速形成全覆盖的水雾屏障。这种系统不仅能在极短时间内实现舰体的光学遮蔽,还可通过水雾在高温舰体表面的蒸发冷却效应,显著降低舰船的热辐射特征,从而大幅提升舰船红外隐身性能。
2.1.2 舰船红外隐身材料技术该类技术主要通过在舰船表面涂覆或粘贴特殊功能材料,调整舰体表面的红外辐射特性,从而改变红外发射率,有效减少舰船的红外辐射信号。典型材料包括涂料型和隔热型。
1)涂料型材料技术。通过应用具有低红外发射率、低太阳能吸收率及隔热性能的功能性涂层,涂敷舰船(如上层建筑)表面,可有效抑制舰体表面温升并减少红外辐射。该涂层体系主要由功能性颜料和粘结剂组成。其中,颜料组分主要采用金属颜料(如铝粉材料,具备低红外发射率、高漫反射率、低比重等特性)、着色颜料(可改善涂料的可见光隐身特性)、半导体掺杂颜料(可同时提高红外和雷达隐身特性);粘结剂(如硅氧烷基、聚氯乙烯等)具备红外透明特性[3 − 5]。
2)隔热型材料技术。通过采用较大热容量和较低热导率的隔热材料层敷贴在舰船热源部位(如机舱、烟囱),阻隔热量外传。隔热材料组分通常包括泡沫塑料、粉末、镀金属塑料膜等。其中,泡沫塑料能够吸收并暂存舰船热源产生的热能;镀金属塑料膜则具备良好的红外辐射反射性能。当前部分国家舰船也会选用碳纤维、玻璃纤维等隔热型材料。同时,隔热型材料表面可通过涂敷不同涂料进一步提高其他红外波段的隐身效果。此外,由于隔热型材料不断吸热,因此需在其与热源之间利用冷却系统和受迫空气对流系统进行主动冷却和散热。
2.2 舰船红外隐身技术典型应用舰船红外隐身技术的运用和发展,催生了多种典型系统,包括红外抑制装置、发动机舷侧和艉部排气系统、全舰红外水幕系统及舰船信号管理系统。其中,舰船信号管理系统旨在对红外隐身技术运用提供智能化管理。
2.2.1 3~5 μm波段红外隐身设计技术 2.2.1.1 烟囱区域排气红外抑制技术现阶段国外主要使用4种红外(被动)抑制装置,分别为英国“格栅”(Cheesegrater)红外抑制装置(IRSS)、美国边界层(Eductor/BLISS)红外抑制装置、加拿大引射/扩压(Eductor/Diffuser)红外抑制装置和DRES“球障”(DRES Ball)红外抑制装置[6]。
1)英国“格栅”红外抑制装置
英国“格栅”红外抑制装置旨在冷却上升烟道金属表面的温度,而非烟羽温度,因此,不需向动力装置排气中掺混冷却空气,但其运行过程中需要使用风机,假如风机关闭,热气可能会再次汇入烟囱内。
2)美国边界层红外抑制装置
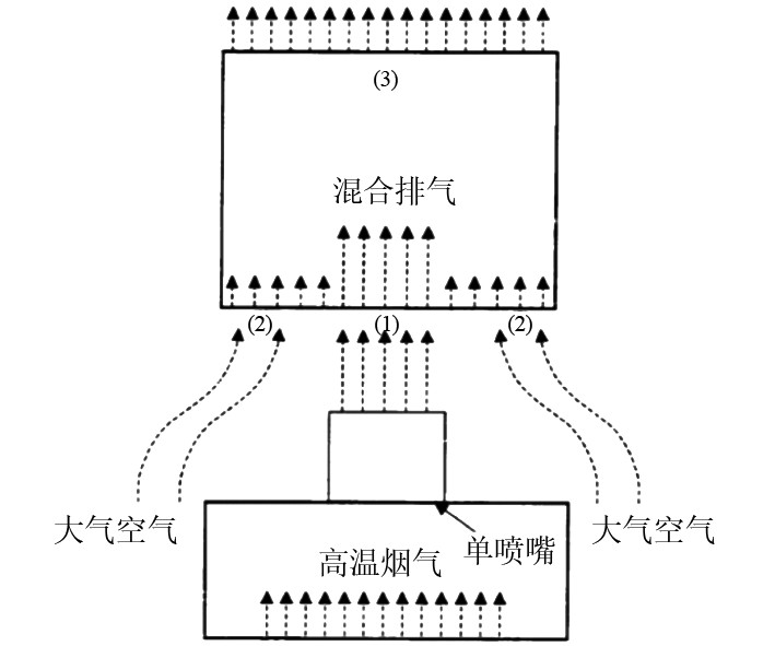
美国1975年服役的“斯普鲁恩斯”级驱逐舰采用了燃气轮机排气边界层红外抑制罩(BLISS-CAP)技术。该装置为单喷嘴引射器,其示意图如图1所示。引射器将燃气轮机的高温排气(一次流)与低温大气空气(二次流)混合,降低排气温度。
|
图 1 边界层红外抑制罩示意图 Fig. 1 Schematic diagram of the infrared suppression cover for the boundary layer |
其后,美国又对边界层红外抑制罩装置进行了改进,将引射器中的单喷嘴结构改为多喷嘴结构,如图2所示。改进后的抑制装置称为边界层红外抑制罩,并已在“提康德罗加”级巡洋舰和“阿利·伯克”级驱逐舰上采用,这种装置可使燃气轮机的排气温度降至230℃,但其混合管的长为6.1 m,约为混合管直径的2倍,混合管上部重量较大。
|
图 2 “阿利·伯克”级驱逐舰排气红外抑制装置 Fig. 2 Exhaust infrared suppression device of Arleigh Burke class destroyer |
3)加拿大引射/扩压红外抑制装置和DRES“球障”红外抑制装置
加拿大戴维斯公司(DAVIS)研发的引射/扩压红外抑制装置(见图3)和DRES“球障”红外抑制装置(见图4),接入舰船主机的排气系统后(见图5),两者的排气温度均可降到约250℃。
|
图 3 引射/扩压红外抑制装置 Fig. 3 Eductor/diffuser infrared suppression device |
|
图 4 DRES“球障”排气红外抑制装置 Fig. 4 DRES ball exhaust infrared suppression device |
|
图 5 DRES“球障”和引射/扩压红外抑制装置在烟囱内部的安装示意图 Fig. 5 Installation diagram of the DRES ball and eductor/diffuser infrared suppression devices inside a chimney |
4)加拿大水雾型排气引射/扩压红外抑制装置
在此基础上,戴维斯公司又研发了水雾型排气引射/扩压红外抑制装置,该装置在引射/扩压装置的基础上增加了海水喷雾系统(见图6),能够使排气温度降到100~150℃(见图7),基本消除了烟囱区域的亮点,但海水喷雾降温亦存在不足之处,高温烟气和海水凝结生成的水蒸汽会增强烟羽的视觉特征,同时高温烟气与海水混合物会腐蚀排气管路,故排气烟道及附件需采用特殊材料(如金属钛)并附适当防腐措施。
|
图 6 喷管段和水雾型排气引射/扩压红外抑制装置典型烟羽温度 Fig. 6 Typical plume temperature of the nozzle section and typical water mist-type eductor/diffuser infrared suppression device |
|
图 7 水雾型排气引射/扩压红外抑制装置测试的中波红外图像变化 Fig. 7 Changes in mid-wave infrared images of the water mist-type eductor/diffuser system test |
喷射雾化海水+排气红外抑制装置技术是现阶段烟囱部位红外隐身的最先进技术,目前被世界上绝大多数主战舰船用于燃气轮机排气红外抑制。
2.2.1.2 发动机舷侧和艉部排气系统发动机舷侧和艉部排气系统将排气口布置在水线附近位置,这种布局能利用舰体和波浪的天然遮挡效应,削弱排气系统的红外辐射特征,提升舰艇的红外隐身性能。考虑到排气温度一般为300~500℃,可在排气管路增加海水喷淋功能,通过向排气管中注入具有一定压力的海水,利用海水蒸发吸热以及与高温废气的混合换热作用,能够有效降温废气,使其接近船体表面温度,从而降低排气红外辐射强度,另烟囱区域的取消,可有效提高舰面空间利用率,方便武器、雷达系统的综合布置,广泛应用于游艇、商船、海洋工程、大小型水面战斗舰等。
典型海水喷淋舷侧排气系统通常由初级消音器、喷水管段、次级消音器、舷侧挡板阀及排气管路等部件构成(见图8)。根据平台空间布局的实际需求,消音器可采用整体式结构设计。该系统设计的核心问题在于必须有效防止舷外海水倒灌进入发动机内,对于靠近舷侧的发动机,可采用倒U型排气管路布置方案。同时,需重点开展以下技术工作:排气背压校核计算,特别要考虑短时上浪工况对排气背压的瞬态影响;确保系统背压参数满足发动机运行要求,必要时可在保证舰船总体性能的前提下对发动机功率进行适当调整;对可能接触海水的管路及部件应采取专门的防腐措施,防止海水腐蚀影响系统可靠性[7 − 8]。
|
图 8 海水喷淋舷侧排气系统示意图 Fig. 8 Schematic diagram of the sea water spraying side emission exhaust system |
典型海水喷淋艉部排气系统通常由主排气管、挡板阀、喷淋管段、启动闸阀、应急排气管、应急排气阀等部件构成(见图9)。其系统设计可借鉴舷侧排气系统的相关设计要点,同时需特别注意以下关键要求:主排气管安装位置需确保在舰船遭遇最大纵摇角度时,其最高点下缘仍能保持在水线以上;若舰船艉部排气管因纵摇导致进水,排气系统背压上升至预设阈值时,控制系统将立即触发应急排气阀开启,通过应急排气管实现快速泄压,从而确保整个系统的运行安全。
|
图 9 海水喷淋艉部排气系统示意图 Fig. 9 Schematic diagram of the sea water spraying stern exhaust system |
1)全舰红外水幕系统
针对8~14 μm波段红外隐身设计,最早是结合舰船“三防”水幕系统进行舰船表面降温,取得了一定的红外隐身效果。后来发展成为了独立的全舰红外水幕系统,进一步扩大了舰船表面降温的区域,红外隐身效果也进一步提高。全舰红外水幕系统,即通过喷淋技术在舰体高温区域形成流动的海水薄膜(见图10),利用液膜高效换热特性,智能调节冷却水膜流量,确保舰体表面与周围环境温差始终维持在预设阈值内[9]。
|
图 10 全舰红外水幕系统及其扇形喷嘴 Fig. 10 The active hull cooling system and its fan-shaped nozzle |
该型系统可由操作员手动激活或预先设置为威胁状态下自动开启的模式。运行中,海水喷淋并非持续进行,而是间断工作,可有效降低舰体表面温度并舒缓海水的腐蚀作用。
2)水雾遮蔽技术
水雾遮蔽技术是在舰船(如美国“尼米兹”级航母、“阿利•伯克”级驱逐舰、“美国”级两栖攻击舰等)周围布设大量可自动控制的喷水装置,以在战时快速形成全覆盖水雾屏障(见图11)。这种技术通过2种机制实现红外隐身:一方面,水雾颗粒对舰体红外辐射产生强烈吸收和散射效应,显著削弱敌方红外探测设备接收到的信号强度;另一方面,水雾在舰体高温部位蒸发吸热,可有效降低表面温度,进一步减少红外信号[10 − 11]。
|
图 11 红外水幕 Fig. 11 Infrared water screen |
水雾遮蔽技术的核心在于调控水雾粒子的尺寸分布、浓度梯度、覆盖范围及持续时间等关键参数。该技术可直接利用海水作为原料,具有资源丰富、成本低廉、操作便捷等优势,是一种经济高效的红外抑制手段。但该技术存在固有缺陷,对其在舰船上的应用受到了一定限制:首先,水雾会增强舰船在可见光波段的辐射特征,反而提高了被探测概率;其次,水雾覆盖会影响舰载光学设备和电子系统的正常运行;此外,为维持理想的红外抑制效果,舰船需在无风条件下保持低速航行,因为中等风力就会显著削弱水雾的遮蔽效能。因此,水雾遮蔽技术并非舰船红外辐射控制的最优解决方案[12]。
3)舰船信号管理系统
该系统(见图12)可通过系统传感器网络评估气象数据(如空气温度、湿度、风速、阳光等)、主机状况、舰船表面温度,以及舰船方位和航速信息等,利用主控台调节全舰红外水幕系统(即海水喷淋系统)和水雾型排气引射/扩压红外抑制装置的工作状态,实现最优红外抑制效果。
|
图 12 舰船信号管理系统 Fig. 12 The onboard signature manager system |
舰船红外隐身技术的应用,需基于通用的标准规范进行约束和指导,并利用可靠的评估工具实现验证和优化。这些将贯穿于舰船的设计、建造、验证、交付、使用及维护等全寿期,可确保相关技术的可靠性和有效性,并进一步促进技术进步和系统迭代。然而,由于各国海军舰船目标特性相关的标准规范保密性较高,导致可借鉴的公开资料存在不足。尽管如此,现有公开成果仍能为该领域的研究提供一定参考和借鉴。
3.1 总体设计指导当前,涉及舰船红外隐身技术总体设计的相关要求主要源自各国船级社的相关标准规范(如土耳其船级社《海军舰船入级规范》、英国劳氏船级社《海军舰船入级规范和条例》、意大利船级社《海军舰船入级规范》、美国船级社《海军舰船建造与入级规范》等),内容要求较为笼统,但给予了一些原则性指导。其中,针对3~5 μm波段的红外辐射。需将舰船动力装置排气终端设计为主动水冷型,或水线排气型,亦或可切换型(即在敌对行动中,可切换至背敌一侧进行废气排放),并将其红外辐射强度降低至红外诱饵武器的0.6倍以下。针对8~14 μm波段的红外辐射。需采取适当措施,降低舰船表面不同区域的温度,并/或使其温度分布更均衡[13 − 14]。
此外,鉴于舰船需要同时考虑降低多种信号特征,因此海军需基于作战设想,明确各种信号的相对优先级及预期补偿范围,选用最适宜的红外隐身技术。
3.2 系统指标约束当前,在舰船典型红外隐身系统设计方面的相关规范领域,仍存在较大空白,亟需进行填补和改进。但《舰船燃气轮机排气红外抑制装置规范》针对相关装置的技术指标进行了约束。其中,在材料选用方面。材料需具有耐高温性、耐腐蚀性,以及足够的刚度和强度,通常选用耐腐蚀性较强的不锈钢,其他可参考GB/T 4237−2007规定。在结构设计方面。装置喷管段需采用倾扭四斜喷管设计;抑制器进口面积与引射器喷管出口面积之比为2.5,与引射器喷管间距为混合管进口直径的0.5倍。在工作温度方面。一般为500~600 ℃。在抑制效率方面。在燃气轮机1.0工况下,装置红外辐射抑制效率不低于80%(从水平方向或45°方向进行测试),阻力增值不大于
当前,国内外科研机构均在尝试开发舰船红外隐身特征的预测评估模型和软件工具,但评估对象多为红外抑制装置。相较而言,加拿大戴维斯公司开发的SHIPIR/NTCS综合性软件工具技术成熟度最高、适用性也更强。该工具可用于预测舰船的红外辐射特征和红外敏感性;最初为加拿大国防部开发,自1992年初版发布后不断改进,现已被美海军研究实验室(NRL)用于舰船电子战和特征研究,并被北约海上红外目标和背景特征、测量和描述任务组(TG.06)作为北约标准舰船特征模型;同时还被用于美国DDG(X)型驱逐舰、韩国“世宗大王”级驱逐舰、西班牙“阿尔瓦罗•巴赞”级护卫舰、挪威“南森”级护卫舰、澳大利亚“霍巴特”级驱逐舰等多型舰船的设计工作。
该工具包含SHIPIR和NTCS(海军威胁对抗模拟器)2套组件,均由多个子模型组成。其中,SHIPIR组件舰船几何外型子模型、热传递子模型和复杂表面反射子模型用于预测舰船表面红外辐射特征;羽流发射子模型、光谱气体子模型用于预测舰船废气羽流的红外辐射特征;观察者子模型、场景子模型用于生成红外场景(基于观察高度、方位和选定的红外波段等)等。NTCS组件成像导引头子模型和比例导航子模型可基于SHIPIR组件生成的红外场景,构建反舰导弹与舰船之间的交战场景,以供进一步分析。2套组件均属完全确定性物理模型,需输入真实物理数据。如输入气象、地理和日期/时间数据构建海上背景模型;输入红外波段和光谱响应特性定义传感器探测范围;输入舰船三维几何外形、光学表面特性、方位、航速和动力装置运行情况,确定舰船关键特征;输入导引头性能(波段、视场、阵列大小等)和检测标准(噪声/杂波阈值、信噪比、像素数、帧数等)等信息进行红外敏感度和导弹威胁分析[17 − 21]。
4 舰船红外隐身技术及系统应用情况红外抑制装置广泛应用在采用传统烟囱构型设计的大型舰船上,而水线排气技术则通常用于新型中小型舰船。此外,部分舰船会在上层建筑、舰载武器等表面涂敷或敷贴各种红外隐身材料。国外典型红外隐身技术和系统在舰船上的应用情况见表2。
|
|
表 2 舰船红外隐身技术及系统应用情况 Tab.2 Application of naval infrared stealth technology and system |
随着技术发展,舰船红外隐身能力将大幅提升,舰船生存能力将达到较高水平。未来,舰船红外隐身除采用传统红外抑制、材料应用外,还将大量应用智能化红外信号管理系统,探索全波段红外隐身材料技术,并兼顾可见光、激光和雷达等隐身能力。此外,随着大量红外隐身技术的上舰运用,更凸显技术评估手段的重要性,以实现装备全寿期管理优化,推动相关技术进步和系统迭代。
| [1] |
陶智. 舰艇红外隐身技术的几点思考[J]. 舰船电子工程, 2010, 30(6): 9-11,20. TAO Z. Several viewpoints about the infrared concealment technology of naval ship[J]. Ship Electronic Engineering, 2010, 30(6): 9-11,20. |
| [2] |
叶宗民, 刘文鹏. 舰船红外隐身性作战效能评估研究[J]. 舰船电子工程, 2024, 44(7): 169-174. YE Z M, LIU W P. Research on evaluation of combat effectiveness of ship infrared stealth[J]. Ship Electronic Engineering, 2024, 44(7): 169-174. |
| [3] |
陈翾, 杨立. 海面舰艇红外隐身效能评估[J]. 激光与红外, 2006, 36(5): 335-337+347. CHEN X, YANG L. The Evaluation of the infrared stealth efficiency of the shipboard[J]. Laser & Infrared, 2006, 36(5): 335-337+347. DOI:10.3969/j.issn.1001-5078.2006.05.001 |
| [4] |
王建, 张迪超, 蒲元远, 等. 舰艇的红外隐身技术[J]. 舰船电子工程, 2008, 28(3): 37-39. WANG J, ZHANG D C, PU Y Y, et al. Infrared stealth technique of naval vessels[J]. Ship Electronic Engineering, 2008, 28(3): 37-39. |
| [5] |
张紫辉, 徐晓刚, 石小玉. 水面舰艇目标红外隐身技术[J]. 红外, 2007, 28(11): 1-3. ZHANG Z H, XU X G, SHI X Y. Infrared stealthy techniques for warships[J]. Infrared, 2007, 28(11): 1-3. DOI:10.3969/j.issn.1672-8785.2007.11.001 |
| [6] |
夏文翀, 张勃, 祝华哲, 等. 舰船燃气轮机排气系统的不同红外抑制措施实验研究[J]. 中国舰船研究, 2024, 19(S2): 175−181. XIA W C, ZHANG B, ZHU H Z, et al. Experimental study on different infrared suppression measures for ship gas turbine exhaust system[J]. Chinese Journal of Ship Research, 2024, 19(S2): 175−181. |
| [7] |
李艇, 付云鹏, 杨卫. 水面舰船红外隐身总体设计分析[J]. 红外技术, 2020, 42(2): 134-138. LI T, FU Y P, YANG W. Design analysis of ship infrared stealth[J]. Infrared Technology, 2020, 42(2): 134-138. |
| [8] |
蒲晓亮, 钟涛, 王艳真. 柴油机湿式排气系统红外抑制效果研究[J]. 中国舰船研究, 2023, 18(6): 226-231. PU X L, ZHONG T, WANG Y Z. Studies of the infrared signature suppression effect of diesel engine wet exhaust system[J]. Chinese Journal of Ship Research, 2023, 18(6): 226-231. DOI:10.19693/j.issn.1673-3185.03040 |
| [9] |
付健, 赵建辉, 李帆, 等. 基于水幕的舰船红外干扰策略研究[J]. 应用光学, 2021, 42(3): 404-412. FU J, ZHAO J H, LI F, et al. Research on ship infrared jamming strategy based on water curtain[J]. Journal of Applied Optics, 2021, 42(3): 404-412. DOI:10.5768/JAO202142.0301005 |
| [10] |
周军龙, 吕相银, 周元璞. 舰艇红外隐身技术的探讨[J]. 现代防御技术, 2012, 40(6): 113-117. ZHOU J L, LV X Y, ZHOU Y P. Investigation on the infrared stealth technique of naval vessels[J]. Modern Defence Technology, 2012, 40(6): 113-117. DOI:10.3969/j.issn.1009-086x.2012.06.021 |
| [11] |
桑学仪, 吉亚平, 张伟, 等. “阿利·伯克”级驱逐舰红外目标特性研究[J]. 红外技术, 2024, 46(7): 807-818. SANG X Y, JI Y P, ZHANG W, et al. Research on infrared target characteristics of the Aleigh Burke class destroyer[J]. Infrared Technology, 2024, 46(7): 807-818. |
| [12] |
刘银水, 王振, 朱森林, 等. 水雾和水幕复合喷头红外降温特性研究[J]. 机械工程学报, 2024, 60(8): 320-328. LIU Y S, WANG Z, ZHU S L, et al. Research on the infrared cooling characteristics of composite nozzle with water mist and water curtain[J]. Journal of Mechanical Engineering, 2024, 60(8): 320-328. |
| [13] |
Lloyd’s Register of Shipping. Rules and regulations for the classification of naval ships[S]. 2018.
|
| [14] |
TÜRK L. Rules for the classification of naval ships[S]. 2022.
|
| [15] |
中国人民解放军总装备部. GJB 4000-2000(0)舰船通用规范[S]. 2000.
|
| [16] |
中国船舶工业综合技术经济研究院. CB 20364-2018舰船燃气轮机排气红外抑制装置规范[S]. 2018.
|
| [17] |
VAITEKUNAS D A. IR susceptibility of naval ships using ShipIR/NTCS[C]//Proceedings Volume 7662, Infrared Imaging Systems: Design, Analysis, Modeling, and Testing XX, 2010.
|
| [18] |
VAITEKUNASA D A, THOMPSONA J T, REIDB F. IR vulnerability of modern warships using SHIPIR-NTCS[C]//Proceedings of the 1st Military Sensing Symposium, 2000.
|
| [19] |
VAITEKUNASA D A, FRAEDRICHB D S. Validation of the NATO-standard ship signature model (SHIPIR) [C]//Proceedings Volume 3699, Targets and Backgrounds: Characterization and Representation V, 1999.
|
| [20] |
THOMPSON J. Developing an IR signature specification for military platforms using modern simulation techniques[C]//SMi Conference: Pursuit of Stealth, 2002.
|
| [21] |
DA VAITEKUNAS. Infrared scene capabilities of ShipIR (v4.2)[C]//Proceedings Volume 12106, Infrared Imaging Systems: Design, Analysis, Modeling, and Testing XXXIII, 2022.
|
2026, Vol. 48
