2. 上海交通大学 海洋工程国家重点实验室,上海 200240
2. State Kay Laboratory of Ocean Engineering, Shanghai Jiao Tong University, Shanghai 200240, China
随着全球能源需求的不断增长,深海油气资源的开发正成为现代能源开采的重要方向。深海作业环境复杂且极端,平台的安全与稳定直接关联着工程经济效益和环境影响。月池作为深海钻井和作业系统中的关键设施,位于海上平台的底部,用于布放和操作作业设备、铺设钻井管道、立管等的通道。月池内流体的运动频率与其固有频率接近时,使流体出现垂直活塞运动和水平晃荡运动[1],导致流体和结构之间的能量相互作用,激发月池内部流体发生剧烈共振,对平台整体稳定性和安全性构成严重威胁。
Fung[2]通过垂向强迫振荡试验研究了圆形月池附加质量与阻尼参数的变化规律。Son[3]也通过物理模型试验,研究了一艘具有特殊月池结构的钻井船在航行过程中因月池内部的水体晃荡运动而引起的阻力增加,并分析了水体运动的抑制措施和效果。Faltinsen[4]将月池内的水体流动简化为“质量—弹簧”模型,推导了流体垂向升沉运动的固有周期为T=2π√(d/g),其中d为月池吃水。Salman Sadiq等[5 - 7]研究了静水面有航速和波浪中无航速2种情况下月池内的流体运动。Liu等[8 - 10]针对truss spar平台研究了平台与月池内水体的耦合运动情况。Molin[11]在流体共振问题的研究中提出月池内流体共振频率解析解。Faltinsen等[12]基于势流模型,对有限水深下月池共振的影响进行研究,提出了升沉矩形双箱系统的流体共振分解方法。Sun等[13]通过一阶和二阶波衍射模型,模拟了2艘并靠船舶形成的窄缝内的波浪响应,并对月池共振理论的适用性进行了进一步验证。Saitoh等[14]通过二维波浪水槽实验研究了窄缝共振现象,实验结果表明共振时的波幅与箱体吃水和窄缝宽度密切相关。孙雷[15]、黄海洋[16]及邓潇潇[17]分别从船舶吃水、船体几何特征及月池长宽比等不同参数对月池内流体共振问题进行研究。但线性势流模型不能充分考虑流体能量耗散和非线性效应,往往导致预测时高估月池内共振幅值。
随着计算机性能的提升,计算流体力学方法成为研究月池共振现象的新途径。CFD方法通过数值模拟,能够精确地捕捉流体和结构之间的复杂相互作用,成为分析月池共振现象不可或缺的工具。Gao等[18-19]基于开源CFD软件OpenFOAM,研究了聚焦波作用下固定箱体之间窄缝的水动力问题。Fredriksen等[20]研究了低航速下月池共振现象的影响,发现月池底部凸缘可以有效抑制月池的共振行为。石城等[21]用数值和模型试验探究船体多自由度运动对月池内自由液面的影响,发现当船体同时存在垂荡和纵摇运动时,月池内波浪爬升幅值远高于仅有垂荡运动的情况。余勇军[22]等基于CFD理论,探究不同入射波频率下月池内部流体的运动和池壁压力的变化,并分析了月池开口形状对池内流体运动的影响。Jiang等[23-24]针对月池内凸缘结构物的尺寸、位置和数量对共振幅值的影响进行研究,表明月池内附体存在导致速度场发生显著变化。Lan等[25]研究了月池边缘轮廓形状对共振现象的影响,结果表明边缘轮廓的几何形状对共振响应有重要影响。Moradi等[26]则通过研究圆角月池边缘轮廓,发现圆角处的涡旋运动减弱,进而导致月池共振幅值的增加。
月池内流体运动对平台作业安全有着较大影响,国内外学者已经关于月池共振做了部分研究,但针对不同倾角凸缘结构对于月池内部流体共振抑制的研究仍然较少,本文以圆筒型平台月池为主要研究对象,基于CFD数值计算方法,研究了月池内不同凸缘结构型式对月池内部流体水动力特性的影响,对比分析不同波浪周期下无凸缘及三种凸缘结构型式的月池响应幅值、流场特性和抑制效果,为圆筒型平台月池抑制研究提供依据。
1 计算模型 1.1 流体控制方程本文基于CFD方法,采用Star-CCM+进行数值仿真,流场中流体的运动需要满足3个基本方程:质量守恒方程、动量守恒方程和能量守恒方程。
质量守恒方程:
| $ \frac{\partial \rho }{\partial t}+\frac{\partial \left(\rho u\right)}{\partial x}+\frac{\partial \left(\rho v\right)}{\partial y}+\frac{\partial \left(\rho w\right)}{\partial z}=0 。$ | (1) |
式中:
或利用哈密顿算子可以将式(1)写成:
| $ \frac{\partial \rho }{\partial t}+\nabla \cdot \left(\rho \boldsymbol{u}\right)=0。$ | (2) |
式中:
式(1)和式(2)即为质量守恒方程,又称连续性方程。
动量守恒方程:
| $ \frac{\partial \boldsymbol{u}}{\partial t}+u\cdot \nabla u=-\frac{1}{\rho }\nabla p+\nu {\nabla }^{2}u+g 。$ | (3) |
式中:
Reynolds平均法(RANS)将湍流运动视为时间平均流动和瞬时脉动流动的叠加,即时均量和脉动量,得到Reynolds平均的N-S方程为:
| $ \begin{split}&\displaystyle\frac{\partial {u}_{i}}{\partial {x}_{i}}=0,\\ &\rho \displaystyle\frac{\partial {u}_{i}}{\partial t}+\rho {u}_{i}\displaystyle\frac{\partial {u}_{i}}{\partial {x}_{i}}=-\displaystyle\frac{\partial p}{\partial {x}_{i}}+\displaystyle\frac{\partial }{\partial {x}_{i}}\left(\mu \displaystyle\frac{\partial {u}_{i}}{\partial {x}_{i}}-{\rho u_{i}^{\prime}u_{j}^{\prime}}\right)。\end{split} $ | (4) |
式中:雷诺应力项
本文采用Realizable k−ε模型,其流动方程如下:
| $ \frac{\partial }{\partial t}\left(\rho k\right)+\frac{\partial }{\partial {x}_{i}}\left(\rho k{u}_{i}\right)=\frac{\partial }{\partial {x}_{i}}\left[\left(\mu +\frac{{\mu }_{t}}{{\sigma }_{k}}\right)\frac{\partial k}{\partial xj}\right]+{G}_{k}-\rho \varepsilon,$ | (5) |
| $ \begin{split} \frac{\partial }{{\partial t}}\left( {\rho \varepsilon } \right) +& \frac{\partial }{{\partial {x_i}}}\left( {\rho \varepsilon {u_i}} \right) = \frac{\partial }{{\partial {x_i}}}\left[ {\left( {\mu + \frac{{{\mu _i}}}{{{\sigma _\varepsilon }}}} \right)\frac{{\partial \varepsilon }}{{\partial {x_j}}}} \right] + \\ &\rho {C_1}E\varepsilon - \rho {C_2}\frac{{{\varepsilon ^2}}}{{k + \sqrt {\nu \varepsilon } }}。\end{split} $ | (6) |
式中:湍流粘性系数为
图1为波浪与所计算的平台作用的数值模型示意图,模型缩尺比为1∶60,模型直径为D,平台中心设有上下贯通的月池结构。以平台重心为原点建立笛卡尔坐标系,将计算域的入口设置为速度进口,出口设置为压力出口,底部、顶部为壁面,两侧为对称平面。数值水池的前端与末端分别配置了造波区和松弛区,通过采用Wave Forcing方法,确保在指定的区域内,离散化的N-S方程解能够趋近于理论解。
|
图 1 数值模型示意图 Fig. 1 Schematic diagram of numerical model |
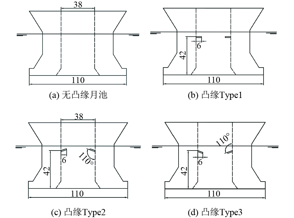
为了探究月池内部凸缘结构变化对流体运动性能的影响,本文设计了4种不同的月池结构,具体如图2所示,主尺度参数如表1所示,包括一种无凸缘结构以及在此基础上的3种凸缘结构。其中,后3种凸缘结构的主体均位于距离平台底部0.7 m的位置(模型值),凸缘厚度统一为0.1 m,且凸缘结构的投影面积占月池开口面积的31.5%。
|
图 2 月池凸缘结构类形式示意图 Fig. 2 Schematic diagram of moon pool convex appendage type |
|
|
表 1 平台主尺度参数 Tab.1 Title Platform main scale parameters |
本文网格划分所采用的是商业软件STAR-CCM+中内置的切割体网格单元生成器,在整个计算域中,重点针对自由液面,平台周围与月池内部进行网格加密,以确保计算精度满足要求。网格划分如图3所示。
|
图 3 Type1月池结构数值模型网格划分 Fig. 3 Meshing of type1 moon pool numerical model |
为了验证数值水池模拟月池共振现象的准确性,采用固定双箱模型开展模拟计算,模型尺寸参考Fredriksen[27]试验设置:箱体高度h和宽度B均设置为0.201 m,吃水d为0.097 m,月池宽度Bm设置为0.1 m,数值模型示意图如图4所示。
|
图 4 双箱模型下的月池内波面响应 Fig. 4 Wave response within moonpool under the double box model |
在计算过程中,保持入射波陡(
在CFD计算中,通常需要对计算域的局部网格进行加密处理以节约计算时间和成本。本文在波高范围和月池内部采用了不同尺度的网格方案,分别将波高的z方向划分为5、11、18个单元网格,同时加密平台周围网格,网格数量分别为196万、270万、391万。本文采用速度入口边界造波的方法生成波高为0.05 m,周期为15 s的五阶stokes波,通过监测造波区波浪时历曲线和月池内部波面升高曲线,对比不同网格方案的收敛性。由图5可知,3种网格均收敛,综合考虑网格数量和计算效率,选择单位波高内11个网格进行后续数值模拟。
|
图 5 波高方向不同网格尺寸的影响 Fig. 5 Effect of different grid sizes in the wave elevation |
对数值计算方法进行时间步长无关性分析时,采用了不同的时间步长(0.002 s,0.005 s,0.01 s)进行数值计算。图6展示了在不同时间步长条件下,造波区波浪时历曲线与月池内部波面升高曲线的对比结果。分析可知,对于造波区的网格密度而言,所选取的3种时间步长均已足够;然而,在月池内部网格密度的考量下,时间步长为0.01 s时表现出不足,而时间步长为0.005 s和0.002 s时则呈现出收敛性。综合考虑计算成本因素,选择0.005 s作为后续数值计算的时间步长。
|
图 6 时间步长无关性验证 Fig. 6 Verification of time-step irrelevance |
为研究外界波浪对平台月池内部流体运动的影响,采用势流理论和CFD数值方法获得了3 m波高下固定平台的矩形月池内部水体运动情况,进一步研究了凸缘结构(Type1)对月池响应的影响。为了便于结果对比,本节中所有数据均换算为实型值进行呈现。
图7给出了凸缘结构物对月池内部水体的抑制情况,包括不同波浪工况下的月池波面升高时间历程和频谱分析曲线。可以看出,在波浪周期14~16 s内,凸缘结构(Type1)可以有效抑制月池内活塞运动。波浪周期14 s时,月池内波面升高频谱分析出现2个峰值,对比无凸缘工况可知,凸缘结构物(Type1)工况使第2个峰值向后偏移至15.5 s,月池内波面升高减小48%。波浪周期14~15.5 s工况下,频谱分析仅存在一个峰值,对应周期与波浪周期一致,月池共振周期工况下,最大可将月池内波面升高减小71%。对于长周期工况,无凸缘工况频谱分析存在2个峰值,分别对应波浪周期和月池共振周期。由于凸缘结构物(Type1)导致月池共振周期偏移,因此该工况下仅存在1个峰值,且当波浪周期大于16 s时,凸缘结构物抑制效率较低。
|
图 7 不同波浪工况下月池内波面升高时间历程和频谱分析 Fig. 7 Time history and spectral analysis of wave surface rise in the moon pool under different wave conditions |
如图8所示,探究不同波浪周期下的月池内部波面升高,当波浪周期为15 s时,月池内部水体产生共振,线性势流理论与CFD结果基本吻合。线性势流模型月池活塞周期范围为14~16 s,而粘性流体模型预测共振条件范围为12~18 s,势流模型过度预测了活塞共振频率附近的月池运动幅值。随着升沉幅值的增大,在共振频率处的归一化振幅减小,月池附近的流体粘度和流动旋转对能量的相对耗散较大,而势流理论无法模拟月池底角处的漩涡产生与脱落,能量耗散导致了波面的衰减。对比存在凸缘结构的数值模拟结果发现,凸缘可以有效提高月池活塞运动共振周期,并降低共振周期对应的响应幅值。凸缘结构(Type1)的存在可以减小月池的横截面,进入月池的部分流体被附加结构物阻挡,从而进一步抑制了月池内的波幅,也增加月池底部外侧的流体,增加流体的附加质量,导致共振周期的增大。
|
图 8 单位波高下月池内波面升高随波浪周期的变化 Fig. 8 Variation of wave surface elevation with wave period in the moon pool per unit wave height |
本节研究月池中3种凸缘结构型式Type1、Type2、Type3的对月池内波面振幅的影响,探究不同波浪下的月池响应。如图9所示,可以看出,在低频和高频范围内,3种结构型式的月池波面升高几乎相同,说明在非共振频率下,凸缘结构的方向对月池内的波面响应影响不大。在共振频率附近(波浪周期15~16 s),Type1和Type3凸缘结构型式比Type2凸缘结构型式的月池响应波幅值小。
|
图 9 不同凸缘结构型式对月池内波面升高的影响 Fig. 9 Effects of different convex appendage types on wave elevation in moon pool |
图10给出了不同凸缘结构型式对月池内部水体的抑制情况,包括不同波浪工况下的月池波面升高时间历程和频谱分析曲线。由于不同凸缘型式下,月池投影面积相同,因此,凸缘结构型式的变化不会导致共振周期偏移。共振周期附近,对比Type1和Type3可知,Type3最大可使月池内波面升高减小7%。Type2凸缘结构型式抑制效果较差,与Type1相比,Type2会导致月池内波面升高增大9%。
|
图 10 不同凸缘结构型式月池内波面升高时间历程和频谱分析 Fig. 10 Time history and spectral analysis of wave elevation in moon pools with different convex appendage |
不同结构型式的凸缘结构所导致的月池内波浪响应的差异主要来自于月池附近的局部流场。图11和图12分别为波浪周期16 s时,不同凸缘结构型式月池入口区域的涡量场和自由液面变化,第一、第二、第三行分别是3种凸缘结构型式,即Type1、Type2、Type3。
|
图 11 不同凸缘结构型式月池入口区域的涡量场 Fig. 11 Vorticity fields in the entrance area of moon pools with different convex appendages |
|
图 12 不同凸缘结构型式月池区域自由液面变化 Fig. 12 Variation of free liquid level in the area of the moon pool with different types of convex appendage |
对比3种结构型式月池入口区域涡量场发现,在一个波浪周期内,凸缘结构物附近均存在两对涡旋脱落,分别沿相反的方向发展,形成的涡旋具有相似的特征。由于凸缘结构开口方向不同,与Type1相比,Type3形成的两对涡旋随着时间的推进均能与自由液面发生更充分的相互作用。观察Type2形成的涡旋,在一个波浪周期内,两对涡旋均远离自由液面。结合图4月池内波面振幅结果可知,与Type1相比,Type2形成的涡旋比Type3产生更少的能量耗散,表明Type3比Type2具有更好的抑制效果。由于Type3凸缘末端结构与自由液面距离更近,与Type1相比,Type3形成的涡旋能与月池自由液面产生更充分的相互作用,能产生更显著的能量耗散。
3 结 语本文基于CFD数值模拟方法,针对圆筒型平台在固定状态下矩形月池内部流场开展数值模拟研究,系统研究了带月池平台在波浪作用下的流体共振特性及其抑制方法。通过模拟固定平台月池在规则波作用下的流体运动特性,设计了4种月池结构方案(无凸缘及3种凸缘结构Type1、Type2、Type3),分析了不同波浪周期下的月池响应,揭示了凸缘结构对共振周期和波面升幅的影响规律,主要结论如下:
1) 凸缘结构物可以降低共振周期对应的响应幅值,有效提高月池活塞运动共振周期。在波浪周期为14~16 s时,凸缘结构可使月池内波面升高减少48%~71%。
2) 不同凸缘结构形成的涡旋与月池自由液面产生充分的相互作用,进而提高能量耗散,凸缘结构型式Type3抑制效果最佳。
3) 不同凸缘结构型式对共振的抑制效果存在差异。在共振频率附近(波浪周期15~16 s),Type1和Type3的抑制效果优于Type2,其中Type3最大可使波面升高减少7%,与Type1相比,Type2会导致月池内波面升高增大9%。
| [1] |
孙采微, 杨建民, 吕海宁. 波浪作用下带月池结构船体运动数值预报[J]. 海洋工程, 2013, 31(4): 21-29. SUN C W, YANG J M, LU H N. Numerical investigation on motions of vessel with moonpool in wave conditions[J]. The Ocean Engineering, 2013, 31(4): 21-29. |
| [2] |
FUNG D P K. Added mass and damping of circular moonpools[C]//The Sixth International Offshore and Polar Engineering Conference, Los Angeles, California, USA, 1996.
|
| [3] |
SON H J, CHOI S H, KIM M H, et al. Drag reduction of recess type moonpool under vessel’s forward speed[C]//27th International Conference on Offshore Mechanics and Arctic Engineering. American Society of Mechanical Engineers, Estoril, Portugal, 2008: 143−148.
|
| [4] |
FALTINSEN O. Sea loads on ships and offshore structures[M]. Cambridge University Press, 1993.
|
| [5] |
SALMAN S, KANG Z, YAO X L. Oscillations in moonpool at static platform in waves[C]//26th International Conference on Offshore Mechanics and Arctic Engineering. American Society of Mechanical Engineers, San Diego, California, USA, 2007: 413−421.
|
| [6] |
KANG Z, SALMAN S, YAO X L. Acoustics and hydrodynamics of circle and square moonpool: An experimental research[C]//26th International Conference on Offshore Mechanics and Arctic Engineering. American Society of Mechanical Engineers, San Diego, California, USA, 2007: 423−431.
|
| [7] |
KANG Z, YAO X, SALMAN S. Experimental research on flow induced oscillations in moonpool encountered through waves[C]//26th International Conference on Offshore Mechanics and Arctic Engineering. American Society of Mechanical Engineers, San Diego, California, USA, 2007: 433−442.
|
| [8] |
刘利琴, 郭颖, 刘春媛, 等. 基于CFD方法研究月池内部流体对Spar平台垂荡运动的影响[J]. 船舶力学, 2017, 21(9): 1086-1098. LIU L Q, GUO Y, LIU C Y, et al. Effects of water inside moon pool on the heaving motions of a spar platform by cfd method[J]. Journal of Ship Mechanics, 2017, 21(9): 1086-1098. DOI:10.3969/j.issn.1007-7294.2017.09.004 |
| [9] |
黄磊, 刘利琴, 唐友刚, 等. 水平激励下钻井船矩形月池的水动力特性研究[J]. 天津大学学报: 自然科学与工程技术版, 2015, 48(11): 1001-1008. HUANG L, LIU L Q, TANG Y G, et al. Hydrodynamic characteristics of rectangular moonpool of drilling unit under horizontal excitation[J]. Journal of Tianjin University, 2015, 48(11): 1001-1008. DOI:10.11784/tdxbz201402029 |
| [10] |
刘春媛, 刘利琴, 黄磊. 基于等效单摆模型的全开口月池内流体晃动特性研究[J]. 天津理工大学学报, 2015, 31(1): 45-50. LIU C Y, LIU L Q, HUANG L. Study on sloshing fluid in fully open moonpool based on equivalent pendulum model[J]. Journal of Tianjin University of Technology, 2015, 31(1): 45-50. DOI:10.3969/j.issn.1673-095X.2015.01.010 |
| [11] |
MOLIN B. On the piston and sloshing modes in moonpools[J]. Journal of Fluid Mechanics, 2001, 430: 27-50. DOI:10.1017/S0022112000002871 |
| [12] |
FALTINSEN O M, ROGNEBAKKE O F, TIMOKHA A N. Twodimensional resonant piston-like sloshing in a moonpool[J]. Journal of Fluid Mechanics, 2007, 575: 359-397. |
| [13] |
SUN L, EATOCK R, TAYLOR P H. Wave driven free surface motion in the gap between a tanker and an FLNG barge[J]. Applied Ocean Research, 2015, 51: 331-349. |
| [14] |
SAITOH T, MIAO G P, ISHIDA H. Theoretical analysis on appearance condition of fluid resonance in a narrow gap between two modules of very large floating structure[C]//The 3rd Asia-Pacific Workshop on Marine Hydrodynamics, Shanghai, China, 2006: 170−175.
|
| [15] |
孙雷, 邓潇潇, 曾智宏, 等. 波浪作用下钻井船的共振数值计算及分析[J]. 中国舰船研究, 2020, 15(6): 90-105+114. SUN L, DENG X X, ZENG Z H, et al. Numerical calculation and analysis of resonance of drillship in waves[J]. Chinese Journal of Ship Research, 2020, 15(6): 90-105+114. DOI:10.19693/j.issn.1673-3185.01807 |
| [16] |
黄海洋, 许新, 张新曙, 等. 关于固定和自由浮动船舶三维月池共振的研究[J]. 水动力学研究与进展(A辑), 2019, 34(4): 482-488. HUANG H Y, XU X, ZHANG X S, et al. Study on three-dimensional moonpool resonance of fixed and free-floating vessels[J]. Journal of Hydrodynamics, 2019, 34(4): 482-488. |
| [17] |
邓潇潇. 波流联合作用下带月池平台共振问题研究[D]. 大连: 大连理工大学, 2020.
|
| [18] |
GAO J, MA X, ZANG J, et al. Numerical investigation of harbor oscillations induced by focused transient wave groups[J]. Coastal Engineering, 2020, 158: 103670. DOI:10.1016/j.coastaleng.2020.103670 |
| [19] |
GAO J, LYU J, WANG J, et al. Study on transient gap resonance with consideration of the motion of floating body[J]. China Ocean Engineering, 2022, 36(6): 994-1006. |
| [20] |
FREDRIKSEN A G, KRISTIANSEN T, FALTINSEN O M. Experimental and numerical investigation of wave resonance in moonpools at low forward speed[J]. Applied Ocean Research, 2014, 47: 28-46. DOI:10.1016/j.apor.2014.03.005 |
| [21] |
石城, 吕海宁, 杨建民. 深海钻井船大开口阶梯形月池水体的非线性共振特性研究[J]. 船舶力学, 2021, 25(3): 311-320. SHI C, LU H N, YANG J M. Nonlinear resonance characteristics of a rectangular rmoonpool with stairways in a deep sea drilling ship[J]. Journal of Ship Mechanics, 2021, 25(3): 311-320. DOI:10.3969/j.issn.1007-7294.2021.03.006 |
| [22] |
余勇军, 刘利琴, 李焱, 等. 通海圆筒型FPSO月池内流体活塞运动特性研究[J]. 中国造船, 2023, 64(6): 73-85. YU Y J, LIU L Q, LI Y, et al. Piston motion of fluid in cylindrical fpso moon pool connected to seawater[J]. Shipbuilding of China, 2023, 64(6): 73-85. DOI:10.3969/j.issn.1000-4882.2023.06.007 |
| [23] |
JIANG S, CONG P, SUN L, et al. Numerical investigation of edge configurations on piston-modal resonance in a moonpool induced by heaving excitations[J]. Journal of Hydrodynamics, 2019, 31: 682-699. |
| [24] |
JIANG S C, SUN Z, FENG A, et al. On hydrodynamic behavior of fluid resonance in moonpool and its suppression by using various convex appendages[J]. Ocean Engineering, 2019, 192: 106552. |
| [25] |
LAN J, JIANG S, GAO J. Hydrodynamic behavior of fluid resonance between twin boxes in moonpool with various edge profiles under wave actions[J]. China Ocean Engineering, 2023, 37(4): 547-557. |
| [26] |
MORADI N, ZHOU T, CHENG L. Effect of inlet configuration on wave resonance in the narrow gap of two fixed bodies in close proximity[J]. Ocean Engineering, 2015, 103: 88-102. |
| [27] |
FREDRIKSEN A G, KRISTIANSEN T, FALTINSEN O M. Wave-induced response of a floating two-dimensional body with a moonpool[J]. Philosophical Transactions of the Royal Society A: Mathematical, Physical and Engineering Sciences, 2015, 373(2033): 0109. |
2026, Vol. 48

