2. 武汉理工大学 机电工程学院,湖北 武汉 430070
2. School of Mechanical and Electronic Engineering, Wuhan University of Technology, Wuhan 430070, China
某种舰船推进轴系发生异常振动,现场检修发现,艉轴轴承损坏且该推进轴系结构艉轴中部截断处的液压联轴节有损坏现象,而在国外某著名船舶动力公司设计制造的进口轴系艉轴中部无联轴节,且未发生异常振动现象,艉轴轴承也并未损坏,因此需要对轴系的艉轴截断及液压联轴节损坏原因进行分析,并深入探讨其影响因素,同时也有必要研究液压联轴节的损坏与艉轴管轴承损坏以及轴系发生异常振动这一情况之间的联系。
张新宝等[1]提出推进轴系曲线轴线模型,认为舰船推进轴系运转时轴线呈现拟静态挠度曲线。而舰船推进轴系是典型的多支撑旋转结构,轴系结构中液压联轴节与推进轴的连接是典型的过盈配合结构。在运转过程中,曲线轴线轴系承受弯曲载荷,配合结构中各部件之间变形量存在差异,接触面边缘的局部区域容易出现微小幅度的相对往复运动,从而可能导致微动损伤[2]。长期过程会影响液压联轴节的特性,进而对推进轴系的整体刚度造成影响。高子航等[3]对液压联轴节轴段出现的划痕损伤进行了分析,利用Workbench软件进行有限元仿真,计算传动轴的应力分布及强度,最大应力值位于划痕损伤处,可能会进一步造成轴系结构损伤。
微动是发生在2个接触表面之间极小幅度的相对运动,通常存在于处在振动工况下的近似紧固的机械配合件之中,在微动过程中,接触面间会发生微滑移,会降低相关结构件的使用寿命[4 − 5]。杨广雪等[6]运用Abaqus有限元软件分析了弯曲载荷作用下套筒长度、套筒厚度、摩擦因数以及过盈量对过盈结构微动关键因素的影响。张远彬等[7]建立了基于Achard磨损模型的过盈配合结构微动磨损仿真模型,研究了微动磨损对过盈配合面微动参量的影响。殷超超等[8]分析了不同载荷作用下过盈结构接触界面微动损伤的演变特性,并探究了表面织构对其影响。
本文通过对2个不同船舶推进轴系进行合理校中,分析不同轴向位置处的联轴节的截面转角情况,探究轴系艉轴截断这一轴向位置处的联轴节损坏的可能原因,为液压联轴节所处的轴向位置的选择提供一定依据,同时探究液压联轴节的损伤与舰船艉轴轴承发生偏磨与轴系异常振动之间的联系。进一步地,以某船液压艉轴–液压联轴节过盈配合结构为研究对象,并通过Abaqus软件建立简化的过盈配合结构有限元模型,分析过盈量对联轴节过盈配合结构微动损伤区域参数的影响。
1 轴系校中计算模型 1.1 某船异常振动轴系的截面转角分析舰船推进轴系的主要作用是联接舰船主机与螺旋桨,在主机和螺旋桨之间传递扭矩和推力,以推动船舶前行。某种舰船异常振动轴系主要由螺旋桨、推进轴、联轴节等组成,艉轴处被截断,通过液压联轴节进行连接,同时艉轴与中间轴之间也通过液压联轴节进行连接,且液压联轴节与艉轴之间的连接是过盈配合。推进轴系通过若干轴承进行支撑,包括艉轴轴承与中间轴承等,其轴系布置的简化图见图1。
|
图 1 某船异常振动轴系布置简图 Fig. 1 Schematic diagram of shafting arrangement of a of ship with abnormal vibration |
基于传递矩阵法的轴系校中原理[9],对推进轴系进行分段,经过合理校中计算得到某种舰船轴系的截面转角曲线,如图2所示。该轴系液压联轴节处的转角变形较大,坐标系中A1与A2是艉轴-联轴节过盈配合结构所处轴向位置的两端面位置,其截面转角θA1、θA2分别为–7.104×10–4 rad、–5.811×10–4 rad;而B1与B2是连接艉轴与中间轴的液压联轴节所处轴向位置的两端面位置,其截面转角分别为–8.959×10–5 rad、–9.948×10–5 rad。联轴节所处轴向位置的两端面相对转角变化为|θA|=1.293×10–4 rad,|θB |=9.888×10–5 rad,两者相差13.076倍。
|
图 2 某种舰船异常振动轴系不同轴向位置处的截面转角 Fig. 2 Sectional angles at different axial positions of the shafting system of a ship with abnormal vibration |
某国际著名的设计公司设计制造的进口轴系运行良好,其艉轴处并未截断,其他布置与图1基本相似,因此该轴系仅在艉轴与中间轴连接的轴向位置布置了液压联轴节。对该轴系进行合理校中,其截面转角结果曲线如图3所示,坐标系中C1与C2是类似某船轴系艉轴处截断的轴向位置的两端面位置,其截面转角
|
图 3 某进口轴系不同轴向位置处的截面转角 Fig. 3 Sectional angles at different axial positions of an inlet shafting |
根据两船推进轴系合理校中沿轴向不同位置处的截面转角结果分析来看,某船异常振动轴系中艉轴截断处的液压联轴节所处轴向位置的端面相对转角变化远比连接中间轴和艉轴的液压联轴节处的大,相差在10倍以上,而某艉轴未截断的进口轴系在类似的轴向位置的相对转角变化呈现相似的变化趋势。检修发现,艉轴截断的某船轴系存在轴承磨损严重、异常振动现象,而艉轴未截断的进口轴系运行状况良好,并未出现上述现象。这可能是由于艉轴截断处联轴节的端面相对转角变化过大,在旋转弯曲载荷作用下,艉轴–液压联轴节过盈配合结构配合边缘发生往复微滑,引起微动损伤,长期运转过程中会影响液压联轴节的特性,进而对推进轴系的整体刚度造成影响,导致轴承支承位置等轴承特性发生变化,引起轴系异常振动,因此轴系液压联轴节布置的轴向位置需要认真设计,应当放置在端面相对转角变化较小的位置。
1.3 考虑微动损伤影响的校中分析根据文献[7]的分析,艉轴–液压联轴节配合边缘部位发生的损伤会降低过盈连接效果,有效过盈接触长度减少,进而减弱艉轴–液压联轴节过盈配合结构弯曲刚度。通常情况下,过盈配合结构的等效弯曲刚度计算的一般流程是将该过盈配合结构等效成弯曲刚度为[EI]的轴段,通过材料力学公式计算一定载荷与边界条件作用下的挠度曲线 y(F, l, [EI]),根据试验测定给定载荷与边界条件下的位置l处的挠度,反解即可得到过盈配合结构等效轴段的弯曲刚度。由于微动损伤导致其接触区域发生变化(包括有效接触长度与接触区域边缘位置变化),试验模拟该变化较困难,可通过建立不同接触区域的有限元模型来求解等效弯曲刚度。为方便计算,定义等效刚度系数k=[EI]/EI定性地表征微动损伤引起的弯曲刚度减弱,其中[EI]是轴系等效弯曲刚度,EI是理论弯曲刚度。
根据图1所示的轴系布置进行轴系校中,得到某船异常振动轴系的截面转角与艉轴轴承负荷的校中结果。检修时发现艉轴后轴承偏磨较为严重,故表1主要给出艉轴后轴承转角变化。在考虑了微动损伤对轴段等效刚度的影响后,随着等效刚度的减小,艉轴后轴承转角大小逐渐减小,且其转角大小变化速度更快。根据船舶行业标准[9],艉轴后轴承支撑点处截面转角超过3.5×10−4 rad时,需要对轴承孔采取斜镗孔技术处理,保证轴系顺应(轴与轴承孔之间相对转角较小)。当采取IT9制造精度时,轴承孔倾角误差在±2.34×10−4 rad之内。当等效刚度系数在0.1~0.2时,考虑到制造误差,艉轴后轴承处最大的相对转角变化范围是3.14×10−4~3.73×10−4 rad,超出标准规定,导致轴系不顺应,引起偏磨,艉轴后轴承容易发生毁坏。
|
|
表 1 某船异常振动轴系的截面转角合理校中结果 Tab.1 The rational alignment results of the sectional angles of the shafting system of a ship with abnormal vibration. |
艉轴处联轴节所处轴向位置的两端相对截面转角大小随着等效刚度系数的减少而增加,原因在于联轴节处相对转角较大时,该处轴段的相对挠曲变形较大,滑动幅值较大,在承受旋转弯曲载荷作用下,艉轴–液压联轴节过盈配合结构配合面容易发生微动损伤,引起轴系等效刚度减弱,等效刚度减弱会导致联轴节所处轴向位置的两端面相对转角增大,微动损伤的程度会加深。因此为减弱或避免联轴节发生微动损伤的可能,应将联轴节布置在相对转角较小的位置。
图4给出不同等效刚度系数下某种舰船异常振动轴系的艉轴轴承负荷合理校中结果。在同一等效刚度系数下,艉轴后轴承与中轴承的负荷要大于艉轴前轴承;随着等效刚度系数的减少,艉轴前轴承和艉轴后轴承的负载在降低,而艉轴中轴承的负荷却在增加,较容易发生损坏。根据表1的结果,艉轴轴承处的转角变化也比较大,考虑到艉轴轴承的长度一般比较长,转角的改变会导致轴承的等效支撑位置发生变化,导致轴承处发生偏磨,轴承刚度发生变化,引起轴系振动特性发生变化[10 − 11]。进一步地,轴系振动特性变化也会加深联轴节所处轴向位置的过盈配合面微动损伤程度与艉轴承的偏磨程度。循环往复作用下,联轴节所处轴向位置的过盈配合面微动损伤情况越来越严重,其等效弯曲刚度减弱程度越来越深,且艉轴承偏磨程度越来越深,轴系振动逐渐异常,无法正常运转。
|
图 4 某船异常振动轴系艉轴轴承负荷的合理校中结果 Fig. 4 The rational alignment results of the stern bearing load for the shafting system of a ship with abnormal vibration |
由于轴系运转时基于曲线轴线模型,在弯曲载荷的作用下,艉轴–液压联轴节过盈配合结构朝下一侧始终承受弯曲拉应力的作用,朝上一侧则始终承受弯曲压应力的作用,在轴系长期运转时,任意位置将不断承受着受拉与受压的交替作用,其中艉轴与液压联轴节接触边缘部位在交替载荷的作用下可能会发生挤压与分离,引发微动损伤[12]。
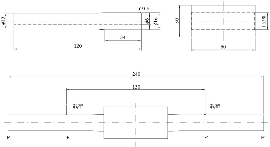
因此将艉轴截断处的艉轴与联轴节截取出来作为研究对象,简化成1层套筒与2根艉轴的过盈配合结构,研究其微动损伤情况。简化的艉轴–液压联轴节过盈配合结构的尺寸与装配加载位置如图5所示,艉轴的内径与外径分别是6 mm与16 mm,液压联轴节(以下称作套筒)的内径与外径分别是15.98 mm与30 mm,仿真分析采用的材料属性参数见表2。
|
|
表 2 材料参数 Tab.2 Material parameters |
|
图 5 轴与套筒过盈配合结构形状尺寸与装配加载示意图 Fig. 5 Shaft and sleeve interference fit structure shape size and assembly loading diagram |
考虑到过盈配合结构的几何与受载的对称性,沿轴向取一半划分网格进行分析,单元类型采用8节点六面体单元。由于过盈配合接触边缘部位存在明显的应力集中现象,因此该部位网格划分非常精细,以便更好地模拟此处较大的应力变化。整个有限元模型包含
|
图 6 轴与套筒有限元模型 Fig. 6 Finite element model of shaft and sleeve |
|
图 7 接触边缘局部网格细化 Fig. 7 Contact edge local mesh refinement |
为了验证本文有限元模型的合理性,给定过盈量δ=0.02 mm。根据Lame方程,在线弹性范围内,接触面配合压力与过盈量成正比 ,即
| $ p = \frac{\delta }{{2b}}/\left[ {\frac{1}{{{E_1}}}\left( {\frac{{{b^2} + {a^2}}}{{{b^2} - {a^2}}} - {\mu _1}} \right) + \frac{1}{{{E_2}}}\left( {\frac{{{c^2} + {b^2}}}{{{c^2} - {b^2}}} + {\mu _2}} \right)} \right]。$ | (1) |
式中:E1与E2为轴和套筒的弹性模量;δ为配合过盈量;a为轴的内环半径;b为轴的外环半径;c为套筒的外环半径;μ1与μ2分别为轴和套筒的泊松比。
通过式(1)计算得出,套筒与轴配合面之间的接触压力约为82.47 MPa。有限元模型的接触应力验证结果如图8所示(取轴向一半模型进行分析)。从图中可以看出,仿真结果与解析解在配合面内部非常接近,在接触边缘处存在显著差异,该差异源于Lame方程假设接触长度为无限长,无法考虑应力集中现象。相比之下,有限元方法更适合处理有限接触长度问题,且本研究中的有限元模型在接触边缘处采用了精细网格划分,能够较为准确地反映应力集中现象。
|
图 8 接触压力仿真结果与解析结果对比 Fig. 8 Comparison of numerical and theoretical contactpressure distribution |
靠近套筒中部的配合边缘的接触压力要小于靠近套筒端面的配合边缘的压力,原因在于有限元仿真需要考虑三维弹性变形,过盈配合边缘会存在与过盈配合方向相反的径向变形趋势,而2根轴在套筒中部的变形相对更加自由,其径向变形趋势更加明显,会在一定程度上减弱过盈程度。
3 考虑配合过盈量对微动滑移参数的影响分析在经过验证的过盈配合结构有限元模型基础上,施加弯曲载荷,该弯曲载荷会引起轴与套筒的挠曲变形,由于变形量不同,轴与套筒接触边缘容易发生相对滑移,引起微动。微动损伤分析中接触界面上的接触应力和摩擦剪切力在一定程度上能反映过盈配合结构发生微动时的滑移区域大小,需要分析不同过盈量对接触应力、摩擦剪切力与滑移区域的影响规律。
3.1 过盈配合结构接触边缘路径选取不同于其他过盈配合结构,艉轴-联轴节过盈配合结构是液压联轴节通过紧配合将2根艉轴进行连接,有限元模型中该结构存在四处接触边缘,在弯曲载荷作用下可能会发生相对滑动。考虑到模型的对称性可研究右边模型两处接触边缘的变化情况,数据点需选取受拉与受压状态下应力最大的一侧,其中横坐标表示轴向距离,坐标原点位于套筒中心处。在受压一侧,取轴向距离0~15 mm的接触位置进行分析,主要分析轴与套筒内部接触边缘的滑移状态,而在受拉一侧取取轴向距离15~30 mm的接触位置进行分析,主要分析轴与套筒外部接触边缘的滑移状态,如图9所示。
|
图 9 过盈配合结构接触边缘选取 Fig. 9 Selection of contact edges for interference fit structures |
图10给出过盈量对于接触压力的影响,过盈量选取0.02、0.03、0.04 mm,轴和套筒间的接触压力沿轴向不是均匀分布,其总体趋势是中间小,两端高,尤其是在接触边缘,存在很大的应力变化情况。随着过盈量增加,接触压力总体都在增加。
|
图 10 过盈量对于接触压力的影响 Fig. 10 Effect of interference on contact pressure |
由图10(a)可知,在受拉一侧,轴与套筒外部接触边缘的接触压力远小于内部接触边缘,原因在于由于弯曲载荷的作用轴发生挠曲变形,受拉一侧的外部接触边缘处轴变形与轴-套筒过盈变形一致,在一定程度上降低过盈效果,该区域接触压力降低,而内部接触边缘正好相反。由图10(b)可知,外部接触边缘处的接触压力要远大于内部接触边缘。在弯曲载荷作用下,内部接触边缘受拉一侧的接触压力要大于受压一侧,而外部接触边缘的趋势正好相反,且内部接触边缘拉-压侧接触压力转换的变化程度要小于外部接触边缘,原因在于内部接触边缘仍然处于套筒内部,受到套筒的变形约束。可以预测,在承受旋转弯曲载荷时,若发生微动损伤,套筒内部接触边缘区域的损伤程度要远小于外部接触边缘区域。
3.3 摩擦剪切力与滑移区域有限元模型采用库仑摩擦模型,q(x)表示有限元模型的界面摩擦剪切力,μp(x)为通过计算得出的接触压力乘积,是临界摩擦剪切力。当q(x)=μp(x)时,该接触部位则处于滑移状态;当q(x) <μp(x)时,该接触部位处于粘着状态。
由于受拉一侧的外部边缘与受压一侧的内部边缘的过盈效果减弱,该区域最有可能发生滑移,过盈量对于摩擦剪切力的影响的具体情况如图11所示,该影响与对接触压力的影响相似,且临界摩擦力是由接触应力推导得出的,其变化趋势与接触应力相似。可知,无论是在受拉一侧还是在受压一侧,轴与套筒接触中心处(15 mm处)的摩擦剪切力最小,且随着过盈量增加而增大。
|
图 11 过盈量对于摩擦剪切力的影响 Fig. 11 Effect of interference quantity on frictional shear force |
在弯曲载荷作用下,轴与套筒之间的滑移情况如表3所示,在相同过盈量情况下,受拉一侧外部边缘的滑移区域要远大于受压一侧内部接触边缘的滑移区域,这是由于受压一侧的内部接触边缘会受到受拉一侧的内部接触边缘处套筒的变形约束,其过盈效果减弱程度较低,较难发生滑移。且随着过盈量的增大,两侧的滑移区域都在减小,因此增大过盈量在一定程度上能够降低微动的发生概率,但是过盈量过大可能会引起轴与套筒的塑性变形。
|
|
表 3 弯曲载荷下的滑移区域结果 Tab.3 The results of the slip region under bending load |
本文通过不同轴系的校中计算实例对比分析了某船异常振动轴系艉轴中部的联轴节发生损伤的原因与影响,并利用有限元方法对液压联轴节与艉轴过盈配合结构进行仿真,探究了过盈量对微动参数的影响,得出以下结论:
1)某船异常振动轴系艉轴截断处的联轴节所处轴向位置的端面相对转角比连接中间轴与艉轴的联轴节的大10倍以上,而艉轴未截断且运行良好的进口轴系在类似的轴向位置处的端面相对转角变化呈现同样趋势,那么艉轴截断处的联轴节可能会损伤,增加艉轴承发生损坏的概率,引发轴系异常振动。
2)在旋转弯曲载荷作用下,若在轴系相对截面转角变化较大的轴向位置布置联轴节,其过盈配合边缘处容易发生微滑,且微动幅值较大,其微动损伤会减弱轴系刚度,使得艉轴轴承处转角变化过大,发生偏载,引起偏磨。
3)在相同外载情况下,随着过盈量增大,接触压应力在增大,而配合面上的微动滑移区域的长度在减小;适当增加联轴节处过盈配合结构的过盈量,可以减少配合面上的微动滑移区域,进而减少微动损伤的程度。
| [1] |
张新宝, 顾兴晨. 推进轴系曲线校中工艺对轴系振动的影响[J]. 中国造船, 2016, 57(4): 124-130. ZHANG X B, GU X C. Influence of shafting curve alignment process on shafting vibration[J]. Shipbuilding of China, 2016, 57(4): 124-130. |
| [2] |
袁才钦, 李亚波, 杨凯, 等. 铁路车轴过盈配合面微动损伤分析及有限元仿真[J]. 摩擦学学报, 2020, 40(4): 520–530. YUAN C Q, LI Y B, YANG K, et al. Analysis and finite element simulation of fretting damage on interference fit surface of railway axle [J]. Tribology, 2020, 40(4): 520-530. |
| [3] |
高子航, 周瑞平, 黄国兵. 某船液压联轴器轴段划痕修复方案分析[J]. 中国修船, 2021, 34(3): 34-38. GAO Z H, ZHOU R P, HUANG G B. Analysis of repair scheme for shaft scratches of hydraulic coupling of a ship[J]. China Shiprepair, 2021, 34(3): 34-38. |
| [4] |
周仲荣. 微动磨损[M]. 北京: 科学出版社, 2002.
|
| [5] |
WATERHOUSE R B. Fretting fatigue[J]. International Mater Reviews 1992, 37: 77−97.
|
| [6] |
杨广雪, 谢基龙, 李强, 等. 过盈配合微动损伤的关键参数[J]. 机械工程学报, 2010, 46(16): 53-59. YANG G X, XIE J L, LI Q, et al. Key parameters of interference fit fretting damage[J]. Journal of Mechanical Engineering, 2010, 46(16): 53-59. DOI:10.3901/JME.2010.16.053 |
| [7] |
张远彬, 鲁连涛, 曾东方, 等. 微动磨损对过盈配合结构微动参量的影响[J]. 摩擦学学报, 2015, 35(4): 485-494. ZHANG Y B, LU L T, ZENG D F, et al. Influence of fretting wear on fretting parameters of interference fit structures[J]. Tribology, 2015, 35(4): 485-494. |
| [8] |
殷超超, 黄海鸿, 周丹, 等. 激光表面织构对过盈配合界面微动损伤的影响[J]. 摩擦学学报, 2023, 43(12): 1478-1485. YIN C C, HUANG H H, ZHOU D, et al. Effect of Laser Surface Texturing on Fretting Damage of Interference FitInterface[J]. Tribology, 2023, 43(12): 1478-1485. |
| [9] |
CB/Z 338-2005, 船舶推进轴系校中[S]. 国防科学技术工业委员会, 2006.
|
| [10] |
朱理, 庞福振, 康逢辉. 螺旋桨激励力下的舰船振动特性分析[J]. 中国造船, 2011, 52(2): 8-15. ZHU L, PANG F Z, KANG F G. Analysis of ship vibration characteristics under propeller excitation force[J]. Shipbuilding of China, 2011, 52(2): 8-15. |
| [11] |
周萍, 赵应龙, 朱成华. 基于轴系振动特性的轴承磨损容许量计算方法[J]. 兵器装备工程学报, 2023, 44(10): 45-51. ZHOU P, ZHAO Y L, ZHU C H. Calculation method of allowable bearing wear based on shafting vibration characteristics[J]. Journal of Ordnance Equipment Engineering, 2023, 44(10): 45-51. |
| [12] |
顾兴晨. 船舶推进轴系曲线轴线模型及轴承承载特性研究[D]. 武汉: 华中科技大学, 2017.
|
2025, Vol. 47
