2. 武汉理工大学 船海与能源动力工程学院,湖北 武汉 430063
2. School of Naval Architecture, Ocean and Energy Power Engineering, Wuhan University of Technology, Wuhan 430063, China
基于直流组网的综合电力系统是船舶电力系统未来的发展方向[1],相较于交流组网系统,直流组网系统在节能、体积和系统复杂性方面有明显优势[2 − 3]。船舶直流组网系统中,柴油发电机和蓄电池组共同支撑船舶电力系统的运行,蓄电池组各单元之间的荷电状态(State of Charge,SOC)均衡以及柴油发电机与蓄电池组之间的功率合理分配是影响系统稳定运行的重要因素,SOC不均衡可能造成电池提前退出运行,缩短电池寿命,而功率分配不合理则可能导致柴油发电机效率降低、过载风险增加甚至影响系统稳定性[4]。
下垂控制因其简单可靠的特点,被广泛应用于并联蓄电池的充放电控制中[5]。传统固定下垂系数控制方法难以实现蓄电池组SOC的均衡,研究人员在下垂控制基础上构建了下垂系数与SOC的关系,通过调节输出电流实现SOC的均衡控制,然而已有的方法集中在设置下垂系数与SOC值的固定函数关系式上,在I差值较大时效果较好,但在SOC差值较小时均衡速度较慢,难以满足快速均衡的需求[6 − 7]。而针对柴油发电机与蓄电池的功率分配问题,现有方法如主从控制、分布式控制等,难以实现不同类型变流器之间快速精确的功率分配,且需要互联通信,降低了系统可靠性[8]。
针对上述问题,本文提出了基于柴油发电机与蓄电池供电系统2种供电模式下的储能双向DC/DC变流器控制策略。在蓄电池组供电模式下,采用基于蓄电池组SOC差值的变下垂系数控制方法,并引入模糊控制在SOC差值较小时进行均衡加速,以提高SOC均衡的速度和精度;在蓄电池与柴油发电机并联供电模式下,利用蓄电池对功率波动进行瞬时响应,并通过模型预测控制方法对电流控制环进行优化,进一步提升系统的稳定性和效率。
1 直流组网船舶电力系统 1.1 直流组网船舶系统拓扑结构某型号船舶直流组网系统的主电路拓扑如图1所示,该结构分为左、右舷2个直流子系统,每个子系统中供电部分主要由2部分构成:一是蓄电池经储能双向DC/DC变流器器与直流母线连接,实现电能的存储与释放;二是柴油发电机通过整流器将交流电转换为直流电并向直流母线供电,从而为船舶负载提供稳定的电力支持。左、右舷2个子系统可通过直流断路器的开关操作,实现组网或单网运行,满足船舶不同工况的运行需求。
|
图 1 直流组网船舶主电路拓扑 Fig. 1 Main circuit topology of DC grid ship |
在直流组网船舶供电系统中,配备有2台柴油发电机和2组蓄电池组,系统主要存在3种供电工况:
1)左右舷蓄电池组并联供电;
2)1台柴油发电机与左右舷蓄电池组并联供电;
3)2台柴油发电机与左右舷蓄电池组并联供电。
由于第2种与第3种供电工况下柴油发电机与蓄电池组的功率分配特性相似,为简化研究分析,本文将柴油发电机与蓄电池组的供电模式归纳为以下2种:
1)仅蓄电池组并联供电模式;
2)蓄电池组与柴油发电机并联供电模式。
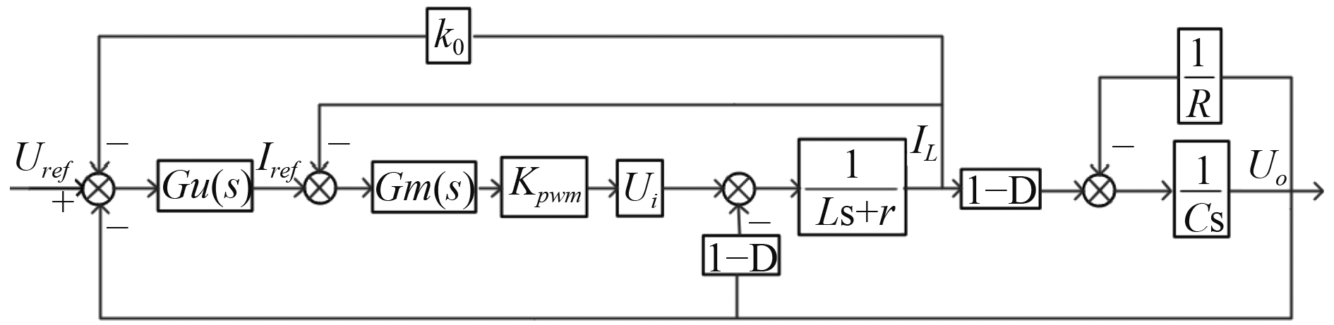
2 双模式下储能双向DC/DC变流器控制策略本文采用的储能双向DC/DC变流器拓扑结构及其控制策略如图2所示,该策略通过电压外环-电流内环双环控制生成PWM脉冲信号,控制开关管的开断,从而实现系统控制目标。在仅蓄电池组并联供电模式下,储能双向DC/DC变流器采用电压-电流PI双环控制结构;在蓄电池组与柴油发电机并联供电模式下,电压环采用PI控制而电流环采用模型预测控制,同时将蓄电池组的下垂系数设置为初始值。
|
图 2 储能双向DC/DC变流器拓扑结构及控制原理框图 Fig. 2 Topology and control principle block diagram of bidirectional DC/DC converter for energy storage |
当船舶处于较小用电负荷下,在蓄电池电量较为充足时,采用左右舷蓄电池组进行并联供电,运用V-I下垂控制进行蓄电池组之间功率分配,下垂控制简化电路如图3所示,下垂控制原理如下:
|
图 3 直流电网简化电路 Fig. 3 Simplified circuit of DC grid |
| $ {U_{dc}} = {U_{Ei}} - ({R_i} + {k_i}){I_i}。$ | (1) |
式中:
在下垂控制下,变流器等同于串联了一个与线路阻抗等效的虚拟阻抗
| $ \frac{{{I_i}}}{{{I_j}}} = \frac{{{k_j}}}{{{k_i}}}。$ | (2) |
变流器输出电压相等,因此其功率之比等于电流之比:
| $ \frac{{{P_i}}}{{{P_j}}} = \frac{{{k_j}}}{{{k_i}}}。$ | (3) |
虚拟阻抗
| $ \left\{ \begin{gathered} {U_{dc}} = {U_{ref}} - ({R_i} + {k_i}){I_i} + \Delta U,\\ {e_i} = \overline {{U_{ci}}} - \Delta U ,\\ \Delta U = ({K_p} + \frac{{{K_i}}}{s}){e_i} + {U_{ci}}。\\ \end{gathered} \right. $ | (4) |
式中:
当各储能单元初始SOC值不一致时,为防止蓄电池在放电过程中因过度放电而提前退出运行,放电过程中应进行SOC的均衡[9]。SOC值变化率与储能单元电流有关,放电电流越大,SOC值下降越快,因此SOC值更大的储能单元应具有更大的放电电流,即设置更小的下垂系数。随着放电过程的进行,储能单元SOC差值逐渐减小,需要根据SOC差值变化调整下垂系数,而在传统下垂控制中,下垂系数固定,难以适应储能电池SOC的动态变化,无法达成SOC的有效平衡,因此引入基于蓄电池SOC的动态下垂控制系数:
| $ k_i=k_0e^{-(S OC_i-\overline{S OC})}。$ | (5) |
式中:
| $ {k_i} = {k_0}{e^{ - m(S OC_i - \overline {S OC} )}}。$ | (6) |
设2组储能单元中SOC值较大者为
| $ \frac{{{k_2}}}{{{k_1}}} = {e^{ - m(SO{C_2} - SO{C_1})}} 。$ | (7) |
下垂系数比值
| $ \Delta\mathrm{\mathit{SOC}}=\mathit{\boldsymbol{\mathrm{\mathit{SOC_{\mathrm{1}}}}}}-\mathit{\boldsymbol{\mathrm{\mathit{SOC\mathrm{_2}}}}},$ | (8) |
| $ k_i=\left\{\begin{gathered}k_0e^{-m_0(SOC_i-\overline{SOC})};\Delta\mathit{\boldsymbol{\mathrm{\mathit{SOC}}}} > 0.02,\\ k_0e^{-m(SOC_i-\overline{SOC})};\Delta\boldsymbol{\mathrm{\mathit{SOC}}}\leqslant0.02。\\ \end{gathered}\right. $ | (9) |
式中:
储能双向DC/DC变流器的输出功率不得超过其最大承载能力,假设储能双向DC/DC变流器的容量上限为
| $ \max \{ {P_1},{P_2}\} \leqslant {P_{\max }}。$ | (10) |
设储能单元间输出功率
| $ a \leqslant \frac{{{P_{\max }}}}{{{P_L} - {P_{\max }}}}。$ | (11) |
式中:
| $ m_0=|\frac{\ln a}{\Delta\boldsymbol{\mathrm{\mathit{SOC}}}}|。$ | (12) |
对于
|
图 4 模糊控制器原理 Fig. 4 Principle of fuzzy controller |
图4中模糊控制系统为单输入单输出系统,模糊控制器输入量为
|
图 5 输入输出隶属度函数 Fig. 5 Membership functions of inputs and outputs |
采用Mamdani模糊推理方法,建立如表1的模糊推理规则,得到m的模糊输出,再进行解模糊,最终输出m的对应值。
|
|
表 1 模糊推理规则 Tab.1 Fuzzy inference rules |
柴油发电机与蓄电池组并联供电时,在稳定运行工况下,系统主要由柴油发电机提供持续的电力供应;当负载出现波动时,蓄电池相比柴油发电机具有更快的响应速度,供电系统通过蓄电池组对瞬时功率变化进行补偿,储能双向DC/DC变流器根据下垂系数实现瞬态功率的合理分配,而柴油发电机则负责承担稳态功率的变化。为维持直流母线电压稳定,整流发电机和储能双向DC/DC变流器均采用恒压输出控制策略;当负载波动超过柴油发电机的额定功率时,柴油发电机保持额定功率输出,其与负载需求功率之间的差值则由储能双向DC/DC变流器进行补充供给。柴油发电机与蓄电池并联供电控制策略如表2所示,其中,
|
|
表 2 并联供电控制策略表 Tab.2 Parallel power supply control strategy table |
储能双向DC/DC变流器的传统控制采用电压电流PI双闭环结构,为提升系统稳定性和动态响应能力,在储能双向DC/DC变流器控制中引入电流模型预测控制方法,外环采用下垂系数为初始下垂系数
|
图 6 电流环采用模型预测的双闭环控制框图 Fig. 6 Dual-loop control diagram with model predictive current control |
用
|
图 7
|
表达式为:
| $ L\frac{{d{i_b}}}{{d{\rm{t}}}} = {U_{b{\text{at}}}} - {U_{dc}}。$ | (13) |
当
|
图 8
|
表达式为:
| $ L\frac{{d{i_b}}}{{d{\rm{t}}}} = {U_{bat}}。$ | (14) |
设离散采样时间为
| $ {i_b}(k + 1) = \frac{{{T_s}}}{L}\left[{U_{bat}}(k) - {U_{dc}}(k)\right] + {i_b}(k),$ | (15) |
| $ {i_b}(k + 1) = \frac{{{T_s}}}{L}{U_{bat}}(k) + {i_b}(k)。$ | (16) |
式中:
同理可得buck模式下的离散化表达式:
| $ {i_b}(k + 1) = - \frac{{{T_s}}}{L}{U_{bat}}(k) + {i_b}(k),$ | (17) |
| $ {i_b}(k + 1) = \frac{{{T_s}}}{L}[ - {U_{bat}}(k) + {U_{dc}}(k)] + {i_b}(k)。$ | (18) |
为了使蓄电池电流能快速、准确地跟踪计算出的电流给定值,根据电流给定值建立如下评价函数:
| $ J = |{I_b}(k + n) - {I_{ref}}|。$ | (19) |
式中:
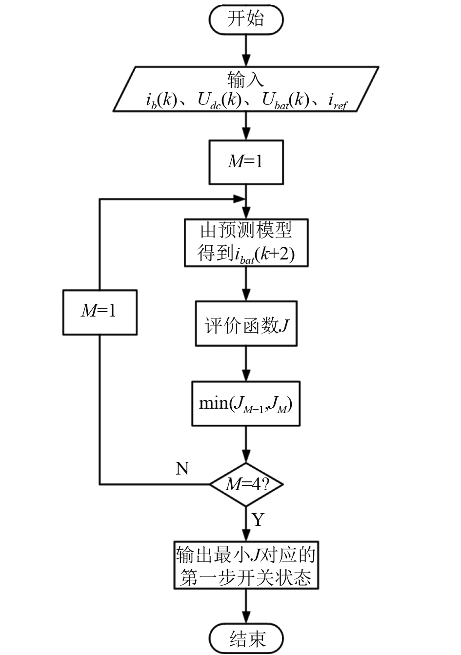
本文采用两步长预测方法,每个步长有2个控制变量,即开关管的导通和关断,故两步长有4个预测结果,以Boost模式为例,电流内环两步长预测流程图如图9所示。
|
图 9 两步长预测流程图 Fig. 9 Two-step prediction flowchart |
为了验证本文所研究方法的正确性和有效性,在Matlab/Simulink中搭建仿真模型,系统主要参数设置如表3所示。
|
|
表 3 系统主要参数 Tab.3 Main parameters of the system |
2组蓄电池并联带500 kW负载,初始状态下2组蓄电池荷电状态SOC1、SOC2分别为0.75和0.7,即SOC初始差值为5%,两储能双向DC/DC变流器初始下垂系数之比
图10为采用定加速因子的变下垂系数控制方法均衡仿真图。可以看出,仿真开始时下垂系数比值最大,此时电流差值也最大,SOC均衡速度最快,随着SOC差值逐渐减小,均衡速度逐渐减慢,下垂系数比值也逐渐趋近于1,在t=438 s时,SOC差值达到0.1%,满足均衡标准,此时下垂系数比值约等于1,2个储能双向DC/DC变流器的工作状态相同,之后将保持相等的电流持续运行,虽然采用定加速因子均衡方法在仿真时间内实现了SOC均衡,但随着SOC差值减小,均衡速度逐渐减慢,降低了均衡效率。
|
图 10 定加速因子均衡方法仿真图 Fig. 10 Simulation diagram of fixed acceleration factor balancing method |
图11为采用分段加速因子的变下垂系数控制方法均衡仿真图。在t=290 s时,SOC差值降至0.1%,与定加速因子均衡方法相比,该方法的均衡时间缩短了34%,更快地实现了SOC均衡。可以看出,采用分段加速因子方法时,当SOC差值达到2%,下垂系数发生突变,恢复到初始状态的比值,此后下垂系数转变为变加速因子模式,依据模糊控制规则进行调整,在此阶段,下垂系数的变化显著变大,均衡速度明显加快,从而减少了均衡时间。
|
图 11 分段加速因子均衡方法仿真图 Fig. 11 Simulation diagram of segmented acceleration factor balancing method |
仿真开始时,柴油发电机与两组蓄电池共同承担
仿真结果表明,采用PI控制的储能双向DC/DC变流器系统(见图12)呈现如下动态特性:系统启动阶段,蓄电池组与发电机协同为直流母线供电,经过0.8 s调节后母线电压稳定于
|
图 12 PI控制方法仿真图 Fig. 12 Simulation diagram of PI control method |
相比之下,采用电流模型预测控制的系统(见图13)展现出更优越的动态性能:系统启动阶段母线电压调节时间缩短38%至0.5 s,且电压超调量降低25%。在同等负载扰动工况下(t=4 s和t=7 s),电压恢复时间分别优化10%和17%。仿真数据表明,模型预测控制通过多步预测优化机制,有效改善了系统的动态响应能力,验证了该控制策略在复杂工况下的优越性。
|
图 13 模型预测控制方法仿真图 Fig. 13 Simulation diagram of model predictive control method |
本文依据不同供电模式下蓄电池组的功能,对储能双向DC/DC变流器采取了不同控制策略,并通过仿真进行了验证。得到以下结论:
1)仅由蓄电池组供电时,基于SOC差值的自适应下垂控制策略能够在保证储能双向DC/DC变流器之间功率合理分配的同时对SOC进行有效均衡,结合模糊控制的变加速因子均衡方法相较于定加速因子方法,能够有效减少均衡时间,提高均衡效率。
2)在蓄电池组与柴油发电机并联供电时,相较于传统PI控制,电流预测控制方法可有效抑制电压波动,提升系统的动态响应性能。本文运用蓄电池对瞬时功率波动进行补偿,而针对瞬时波动功率较大的工况,后续研究可结合超级电容等高功率密度储能装置,进一步优化系统控制策略设计。
| [1] |
付立军, 刘鲁锋, 王刚, 等. 我国舰船中压直流综合电力系统研究进展[J]. 中国舰船研究, 2016, 11(1): 72-79. FU L J, LIU L F, WANG G, et al. Research progress of medium-voltage DC integrated power system for Chinese naval ships[J]. Chinese Journal of Ship Research, 2016, 11(1): 72-79. DOI:10.3969/j.issn.1673-3185.2016.01.009 |
| [2] |
杨光, 牟照欣, 吴迪, 等. 船舶直流组网电力推进技术发展优势[J]. 舰船科学技术, 2017, 39(13): 8-14. YANG G, MOU Z X, WU D, et al. Development advantages of shipboard DC grid electric propulsion technology[J]. Ship Science and Technology, 2017, 39(13): 8-14. |
| [3] |
姜江. 交直流组网技术电力推进系统的对比研究[J]. 船电技术, 2024, 44(3): 74-76. JIANG J. Comparative study of electric propulsion systems based on AC and DC grid technologies[J]. Marine Electric & Electronic Technology, 2024, 44(3): 74-76. |
| [4] |
周寅正, 陈俐. 基于模型预测控制的双机组混合动力船舶能量管理研究[J]. 中国舰船研究, 2024, 19(S1): 74-83. ZHOU Y Z, CHEN L. Research on energy management of dual-unit hybrid-powered ships based on model predictive control[J]. Chinese Journal of Ship Research, 2024, 19(S1): 74-83. |
| [5] |
MORSTYN T, HREDZAK B, AGELIDIS V G. Control strategies for microgrids with distributed energy storage systems: an overview[J]. IEEE Transactions on Smart Grid, 2018, 9(4): 3652-3666. DOI:10.1109/TSG.2016.2637958 |
| [6] |
王凯, 张继勇, 杨树德, 等. 改进型分布式储能SOC自适应下垂控制[J/OL]. 电气工程学报, 1−8[2025-02-17]. WANG K, ZHANG J Y, YANG S D, et al. Improved distributed energy storage SOC adaptive droop control[J/OL]. Journal of Electrical Engineering, 1−8[2025-02-17]. |
| [7] |
CHOWDHURY S M, BADAWY M O, SOZER Y, et al. A novel battery management system using the duality of the adaptive droop control theory[J]. IEEE Transactions on Industry Applications, 2019, 55(5): 5078-5088. DOI:10.1109/TIA.2019.2919497 |
| [8] |
徐戎, 王跃, 潘高峰, 等. 基于双下垂控制的船舶直流组网储能双向DC/DC变流器控制方法[J]. 控制与信息技术, 2020(3): 73-76+92. XU R, WANG Y, PAN G F, et al. Control method of bidirectional DC/DC converter for shipboard DC grid energy storage based on dual droop control[J]. Control and Information Technology, 2020(3): 73-76+92. |
| [9] |
张良, 闫凯宏, 冷祥彪, 等. 基于SOC下垂控制的独立直流微电网协调控制策略研究[J]. 电力系统保护与控制, 2021, 49(12): 87-97. ZHANG L, YAN K H, LENG X B, et al. Research on coordinated control strategy for an independent DC microgrid based on SOC droop control[J]. Power System Protection and Control, 2021, 49(12): 87-97. |
| [10] |
刘胜崇, 帕孜来·马合木提, 葛震君. 基于模糊控制的蓄电池系统储能单元SOC均衡方法[J]. 现代电子技术, 2020, 43(24): 135-139. LIU S C, PAZILAI M H M T, GE Z J. Fuzzy control based SOC equalization method for battery energy storage unit[J]. Modern Electronics Technique, 2020, 43(24): 135-139. |
| [11] |
黄翔, 李留根. 基于模糊控制的直流微电网SOC均衡控制策略[J]. 电力学报, 2019, 34(4): 375-381. HUANG X, LI L G. DC microgrid SOC equalization control strategy based on fuzzy control[J]. Journal of Electric Power, 2019, 34(4): 375-381. |
2025, Vol. 47
