| 西湖凹陷东坡渐新统花港组下段粗碎屑体基准面旋回分析 |
2. 中国石油化工股份有限公司上海海洋油气分公司, 上海 200120
2. SINOPEC Shanghai Offshore Oil & Gas Company, Shanghai 200120, China
东海陆架盆地西湖凹陷是一个北北东走向的狭长形陆相坳陷充填盆地(图 1)。渐新世处于坳陷早期的快速充填,湖泊扩张与收缩的构造旋回之中,尤其在盆地东坡,渐新统花港组下段发育了一套由湿地扇、扇三角洲、辫状河三角洲构成的粗碎屑体。2013~2015年间,西湖凹陷东坡G构造、H构造先后钻井9口,揭示渐新世早期(花港组下段)西湖凹陷东坡粗碎屑沉积体系—湿地扇、扇三角洲、辫状河三角洲内部构成及侧向相变,也展示了东坡沿岸短轴冲积体系丰富的储层类型和勘探前景。
![]() |
| 图 1 西湖凹陷区域构造特征及东坡钻井位置图(T25系花港组下段顶面) |
粗碎屑体的快速相变不仅导致陆相盆地复杂的层序变化,也使砂层间的成因关系增添变数。因此,在高分辨率层序地层学研究中,既要吃透基准面旋回概念在陆相盆地的一般应用,也要注意粗碎屑体系中的中、短期旋回的特殊性。
1 基准面概念自从T.A.Croos(1996,1998)[1]发展了H.E.Wheeler(1964)[2]的基准面概念,在基准面定义中强调了“受海(湖)平面、构造沉降、沉积物负荷及古地形等诸多综合因素制约的一个等势面”,这就是我们目前广泛应用的地层基准面的概念,其中海(湖)平面、构造沉降、沉积物负荷三要素已经转化成广泛使用的“可容空间与沉积补给的比值(A/S)”,而古地形要素,即“基准面旋回中所处的位置”,则是本文强调“粗碎屑体”中如何理解基准面旋回中地层几何形态与接触关系、地层叠置样式、相序、相类型以及岩石结构的变化的理论依据。
目前,基准面旋回概念虽然确立,但实际应用中仍有很多技术问题。比如,一个完整的中级(Vail三级层序)基准面旋回中,层序结构应该如何划分已经出现了多种分歧。有三分的(低位、海进、高位)[3],有两分的(海进,海退)[4],也有倾向四分的(低位,海进,高位,水退)[5]。
基准面概念应用于陆相盆地,摆脱了湖平面的局限性,更能突出碎屑供给对层序结构及演化的控制作用,使“可容空间与沉积补给的比值(A/S)”这一概念更准确地解释陆相充填(特别是斜坡带、粗碎屑体系)的层序结构演化及井间差异。
郑荣才将陆相盆地基准面旋回的级次归纳出6个级别[6],不仅时限概念在实际工作中难以确定,且具体盆地的实际资料往往难以一一对号入座。而邓宏文[7]、何玉平[8]的长、中、短三级划分,其界面特征描述清楚,依据明确,且实际操作多一份灵活性。而本文的探讨采纳两种划分所长,既采纳时限概念,又兼顾实际操作,侧重突出粗碎屑体的特殊性。
总之,西湖凹陷东坡花港组下段陆相粗碎屑体高分辨率层序地层分析的重点就是长、中、短三级基准面旋回界面的识别、划分及内部结构的认识。
2 长周期旋回西湖凹陷构造演化及原盆叠加的前人文献甚多,观点也有多种表述,但新生代盆地发展的三阶段论基本一致。古新世—始新世阶段,关于原型盆地观点有弧后—残余弧后[9]、有裂谷[10]、也有走滑拉张—转换陆缘;而渐新世—中新世阶段,有认为系前陆[9]、也有意见归为陆内拗陷;至于上新世—第四纪,前人一般归入区域沉降阶段[10-11],最近也有弧后盆地陆缘坳陷的提法[12]。长期旋回由盆地构造演化各阶段的沉积充填序列组成,以凹陷范围内的构造不整合面为底、顶界。
2.1 界面识别邓宏文的长周期中,郑荣才划分出“巨旋回” “超长期”两个级别。其依据:(1)区域构造运动,(2)构造演化阶段的应力场转换,分别对应Ⅰ类、Ⅱ类界面。从西湖凹陷发展史看,这两类界面的确存在(图 2)。
![]() |
| 图 2 过H-1井GH-1主测线地层、层序及基准面旋回的关系(时间剖面) |
一类界面T30具有4重属性:(1)始新世/渐新世分界面;(2)原型盆地叠合界面;(3)断裂系统分界面;(4)玉泉运动改造界面。
T30界面在地震剖面上的落实须从钻井、物探两方面认识:
1)钻井上,渐新统花港组底部是一套巨厚砂岩体,这套粗碎屑体发育在低位域,区域性可对比;而T30以下的始新统平湖组为砂泥岩交互地层。G构造、H构造9口钻井(图 3)基本揭穿T30。
![]() |
| 图 3 西湖凹陷东坡花港组下段基准面旋回划分对比 |
2)从地震相看,渐新统花港组底部巨厚砂岩体对应着杂乱反射的地震相,局部存在弱连续现象,这是广阔湿地扇上局部漫滩的地震反应。而T30以下的始新统平湖组砂泥岩交互地层在地震相上显示出良好的连续性,虽然横向上或有后期火成岩改造,但T30上下地震相差异明显(图 2)。
3)T30以下地层处于正断裂系统中,虽然个别断裂后期复活延伸至渐新统、甚至中新统,但是一部分断裂仅仅T30以下地层才有形迹可循,因此,T30也是上下两套断裂系统的分界。
4)GH-1剖面显示了后期多期挤压对界面的改造。这些构造形变既有发生在渐新世末的花港运动,见图 2中①;也有发生在中新世末的龙井运动,见图 2中②和③,T30以下地层褶皱反转。
一类界面T20界面也具有4重属性:(1)中新世/上新世分界面;(2)原型盆地叠合界面;(3)断裂系统分界面;(4)龙井运动改造界面。
确定T20有最清晰的地震资料,龙井运动在西湖凹陷形成最广泛的挤压褶皱,见图 2中②,③,而褶皱顶部剥蚀所形成的角度不整合面、以及盆地边缘的削截特征处处可见。
二类界面T24具有两重属性:(1)渐新世/中新世分界面;(2)花港运动改造界面。
花港运动属于拗陷阶段内部应力场转换界面,花港运动的挤压效应是局部的。GH-1剖面上,花港运动在盆地边缘挤压形成不对称褶皱清晰可见,见图 2中①,褶皱顶部已被T24削截。这一褶皱现象发生在地层向东楔状减薄的斜坡上,凹陷内很少发现。
T24界面由地震、钻井两方面资料确立,地震剖面上有角度不整合面见图 2中①,而井区由G构造、H构造龙井组(中新统)底部巨厚砂体的底部标定(区域资料已确认)。
2.2 期次划分前人构造层序划分中,西湖凹陷盆地演化三阶段分别归入三个一级构造层序,拗陷阶段花港组,龙井组以及玉泉组—柳浪组分别归于3个二级构造层序[13]。从GH-1剖面看,花港运动、龙井运动造成了地层构造形变,盆地边界迁移以及沉积盆地扩张。花港运动(T24),龙井运动(T20)标志着拗陷期两次构造反转。
这两次运动均属挤压性质,虽然地球动力学机制略有差别,但仍视为拗陷阶段的周期性幕式变动。因此,花港运动(T24)应视为拗陷期二级构造层序界面(图 2)。
渐新统花港组的形成起始于玉泉运动(一类界面)、结束于花港运动(二类界面),独立构成拗陷阶段一个二级构造层序。
2.3 内部结构陆相盆地长周期基准面旋回与不同盆地类型的转换、叠加相关。既可能由断陷向拗陷转化,如从古新世—始新世的走滑拉张断陷—转换陆缘盆地;也可能因构造活动突然中断,如龙井运动突然中断了渐新—中新世陆内拗陷[12]。
尽管构造活动控制了盆地发展的阶段性,但是,长周期基准面旋回内部必然包含有若干个三级层序构成。每个三级层序是一套构造活动相对稳定期内,具有较大水深变化幅度的,彼此具有成因联系的地层所组成的区域性湖进—湖退沉积序列。
从图 2可见,对于由T30作为底面、T20作为顶面的拗陷期而言,由H-1井识别的层序界面以及地震特征界定的一类、二类界面划分的一级、二级层序比基准面旋回的长周期划分更为合理。
3 中期旋回中期旋回的界面依据是大型冲刷间断面,这样的基准面旋回在凹陷范围内反应了区域性湖进—湖退沉积序列。从层序地层角度看,相当于三级层序。在地震剖面上可以找到边缘削截以及上超现象。区域资料表明,西湖凹陷花港组下段的顶、底界面(图 3)具有这样的地震特征和区域地质属性。
3.1 界面识别花港组下段底面的地震界面为T30,顶面的地震界面为T25。T30作为一级层序界面,必然符合三级层序界面条件,而T25作为三级层序界面须从钻井特征及地震资料两方面论证。
前人资料中,不仅G构造、H构造花港组上段底部低位域湿地扇特征前人已有描述[14],即使在区域上,花港组上段底部巨厚砂体的底部(T25)作为花港组上下段分界(也是三级层序界面)也是可以追踪对比的[15]。
地震相的差别在T25、T30界面上下都很明显。界面之上是对应着粗碎屑体的弱反射、连续较差的地震相;界面之下对应着(辫状河)三角洲相砂泥交互层的强反射、连续性较好的地震相见图 2。地质体向斜坡上方楔状减薄,界面之上可见上超,界面之下可见削截。
3.2 内部结构内部结构分析从两点入手:(1)体系域分析;(2)短期旋回样式分析。
我国中小型陆相盆地居多,盆地结构复杂,沉积多受构造、气候或一些突发事件影响,碎屑供给充足,具有多物源、多沉积中心、相带窄迁移快的特点。陆相层序地层学已经摆脱了经典层序地层学的束缚,提出许多陆相层序地层模式[16-20],其中最重要的观点就是三级层序四分的问题。
郑荣才对中期基准面旋回级次的划分意见中[6],中期旋回之下进一步细分的短期旋回也是完整的湖进—湖退沉积序列。但是,西湖凹陷早渐新世东坡粗碎屑体系中,显然不属于简单的“水深变化”控相机制,大量粗碎屑沉积体的垂向叠加表明:物源供给在“可容空间与沉积补给的比值(A/S)”中已经明显影响了进积、退积叠加样式。
彭军等人曾对短期各种叠加样式系统分类研究[21],从湖平面升降与物源供给两方面解释了短期旋回变化机理。针对中期旋回的成因地层学体系域划分,配合短期旋回样式分析,可以探讨沉积相垂向成因演化及侧向相变关系见图 3。
地震资料可以勾勒出体系域分布整体轮廓。GH-1测线在T25-T30之间展示了一个三级层序内部不同体系域地震相及具有指相意义的地震终止关系见图 4。低位域(LST)虽然较薄,但上超现象明显;水进域(TST)展示了上游方向上超,下游方向下超,与钻井所呈现的进积现象相吻合见图 3;高位域钻井揭示很薄,地震识别困难,但是高位域+水退域(HST+RST)展示了下游方向下超特征,以及局部被T25削截现象。
![]() |
| 图 4 GH-1测线花港组下段体系域分布 |
3.2.1 低位域
低水位体系域发育在湖平面下降拐点至缓慢上升阶段背景下见图 5,层序A,其底界为区域性侵蚀面,顶界为初始湖进面。低位域沉积垂向上形成加积叠置型式,反映了湖平面下降减缓背景下,河谷处于充填状态,充沛的碎屑供给或可形成短暂的进积态势,垂向沉积反映低可容纳空间向上变深型A1;而低位域末期湖平面缓慢上升可容空间增加,高可容纳空间向上变深型A2出现见图 3。
3.2.2 水进域水进域发育背景系湖平面初始水进至最快水进末期(图 5,B-C阶段)。对于G构造、H构造而言,水进域特点呈现出湖平面上升与碎屑供给充足两个控相因素共同作用下的高可容纳空间向上变浅型见图 3,B2型,旋回特征。
![]() |
| 图 5 中期基准面旋回体系域划分概念模型(根据郑荣才[22]修编,2000) |
水进域底部的初始湖进在钻井之间普遍具有共性,因此,至少具有区带对比之意义。而初始湖进之上的辫状河三角洲显示了缓慢水进背景下的相迁移方向呈强力进积态势,这已经颠覆了常见水进域向上变深的半旋回规律,而进积的深入发展是再次出现湿地扇,表明湖平面控相彻底转化为碎屑供给控制下的基准面旋回见图 3。
图 3展示了从G构造到H构造9口钻井之间水进域逐步侧向相变过程,主要差异发生在水进域早期辫状河三角洲部分,表明凹陷边缘碎屑堆积条件的不稳定性。由于辫状河三角洲前缘细粒相中砂体夹层较多,表明水下侵蚀较强,使辫状河三角洲整体呈现偏砂特征。短期基准面旋回叠加样式主要呈现B2类型见图 3,这是水进域背景下高可容纳空间条件下进积层序,是湖平面上升与碎屑供给共同控相的结果。
水进域后期普遍出现的湿地扇现象与下覆辫状河三角洲存在“自旋回关系”[15],由于缓慢水进促使扇体上游粗碎屑滞留堆积,进而形成不稳定的斜坡条件,而湿地扇环境的不稳定因素,如暴雨、洪水、潜水面,都可能触发上游松散堆积向下游倾泻。因此,以碎屑供给控制的基准面旋回再次处于下降趋势。
3.2.3 高位域高位域对应于凹陷丰水期,经历了湖平面快速上升阶段末期至最大湖泛面见图 5,D段,沉积表现归纳为:
(1)凝缩段,由泥岩、粉砂质泥岩、薄层粉砂岩构成垂向加积或微弱进积;
(2)与下伏地层的相突变,这是快速湖侵相迁移效应。
高位域内部多见C类短期叠加型式(图 3)。陆源粉砂质呈悬浮或潜流状态极易侵入深水环境,这是湖泊相深水环境的特点,因此,湖泊地层的深水相中,最完整、最敏感地保存了陆相环境超短期、或更细微的岩性变化周期。
3.4 水退域在三分思想中[3],这一部分原归属高位域,但是,考虑到该体系域控制着储层分布,单辟一域,更有意义。
水退域后期因为快速水退而出现侵蚀(图 5,G段),因此,水退域仅仅一部分得以保存(E-F段)。在湖平面下降背景下,辫状河三角洲碎屑供给充分增强了基准面下降趋势,前缘出现较厚砂体,短周期旋回多呈低可容纳空间向上变浅(B1)样式。水下分流河道不发育的地区,则以粉砂岩/泥岩交互的C2/C3叠加样式(如H3井)。
从东坡9口钻井花港组下段横向对比看(图 3):
(1)垂向上呈现下粗上细总特征,内部四分。低位域普遍保留,砂体巨厚,沉积背景碎屑供给充足,斜坡较陡;水进域底部初始湖进清晰,但垂向特征颠覆了向上深水化的传统认识,反向序列说明碎屑供给控制基准面变动;高位域普遍出现细粒段,区域可比;水退域的顶部为区域性侵蚀面,地层保留程度差异较大,但向上浅水化特征明显。
(2)在物源供给充足,甚至主导进积、加积或退积关系的控相机制中,中级基准面旋回内部的相变关系较为复杂。中级基准面旋回体系域四分法,刻画了G构造与H构造沿斜坡走向的沉积变化。H构造水进域保持了良好的沉积相相似性,而G2至G3则呈现沉积相过渡关系。从低位域看,H构造向G构造呈沉积相过渡关系。
(3)9口钻井之间垂向层序的相似性仅存在于个别相邻井间,仅限定于特定体系域。G构造与H构造的差异,G构造4口钻井间的差异,均说明东坡沿斜坡多个湿地扇独立发育,或有叠加,呈短轴冲积体系特征。
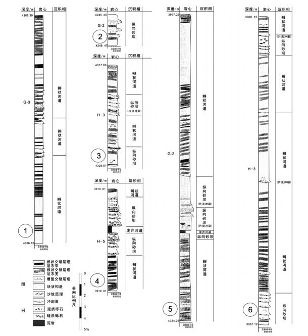
4 如何认识岩心中短期旋回前人关于岩心中辨别短周期旋回的[21]文献多针对三角洲相,仅有少数探讨粗碎屑体[23]。西湖凹陷花港组下段在东坡9口钻井中的取心多在湿地扇、扇三角洲的砂体中(位置见图 3),湖平面主导的基准面变动在细粒段岩心中容易辨识,而粗碎屑体的岩屑粗细变化的成因未必与水深变化相关,因此,判断短周期旋回还需从微相演变成因入手。
以四口钻井(G-2、G-3、H-3、H-5)的花港组下段6个回次取心为例(图 6),分别取自湿地扇巨厚砂体的上部(图 6中①,②,③),中部(图 6中④,⑤)以及下部(图 6中⑥)。
![]() |
| 图 6 西湖凹陷东坡花港组下段岩心微相分析 |
从取心资料看,花港组下段湿地扇巨厚砂体内部包含有辫状河道、纵向砂坝的复合过程。岩心中既有纵向砂坝是一个向上变粗的浅滩化过程,如G-2井4 245.8~4 246.55m(图 7中①,②,③);岩心中出现的片流砾石系浅水暴露标志,或出现在浅滩化的纵向砂坝中(图 7中④,⑤);或间夹在辫状河道块状砂体中标志着间隙性水流。也有河道过程形成向上变细的沉积序列,如H-5井3 912.6~3 914.5m(图 7中⑥,⑦,⑧)。无论哪种情况,都是湿地扇扇面沉积的特有现象。
![]() |
| 图 7 西湖凹陷花港组下段湿地扇岩心照片 |
我们认为:粗碎屑体内部的各种向上变细,或向上变粗层序与水深变化并没有必然关系。粗碎屑体所代表的高能活动背景本身蕴含着微相在上游、下游方向,以及侧向活动的多样性,因此,即便是河道演化的正向序列并不代表基准面上升半旋回;纵向砂坝的浅滩化也不意味着基准面下降半旋回。
由于粗碎屑体既有频繁侵蚀所导致的沉积过程残缺问题,又有微相侧向迁移活动强烈的特征,因此,前人关于岩心资料中短周期的探讨[8]仍有商榷之处。我们认为:岩心中的短周期识别应以水深变化控相为前提,正如邓宏文[7],彭军[21]所举范例多为三角洲环境,只有三角洲前缘部分的砂泥交互清晰地反映出湖平面变动的控相作用。因此,粗碎屑体充足碎屑供给所控制的基准面变动方向应在较大尺度范围内考察,应是一套反映进/退积,亦或加积的微相迁移垂向层序。
总之,钻井资料中的基准面短期旋回可以从测井、岩心两方面确定。但岩心资料中只有与低幅水深变化有关的沉积构造,正反韵律等沉积学特征可用以刻画短期、超短期旋回。
5 讨论对于粗碎屑体沉积体系而言,基准面旋回研究有三点值得注意:
(1)水进域砂体成为对比难点
粗碎屑体发育在斜坡近源背景下,三级层序界面在地震资料上有波组终止关系可循,钻井上可借鉴区域对比成果。但是,粗碎屑体内部复杂砂体间的成因关系则须以体系域分析为依据,也是确立层序格架的难点。
在三级层序内部,基准面控相仍是体系域对比依据。而粗碎屑体沉积背景下,虽然物源供给对湖平面升降的影响明显增大,但低位域“加积+退积”,高位域“加积”,水退域“进积”的整体特征没有变化,因此,井间对比相似度很高。只有水进域在可容空间增加,碎屑供给增强的双因素控相下,可以发育“高可容空间向上变浅型非对称型”短期旋回,使粗碎屑体砂体对比分歧增多,G构造、H构造9口钻井的最大相变就发生在水进域,见图 3。
(2)岩心识别短期旋回须谨慎
岩心分析可以帮助识别短期、超短期基准面旋回,但是,前提条件必须是“低幅水深变化控制的、彼此间成因联系极为密切的相似岩性、岩相地层的叠加组成了湖进—湖退沉积序列”[6]。这段定义中,既排除了侵蚀冲刷频繁的强水流高能环境,也要求岩心短周期旋回是一段连续沉积。
而G、H构造现有取心多为湿地扇,该环境间隙性水流既有气候因素,也与辫状河道体系的分散水流有关。这种间歇性水流河道与砂坝之间频繁岩相切换(图 6);而且薄层坡面流致使片流砾石经常出现在砂体顶部[14]。因此,粗碎屑体砂体内部微相迁移不能认定为短周期、超短周期旋回。
(3)基准面划分既有构造因素,也有水深变化
基准面研究是高分辨率层序地层学研究的基础,A/S比值既有小旋回意义,也有大旋回意义。基准面研究目的在于建立不同尺度的等时框架,提高砂体追踪对比以及几何形态的描述精度,揭示砂体内部非均质性。
所谓大尺度,陆相盆地莫过于构造活动周期,以构造活动作为长周期界面成为必然。就西湖凹陷而言,长周期内是一个盆地的沉积演化充填过程,其中盆地发展的阶段性、构造活动强弱变化、物源供给、构造坡降的变化构成了A/S比值的大旋回意义。
而中周期基准面的确立则是构造活动相对稳定阶段,由大幅水深变化控制的水进—水退旋回。一个完整的中周期必然可以四分,这给井间砂层对比提供了理论依据。
短周期旋回的对比价值仅限于水深变化控相机制中三角洲前缘、湖泊相等。
| [1] |
Cross TA, Lessenge M A. Sediment Volume Partitioning:Rationale for Stratigraphic Model Evaluation and High-Resolution Stratigraphic Correlation[M]//Gradstein FM, Sandvik KO, Milton NJ. Sequence Stratigraphy-Concepts and Applications. Norwegian Petroleum Society(NPF)Special Publication. Amsterdam:Elsevier, 1998, 8, 171-195.
( 0)
|
| [2] |
Wheeler H E. BaselevelTransit Cycle[M]//MerriamDF. Symposium on Cyclic Sedimentation. Kansas:KansasGeological Survey Bulletin, 1964, 169, 623-630.
( 0)
|
| [3] |
Van Wagoner J C, Posamentier H W, Mitchum R M. et al. An overview of the fundamentals of sequence stratigraphy and key definitions[M]//Wilgus C K, Hastings B S, Kendall C G St C, et al. Sea-Level Changes:An Integrated Approach. The Society of Economic Paleontologists and Mineralogists, Special Publication, 1988, 42, 39-45.
( 0)
|
| [4] |
Embry A F. Transgressive-Regressive(T-R) Sequence Analysis of the Jurassic Succession of the Sverdrup Basin, Canadian Arctic Archipelago[J].
Canadian Journal of Earth Sciences,1993, 30 (2) : 301-320.
doi: 10.1139/e93-024 ( 0)
|
| [5] |
胡受权, 颜其彬. 泌阳断陷双河-赵凹地区陆相层序地层学模式[J].
地质科学,1998, 33 (4) : 435-446.
( 0)
|
| [6] |
郑荣才, 彭军, 吴朝容. 陆相盆地基准面旋回的级次划分和研究意义[J].
沉积学报,2001, 19 (2) : 249-255.
( 0)
|
| [7] |
邓宏文, 王洪亮, 李熙喆. 层序地层地层基准面的识别、对比技术及应用[J].
石油与天然气地质,1996, 17 (3) : 177-184.
doi: 10.11743/ogg19960302 ( 0)
|
| [8] |
何玉平, 刘招君, 杜江峰. 高分辨率层序地层学基准面旋回识别[J].
世界地质,2003, 22 (1) : 21-25.
( 0)
|
| [9] |
陈琳琳, 王丽顺, 黄卫权. 西湖凹陷第三纪盆地演化及沉积特征[J].
上海地质,1996 (1) : 48-53.
( 0)
|
| [10] |
李上卿. 东海西湖凹陷新生代地质构造特征与演化[J].
海洋石油,2000 (2) : 8-14.
( 0)
|
| [11] |
张建培, 徐发, 钟韬, 等. 东海陆架盆地西湖凹陷平湖组-花港组层序地层模式及沉积演化[J].
海洋地质与第四纪地质,2012, 32 (1) : 35-41.
( 0)
|
| [12] |
朱立新, 宋在超. 东海西湖凹陷原型盆地构造格架与演化分析[J].
海洋石油,2016, 36 (1) : 1-6.
( 0)
|
| [13] |
贾健谊, 顾惠荣.
东海西湖凹陷含油气系统与油气资源评价[M]. 北京: 地质出版社, 2002 .
( 0)
|
| [14] |
陈琳琳. 西湖凹陷北部渐新统花港组湿地扇沉积学分析[J].
复杂油气藏,2015, 8 (4) : 1-6.
( 0)
|
| [15] |
陈琳琳, 李昆, 肖剑南. 西湖凹陷渐新统花港组体系域分析及地层对比意义[J].
复杂油气藏,2016, 9 (3) : 5-9, 39.
( 0)
|
| [16] |
张世奇, 纪友亮. 陆相断陷湖盆层序地层学模式探讨[J].
石油勘探与开发,1996, 23 (5) : 20-23.
( 0)
|
| [17] |
郑荣才. 四川盆地下侏罗统大安寨段高分辨率层序地层学[J].
沉积学报,1998, 16 (2) : 42-49.
( 0)
|
| [18] |
胡受权, 郭文平, 颜其彬, 等. 断陷湖盆陆相层序中体系域四分性探讨——泌阳断陷下第三系核桃园组为例[J].
石油学报,2000, 21 (1) : 23-28.
doi: 10.7623/syxb200001004 ( 0)
|
| [19] |
操应长. 断陷湖盆层序地层下降体系域的划分[J].
石油大学学报(自然科学版),2000, 24 (1) : 22-25.
( 0)
|
| [20] |
操应长. 断陷湖盆中强制湖退沉积作用及其成因机制[J].
沉积学报,2005, 23 (1) : 84-90.
( 0)
|
| [21] |
彭军, 郑荣才, 陈景山, 等. 百色盆地那读组短期基准面旋回层序分析[J].
沉积学报,2002, 20 (2) : 203-209.
( 0)
|
| [22] |
郑荣才, 尹世民, 彭军. 基准面旋回结构与叠加样式的沉积动力学分析[J].
沉积学报,2000, 18 (3) : 369-375.
( 0)
|
| [23] |
苗小龙, 王红亮, 于波, 等. 高分辨层序地层学中A/S值量化方法的研究与讨论[J].
沉积学报,2013, 31 (6) : 1088-1093.
( 0)
|
2017, Vol. 37









0)