同时硝化/反硝化除磷(Simultaneous Nitrification /Denitrification Phosphorus Removal,缩写SNDPR)工艺是指促使反硝化聚磷菌(Denitrifying Phosphorus Accumulating Organisms缩写DNPAOs)替代同时硝化反硝化(Simultaneous Nitrification and Denitrification,缩写SND)工艺中的常规反硝化菌,成为反硝化过程的优势菌群,使硝化和反硝化除磷两个过程得以同时发生.常规反硝化是指反硝化菌在缺氧条件下利用碳源将NO3-N还原为N2 降低TN,而TP不变化.好氧除磷是指聚磷菌在好氧条件下,将厌氧释放的TP过量吸收来降低TP,而TN不变化.这两反应条件迥异的过程在传统脱氮除磷中是必须分开进行,不能同时发生的,而反硝化除磷是指DNPAOs在缺氧或低氧时,能利用碳源和硝酸盐氮同时进行脱氮和除磷,造成TN和TP同时降解,可实现“一碳两用”和“一菌两用”,但又面临着与硝化菌和好氧PAOs之间对DO的需求矛盾(Qian et al., 2009).DNPAOs理想生存条件是不存在分子氧,却需要化合态氧即硝酸盐,硝化菌是硝酸盐产生的源头,硝化菌生存必须有一定量的分子氧存在,而分子氧的存在又会引起DNPAOs体内PHB(聚β羟基丁酸脂)的消耗,削弱反硝化除磷的碳源,因此DNPAOs和硝化菌的生存环境是相互矛盾又相互联系的,而低氧微环境的控制可解决两者共存的矛盾问题.另外,ORP和pH的变化规律,能不同程度反映脱氮除磷生化反应的进程,可作为过程控制参数(Akın and Ugurlu,2005;Chen et al., 2002),ORP能很好地反应DO的变化,尤其是在DO浓度非常低,难以直接用探头测定的条件下,因此ORP值的测定已被用于低氧曝气过程的控制(Lo et al., 1994).同时,PHB是由水中易生物降解COD转化而来,被视为一种溶解性COD,但PHB的氧化速率要小于其它溶解性COD(Third et al., 2003;王亚宜,2006),因此,PHB被作为慢速可生物降解的COD.研究证明,PHB的积累及消耗是PAOs 的明显特点(陈曦等,2009;高尚等,2008),且厌氧/低氧交替运行的SBR内易于微生物体内PHB的积累(Keller et al., 1997;吴光学和管运涛,2005),而微生物体内积累的高浓度PHB,就相当于污水中含有高浓度的COD(Beun et al., 2002),反应系统内高含量PHB的积累,有利于弥补碳源偏低污水发生SND时所存在的碳源不足导致TN去除率降低的缺陷,提高SND的硝化和反硝化的平衡程度和脱氮效率(Thirda et al., 2005;方茜等,2009),这点对低碳城市污水SNDPR的稳定控制是非常有利的.由此可见,若能确保在SNDPR过程中,硝化和反硝化除磷同时发生的低氧微环境、及其所利用的碳源为初始厌氧段内DNPAOs所合成的PHB,则可为这两个反应的动态平衡提供理想的控制条件.因此,开展基于PHB为碳源驱动力的SNDPR工艺研究,不仅可解决传统工艺在处理碳源偏低城市污水时,实现同步脱氮除磷时的矛盾和碳源难题,而且其所具有的碳源和能耗方面的优势,还可为低碳污水脱氮除磷工艺的发展,提供一种新的思路和途径.目前,国内外关于SNDPR过程内PHB的变化规律及控制、PHB耦合电化学参数控制SNDPR内在关联性等方面的研究还未见报道.
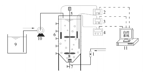
2 材料与方法(Materials and methods) 2.1 试验装置试验装置如图 1所示.SBR反应器直径20 cm,圆柱体高44 cm;反应器底部为圆台型,高10 cm,总容积13 L,有效容积12 L;自控装置控制进水、曝气/非曝气和沉淀等操作过程,在非曝气段采用电动搅拌器进行搅拌;采用气泵曝气,转子流量计调节气量,粘砂块作为微孔曝气器;反应器内设置温度控制仪用于调控水温;在反应器中装有DO、ORP和pH传感器,在线监测反应过程中DO、ORP和pH值的变化情况.高位水箱用于贮存水量和控制进水,有效容积40 L.
![]() |
| 图 1 SBR试验装置图(1.气体流量计 2.pH仪 3.DO/ORP仪 4.温控仪 5.搅拌机 6.取样口7.排泥管8.曝气头 9.贮水箱 10.进水泵 11.电脑) Fig. 1 Schematic diagram of SBR system(1.air float meter;2. pH sensor; 3. DO/ ORP sensor; 4. temperature meter;5.stirrer; 6. sampling point;7. discharge sludge and wastewater valve;8. air stone;9. wastewater tank;10. influent water pump;11.computer) |
试验所用污泥取自广州沥滘污水处理厂曝气池的回流污泥,污泥分为两个阶段驯化:第一阶段采用厌氧/好氧方式,主要目的是培养硝化菌和聚磷菌,共75个周期;第二阶段采用厌氧/缺氧/好氧方式进行分步驯化,通过逐步延长缺氧时间,相应增加硝酸盐浓度,进行DNPAOs的富集与强化,在此阶段,厌氧结束后静沉,排出上清液,然后加入不含有机物的配水,以减少剩余有机物对反硝化吸磷的影响,进行缺氧/好氧的运行,共45个周期.经过两阶段培养后,采用缺氧吸磷速率和好氧吸磷速率的比值来计算出DNPAOs在全部聚磷菌中所占的比例由42.7%提升至85.9%(Wachtmeister et al., 1997),硝化效率由90.7%提升至92.2%,实现了硝化菌和反硝化除磷菌的共存.成熟污泥呈黄褐色颗粒状,其形态见图 2.
![]() |
| 图 2 成熟污泥形态 Fig. 2 The mature sludge |
试验用水为人工配制的模拟污水,主要以乙酸钠为有机碳源,NH4Cl为氮源,KH2PO4为磷源,以MgSO4·7H2O、FeSO4·7H2O和NaCl等作为微量元素的来源,以NaHCO3作为pH调节剂.水质如表 1所示.
| 表1 模拟污水水质 Table.1 Characteristics of synthetic wastewater |
试验设计了两种曝气方式:恒定不同气量(30、40、50 L · h-1和60 L · h-1)CA模式、恒定气量IA模式(其运行方式见表 2),在整个IA模式下,曝气量恒定为40 L · h-1,根据间歇曝气时间的长短(间歇曝气频率fIA)分为a、b、c、d、e等5种不同的运行工况.其中,c、d和e工况的曝气百分数(1个反应周期内曝气时间占总反应时间的百分数,Aeration Fraction,简称AF)为0.5;a和b工况的AF值为0.83和0.75.为了更好反映间歇曝气时间短情况下ORP和pH值的变化规律,ORP和pH值每隔1 min记录1次,然后计算5 min之内的平均值,这2个参数的一阶导数通过相邻2个均值来计算.每种运行方式的污泥龄控制在16 d左右,污泥浓度约为4000 mg · L-1左右,WER为0.8左右,HRT为5 h.
| 表2 曝气模式运行工况 Table.2 Operating conditions of intermittent aeration mode |
试验中主要的分析项目包括:COD、PHB、TN、NH+4-N、NO-3-N、NO-2-N、DO、pH和ORP等.其中,PHB采用气相色谱法(Wang and Yu, 2001),DO、pH和ORP采用WTW的系列仪器进行在线检测,其余项目分析方法均采用国家环境保护局(2002)发布的标准方法.
3 结果(Results) 3.1 SNDPR系统内PHB与氮磷去除的定量关系在SNDPR稳定运行过程中,采用重现性和稳定性良好的试验数据分析PHB与氮磷去除之间的定量关系.厌氧段内,外碳源COD与DNPAOs体内PHB合成和厌氧磷释放的定量关系如图 3所示,好氧段内,以外碳源最大量转化来的PHB为唯一碳源驱动力,其转化量与TN和TP降解量的定量关系如图 4所示.由图 3得出CCOD=-3.5478CPHB+234.78(R2=0.9957)和CTP=0.4817CPHB+3.87(R2=0.9987),可知厌氧段每合成1 mg的PHB将消耗3.55 mgCOD同时释放0.4817 mg的磷酸盐,由图 4得出ΔTP=0.7762ΔPHB-0.7945(R2=0.9989)和ΔTN=0.3925ΔPHB-1.0087(R2=0.9890),可知PHB转化与TN和TP去除呈现很好的关联性,PHB降解同时促进了磷吸收和脱氮,实现了“一碳两用”,有效利用了碳源,缓解了反硝化脱氮和吸磷对有机碳源的竞争.
![]() |
| 图 3 厌氧段PHB合成与COD降解曲线关系图 Fig. 3 The curve of PHB synthesis and COD degradation in the anaerobic phase |
![]() |
| 图 4 反硝化脱氮和吸磷与PHB线性关系 Fig. 4 The linear relationship of denitrification and phosphorus absorption with PHB |
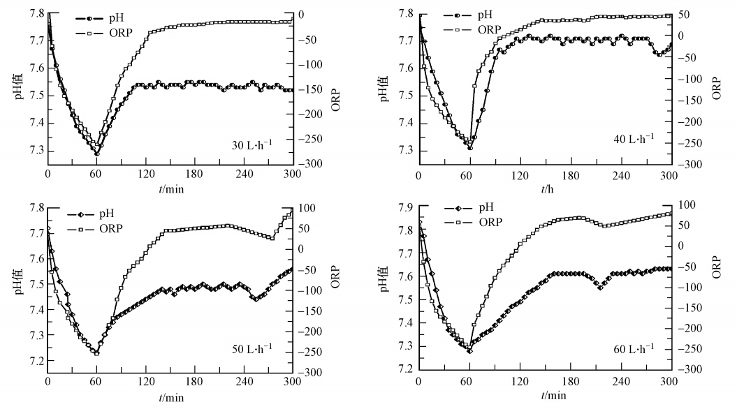
在恒定曝气量分别为30、40、50 L · h-1和60 L · h-1的CA反应周期内,PHB、COD、TN、TP与ORP和pH的变化规律如图 5和图 6所示.由图 5可看出,随曝气量增加,TP去除率逐渐增大而TN去除率则相反,其最大去除率出现在40 L · h-1(79.9%).结合COD和PHB的曲线,COD经过厌氧段后,最大量转化为PHB,进入曝气段后,PHB则成为唯一的碳源被DNPAOs利用分解,进行反硝化脱氮和吸磷,随曝气量增加,PHB稳定降解时间分别为4 h、4 h、3.5 h和3 h,逐渐缩短,平均降解速率分别为7.73 mg · g-1 · h-1、11.03 mg · g-1 · h-1、12.92 mg · g-1 · h-1和14.37 mg · g-1 · h-1,逐渐增快.由图 6可看出,进入曝气段后,pH和ORP曲线均呈上升趋势,但速率不同,以至不同气量升至“平台”所需时间不同.随气量增加,ORP和pH曲线进入“平台”时间点大致为反应进行后第110 min、120 min、140 min和160 min.pH曲线进入“平台”时,意味着所有化学反应的产碱和耗碱能力相当,而ORP曲线进入“平台”则表示过程中氧化还原能力稳定,两者均达平台时,表明硝化和反硝化速率平衡,稳定而完全SNDPR的发生.气量越大,硝化速率越快,而反硝化除磷速率却滞后,导致两反应速率失衡,pH曲线进入平台期越晚,所持续时间分别约为190 min、160 min、130 min和50 min左右,越来越短,完全SNDPR过程稳定时间亦越短.周期内气量30 L · h-1时,ORP曲线的 “平台” 虽然一直持续反应结束,但其TN和TP去除率均最低,且PHB降解速率慢,但剩余多,而其余3种气量的pH曲线,在反应后期均先后出现了明显的“谷点”,即硝化反应的中止,且随气量增加,“谷点”出现时间越早,“平台”持续时间越短.因此,在CA模式下,随曝气量增加,系统越难维持稳定的SNDPR过程.当周期内曝气量为40 L · h-1时,硝化和反硝化除磷速率越接近平衡,TP和PHB在反应3 h内的降解速率基本相当,致使系统能维持持续稳定的低氧过程,发生了稳定而完全的SNDPR过程,同时脱氮除磷的效果最好,因此当周期内恒定气量为40 L · h-1时,适宜一定程度的SNDPR过程实现.
![]() |
| 图 5 恒定不同气量CA模式下TN、TP、COD及PHB的变化规律 Fig. 5 Changes of TN,TP,COD and PHB at different air fluxes in CA |
![]() |
| 图 6 恒定不同气量CA模式下ORP及pH的变化规律 Fig. 6 Changes of ORP and pH at different air fluxes in CA |
综上,在CA模式下,过高或过低的气量均不利于稳定而完全SNDPR的发生,亦即SNDPR的发生并不能持续至反应结束.
3.3 恒定气量IA模式下的SNDPR过程在恒定气量40 L · h-1的IA模式下(表 2所示),氮磷转化及ORP、 pH变化规律如图 7、图 8和图 9所示.由图 7可看出,a、b、c、d和e 5个工况下,TN和TP均呈持续下降的趋势,其中c工况下TN和TP去除率均高于其他工况,分别为87.9%和93.5%,结合气量为40 L · h-1时(图 5)的氮磷降解情况可知,IA条件下工况a、b和c的TN去除率(均在80%以上)皆高于CA模式(79.9%),TP在a、b和c 3种工况下均保持较高去除率(90%以上),并随AF值减小而增加.COD在厌氧结束时,最大量转化为PHB,曝气阶段中PHB作为反硝化脱氮除磷的唯一碳源驱动力,5种工况下其降解率依次为76.5%、76.8%、79.5%、69.1%和56.5%.在a、b和c前 3种工况下,随AF降低稳定持续时间依次为 3 h、3 h和4 h,降解速率下降,比较c、d和e 3种工况,可知在曝气量和AF值相同情况下,随fIA值减小,PHB降解速率增加,效率降低.由图 8可看出,随AF值减小,dORP/dt值越小,相应ORP曲线的波幅变化越来越小.而ORP曲线波幅变化大小预示硝化和反硝化除磷速率的平衡及SNDPR稳定性的好坏,dORP/dt值越大,说明平衡及SNDPR系统稳定性越差,而当dORP/dt越趋向于0,表示 SNDPR完全稳定性最好.由图 9可看出,a和b工况下,pH曲线在整个反应过程均呈下降趋势,这规律与ORP曲线相反,但其实际意义相同,都是因为系统硝化速率大于反硝化除磷速率.在a和b工况,pH曲线均出现“谷点”,预示硝化反应结束,a工况比b工况pH曲线的“谷点”时间早,意味着a工况硝化反应结束时间更早,曝气AF值小更有利于SNDPR的实现,d和e工况,pH曲线随时间推移,均呈现顺序式上升和下降,在曝气段硝化速率大于反硝化除磷速率,进入非曝气段后,DNPAOs继续摄取硝酸根进行反硝化除磷过程,因而pH值呈上升趋势.c工况pH曲线平缓,其dpH/dt值始终在横坐标轴附近波动且波动幅度皆小于d和e工况,由此可知,在曝气量和AF值相同情况下,fIA值越大越有利于SNDPR工艺发生,在IA模式下,c工况的TN和TP去除率均最佳,且ORP和pH曲线波幅最小,其值均趋向稳定.
![]() |
| 图 7 恒定气量IA模式下TN、TP、COD及PHB的变化规律 Fig. 7 Changes of TN,TP,COD and PHB at air flux in IA |
![]() |
| 图 8 不同间歇曝气工况ORP和dORP/dt变化曲线 Fig. 8 Curves of ORP and dORP/dt in intermittent aeration conditions |
![]() |
| 图 9 不同间歇曝气工况pH和dpH/dt变化曲线 Fig. 9 Curves of pH and dpH/dt in intermittent aeration conditions |
因此,IA模式下,低AF值和高fIA有利于系统pH值和ORP值趋向稳定、硝化和反硝化除磷反应速率平衡及实现完全而持续的SNDPR过程.
4 讨论(Discussion) 4.1 PHB碳源驱动速率的稳定性试验控制PHB为SNDPR过程中反硝化除磷的唯一碳源驱动力,PHB降解速率直接影响反硝化除磷速率,在无外加NO-3条件下,反硝化除磷所需的电子受体来源于硝化反应,其速率受限于硝化速率,因此PHB作为碳源驱动反硝化除磷的速率,直接影响两反应速率的平衡.PHB瞬时降解速率,即在生化反应过程中某一时刻PHB降解速度的大小,理论上发生稳定而持续SNDPR过程时,PHB瞬时降解速率应为一个常数,且整个反应中平均降解速率应等于这个常数,要实现稳定而持续SNDPR过程,需控制PHB瞬间降解速率趋向一个稳定值.通过两种曝气模式试验发现,CA模式较难维持PHB稳定降解(见图 5),低气量(30 L · h-1)时虽然能维持较长时间,但硝化不完全而抑制了PHB降解,从而导致SNDPR过程中止,因而不能实现整个反应过程PHB降解趋向稳定;高气量(50 L · h-1和60 L · h-1)时连续供氧,PHB降解速率剧增,PHB稳定降解时间缩短,此时由TN和TP的降解情况看(图 5),PHB降解主要用来好氧吸磷,而不是反硝化除磷,好氧吸磷时PHB降解速率远快于反硝化除磷速率,从而,又破坏了SNDPR过程.在气量适中(40 L · h-1)时,PHB稳定降解速率相对低且持续时间长.此时TN和TP降解效率均高于其它3种工况,发生了一定程度的SNDPR过程.在IA模式下(图 7),PHB持续稳定时间与降解速率主要与AF和fIA有关.在恒定气量下,随着AF值降低,PHB降解持续时间增加,降解速率变缓,效率增加,恒定AF时,随fIA值减小,PHB降解速率增加,但降解效率降低,且降解曲线呈折线型,预示PHB降解速率不均衡,较难维持稳定PHB降解,亦不易实现SNDPR过程;高fIA值工况是一种缩短曝气/非曝气时间和增加交替变化次数的供氧方式,有利于减缓微生物体内PHB降解速率,使PHB在反应过程中达到均匀降解(吴光学和管运涛,2005),实现硝化和反硝化除磷反应的平衡,工况c的PHB曲线在5种工况中最平稳,降解效率最高且速率最适中,因此其工况下SNDPR效果最佳.
由此可知,PHB作为唯一碳源驱动力、及其降解速率的匀速及稳定控制着反硝化除磷速率的匀速及稳定,有利于平衡硝化和反硝化除磷速率,是稳定而完全SNDPR实现的关键.
4.2 ORP和pH的稳定性试验中发现,当dORP/dt和dpH/dt曲线围绕横坐标的波幅逐渐减小,趋于零刻度时,ORP和pH值均趋于平稳(图 8和图 9),在此条件下,系统发生了持续稳定的SNDPR过程,TN和TP去除率均得到明显提高(图 7),这意味着ORP和pH值的稳定性控制着SNDPR的持续稳定.理论上发生完全SNDPR过程需要硝化和反硝化除磷速率均衡,即氧化和还原过程平衡.而ORP值上升表示系统硝化速率即氧化能力的增加,反之降低则表明反硝化除磷速率上升即还原能力的增加,当进行SNDPR过程时,硝化和反硝化除磷速率如达到平衡,此时ORP值应为一个稳定常数,该常数是完全SNDPR过程所需的最优ORP值.但在实际运行过程中,由于各种动态因素的影响和ORP对反应条件的敏感性,在整个SNDPR过程内始终保持最优ORP值较为困难.如果能控制ORP波动范围逐渐缩小并趋于无穷小时,系统内的ORP值就无穷地接近ORP均值,而ORP均值就越接近完全SNDPR理论上所需的最优ORP值,这一点可从IA模式下的c工况中得到验证.此时dORP/dt趋向于0,ORP曲线为一直线,ORP值趋于一常数,此时系统TN和TP去除率最高.另外,由于硝化过程消耗碱度造成pH值降低,而反硝化除磷过程产生碱度使pH值增加,理论上完全SNDPR过程中硝化和反硝化除磷速率平衡,则pH值曲线应为一条稳定的直线.IA模式的c工况(图 9)可证明这点,CA模式下pH稳定时间越长SNDPR效果越好(图 6).
综上,ORP和pH值的稳定性对硝化和反硝化除磷速率平衡具有控制作用,因此也是SNDPR过程持续稳定的控制因素.
4.3 曝气百分数AF和频率fIA在相同曝气量和反应时间内,AF值的大小可表明反应过程内总气量的大小.如恒定气量40 L · h-1运行4 h的IA模式下,AF值分别为0.83、0.67和0.50时,整个反应过程的总气量分别为132.8 L、107.2 L和80.0 L亦即随AF的减小,总供气量明显降低.这不仅能够节约能源消耗,而且有利于维持系统内的低氧微环境条件(Holman and Wareham,2005),而低氧条件是SNDPR发生的必要条件,这一点在本实验中也得到了证实.SNDPR的持续稳定性和TN及TP的去除率随AF的减小而增加,最佳效果出现在IA模式的c工况下(图 7).因此,AF值影响着SNDPR过程所需的外因条件,即低氧微环境的形成.因此,在恒定曝气量的IA模式下,AF也是控制SNDPR过程持续稳定的重要参数.
fIA值表示IA模式下反应周期内曝气或非曝气段的次数,在相同气量、AF值和时间内,fIA值增大,可相应增加反应过程中曝气/非曝气交替循环的次数,有利于ORP和pH值保持稳定(图 8和图 9),促使DNPAOs体内贮存的PHB慢速降解,有利于减缓PHB降解速度,平衡PHB降解和硝化速率(图 7),防止DPB摄取O2进行有氧呼吸降低反硝化除磷效率,从而促进SNDPR过程TN和TP去除效率提高(Thirda et al., 2005;吴光学和管运涛,2005).fIA增高的IA模式可为PHB的积累创造了良好环境,解决碳源偏低污水发生SNDPR时所存在的碳源不足而导致TN和TP去除率降低的问题.
5 结论(Conclusions)1)外碳源最大转化量与DNPAOs体内PHB贮存量之间具有良好的相关性,PHB转化与反硝化除磷两者具有直接的关联性.PHB作为SNDPR的碳源驱动力,其降解速率决定着反硝化除磷速率.控制PHB匀速降解,利于硝化与反硝化除磷反应速率的均衡,是碳源偏低污水实现完全而稳定SNDPR过程的关键.
2)连续曝气模式下,能发生一定程度的SNDPR过程,其持续稳定和完全程度随气量增加而降低.在此模式下,ORP和pH曲线“平台”预示着硝化与反硝化除磷速率的相等,pH曲线上的“谷点”预示硝化作用的结束.
3)间歇曝气模式下,ORP和pH值的稳定程度控制着SNDPR过程的稳定和完全程度.ORP和pH值的波幅越小,ORP均值的均化程度就越高、稳定性愈强,pH值亦愈趋于中性而稳定,相应的SNDPR过程就越趋于完全和稳定.提高fIA值可减缓PHB的降解速率,有利于硝化和反硝化速率的平衡和ORP及pH值的稳定,能更好促进碳源偏低污水中持续稳定SNDPR过程的实现.AF值控制着SNDPR过程所需的低氧条件,其持续稳定性和TN及TP去除率随AF值的减小而增加.
| [1] | Akın B S, Ugurlu A. 2005. Monitoring and control of biological nutrient removal in a Sequencing Batch Reactor [J]. Process Biochemistry, 40(8): 2873-2878 |
| [2] | Beun J J, Dircks K, Van Loosdrecht M C M, et al. 2002. Poly β-hydroxybutyrate metabolism in dynamically fed mixed microbial cultures[J]. Water Research, 36(5): 1167-1180 |
| [3] | Chen K C, Chen C Y, Peng J W, et al. 2002. Real-time control of an immobilized-cell reactor for wastewater treatment using ORP [J]. Water Research, 36(1): 230-238 |
| [4] | 陈曦, 戴兴春, 黄民生, 等. 2009. A2/O系统PHB和OUR监测及其分析研究[J]. 工业水处理, 29(9): 77-80 |
| [5] | 方茜, 张朝升, 杜馨. 2009. 间歇曝气模式对同步硝化反硝化稳定性的影响[J]. 环境科学学报, 29(7): 1411-1418 |
| [6] | 高尚, 戴兴春, 陈曦, 等. 2008. PHB监测A2/O工艺除磷及负荷率耦合关系的研究[J]. 环境科学, 29(11): 3093-3096 |
| [7] | 国家环保局《水和废水监测分析方法》编委会. 2002. 水和废水监测分析方法(第4版)[M]. 北京: 中国环境科出版社 |
| [8] | Holman J B, Wareham D G. 2005. COD, Ammonia and dissolved oxygen time profiles in the simultaneous Nitrification/Denitrification process [J]. Biochemical Engineering Journal, 22(2): 125-133 |
| [9] | Keller J, Subramanium K, Gosswein J, et al. 1997. Nutrient removal from industrial wastewater using single tank sequencing batch reactors[J]. Water Science and Technology, 35(6): 137-144 |
| [10] | Lo C K, Yu C W, Tam N F Y, et al. 1994. Enhanced nutrient removal by oxidation-reduction potential (ORP) controlled aeration in a laboratory scale extended aeration treatment system [J]. Water Research, 28(10): 2087-2094 |
| [11] | Qian F, Wei C H, Zhang C S, et al. 2009. The ORP and pH profiles for simultaneous nitrification and denitrification treating low carbon municipal wastewater[J]. International Journal of Environment and Pollution (IJEP), 37(1): 97-112 |
| [12] | Third K A, Burnett N, Cord-Ruwisch R. 2003. Simultaneous nitrification and denitrification using stored substrate (PHB) as the electron donor in an SBR [J]. Biotechnology and Bioengineering, 83(6): 706-720 |
| [13] | Thirda K A, Gibbsa B, Newland M, et al. 2005. Long-term aeration management for improved N-removal via SND in a sequencing batch reactor[J]. Water Research, 39(15): 3523-3530 |
| [14] | Wachtmeister A, Kuba T, van Loosdrecht M C M, et al. 1997. A sludge characterization assay for aerobic and denitrifying phosphorus removing sludge[J]. Water Research, 31(3): 471-478 |
| [15] | Wang J, Yu J. 2001. Kinetic analysis on formation of poly(3-hydroxybutyrate)from acetic acid by ralstonia eutropha under chemically defined conditions[J]. Journal of Industrial Microbiology and Biotechnology, 26(3): 121-126 |
| [16] | 王亚宜, 王淑莹, 彭永臻, 等. 2006. 污水有机碳源特征及温度对反硝化聚磷的影响[J]. 环境科学学报, 26(2): 192-196 |
| [17] | 吴光学, 管运涛. 2005. SRT及碳源浓度对厌氧/好氧交替运行SBR工艺中PHB的影响[J]. 环境科学, 26(2): 126-130 |
2014, Vol. 34










