文献标识码: A
2. 华北电力科学研究院有限责任公司, 北京 100045;
3. 国家电网公司西北分部, 西安 710048;
4. 国家电网公司华北分部, 北京 100053;
5. 国网冀北电力有限公司, 北京 100054
2. North China Electric Power Research Institute Co., Ltd., Beijing 100045, China;
3. Northwest Branch of State Grid Corporation of China, Xi'an 710048, China;
4. North China Bratch of State Grid Coporation of China, Beijing 100053, China;
5. State Grid Jibei Electric Power Co., Ltd., Beijing 100054, China
变压器是电力系统中的重要组成元件,其内部可靠的绝缘是正常运行的前提,但在长期运行中绝缘受短路冲击、过热等因素会发生劣化,劣化的绝缘会导致局部放电(简称局放)发生,并有可能进一步发展至击穿乃至爆燃等故障[1-2]。因此在实际运行过程中,局放是状态监测的重要组成部分。由于设备缺陷部分与本体电容量相差巨大,产生局放的设备两端压降微乎其微难以检测,但缺陷处的放电电流可以较为精确的检测,因此局放检测常使用脉冲电流法[3]。
检测高频电流常使用高频电流互感器(high-frequency current transformer,HFCT)。HFCT是一种经特殊设计的罗氏线圈(Rogowski coil)[4-5],其在恒定截面积的骨架上布置了均匀绕制的线圈,为提升高频性能,一般使用高导磁率的铁芯材料作为骨架,当中心处载流导体通过变化的电流时,线圈中通过电磁感应产生电动势[6]。
在变压器局放检测中,HFCT一般会夹在铁芯、夹件等的接地引下线处和套管末屏接地线处。但接地引下线与放电点电气距离较远,高频放电电流信号耦合效果一般。末屏接地线卡入HFCT一般会引入额外部件,降低末屏接地和套管运行可靠性[7-8]。目前,急需一种非侵入式的、在线和离线均可使用的变压器局放监测手段[9-11]。
为监测变压器负荷水平,并为差动保护等保护配置提供电流信号,变压器套管升高座内一般均装有工频电流互感器(后文简称套管TA,工程也常称为套管CT),用于将变压器运行电流转化为1~5 A的小电流,以便接入各类设备。从结构和原理上分析,套管TA与局放监测使用的HFCT并无显著区别,具备高频传感的可能[12]。套管TA是变压器出厂时标配的装置,使用其进行监测无须对变压器进行改动,且套管TA内置于升高座内,构成了天然的电磁屏蔽,与变压器内部电气距离远小于外置传感器,可以高效感知内部放电。
综上所述,本文提出将套管TA用于变压器局放离线及在线监测的方案。首先设计试验方案,从原理上研究了套管TA能感知到高频信号的机理。随后测试了1台500 kV变压器上11个套管TA的传输阻抗、波形畸变率及线性度等指标。最后,基于一次500 kV变压器的内部放电试验,在试验过程中使用套管TA与常规检测手段一起进行局放监测,验证了这一方案的可行性。
1 套管TA高频传感特性理论研究套管TA被用于工频电流测量,并未基于高频进行特殊设计,因此需要通过试验验证套管TA高频传感的可行性及机理,以更好地指导实际应用。
1.1 试验设置使用一真型500 kV变压器升高座作为试验平台,将LRB-500型工频电流互感器放置于其中,互感器参数如表 1所示。将互感器S1、S2端子分别连接到升高座上的1S1、1S2两个端子,使用原装铁质箱盖封好升高座上下端部,并在上下均切割出一直径10 cm圆孔以供载流导线引出。
|
|
表 1 套管TA主要参数 Table 1 Main parameters of bushing TA |
设计如下3种工况。
1)工况1,使用单根载流导线穿过套管TA中心,模拟正常运行场景。
2)工况2:使用单根载流导线穿过套管TA中心后再反向穿回,套管TA交链两路大小相同、方向相反的电流。
3)工况3:载流导线放置于升高座之外,与套管TA完全不交链。
选取1、5、10、15、20、25、30 MHz共7个频点,使用Keysight 33600A信号发生器发射对应频率正弦波注入导线中,正弦波幅值均为3 V。
同时,为探究升高座对传感的影响,将升高座上1S1、1S2端子(后文称TA端子)及与之左右对称的4S1、4S2端子(后文称对称端子)的两组端子通过鳄鱼夹-BNC连接线连接至示波器,示波器输入阻抗设置为50 Ω。其中4S1、4S2端子内部悬空,并未连接任何导体。
1.2 试验结果分析不同工况下端子上的电压幅值结果见图 1。
|
图 1 载流导线不同布置方式对套管TA传感的影响 Fig. 1 Influence of different arrangement of current carrying wire on TA sensing |
由图 1可得到:套管TA具备高频电流感知的能力,响应频带大致在5~25 MHz区间。按照电磁感应原理,在工况2下,一次侧交链两个等大反向
的电流,产生的交变磁通相互抵消,在二次侧不会产生响应信号,而套管TA在高频电流下产生了较明显的信号,说明有一部分信号是导线与线圈之间的分布电容耦合产生的泄漏电流[13-14]。但工况2下二次侧响应幅值小于工况1,说明基于磁链的电磁感应产生的信号在二次侧也有一定占比。对比工况3更说明了在电流与二次侧绕组完全无交链情况下,套管TA也能感应到较明显的信号,更印证了大部分信号是通过分布电容从空间耦合的结论。
对称端子处的信号可以认为是升高座本体通过空间中的分布电容从导线中耦合产生的响应,其幅值远小于TA端子,说明套管TA在高频信号感知过程中起到了绝大部分作用。
该试验验证了套管TA感知高频信号的可行性,确认了这一感知作用是电磁感应以及分布电容耦合两种机理共同作用的结果。
2 工频电流互感器高频特性试验测试为更详细地研究套管TA的传输阻抗等特性,验证其作为变压器在线局放监测传感器的可行性,选取了1台真实500 kV变压器,对其上套管TA的各种参数进行了测试。
2.1 试验平台简介测试基于1台浙江电网某站退役的500 kV变压器,其型号为ODFPSZ-250000/500,主要参数如表 2所示。
|
|
表 2 变压器主要参数 Table 2 Main parameters of the test transformer |
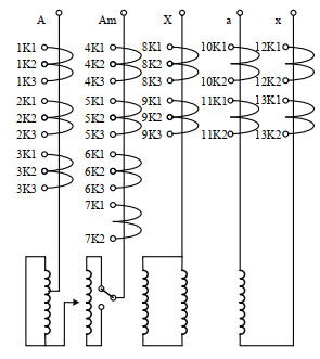
该变压器共有5根套管,分别为高压A、中压Am、低压a、低压x及中性点X,共安装有13个套管TA,绕组接线图以及TA配置如图 2所示。其中1K2表示第1个套管TA的第2个端子,其余可类推。
|
图 2 变压器接线及互感器配置 Fig. 2 Transformer wiring and transformer configuration |
每个套管TA的准确度等级、尺寸及变比等参数如表 3所示。根据用途不同,套管TA可分为保护用TA(型号为LRB)、测量用TA(型号为LR)及暂态电流TA(型号为LRBT)3种。
|
|
表 3 套管TA参数表 Table 3 Parameters of bushing TA |
对高频电流互感器而言,传输阻抗为一关键参数,在正弦信号频率f下传输阻抗Z定义式为:
| $ Z\left( f \right) = \frac{{{U_2}\left( f \right)}}{{{I_1}\left( f \right)}} $ | (1) |
式中:U2为互感器二次侧电压;I1为互感器一次侧电流。
传统测试方案为依次改变信号源频率,采集各个频点处电流电压数据,进而计算互感器传输阻抗。该方案虽然简单易行但操作较复杂,效率低下。因此本文采用脉冲响应法对该500 kV变压器各套管TA的性能进行测试[15]。
脉冲信号为一宽频信号Up,当其注入变压器内(套管TA一次侧)会产生一宽频电流Ip,在套管TA二次侧感应出宽频电压U2p。由此可计算得到套管TA的频响曲线Z(f)为:
| $ Z\left( f \right) = \frac{{F\left( {{U_{{\text{2p}}}}\left( t \right)} \right)}}{{F\left( {{I_{\text{p}}}\left( t \right)} \right)}} $ | (2) |
式中:F为对信号进行快速傅里叶变换(fast Fourier transform,FFT)后的值。
以测试高压套管TA为例,按图 3连接电路。根据式(2)可知,为了确保尽可能采集到套管TA宽频带范围内的频响曲线,应确保电流的频谱范围尽可能宽,对应脉冲上升沿尽可能窄[16]。本试验中使用Keysight 33600A信号发生器作为脉冲信号源,设置脉宽5 ns,上升及下降时间2.9 ns,调整脉冲高度使得回路中电流在20 mA左右。使用带宽为100 MHz的电流探头卡入高压套管上部获取回路中电流信号。使用Lecroy 625Zi示波器对信号进行采集,为消除高频干扰,示波器设置带宽限制为200 MHz。
|
图 3 脉冲法测量传输阻抗 Fig. 3 Measurement of transmission impedance by impulse response method |
测试结果如图 4所示,可以看到在100 MHz范围内,电流频谱较为均匀,未出现局部异常过低值,由此能确保传输阻抗的测试值不会出现较大的数值误差。
|
图 4 高压套管TA频响测试曲线 Fig. 4 HV bushing TA transmission impedance |
图 4中用阴影标注出了国家电网标准《Q/GDW 11304.5—2015电力设备带电检测仪器技术规范第5部分:高频法局部放电带电检测仪器技术规范》(后文简称企标)中规定的高频局放检测设备使用的3~30 MHz频带范围,后同。
型号为LRB-500的TA1在这一频段内传输阻抗较高,可达10 mV/mA以上,最高值甚至可达40 mV/mA,6 dB带宽可达3.56 MHz,足以满足企标对于高频局放带电检测传感器的要求。
型号为LRBT-500的TA2与型号为LR-500的TA3分别在40 MHz及60 MHz附近有6 dB带宽大于2 MHz的高传输阻抗区,但其他频带传输阻抗稍低,整体可以满足对传感器传输阻抗的要求。
按照图 3所示方法,对高压、中压、中性点、低压a及x处共13个套管TA的传输阻抗分别进行了测试。对不同套管上的每种互感器传输阻抗特性进行了横向对比。
如图 5,首先分析保护用TA,在3~30 MHz区段中,不同位置4个TA传输阻抗均出现明显峰值,峰值位置根据套管TA尺寸的缩小而逐渐向高频方向移动。高压、中压以及中性点套管均在这一频段内能保证至少2 MHz带宽内传输阻抗大于5 mV/mA,高压套管TA传输阻抗峰值甚至可达43 mV/mA,足以满足对高频局放信号的传感需求。低压套管保护用TA的传输阻抗峰值6.75 mV/mA较低,6 dB带宽6.2 MHz,出现在70 MHz附近更高频区段内。
|
图 5 保护用TA传输阻抗特性对比 Fig. 5 Comparison of transmission impedance of TA for protection |
暂态TA的传输阻抗如图 6,除中压传输阻抗峰值落在10 MHz附近外,其余TA的传输阻抗峰值均在较高频段内,高压在40 MHz附近,中性点及低压峰值在65 MHz附近。在100 MHz以内,不同套管处暂态TA传输阻抗峰值均在15 mV/mA左右,且6 dB带宽大于2 MHz,足以满足高频局放传感需求。
|
图 6 暂态TA传输阻抗对比 Fig. 6 Comparison of transient TA transmission impedance |
测量用TA传输阻抗对比如图 7所示,由于中性点未配备测量用TA,只比较高压、中压及低压套管。由图 7可知,测量用TA在10~35 MHz内有一传输阻抗较高区域,随着TA几何尺寸的增加向高频方向移动;在40~80 MHz频带内也有较明显传输阻抗峰值区域,但相较于保护用TA及暂态TA其传输阻抗峰值偏低。
|
图 7 测量用TA传输阻抗对比 Fig. 7 Comparison of TA transmission impedance for measurement |
根据分析可知,除测量用TA传输阻抗峰值较低,在5 mV/mA附近以外,保护用TA及暂态TA均能在100 MHz以内达到10 mV/mA以上的阻抗峰值。从这一角度分析,套管TA具备高效传输高频信号的能力。
2.3 波形畸变率测试除传输阻抗外,波形畸变率也是检测高频电流互感器性能的重要指标之一,考虑到后期通过套管TA检测到的高频放电信号将通过频带、极性等指标实现外部干扰及内部放电的区分,因此套管TA能否将信号波形传输至二次侧而不发生非线性失真至关重要。考虑到受噪声等各种因素影响,单纯计算总谐波失真(total harmonic distortion,THD)不能地完整反映套管TA的性能[17]。所以定义了波形畸变率作为评价指标,表征在一次侧基频正弦波f0输入情况下,二次侧感知到的所有非基频正弦波能量在二次侧总输出能量中的占比,畸变率定义式如下:
| $ \lambda\left(f_0\right)=1-\sqrt{\frac{U^2\left(\mathrm{j} 2 \pi f_0\right)}{\int U^2(\mathrm{j} \omega) \mathrm{d} \omega}}$ | (3) |
式中:l为波形畸变率;U为二次侧电压;ω为角频率。
在3~30 MHz范围内以5 MHz为间隔采集了多组数据,分别计算其波形畸变率如图 8所示。
|
图 8 不同套管TA在不同频率下的波形畸变率 Fig. 8 Waveform distortion rate of TA with different casing at different frequencies |
由图 8可见,在5~10 MHz频段内,超过半数的套管TA信号畸变明显,在15~30 MHz范围内除两个暂态TA在两个频点处波形畸变率异常偏低外,其余各TA在各频点处波形畸变率均小于95%。
2.4 线性度测试参考企标中的相关试验要求,使用Keysight 33600 A生成一上升沿5 ns,下降沿250 ns,重频1 kHz的脉冲波,经一Clnt=1 nF的电容注入变压器对应相套管端部,中性点接地,通过调节脉冲幅值模拟不同视在放电量的放电脉冲。使用示波器采集脉冲注入相套管TA的响应信号,记录其峰峰值,测试结果如图 9所示。
|
图 9 不同套管TA在不同视在电荷量下的响应 Fig. 9 Response of different bushing TA under different apparent charge |
由图 9可见,随着视在放电量的增加,套管TA响应近似线性增加。为定量评估其性能,按照式(4)计算线性度误差ε。
| $ \varepsilon = \left| {1 - \frac{{{U_2}/{U_1}}}{{{Q_2}/{Q_1}}}} \right| \times 100\% $ | (4) |
式中:Q1、Q2分别为500 pC和5 000 pC;U1、U2分别为视在电荷量为Q1、Q2时施加的脉冲幅值,本试验中为0.5 V和5 V。
计算结果如表 4所示,可见除TA2和TA8线性度误差超出15%限值外,其余套管TA均能满足企标要求。
|
|
表 4 套管TA线性度误差 Table 4 Linearity error of bushing TA |
为验证套管TA在实际工况下的传感性能,在一次真型500 kV变压器击穿试验中将套管TA与常规检测手段一起接入检测设备,并对比了其与套管末屏、铁芯夹件接地线HFCT等传统手段传感的性能以及一致性。
3.1 试验平台简介本文选取冀北电网某退役500 kV变压器作为试验被试品,型号为ODFSZ-267000/500,如图 10所示,其参数如表 5所示[18]。在1.3Um试验电压下,整个加压试验系统连同被试品的背景干扰信号不超过100 pC。
|
图 10 被试变压器及加压设备 Fig. 10 Transformer under test and equipment applying voltage |
|
|
表 5 被试变压器参数 Table 5 Test transformer parameters |
试验系统由3部分组成:局部放电加压装置、被试品及局部放电检测系统,如图 11所示。
|
图 11 真型变压器局放试验系统 Fig. 11 Partial discharge test system of real transformer |
图 11中,局部放电加压装置包括隔离变压器E、无局放电抗器L、无局放交流分压器C1、C2。Z为检测阻抗,C为耦合电容。PD为局部放电检测系统,监测脉冲高频电流局放信号。
在变压器内部高压绕组处设置金属尖端对外壳缺陷,以研究变压器内部长油隙尖端放电特性。
常规脉冲电流局放信号取自被试变压器高压套管末屏,在铁芯、中压套管末屏接地线处接入HFCT。高压套管TA的信号在二次接线盒处使用同轴线引出,各路信号接入综合监测装置(HCOL-8700)经信号调理、高速采样、数据处理后上送至计算机,进行数据处理与分析。采集装置参数如表 6所示。
|
|
表 6 采集装置参数 Table 6 Parameters of the acquisition device |
试验过程在低压侧加压,使用阶梯升压法进行升压,每级电压升高2 kV,每级持续约5 min,使用监测设备连续监测,试验持续38 min,最终在高压侧电压90.75 kV时发生击穿。
选取平均幅值作为特征量,分别绘制了高压套管TA、铁芯接地HFCT及中压套管末屏HFCT这3处局放信号随时间和电压变化的趋势,如图 12所示。
|
图 12 套管TA信号与铁芯接地对比 Fig. 12 Comparison between bushing TA and core grounding wire |
由图 12可见,随着电压升高,放电平均幅值成阶梯状升高,套管TA所采集到的信号平均幅值趋势与两种传统检测手段一致,高压套管TA的平均幅值与铁芯接地处高频电流的相关系数R2为0.916 9,与中压套管末屏电流的相关系数R2为0.946 8,证明了套管TA可以准确可靠地实现局放信号的实时检测。套管TA的信号幅值要高于铁芯接地及套管末屏处,这使得在实际检测中可以获得更高的信噪比,更容易检测微小的放电。
4 结论套管TA作为变压器和高抗等线圈设备上常用的监测工频电流的装置,本文研究发现其可作为一种新的变压器离线及在线局放监测的传感手段。
1)本文使用500 kV变压器上常用的套管TA及升高座搭建了模拟试验平台,验证了套管TA能较好地传导高频信号。通过不同工况的对比,确认其二次侧感应到的高频电流包括线圈交链交变磁场产生的感应电流和通过空间分布电容耦合产生的泄漏电流两部分,其中泄漏电流占比较大。
2)在1台500 kV单相自耦变压器上,按照《Q/GDW 11304.5—2015电力设备带电检测仪器技术规范第5部分:高频法局部放电带电检测仪器技术规范》标准的要求,分别对该变压器上11个套管TA的传输阻抗、线性度、波形畸变率等指标进行了测试。结果显示保护用TA和暂态TA的传输阻抗特性较好,测量用TA传输阻抗稍低,3种频带范围均能覆盖3~30 MHz高频频率范围,且能扩展至100 MHz以内。在15~30 MHz频带内,大部分套管TA的波形畸变率均小于95%。大部分套管TA也能满足高频局放传感器线性度的要求。综上所述,从性能指标方面,套管TA可以作为一种离线及在线的变压器局放监测新手段。
3)为进一步验证套管TA的实际性能,在1台500 kV真型变压器击穿试验过程中使用套管TA与套管末屏、铁芯接地HFCT等传感器一起接入局放检测设备,分别采集了加压过程中的局放信息。结果显示套管TA采集的信号与常规手段趋势一致,相关系数R2大于0.91,且幅值和信噪比高于套管末屏、铁芯接地等位置,具备良好的应用条件。
| [1] |
赵晓辉, 杨景刚, 路秀丽, 等. 油中局部放电检测脉冲电流法与超高频法比较[J]. 高电压技术, 2008, 34(7): 1401-1404. ZHAO Xiaohui, YANG Jinggang, LU Xiuli, et al. Comparative research on current pulse method and UHF measurements of partial discharge in mineral oil[J]. High Voltage Engineering, 2008, 34(7): 1401-1404. ( 0) |
| [2] |
盛戈皞, 钱勇, 罗林根, 等. 面向新型电力系统的数字化电力设备关键技术及其发展趋势[J]. 高电压技术, 2023, 49(5): 1765-1778. SHENG Gehao, QIAN Yong, LUO Lingen, et al. Key technologies and development trends of digital power equipment for new type power system[J]. High Voltage Engineering, 2023, 49(5): 1765-1778. ( 0) |
| [3] |
廖才波, 杨金鑫, 胡雄, 等. 数据与经验混合驱动下的变压器故障分层诊断方法[J]. 高电压技术, 2023, 49(5): 1841-1850. LIAO Caibo, YANG Jinxin, HU Xiong, et al. Hierarchical diagnosis method for transformer faults driven by mixed data and experience[J]. High Voltage Engineering, 2023, 49(5): 1841-1850. ( 0) |
| [4] |
江进波, 陈桂丰, 罗正, 等. 局部放电信号测量的罗氏线圈研究与设计[J]. 高压电器, 2025, 61(1): 63-71. JIANG Jinbo, CHEN Guifeng, LUO Zheng, et al. Study and design of rogowski coil for partial discharge signal measurement[J]. High Voltage Apparatus, 2025, 61(1): 63-71. ( 0) |
| [5] |
LI W B, MAO C X, LU J M. Study of the virtual instrumentation applied to measure pulsed heavy currents[J]. IEEE Transactions on Instrumentation and Measurement, 2005, 54(1): 284-288. ( 0) |
| [6] |
SAMIMI M H, MAHARI A, FARAHNAKIAN M A, et al. The rogowski coil principles and applications: a review[J]. IEEE Sensors Journal, 2015, 15(2): 651-658. ( 0) |
| [7] |
穆海宝, 赵浩翔, 张大宁, 等. 变压器油纸绝缘套管多参量智能感知技术研究[J]. 高电压技术, 2020, 46(6): 1903-1912. MU Haibao, ZHAO Haoxiang, ZHANG Daning, et al. Study on multi-parameter intelligent sensing technology for transformer oil-paper bushing[J]. High Voltage Engineering, 2020, 46(6): 1903-1912. ( 0) |
| [8] |
谢佳, 杨海涛, 丁国成, 等 . 变压器高压套管末屏在线监测系统设计[J]. 电瓷避雷器, 2023(4): 213-220. XIE Jia, YANG Haitao, DING Guocheng, et al. On-line monitoring system for end shield of high voltage bushing of transformer[J]. Insulators and Surge Arresters, 2023(4): 213-220. ( 0) |
| [9] |
李鹏, 毕建刚, 于浩, 等. 变电设备智能传感与状态感知技术及应用[J]. 高电压技术, 2020, 46(9): 3097-3113. LI Peng, BI Jiangang, YU Hao, et al. Technology and application of intelligent sensing and state sensing for transformation equipment[J]. High Voltage Engineering, 2020, 46(9): 3097-3113. ( 0) |
| [10] |
陈伟根, 张知先, 李剑, 等 . 电气设备状态参量智能传感技术[J]. 中国电机工程学报, 2020, 40(增刊1): 323-342. CHEN Weigen, ZHANG Zhixian, LI Jian, et al. Intelligent sensing technology for power equipment state parameters[J]. Proceedings of the CSEE, 2020, 40(Supplement 1): 323-342. ( 0) |
| [11] |
汲胜昌, 赵德华, 贾云飞, 等. 变压器绝缘缺陷放电发展特性及检测方法研究现状及展望[J]. 高电压技术, 2024, 50(10): 4297-4314. JI Shengchang, ZHAO Dehua, JIA Yunfei, et al. Research status and prospects of development characteristics and detection methods of transformer insulation defect discharge[J]. High Voltage Engineering, 2024, 50(10): 4297-4314. ( 0) |
| [12] |
HAO Z, JIANG C M, CHENG D L, et. al. Research on the application possibility of power frequency current transformer on partial discharge detection[C]//Proceedings of 2024 IEEE 4th International Conference on Power, Electronics and Computer Applications. Shenyang, China: IEEE, 2024: 829-834.
( 0) |
| [13] |
熊魁, 岳长喜, 李鹤, 等. 高压电流互感器容性泄漏误差原理及测试方法研究[J]. 高压电器, 2021, 57(8): 177-183. XIONG Kui, YUE Changxi, LI He, et al. Research on principle and test method of capacitive leakage error of high voltage current transformer[J]. High Voltage Apparatus, 2021, 57(8): 177-183. ( 0) |
| [14] |
潘明, 冯娟, 吴宏斌, 等. 泄漏电流对宽量程电流互感器的影响及消除方法分析[J]. 变压器, 2023, 60(10): 24-28. PAN Ming, FENG Juan, WU Hongbin, et al. Influence and elimination method of leakage current on wide range current transformer[J]. Transformer, 2023, 60(10): 24-28. ( 0) |
| [15] |
刘云鹏. 电力变压器局部放电的电气定位及诊断[D]. 北京: 华北电力大学, 2004. LIU Yunpeng. Electrical location and diagnosis of partial discharge in power transformer[D]. Beijing, China: North China Electric Power University, 2004. ( 0) |
| [16] |
陈孝信, 钱勇, 许永鹏, 等. 基于脉冲源的高频电流传感器传输阻抗测量新方法[J]. 电力自动化设备, 2019, 39(3): 120-124, 131. CHEN Xiaoxin, QIAN Yong, XU Yongpeng, et al. A novel pulse-source-based method for measuring transfer impedance of high frequency current sensor[J]. Electric Power Automation Equipment, 2019, 39(3): 120-124, 131. ( 0) |
| [17] |
王一鸣, 张秀峰, 古树平. 基于波形畸变的电流互感器误差分析[J]. 电力学报, 2009, 24(4): 273-276, 285. WANG Yiming, ZHANG Xiufeng, GU Shuping. The error analysis of current transformer based on waveform distortion ratio[J]. Journal of Electric Power, 2009, 24(4): 273-276, 285. DOI:10.3969/j.issn.1005-6548.2009.04.004 ( 0) |
| [18] |
郝震, 马继先, 江长明, 等 . 500 kV真型变压器内部沿面放电发展过程及放电特性研究[J]. 高电压技术, 2023, 49(增刊2): 434-438. HAO Zhen, MA Jixian, JIANG Changming, et al. Research on the development process and discharge characteristics of internal surface discharge in 500 kV true transformer[J]. High Voltage Engineering, 2023, 49(Supplement 2): 434-438. ( 0) |




0)