2. 天津大学药物科学与技术学院, 天津 300072
2. School of Pharmaceutical Science and Technology, Tianjin University, Tianjin 300072, China
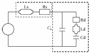
用线圈激发电震荡或宽带瞬态波形(电震荡周期少)时,必须匹配容性负载或者器件(戈革和谢振全,1980;格兰特和菲利普斯,1982;别索诺夫,1986).声波测井探头振动时表现出来的特征(栾桂东等,2005)如图 1所示:既有静态电容C0又有动态电感Ld、动态电容Cd和电阻Rd的串联.因此,用线圈(图中Ls与Rs)与声波测井匹配,可以减小整个负载的电抗(张庚骥,1984;唐晓明和郑传汉,2004),从电源获得最大的电功率.这些电功率一部分用于声波探头转换为振动(图 1 右边虚线部分),另外一部分通过线圈辐射到井内形成瞬变电磁场(上面虚线部分).由于线圈与声波探头共同响应电冲击,响应是震荡型的,所以,产生的振动波形与线圈发射的瞬变电磁场波形是相同的.
![]() | 图 1 声波换能器和线圈的等效电路 Fig. 1 Equivalent circuit of acoustic transducer and coil |
用线圈在井中激发出圆周方向的瞬变电磁场(嵇艳鞠等,2006;薛国强等,2007;包乃利等,2013),这些电磁场可用来测量地层的电导率.这种测量方法与感应测井(袁吉祥等,2011;王熊等,2013)相近,其二次场(方文藻等,1993;李貅,2002)与地层电导率有关,也可以用Doll几何因子进行描述.当激发频率在20 kHz附近时,二次场信号的幅度是一次场信号幅度的10%.但是,测量的是瞬态波形,经过FFT后能够获得一个频带内的响应幅度和相位,因此,所得到的电阻率是一个频带内地层的电阻率.
孔隙介质的电阻率测量实验已经肯定(关威,2009;宋永佳,2012),地层的电阻率随频率改变,孔隙结构不同、裂缝产状不同时,电阻率随频率变化的形状不同.瞬态感应所测量的瞬态波形中包含这些信息,在频率域内设置信号处理方法,可以提取这些地层信息,为油层评价提供进一步的参考资料,使地层电阻率评价提升到一个新的水平.
1 瞬态感应测井的激发波形瞬态感应测井采用线圈发射瞬态电磁场,采用线圈接收电磁感应响应(张保祥和刘春华,2004;杨海燕等,2006).与感应测井一样,发射和接收线圈的轴线均于井轴重合(马火林,2007).瞬态感应测井激发的波形是周期比较少的电震荡,通常可以用二阶网络的瞬态响应产生,其特征根包含虚数.在理论研究中,通常用高斯函数进行模拟,公式为
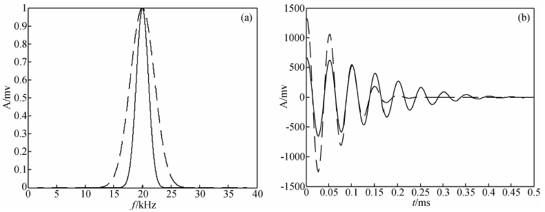
图 2是主频相同(20 kHz),带宽不同(b=1500、3000)的两个激发函数及其相应的激发波形,从图 2左图可以看到:虚线的频带比较宽、实线的比较窄;从右图中可以看到:实线共计有7个周期比较清楚,虚线则只有4个周期比较清楚.即频带越宽、激发波形的震荡周期越少;频带越窄,振荡周期越多.
![]() | 图 2 瞬变电磁激发的频谱(a)及其对应的激发波形(b) Fig. 2 Transient electromagnetic excitation spectrum (a) and excitation waveform (b) |
为了便于分析,我们用无限大均匀介质的精确解研究瞬态感应测井的响应波形.设发射线圈位于柱坐标系(r,φ,z)的原点,发射的磁偶极子强度为M0,地层的电导率、磁导率和介电常数分别为σ、μ、ε.对于发射线圈产生的电磁感应响应,张庚骥(1984)给出了其精确解为
接收线圈的感应电压为:
取地层的电导率为2 S/m,相对介电常数为10,相对磁导率为1,井半径为0.051 m.用图 2所示的激发频谱得到的z=0.1 m处的瞬变电磁测井响应波形如图 3所示.其波形形状与激发波形图 2相似,只是整个波形向后移动了π/2.
![]() | 图 3 瞬变电磁测井响应 Fig. 3 Transient electromagnetic logging response |
两种不同地层电阻率(电导率为2 S/m、4 S/m)的响应相减得到图 4.与图 3相比,两者也相差一个π/2相位.相位差与图 2所示的激发波形形状完全相同.增加其中一层的电导率重新计算响应,并与地层电导率为2 S/m的响应相减以后得到的响应差如图 5所示,从图中可以看到:响应差的幅度与地层电导率成正比.该响应差与感应测井的有用信号类似,与响应相差π/2相位,幅度与地层电导率成正比.因此,该响应差曲线即反映地层电导率信息,是瞬变电磁感应测井所要测量的主要信号.
![]() | 图 4 电导率为6 S/m(虚线)、4 S/m(实线)的响应减去2 S/m的响应所得到的响应差 Fig. 4 The different value of response between 6 S/m (dotted), 4 S/m (solid) and 2 S/m |
![]() | 图 5 电导率为10 S/m、8 S/m、6 S/m、4 S/m的响应减去2 S/m的响应所得到的响应差 Fig. 5 The different value of response between 10 S/m, 8 S/m, 6 S/m, 4 S/m and 2 S/m |
与感应测井不同,瞬变电磁感应的测井波形幅度不是恒定值,随时间减小,是瞬态波形.该瞬态波形是一个频率段内不同频率正弦波的叠加.
3 电导率频散时的响应波形地层电导率随频率改变的现象称为电导率的频散.孔隙介质是多相介质,其中的流体相和固体相都对物理场进行响应(陈雪莲等,2014).该响应受流体相和固体相参数以及孔隙结构影响,描述孔隙介质内部各相在物理场作用时,相互之间的作用,例如孔隙流体与骨架之间的力作用和电荷之间的作用,最终表现(导致)为孔隙介质的宏观物理参数随频率改变.例如孔隙介质的声速、电导率等.声速、电导率随频率的变化关系称为频散,通常是孔隙结构特征的描述.
瞬变电磁感应与感应测井(王昌学等,2013)不同,其响应计算中需要对频率积分,这样,地层的频散特征就被积分到响应波形中.或者说,瞬变电磁感应测井的瞬态波形包含了地层电阻率的频散曲线.
即在(1)式中,参数γ包含了地层电导率,现在,地层电导率为频率的函数σ(ω),如图 6所示,则相应地,γ也是频率的函数.这样,最终的响应曲线中便包含了电导率随频率的变化关系.
![]() | 图 6 地层电导率随频率的变化曲线 Fig. 6 The change curve of conductivity of stratum with frequency |
图 7是地层电导率为2 S/m的响应减去地层电导率为5 S/m的响应差(虚线)和地层电导率为2 S/m的响应减去图 6所示地层电导率从2 S/m连续变化到5 S/m的曲线时的响应所得到的响应差(实线).从图中可以看到:随着源距的增加,响应的瞬态波形幅度减小.另外,波形中没有频散地层的响应差与有频散地层的响应差的幅度不一致、波形的形状有变化、不同时刻的相位也有差别.这些差别就是地层电导率频散的显示.
![]() |
图 7 地层电导率为2 S/m的响应减去地层电导率为5 S/m的响应差(虚线)和地层电导率为2 S/m的响应减去图 6所示地层电导率从2 S/m连续变化到5 S/m的曲线时的响应所得到的响应差(实线) (a) L=0.1 m; (b) L=0.5 m; (c) L=1 m; (d) L=1.5 m Fig. 7 The difference value of response of 2 S/m minus 5 S/m (dotted),2 S/m minus 2 S/m to 5 S/m (solid) in Fig. 6 |
本文提出的新的瞬变电磁感应测井方法与感应测井一样采用线圈发射和接收.满足电磁感应原理,可以用Doll几何因子进行分析不同源距的径向探测深度,设计线圈系结构.但是其激发波形是瞬态的,其响应波形也是瞬态的,瞬态波形有一个频率段,瞬态电磁感应测井则对这个频带段内地层的电导率进行了测量.所以,其响应计算时需要对这个频率段进行积分,在积分过程中,将地层电导率随频率的变化函数融进了响应波形中,使响应波形的幅度和相位均发生了一定的变化.或者说,地层电导率随频率的变化包含在了所测量的波形幅度和相位中.与感应测井相比,原始测量信号中多了一维——频率,信号处理时相应地多了一维——频率.即感应测井只有一个频率,所测量的有用信号以虚部的方式表现,直接影响波形的幅度;而瞬态电磁测井所测量的有用信号以不同频率的虚部方式表现,这些不同频率的虚部再相互叠加以后形成响应波形,因此处理时,需要面对不同频率的响应波形的幅度和相位,因此需要对其进行解耦处理.
致 谢 感谢审稿专家提出的修改意见和编辑部的大力支持!| [1] | Bao N L, Liu H F, Yu C T, et al. 2013. The detection of mined-out area of shallow iron ore by nanometer transient electromagnetic method[J]. Progress in Geophysics (in Chinese), 28(2): 952-957, doi: 10.6038/pg20130249. |
| [2] | Bessonov J A. 1986. Fundamental Theory of Electrical Engineering-The Second Volume: Nonlinear Circuit and Electromagnetic Field (in Chinese)[M]. Chen W X, Shen L Y, Trans. Beijing: Higher Education Press. |
| [3] | Chen X L, Tang X M, Qian Y P. 2014. Propagation characteristics of multipole acoustic logging in cracked porous tight formations[J]. Chinese Journal of Geophysics (in Chinese), 57(9): 2961-2970, doi: 10.6038/cjg20140921. |
| [4] | Fang W Z, Li Y G, Li X. 1993. Theories of Transient Electromagnetic Sounding Method (in Chinese)[M]. Xi’an: Northwestern Polytechnical University Press. |
| [5] | Ge G, Xie Z Q. 1980. Theories of Macroscopic Electromagnetic Field (in Chinese)[M]. Beijing: Petroleum Industry Press. |
| [6] | Grant I S, Phillips W R. 1982. Electromagnetics (in Chinese)[M]. Liu Q Y, Wang M Y, Trans. Beijing: People’s Education Press. |
| [7] | Guan W. 2009. Simulation of the coupled poroelastic and electromagnetic wavefields in seismoelectric logging (in Chinese)[Ph. D. thesis]. Harbin: Harbin Institute of Technology. |
| [8] | Ji Y J, Lin J, Yu S B, et al. 2006. A study on solution of transient electromagnetic response during transmitting current turn-off in the ATTEM system[J]. Chinese Journal of Geophysics (in Chinese), 49(6): 1884-1890, doi: 10.3321/j.issn:0001-5733.2006.06.038. |
| [9] | Li X. 2002. The Theory and Application of Transient Electromagnetic Sounding (in Chinese)[M]. Xi’an: Shaanxi Science and Technology Press. |
| [10] | Luan G D, Zhang J D, Wang R Q. 2005. Fransducers Piezoelectric and Arrays (in Chinese)[M]. Beijing: Peking University Press. |
| [11] | Ma H L. 2007. Research and application on the theory and method of AIL array induction logging (in Chinese)[Ph. D. thesis]. Beijing: China University of Geosciences (Beijing). |
| [12] | Song Y J. 2012. A theoretical study on the attenuation of elastic waves in porous media containing cracks (in Chinese)[MSc thesis]. Harbin: Harbin Institute of Technology. |
| [13] | Tang X M, Zheng C H. 2004. Quantitative Logging Acoustic (in Chinese)[M]. Zhao X M, trans. Beijing: Petroleum Industry Press. |
| [14] | Wang C X, Chu Z T, Xiao C W, et al. 2013. The analysis of effect of the borehole environment on responses of array induction logging[J]. Chinese Journal of Geophysics (in Chinese), 2013, 56(4): 1392-1403, doi: 10.6038/cjg20130433. |
| [15] | Wang X, Xiao T P, Huang L J, et al. 2013. Analysis of influence factors on array induction logging[J]. World Well Logging Technology (in Chinese), (5): 58-61, 50. |
| [16] | Xue G Q, Li X, Di Q Y. 2007. The progress of TEM in theory and application[J]. Progress in Geophysics (in Chinese), 22(4): 1195-1200, doi: 10.3969/j.issn.1004-2903.2007.04.026. |
| [17] | Yang H Y, Yue J H, Liu Z X. 2006. Theoretical study of inductance effect with multi-axial coils for TEM in underground mine[J]. Journal of Jilin University (Earth Science Edition) (in Chinese), 36(S): 168-171. |
| [19] | Yuan J X, Wu S W, He H M, et al. 2011. The scale principle and method of the induction logging[J]. Petroleum Instruments (in Chinese), 25(1): 42-45. |
| [20] | Zhang B X, Liu C H. 2004. Summarization on applications to groundwater exploration by using transient electromagnetic methods[J]. Progress in Geophysics (in Chinese), 19(3): 537-541. |
| [21] | Zhang G J. 1984. Electrical Logging (in Chinese)[M]. Beijing: Petroleum Industry Press. |
| [22] | 包乃利, 刘鸿福, 余传涛,等. 2013. 纳米瞬变电磁法在探测浅层铁矿采空区的实验研究[J]. 地球物理学进展, 28(2): 0952-0957, doi: 10.6038/pg20130249. |
| [23] | 别索诺夫J A. 1986. 电工理论基础(下册: 非线性电路与电磁场)[M]. 陈伟鑫, 沈丽英, 译. 北京: 高等教育出版社. |
| [24] | 陈雪莲, 唐晓明, 钱玉萍. 2014. 含孔隙、裂隙致密介质中多极子声波的传播特征[J]. 地球物理学报, 57(9): 2961-2970, doi: 10.6038/cjg20140921. |
| [25] | 方文藻, 李予国, 李貅. 1993. 瞬变电磁测深法原理[M]. 西安: 西北工业大学出版社. |
| [26] | 戈革, 谢振全. 1980. 宏观电磁场论[M]. 北京: 石油工业出版社. |
| [27] | 格兰特I S, 菲利普斯W R. 1982. 电磁学[M]. 刘岐元, 王鸣阳, 译. 北京: 人民教育出版社. |
| [28] | 关威. 2009. 孔隙介质弹性波——电磁场耦合效应测井的波场模拟研究[博士论文]. 哈尔滨: 哈尔滨工业大学. |
| [29] | 嵇艳鞠, 林君, 于生宝,等. 2006. ATTEM系统中电流关断期间瞬变电磁场响应求解的研究[J]. 地球物理学报, 49(6): 1884-1890, doi: 10.3321/j.issn:0001-5733.2006.06.038. |
| [30] | 李貅. 2002. 瞬变电磁测深的理论与应用[M]. 西安: 陕西科学技术出版社. |
| [31] | 栾桂东, 张金铎, 王仁乾. 2005. 压电换能器和换能器阵[M]. 北京: 北京大学出版社. |
| [32] | 马火林. 2007. AIL阵列感应测井原理方法及应用研究[[博士论文]]. 北京: 中国地质大学(北京). |
| [33] | 宋永佳. 2012. 含裂隙的孔隙介质中弹性波衰减机制理论研究[硕士论文]. 哈尔滨: 哈尔滨工业大学. |
| [34] | 唐晓明, 郑传汉. 2004. 定量测井声学[M]. 赵晓敏, 译. 北京: 石油工业出版社. |
| [35] | 王昌学, 储昭坦, 肖承文,等. 2013. 井环境对阵列感应测井响应的影响分析[J]. 地球物理学报, 56(4): 1392-1403, doi: 10.6038/cjg20130433. |
| [36] | 王熊, 肖太平, 黄丽娟,等. 2013. 阵列感应测井的影响因素分析[J]. 国外测井技术, (5): 58-61, 50. |
| [37] | 薛国强, 李貅, 底青云. 2007. 瞬变电磁法理论与应用研究进展[J]. 地球物理学进展, 22(4): 1195-1200, doi: 10.3969/j.issn.1004-2903.2007.04.026. |
| [38] | 杨海燕, 岳建华, 刘志新. 2006. 矿井瞬变电磁法多匝小回线装置电感效应的理论研究[J]. 吉林大学学报(地球科学版), 36(S): 168-171. |
| [39] | 袁吉祥, 吴少威, 贺红民,等. 2011. 感应测井仪器的刻度原理及方法[J]. 石油仪器, 25(1): 42-45. |
| [40] | 张保祥, 刘春华. 2004. 瞬变电磁法在地下水勘查中的应用综述[J]. 地球物理学进展, 19(3): 537-541. |
| [41] | 张庚骥. 1984. 电法测井[M]. 北京: 石油工业出版社. |
2016, Vol. 31








