2. 成都理工大学地球物理学院地球物理系, 成都 610059;
3. 中石油勘探开发研究院测井与遥感所, 北京 102249
2. Department of Geophysics, College of Geophysics, Chengdu University of Technology, Chengdu 610059, China;
3. Petrochina Research Institute of Petroleum Exploration & Development, Beijing 102249, China
The mineralogy and the organic content were determined through powder XRD analysis. Seismic rock-physics properties and their impact factors of the gas shale samples from Longmaxi Formation are analyzed based on acoustic experiments and microtexture analysis with the combined application of SEM and CT scanning, and the rock-physics model for shale is also proposed. Cylindrical cores of a suite of shales from this formation with different organic matter contents were cut and oriented carefully in the direction normal, parallel, and at 45° to bedding planes, and velocities were measured using the ultrasonic transmission technique at a range of confining pressures, which can be used to determine the stiffness and anisotropy properties of rock samples.
The results show that the TOC (total organic content) and porosity are controlled to some degree by the quartz content, and TOC and pyrite are mainly located in the pore space, and are not the load-bearing grains. Shale samples can be classified as silica-rich rock. The constitution of the rock frame is also governed by the clay or quartz content, and the rock samples are clay-supported when the clay content is larger than 30% or the quartz content lower than 40%, and quartz combined with clay becomes load-bearing material when clay content is lower than this value. Thus, the seismic properties of those shale samples are controlled by load-bearing grains, TOC and porosity. We observe a "V" shaped trend of P-wave impedance as function of quartz content: P-wave impedance decreases as the quartz content increases till about 50%, after the turning point, the P-wave impedance increases again. Organic-rich shale shows low P-wave impedance and VP/VS ratio due to relatively higher TOC and quartz content. Nonetheless, high P-wave impedance is also observed when the quartz content is very high resulting from the variation of load-bearing grains. Preferential alignment of mineral grains is the dominant factor to create the elastic anisotropy of these shale samples at high confining pressure. A strong positive correlation is found between the anisotropy parameters (ε,γ) and the clay content, which follows an empirical exponential relationship: ε=0.0016Vclay1.32, γ=0.0015Vclay1.33. Samples with low clay content show negative ε and γ due to the vertically aligned microcracks. C11, C33, C44, C66 and C13 are five elastic stiffness constants of typical transverse isotropic media, which also show apparent empirical correlations. Among these, C13 and C33, C44 satisfy an empirical relationship: C13=1.11C33-2C44, and C13 and C12 satisfy an empirical relationship: C13=1.13C12. By combined usage of the Self Consistent Approximation (SCA), Differential Effective Medium and the Backus average method to describe the microtexture of shale sample properly, the prediction results of the model fit very well with those measured data at lab and well-logging data, which proves the practicality of the model.
Longmaxi Formation shale is variation in mineral composition, organic content and microtexture due to complex depositional and digenetic evolution, which is likely to attributed to the significant difference in seismic rock physics and mechanical properties. Our results can also provide basis for well-logging interpretation and "sweet spot" discrimination by the seismic method for Longmaxi Formation shale.
随着能源需求的急剧增加,页岩气作为一种非常规含气系统在我国逐步受到关注.尤其是近年来,随着四川盆地及其周缘页岩气勘探开发的不断深入,盆地内下奥陶系和上志留系的五峰—龙马溪组黑色页岩因为其本身的富有机质、埋藏深度适中和有机质演化程度高,逐渐成为了国内勘探突破的首选区域. 中石油在四川威远—长宁区块、中石化在涪陵礁石坝地区均在该层位取得页岩气勘探、开发的突破(贾承造等,2012;马永生等,2012).
在页岩气勘探中,以地震技术为主体的气藏描述技术是页岩气储层识别与评价的核心(刘振武等,2011;李霞等,2013).如在勘探阶段利用地震资料确定页岩储层形态(埋深、厚度以及构造形态),进而利用反演技术确定储层有利区(有机质含量、孔隙度等); 在开发阶段利用地震技术确定储层各向异性特征、地震弹性特征、脆性特征等为水平井的部署、井身设计以及压裂改造提供依据. 而页岩的地震岩石物理特征正是利用地震属性求取页岩储层物性特征(有机质含量、孔隙度等)以及力学特征(脆性)的直接桥梁. 以美国为代表,国外在页岩气勘探方面起步较早,对主要页岩储层的岩石物理特征研究也较为系统. 在页岩实验与理论建模方面做了很多工作. Vernik和Nur(1992),Vernik和Liu(1997)利用实验测量结果给出了干燥条件下Bakken页岩的弹性各向异性特点,分析了有机质含量、成熟度对岩石速度特征与各向异性特征的影响,并指出页岩的各向异性决定于矿物的优选方向及平行于层理的裂缝.Sondergeld等(2000),Sondergeld和Rai(2011)对Kimmeridge页岩的声学性质进行了实验研究,认为页岩各向异性随着有机质含量的增加而变大,有机质含量的增加会导致密度的减小进而产生与压实作用相反的效应,并指出弱各向异性的假设不能用于页岩的地震模拟中.邓继新等(2004),Deng等(2009)在实验室超声波频率下对层理发育的页岩和泥岩的各向异性进行了研究,给出了在干燥和油饱和条件下,样品不同方向上纵、横波速度以及各向异性参数随压力的变化规律,探讨了围压和孔隙流体对泥岩、页岩各向异性的影响. Hornby等(1994)将自洽模型与微分等效模型相结合对Kimmeridge页岩的地震弹性性质进行了模型表征,该模型中将粘土作为支撑岩石的连续骨架,而其他矿物如石英、长石、黄铁矿等看作分散于粘土中的孤立夹杂体. Carcione等(2011)利用Backus 平均计算页岩中粘土颗粒定向对其地震弹性性质及各向异性的影响. Guo等(2013)在自洽模型和微分等效介质模型的基础上,给出富有机质页岩的地震岩石物理模型,并藉此讨论孔隙形状、矿物组分变化对页岩弹性性质的影响.
页岩的地震弹性性质受岩石自身的结构特征所控制,从微观尺度准确给出页岩岩石的结构特征(包括主要组成矿物空间分布和岩石骨架的关系、有机质空间分布特征、孔隙结构特征)是分析其地震弹性性质及其影响因素的关键,也是建立表征页岩地震弹性性质的岩石物理模型关键所在.由于不同储层岩石在沉积历史和环境(应力场变化、矿物成分等)等多个方面存在差异,造成针对特定储层的岩石物理实验研究结果也具有区域性而不能随意外推,而对国内页岩气勘探的主要层位龙马溪组页岩储层岩石的相关研究仍较为缺乏,因此,需要对龙马溪组页岩的基本地震岩石物理特征进行系统的实验研究.本文主要利用龙马溪组页岩系统的声学测量结果,分析其基本地震岩石物理特征,然后通过岩石微观结构的刻画建立与之相应的地震岩石物理模型.2 龙马溪组页岩微观结构特征2.1 页岩样品岩石学特征
研究工作主要围绕贵州习水(XS)、重庆黔江(QJ)和四川长宁(CN)三个典型剖面的页岩展开,三个剖面都位
于四川盆地东南缘.岩性自下而上依次为泥灰岩、炭质页岩、黑色页岩、粉砂质页岩夹粉砂岩条;总体上表现为颗粒变粗、颜色变浅以及总有机碳(TOC)含量逐渐减少的特征,亦表明沉积水体逐渐变浅.所取样品以含TOC较高的中下部页岩 气储层样品为主,少量样品位于剖面上部作为对比.
三个剖面29个页岩样品的X射线衍射全岩分析结果见表 1. 矿物组分X射线衍射分析表明,其矿物组成纵向变化大,自下而上总体表现为碳酸盐由高→低→高、硅质由低→高→低以及粘土矿物由低→高的变化趋势. 岩性和矿物组成变化特征显示,龙马溪组页岩储层纵向上非均质性较强.黔江剖面总有机碳含量(TOC)中等(0.58%~3.50%),脆性矿物(石英、长石、黄铁矿、碳酸钙)含量平均为75.4%,粘土矿物含量平均为23.6%,镜质体反射率(Ro)在2.5%~3.2%之间.长宁剖面TOC含量中等(1.24%~4.63%),脆性矿物(石英、长石、黄铁矿、碳酸钙)含量平均为81.15%,粘土矿物含量平均为23.63%,Ro在2.5%~3.2%之间. 习水剖面TOC含量中等(0.37%~5.34%),脆性矿物(石英、长石、黄铁矿、碳酸钙)含量平均为65.74%,粘土矿物含量平均为33.6%,Ro在2.5%~3.2%之间. 粘土矿物以伊利石为主,伊蒙混层中非膨胀型伊利石含量大于80%,有序的混层粘土代替了无序的混层粘土,表明龙马溪组页岩已进入晚成岩阶段. 在页岩样品的矿物组分三角图解中(图 1),可以看出龙马溪组主要属于富“砂”型页岩气储层.
| 表 1 龙马溪组页岩矿物组分特征span>Table 1 Mineral content chart of the X-ray diffraction analysis of Longmaxi Formation shale |
![]() | 图 1贵州习水(XS)、重庆黔江(QJ)和四川长宁(CN)页岩样品矿物组分三角图 Fig. 1Ternary plot of the sample mineral composition in the Xishui (XS), Qianjiang (QJ) and Changning (CN) sections |
作为对比,美国沃斯堡盆地Barnett 页岩(Guo et al.,2013)与龙马溪组页岩都相对富集脆性矿物,但龙马溪组含量变化较大. 龙马溪组泥页岩中脆性矿物含量较Barnett 页岩低,粘土矿物含量相对较高.Barnett 页岩中脆性矿物以生物成因和成岩成因 为主,而龙马溪组脆性矿物却以陆源石英、长石为 主. 因此,Barnett 页岩与龙马溪组两者的岩相学特征虽然较相似,但岩石矿物成分和岩性特征具有一定的差异性. 2.2 页岩样品微观结构特征
龙马溪组页岩的岩石结构较为复杂,表现在岩石骨架的构成颗粒、孔隙类型、有机质分布特征等方面存在明显的差异.龙马溪组岩性十分致密,平均孔隙度不及5%,而所采露头样品部分孔隙度较高可能与其暴露地表受到淋滤作用有关. 根据扫描电镜与背散射电镜观察结果(图 2),页岩储层孔隙类型主要包括原生孔隙、次生孔隙和裂隙. 原生孔隙主要为石英、莓状黄铁矿、碳酸盐等脆性矿物颗粒间微孔(图 2a—2d均有表现),以及粘土矿物颗粒之间的原生粒间微孔,与致密砂岩、常规砂岩颗粒之间的原生孔隙一致,只是孔径远小于后者. 次生孔隙是页岩中有机质生烃(图 2c—2d)、粘土矿物脱水、伊利石化和长石等不稳定矿物溶蚀作用形成的微小孔洞和微裂隙(图 2d),缝宽一般在50~300 nm之间,部分长石等的溶蚀孔隙直径可达2~10 μm,这些次生孔隙有效地改善了泥页岩的储集物性. 总体上看,有机质微孔隙和脆性矿物原生粒间孔隙是储层岩石孔隙的主要贡献者. TOC主要分布于原生粒间孔隙中(图 2c—2d),孔隙的形态决定了TOC的形态,造成TOC主要呈斑块状分布,而且不作为支撑岩石的连续骨架,即不承担作用力,也不影响岩石的各向异性特征,这种特征与美国未成熟的Williston盆地Bakken页岩(Vernik and Nur,1992)有明显差异(该页岩中TOC呈近似平行层理的条带状分布). 岩石样品中黄铁矿呈草莓状集合体产出(图 2d),直径可达2 μm,由多个紧密堆积的黄铁矿晶体颗粒构成,黄铁矿颗粒亦主要分布在孔隙中,同样不作为岩石骨架部分而承担作用力. TOC与黄铁矿颗粒的分布特征反映页岩样品的过成熟结构特征.
![]() | 图 2 龙马溪组页岩微观结构特征 (a) QJ5样品扫描电镜图像(粒间微孔、溶蚀微孔, 方解石晶体充填于片状伊利石(图中用Vc标注)中); (b) CN7样品扫描电镜图像(溶蚀微孔隙, 片丝状伊利充填于硅质晶体(图中用Qz标注)之间); (c) CN9样品背散射扫描电镜图像(TOC充填于石英粒间孔隙中, TOC中的有机质微孔); (d) CN9样品背散射扫描电镜图像(TOC、黄铁矿晶体(图中用Fp标注)集合体充填于粒间孔隙中, 微裂隙). Fig. 2 Microstructure of Longmaxi Formation shale samples (a) SEM photomicrographs of QJ5 gas shale sample (inter-crystal micro-pore, dissolution pore); (b) SEM photomicrographs of CN7 gas shale sample (dissolution pore); (c) Backscatter SEM photomicrographs of CN9 gas shale sample (pore-filling nature of TOC, organic matter pore); (d) Backscatter SEM photomicrographs of CN9 gas shale sample (pore-filling nature of pyrite, micro-crack). |
为了更精细地描述岩石样品的微观孔隙结构,在加工CN9样品剩余的部分上任意钻取了一个直径2 mm的岩芯,标记为CN9-1. 通过纳米CT对干燥的CN9-1样品进行扫描,图 3a展示了该样品的3D孔隙结构,其大小为20000 nm×20000 nm×20000 nm. 图 3a显示出样品中的孔隙主要呈孤立分布,连通性较差,且孔径也存在较大差异,依据3D图像的统计结果,直径小于2 μm的孔隙占总孔隙个数的90%以上; 从该3D图像中亦可以看出,孔隙以近似球形或者长椭球形为主,具有较高的孔隙纵横比,统计结果表明孔隙纵横比主要分布在0.1~0.2之间(约占总孔隙的70%),该特征与岩 石样品中孔隙主要为有机质微孔隙和脆性矿物原生粒间孔隙相一致.图 3b给出TOC的空间分布特征,TOC在空间上呈随机的团块状分布,无明显的定向性,团块大小与孔隙大小近于一致,反映孔隙充填特征. 3 龙马溪组页岩样品地震岩石物理特征3.1 实验样品制备与测量
页岩气储层岩石孔隙流体特征及其赋存状态相对于常规储层岩石更为复杂而无统一认识,本文主要讨论岩
石样品饱气条件下的声学特征. 首先将样品置于温度为70 ℃的烘箱中均匀烘干48 h以使样品达到“相对”干燥条件(样品中仅含结晶水与粘土约束水),然后烘干后的样品在潮湿空气露天放置24 h以上得到约含有2%~3%水分的“干燥”样品以消除粘土矿物脱水对岩石骨架的破坏作用. 由于页岩气储层岩石低孔、低渗特征,常规孔隙度、渗透率测量方法较难得到准确结果. 在利用XRD得到矿物组分及其含量的条件下,可进一步计算得到岩石等效颗粒密度,在得到岩石干燥密度后,可较为准确地计算出岩石样品的孔隙度(总孔隙度).为准确测量岩石样品的各向异性特征,需将所研究的样品分别沿平行层理方向(垂直于对称轴)、垂直于层理方向(平行对称轴)、与对称轴呈一定角度(通常大于30°,这里为45°)的三个不同方向切制成圆柱状(Vernik and Nur,1992;邓继新等,2004). 所有样品直径均为25.4 mm,高在40~55 mm间不等,两端面磨平抛光斜度小于0.05 mm.
本研究利用超声波脉冲穿透法测定样品速度. 实验装置配套纵波PZT换能器的主频为800 kHz,横波主频为350 kHz. 实验中,压力从2 MPa开始加至70 MPa,在10 MPa前每隔2 MPa测量一次,随后每5 MPa测量一次,压力点测量间隔15 min以保证围压在样品中平衡,压力偏差小于0.3%. 根据振动方向、传播方向以及岩石样品层理三者之间的关系,可以在三个不同方向的样品上得到九个速度(Vernik and Nur,1992;邓继新等,2004). 平行对称轴(垂直于层理与对称轴呈0°角)传播的VP-0°、VSV-0°(层理面内且振动方向垂直于对称轴)、VSH-0°(振动方向在层理面内,并与VSV-0°振动方向垂直); 平行层理(平行于层理与对称轴呈90°角)方向传播的VP-90°、VSV-90°(振动方向同时垂直于层理)、VSH-90°(振动方向在层理面内且垂直于对称轴); 与对称轴成45°角传播的VP-45°(振动方向与传播方向一致)、VSV-45°(振动方向水平)、VSH-45°(振动方向与VSV-45°垂直).纵波速度测量相对误差的量级约为1%,横波约为2%.
![]() | 图 3 CN9-1页岩样品中孔隙(a)与有机质(b)的微观3D分布特征,3D体大小为20000 nm×20000 nm×20000 nm 图(a)中形同颜色代表连通的孔隙或裂缝.Fig. 3 Microscopic 3D distribution of pore(a) and organic matter(b)of CN9-1 gas shale sample,the size of the volume is 20000 nm×20000 nm×20000 nm Fig. (a)in the same color on behalf of the interconnected pores or fracture. |
![]() | 图 4 QJ6样品在不同方向上的纵波速度(a)与横波速度(b)随围压变化Fig. 4 P-wave velocities(a) and S-wave velocities(b)for selected propagation directions as a function of effective pressure for QJ6 |
图 4给出QJ6页岩样品(重庆黔江)在不同极化方向和传播方向下的纵、横波速度随压力的变化,该样品代表具有明显各向异性页岩样品的普遍速度关系. 图中可以看出,不同压力横波速度VSV-0°、 VSH-0°、VSV-90°相差很小,即存在VSV-0°≈VSH-0°≈VSV-90°. 其实,所有29个页岩样品的上述三个横波速度差异均较小,最大不超过2%. 考虑到样品制备过程中会造成沿不同方向切制的样品之间存在一定的差异,以及速度读取的误差,可以认为上述三个横波(VSV-0°、VSH-0°、VSV-90°)的速度是近似相等的. 在相同的压力下,所有页岩样品纵波速度均表现出相同的变化关系(以QJ6样品为代表):VP-90°>VP-45°>VP-0°. 横波速度关系较为复杂,大部分样品存在关系(以QJ6页岩样品为代表): VSH-90°>(VSV-45°、VSH-45°)>(VSV-0°、VSH-0°、VSV-90°),而横波V SV-45°与V SH-45°之间速度大小无一定的规律; 少量样品在低围压下表现出VSV-0°>VSH-90°特征. 依据速度关系,可将所研究页岩样品的弹性性质看作是横向各向同性的,即VTI介质. 利用速度与密度测量结果可进一步计算表征VTI介质的五个独立弹性刚度系数(C11,C33,C44,C66与C13)(Johnston and Christensen,1995). 需要说明的是对于少量不完全满足VTI介质的页岩样品为便于比较仍用相同的方法计算上述五个刚度系数以代表其等效弹性性 质. 进一步,可以计算得到各向异性参数(Thomsen,1986).
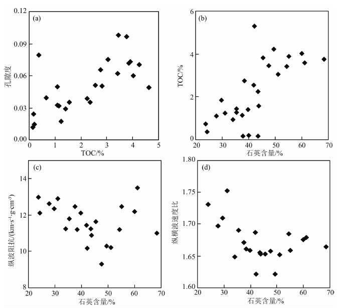
图 5a给出页岩样品中孔隙度随TOC的变化关系,两者呈现出较为明显的正相关关系,也说明龙马溪组页岩中有机质微孔(图 2c—2d)是重要的孔隙类型之一. 随着TOC含量的增加,更多的有机质孔隙会在生烃过程中形成,尤其是对于过成熟的龙马溪组页岩; 同时,更高的TOC含量也意味着更高的石英含量(图 5b),而石英含量的增加会增强岩石的刚度,从而抵消压实作用对于孔隙减少的影响,不但使更多的有机质孔隙得以保存,同时也使更多的粒间原生孔隙得以保存. 图 5c为50 MPa的围压下页岩样品中石英含量对于垂直层理传播纵波阻抗的影响. 可以看出,纵波阻抗随石英含量的增加呈近似的“V”型趋势,即纵波阻抗先随石英含量的增加而减少直到某一特征石英含量,随后纵波阻抗又随石英含量的增大而增大,该阻抗(速度)的转折点出现在石英含量大于40%处. 横波阻抗亦具有相同的特征. 纵波阻抗(速度)随石英含量变化方式表明,在石英含量小于40%时(对应粘土含量大于30%),弹性性质较“软”的粘土颗粒作为岩石的骨架,此时石英含量越高则表明岩石中TOC的含量及孔隙度含量越高(图 5a—5b),孔隙度和TOC对速度的降低作用造成岩石表现出速度及阻抗随石英含量的增加而降低的趋势; 而当石英含量大于40%(粘土含量小于30%)时,虽然更多的石英含量同样表明更大的孔隙度,但此时石英含量的增加会造成岩石的骨架逐渐演变为弹性性质较“硬”石英颗粒为主,而造成速度或阻抗的增加. 图 5d为页岩中石英含量对于纵横波波速比的影响,可以看出纵、横波波速比随着石英含量的增加而减小(随着粘土含量的增加而增加),而且这种趋势在同一剖面的样品中更为显著. 速度比的变化则反映组成岩石矿物组分的变化以及孔隙度的变化对岩石弹性性质的差异性影响,如石英颗粒的速度比小于粘土颗粒,石英含量的增加会使岩石的纵、横波速度比降低; 石英含量的增加同时会造成岩石样品的孔隙度增大,而孔隙的增加也会使纵波速度降低的更为明显而造成纵、横波速度比的降低. 因此,页岩样品的纵、横波速度比会随石英含量的增加而减小. 综上所述,高TOC含量的龙马溪组页岩会表现出相对较高的石英含量(50%左右)、低纵波阻抗(纵波速度)和低纵、横波速度比的特征,也不排除部分高TOC页岩(石英含量大于55%)具有高纵波阻抗和低速度比的特征.
![]() | 图 5 龙马溪组页岩样品物性特征与岩石物理特征
(a)孔隙度与TOC关系;(b)TOC与石英含量关系;(c)石英含量对纵波阻抗的影响;(d)石英含量对纵、横波速度比的影响.Fig. 5 Reservoir properties and rock physical properties of gas shale samples (a)TOC versus porosity;(b)TOC versus quartz content;(c)P-wave impedance versus quartz content;(d)The ratio of P- and S-wave velocity versus quartz content. |
![]() | 图 6 龙马溪组页岩样品纵波速度变化特征与各向异性特征
(a)不同粘土含量样品纵波速度随压力变化;(b)各向异性参数随压力变化;(c)粘土含量对各向异性参数ε的影响;(d)粘土含量对各向异性参数γ的影响.Fig. 6 P-wave velocities and anisotropy properties of gas shale samples (a)P-wave velocities of sample with variable clay content as function of confining pressure;(b)Anisotropy factor γ as function of confining pressure;(c)Anisotropy factor(ε)versus clay content;(d)Anisotropy factor(γ)versus clay content. |
图 6a给出典型页岩样品(粘土含量不同)垂直层理传播时纵波、横波速度随围压的变化关系.可以看出,样品的纵、横波速度都随着有效压力的增加而增大.对于粘土含量较高的两个样品(Vclay=44.3%,Vclay=44.8%),速度-压力曲线在围限压力较低时呈非线性的幂指数增长趋势,而在高压时则表现为单一的线性增长趋势.岩石样品低压力时所表现出的非线性变化趋势主要与样品中微裂隙和粒间孔隙的闭合有关,而高压时的线性增长则和硬孔隙在压力下的闭合或者组成岩石颗粒压缩(“晶格压缩”)有关. 速度-压力曲线说明了高粘土含量页岩样品内部有着纵横比较小的微裂隙. 由扫描电镜观察结果(图 2d)可以发现,页岩样品内部的微裂隙主要由粘土矿物的应力释放和粘土矿物脱水产生,而微裂隙的定向则与粘土的定向具有一致性,造成高粘土含量的样品其纵、横波各向异性随压力的变化也最为明显(图 6b).其余页岩样品的速度随压力的增加表现出近于线性的变化,反映样品中主要包含有机质孔和原生粒间孔这样的纵横比较大的“硬”孔隙. 同时这些低粘土含量的页岩样品各向异性均较小,而且其各向异性参数随压力变化也非常不敏感. 从实验结果还可以发现,粘土含量Vclay=6.5%的页岩样品在围压小于10 MPa的情况下横波各向异性(γ)小于零,不满足VTI介质假设. 由于微裂隙赋存位置和层间结构原因,微裂隙通常与粘土颗粒具有相同的定向特征. 因此,较低的各向异性说明了大多数的粘土矿物的定向是随机的,故而微裂隙也表现为随机定向,造成各向异性随围压变化也较小.当存在多组裂隙定向时,各向异性因子也会表现为小于0的值; 随压力的增大,微裂隙逐渐闭合,各向异性参数也逐渐增大而在压力较高时表现为高于0的值. 图 6c—6d为50 MPa围压下,样品的粘土含量对于各向异性因子ε和γ的影响.可以看出,各向异性随着粘土含量的增加有着明显的增加,表明粘土含量仍然是控制页岩样品各向异性大小的决定因素. 粘土含量与各向异性参数满足如下的经验公式:
相比Barnett页岩,龙马溪组页岩有着较小的各向异性,造成这种现象的主要原因是龙马溪组页岩中有机质和粘土含量都相对较低,同时有机质也通常不表现为平行层理的条带状,而呈团块状赋存于孔隙中而不对各向异性形成明显的贡献.对于粘土含量较低的样品(高石英含量、高TOC含量)在手标本上虽然能观察到明显的层状构造特征,但各层的岩石物理特性相差不大,从而各向异性特性较弱. 当粘土含量低于某个临界值时,构成岩石骨架的矿物为石英颗粒而非粘土矿物,则岩石骨架的岩石物理特性也表现为石英颗粒的特性而非粘土颗粒. 这样看来,低粘土含量(高石英含量、高TOC含量)样品如果从岩石结构来进行分类的话可以认为是页岩(具有明显层状构造特征),而从组分和微观结构的角度来看则可以归类为细粉砂岩.
图 7a给出龙马溪组页岩样品在50 MPa下各向异性因子ε与γ之间的变化关系. 各向异性因子ε与γ之间线性关系较为明显,相对于王之敬(2002)所给的页岩样品ε与γ关系式(共259块样品):γ=0.956ε-0.01049,本次测量结果为:γ=0.95ε-0.076,拟合线整体略微偏上.图 7b、7c分别给出50 MPa下页岩样品各向异性因子ε-δ、γ-δ变化关系. 对于所研究的页岩样品,各向异性因子ε与δ之间亦具有一定的线性关系,样品数据较多分布在ε=δ的附近及下部,表明地震波在龙马溪组页岩中传播时具有相对较弱的非椭圆波前特征.
具有VTI特征的页岩样品,其不同弹性参数之间也具有较为明显的统计关系. 而实际测井及地震勘探中由于仪器方向性的限制较难完整得到页岩的五个独立刚度系数,如偶极声波测井中计算各向异性参数、VSP(Vertical Seismic Profiling,垂直地震剖面)中通过测量刚度系数C11求取C66,不同刚度系数间的统计关系则可为上述转化提供依据.图 8给出龙马溪组页岩样品在50 MPa下弹性参数之间的变化关系. 弹性参数C11与C66具有最高的相关性,相关系数可达到0.93(图 8a); 弹性参数C33与C44也具有较好的相关性,其相关系数可到0.91(图 8b). 实际上,所研究的龙马溪组页岩样品五个独立弹性参数之间均具有明显的相关性,但相关性最强的是C11与C66以及C33与C44之间的相关性. Schoenberg等(1996)针对页岩所具有的弹性性质提出了利用三个弹性参数(C33,C44,C66)完整表示VTI介质五个独立弹性参数的方法,在该方法中C13和C12可用如下公式求取:
![]() | 图 7 龙马溪组页岩样品各向异性因子之间的变化关系
(a)各向异性因子ε与γ之间的变化关系;(b)各向异性因子ε与δ之间的变化关系;(c)各向异性因子γ与δ之间的变化关系.Fig. 7 Cross-plot of anisotropy factor ε versus γ(a),ε versus δ(b) and γ versus δ(c) |
![]() | 图 8 龙马溪组页岩样品刚度系数统计关系
(a)刚度系数C11与C66交会图;(b)刚度系数C33与C44交会图;(c)组合刚度系数C13+2C44与C33交会图;(d)刚度系数C12与C13交会图.Fig. 8 Correlation of elastic stiffnesses of gas shale samples (a)Cross-plot of stiffness C11 versus C66;(b)Cross-plot of stiffness C33 versus C44;(c)Cross-plot of combination stiffness C13+2C44 versus C33;(d)Cross-plot of stiffness C12 versus C13. |
基于龙马溪组页岩的岩性特征及微观结构特征,在保证理论模型物理机制和岩石结构相统一的基础上,
综合利用自洽模型(SCA)、微分等效模量模型(DEM)和Backus平均模型建立龙马溪组页岩的地震岩石物理模型,上述理论模型计算公式见参考文献(Mavko et al.,2009). 在自洽模型(SCA)中多种组分是连续的,适合多种矿物共同作为岩石骨架的情况; 微分等效模量模型(DEM)则仅使最先加入的矿物保持连续而成为基质,后加入的矿物则为孤立的夹杂体形式存在.由于龙马溪组页岩致密且孔隙度较低(<5%),孔隙类型主要为纵横比相对较大(0.1~0.2)的球形或者近球形粒间孔和溶蚀孔,因此在建模过程中我们将模型孔隙考虑为纵横比为0.1的非连通孔隙. TOC主要位于原生粒间孔之中,在空间分布上呈现为随机团块状分布,因此TOC不作为岩石的骨架,也不为岩石的各向异性做贡献. 基于TOC的这种特征,在建模过程中可将TOC作为岩石中的一种夹杂体充填到岩石孔隙中. 岩石的矿物组分的变化会引起岩石骨架的不同,依据前文中的分析在粘土含量大于30%时,粘土作为岩石基质,而其他矿物则夹杂于其中(见图 9),此时使用DEM模型更为合适; 而粘土含量小于该含量时石英与粘土共同作为岩石骨架,则使用SCA模型更为合适. 基于上述特征,龙马溪组页岩的地震岩石物理建模流程如下(图 10,该图依据Xu和Payne(2009)修改):
![]() | 图 9 页岩气储层样品岩石微观结构示意图Fig. 9 Conceptual model of microtexture of gas shale samples |
(1)石英、方解石、白云石、粘土、干酪根作为岩石的组成矿物,当粘土含量小于30%时,将石英、粘土、方解石、白云石混合矿物作为岩石基质,并使用自洽模型(SCA)计算其等效模量; 当粘土含量大于30%时,则以粘土为基质,而其他矿物利用微分等效介质理论以包含物的形式加入其中.
(2)利用微分等效介质理论(DEM)将随机分布的单一纵横比的硬币状孔隙继续加入到岩石基质中;利用微分等效介质理论(DEM)将非定向TOC以夹杂体的形式继续加入到岩石中充填岩石孔隙.
(3)由于页岩的致密性以及孔隙的非连通性,饱和流体具有高频非弛豫特征,因此仍然使用DEM模型加入流体.
(4)最后使用Backus平均模拟包含定向粘土与(3)步中计算所得等效介质的VTI介质,并得到最终的等效弹性参数.
计算结果表明,如果将TOC和黄铁矿按岩石骨架而非孔隙充填物的形式加入,那么当其含量为2%时,两者速度差异可分别达到2%和3%,该差异随含量的增大而增大,即不考虑TOC和黄铁矿分布特征会使模型出现计算误差. 4.2 实验结果与井资料解释
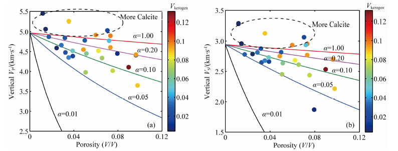
图 11中给出利用4.1节岩石物理模型所计算出的纵、横波速度随孔隙度的变化关系. 模型在零孔隙度时的矿物组成为表 1中所有样品对应含量的平均,对应矿物的弹性参数值见参考文献(Mavko et al.,2009). 图中的数据点均为龙马溪组页岩样品20 MPa下垂直层理纵、横波速度,色标代表对应样品的干酪根含量(据TOC含量计算(Mavko et al.,2009)). 从图中可以看出,随着孔隙度的增大,纵横波速度整体呈现出下降的趋势. 也出现不同样品在相同孔隙度下纵、横波速度值之间存在较大的差异,原因可能是岩石样品的组分不同,也有可能是其所含孔隙类型不同,即在相同孔隙度下,速度小的页岩样品含有更多纵横比较小的孔隙. 随着干酪根含量的增加,孔隙度也逐渐增大,因此纵、横 波速度也表现出随干酪根含量的增加而降低的趋势. 页岩样品在图 11中孔隙的纵横比主要位于0.1附近,超出模型线范围的速度点(虚线圈内)对应的样品具有更高的碳酸钙含量. 因此,准确描述页岩地震弹性性质的岩石物理模型不但需要考虑主要矿物的相对成分和分布特征,还需要考虑所包含孔隙的结构特征(孔隙度与其纵横比). 在模型中给出上述参数 后可较为准确地覆盖实验结果,反映了模型的适用性.
![]() | 图 10 龙马溪组页岩气储层地震岩石物理建模流程图(据Xu和Payne(2009)修改)Fig. 10 Schematic view of seismic rock physical modeling for Longmaxi Formation shale samples(Modified from Xu and Payne,2009) |
![]() | 图 11 地震岩石物理模型计算结果与实验结果比较Fig. 11 P-wave(a) and S-wave(b)velocity versus porosity for vertical shale samples superimposed by the theoretical modeling predictions |
![]() | 图 12 Z井龙马溪组页岩地震岩石物理解释模板
(a)纵波阻抗IP-纵横波速度比VP/VS;(b)泊松比σ-杨氏模量E.Fig. 12 Rock physics template for Longmaxi Formation shale of Z well (a)Template for P-wave impedance(IP)versus VP/VS ratio;(b)Template for Poisson′s ratio(σ)versus Yong′s modulus. |
图 12为利用岩石物理模型所构建的定量解释图版. 图 12a中给出了两组纵波阻抗(IP)-速度比(VP/VS)的变化图解,分别代表干酪根含量为零的页岩(图中黑色实线)和干酪根含量为5%的富有机质页岩(图中红色虚线)在孔隙度(0、4%、8%)和粘土含量(0、10%、20%、30%和40%)变化情况下的IP和VP/VS变化趋势; 图 12b给出对应的两组泊松比(σ)-杨氏模量(E)的变化图解. 图 12中的实际数据点是来自中国南方Z井龙马溪组页岩储层A、B、C段和下伏碳酸盐岩D层的测井计算结果,其色标为对应点TOC值计算得到的干酪根含量. 上述四层在深度上连续,B层为A层的上覆地层,C层为B层的上覆地层.
从图 12中可以看出,龙马溪组页岩的IP、VP/VS变化较为复杂. 富有机质的页岩A层相对于B层、C层以低速度比(泊松比)、低纵波阻抗和低杨氏模量为特征,VP/VS主体小于1.7; 随干酪根和孔隙度的增加纵波阻抗、速度比、杨氏模量和泊松比均逐渐降低,反映石英和孔隙的综合作用; 孔隙度变化范围较宽,利用图版解释孔隙度范围为2%~5%,孔隙度亦有随干酪根增加而增大的趋势,反映储层有机质对孔隙度的控制作用.富石英B层在解释图版中相对于A层和C层,具有相对较低的速度比和相对较高的纵波阻抗以及最高的杨氏模量,在速度比上和储层A段有一定的重合性,反映石英颗粒本身的弹性性质.富粘土C层在解释图版中相对于A层和B层,孔隙度在2%以内,具有最高的速度比和相对较高的纵波阻抗以及最大的泊松比和相对较高的杨氏模量,主要原因是该层中粘土和碳酸钙的含量均较高,钙质的增加和孔隙度的降低补偿了粘土对阻抗和杨氏模量的降低作用.下伏碳酸盐岩D层则表现为明显的高纵波阻抗、高速度比、高杨氏模量的特征. 5 结论
龙马溪组页岩气储层在沉积和成岩演化过程中形成较为复杂的矿物组成和微观结构特征,也使其地震弹性特征上表现出明显的差异性,本文正是基于系统的微观结构观察和岩石物理实验来分析页岩样品地震弹性性质的变化规律,进而建立相应的表征模型,取得如下认识:
(1)龙马溪组页岩气储层岩石的孔隙度、TOC含量与石英(粘土)含量之间具有较为明显的相关性,石英颗粒的抗压实作用为岩石中原生孔隙的发育和TOC的赋存提供保证,造成较高的石英含量也意味着较高的TOC含量和孔隙度.
(2)TOC与黄铁矿主要赋存于岩石孔隙中,其形态决定于孔隙特征,既不作为岩石的骨架,也不对岩石的各向异性起作用; 骨架组成矿物存在转换,当粘土含量大于30%时(石英含量小于40%)粘土矿物作为岩石的骨架,当小于该值时石英颗粒、粘土、碳酸钙共同作为岩石的骨架.
(3)岩石样品所表现的阻抗和速度特征是多种因素综合反映的结果,主要包括岩石骨架组成矿物、TOC含量、孔隙度; 高TOC含量的储层岩石通常表现出低泊松比、低阻抗和低杨氏模量的特征;由于支撑矿物由粘土向石英的转换富有机质页岩亦可表现为高阻抗特征.
(4)龙马溪组页岩样品的各向异性受粘土含量的控制,与粘土含量存在明显的函数关系; 低粘土含量样品出现负值各向异性参数,即不满足VTI介质假设; 虽然样品手标本上具有明显的页岩层理构造,但从组分和微观结构的角度来看则应归类为细粉砂岩,因此其各向异性参数值也较低.
(5)基于龙马溪组页岩的岩性特征及微观结构特征,在保证理论模型物理机制和岩石结构相统一的基础上,综合利用自洽模型(SCA)、微分等效模量模型(DEM)和Backus平均模型可较为准确地建立龙马溪组页岩的地震岩石物理模型.
| [1] | Carcione J M, Helle H B, Avseth P. 2011. Source-rock seismic-velocity models: Gassmann versus Backus. Geophysics, 76(5): N37-N45. |
| [2] | Deng J X, Shi G, Liu R X, et al. 2004. Analysis of the velocity anisotropy and its affection factors in shale and mudstone. Chinese Journal of Geophysics (in Chinese), 47(5): 862-868. |
| [3] | Deng J X, Wang S X, Han D H. 2009. The velocity and attenuation anisotropy of shale at ultrasonic frequency. J. Geophys. Eng., 6(3): 269-278. |
| [4] | Guo Z Q, Li X Y, Liu C, et al. 2013. A shale rock physics model for analysis of brittleness index, mineralogy and porosity in the Barnett Shale. J. Geophys. Eng., 10(2): Article ID 025006. |
| [5] | Hornby B E, Schwartz L M, Hudson J A. 1994. Anisotropic effective-medium modeling of the elastic properties of shales. Geophysics, 59(10): 1570-1583. |
| [6] | Jia C Z, Zheng M, Zhang Y F. 2012. Unconventional hydrocarbon resources in China and the prospect of exploration and development. Petroleum Exploration and Development (in Chinese), 39(2): 129-136. |
| [7] | Johnston J E, Christensen N I. 1995. Seismic anisotropy of shales. J. Geophys. Res., 100(B4): 5991-6003. |
| [8] | Li X, Zhou C C, Li C L, et al. 2013. Advances in petrophysical analysis technology of shale gas. Well Logging Technology (in Chinese), 37(4): 352-359. |
| [9] | Liu Z W, Sa L M, Yang X, et al. 2011. Needs of geophysical technologies for shale gas exploration. Oil Geophysical Prospecting (in Chinese), 46(5): 810-818. |
| [10] | Ma Y S, Feng J H, Mu Z H, et al. 2012. The potential and explorating progress of unconventional hydrocarbon resources in SINOPEC. Engineering Sciences (in Chinese), 14(6): 22-30. |
| [11] | Mavko G, Mukerji T, Dvorkin J. 2009. The Rock Physics Handbook. 2nd ed. Cambridge: Cambridge University Press. |
| [12] | Schoenberg M, Muir F, Sayers C. 1996. Introducing ANNIE: A simple three-parameter anisotropic velocity model for shales. Journal of Seismic Exploration, 5: 35-49. |
| [13] | Sondergeld C H, Rai C S, Margesson R W, et al. 2000. Ultrasonic measurement of anisotropy on the Kimmeridge Shale. // SEG Technical Program Expanded Abstracts. 1858-1861. |
| [14] | Sondergeld C H, Rai C S. 2011. Elastic anisotropy of shales. The Leading Edge, 30(3): 324-331. |
| [15] | Thomsen L. 1986. Weak elastic anisotropy. Geophysics, 51(10): 1954-1966, doi: 10.1190/1.1442051. |
| [16] | Vernik L, Nur A. 1992. Ultrasonic velocity and anisotropy of hydrocarbon source rocks. Geophysics, 57(5): 727-735. |
| [17] | Vernik L, Liu X Z. 1997. Velocity anisotropy in shales: A petrophysical study. Geophysics, 62(2): 521-532. |
| [18] | Wang Z J. 2002. Seismic anisotropy in sedimentary rocks, part 2: Laboratory data. Geophysics, 67(5): 1423-1440. |
| [19] | Xu S Y, Payne M A. 2009. Modeling elastic properties in carbonate rocks. The Leading Edge, 28(1): 66-74. |
| [20] | 邓继新, 史謌, 刘瑞珣等. 2004. 泥岩、页岩声速各向异性及其影响因素分析. 地球物理学报, 47(5): 862-868. |
| [21] | 贾承造, 郑民, 张永峰. 2012. 中国非常规油气资源与勘探开发前景. 石油勘探与开发, 39(2): 129-136. |
| [22] | 李霞, 周灿灿, 李潮流等. 2013. 页岩气岩石物理分析技术及研究进展. 测井技术, 37(4): 352-359. |
| [23] | 刘振武, 撒利明, 杨晓等. 2011. 页岩气勘探开发对地球物理技术的需求. 石油地球物理勘探, 46(5): 810-818. |
| [24] | 马永生, 冯建辉, 牟泽辉等. 2012. 中国石化非常规油气资源潜力及勘探进展. 中国工程科学, 14(6): 22-30. |
2015, Vol. 58













