文章编号: 2096-3203(2023)04-0185-10 中图分类号: TM571
随着分布式新能源接入电网的规模越来越大,部分输电线路潮流重载,个别时段超过线路热稳极限,导致电力系统调度、输电能力、潮流控制等方面出现了新的问题,危及电力系统安全稳定运行,因此研究输电线路的潮流控制成为必要。柔性交流输电系统(flexible alternative current transmission systems,FACTS)装置通过调整输电线路两侧相角差、串入阻抗等参数来改变线路传输功率,提高负荷能力,保证供电安全可靠[1-2]。其中统一潮流控制器(unified power flow controller,UPFC)是功能最强的FACTS装置,可控制电压幅值、相角和线路电抗,独立地控制有功和无功潮流。虽然UPFC在功率流控制方面有很好的作用,但其高昂的制造成本限制了其广泛使用[3-6]。
Sen变压器(Sen transformer,ST)[7]由变压器和有载分接开关(on-load tap changer,OLTC)组成。ST通过向线路注入一定幅值和角度的串联电压,改变线路发送端与受端电压差,从而控制通过传输线的功率流。ST运行特性与UPFC相似,但其安装、运行和维护成本更低,且由于OLTC的离散性,ST只能在有限的工作点下调节电压,精度和动态性能会下降[8-9]。为了增加ST的补偿精度,文献[10]采用不对称电压(4 ∶1)的分接开关绕组,且其与主绕组双向连接,可在ST补偿范围内最大化补偿点的数量,减少分接开关抽头个数,提高ST的灵活性和调节精度,更具成本效益。基于ST离散调节的局限性,文献[8, 11]提出了一种晶体管辅助Sen变压器(transistor-assisted Sen transformer,TAST),其由一个大容量ST和一个基于绝缘栅双极型晶体管(insulated gate bipolar translator,IGBT)的小容量ST组成。TAST性能同UPFC一致,可连续调压但其结构复杂,组件需求和成本增加。目前,TAST的研究主要在于模型建立和分析,对于实际应用的研究尚不深入[10-11]。文献[12]介绍了一种混合式统一潮流控制器(hybrid unified power flow controller,HUPFC),其由大容量ST和小容量UPFC组成,在容量配合得当的情况下可以实现HUPFC输出较大的、连续的串联电压,具有较好的应用前景[12-15]。但ST使用机械式OLTC有级调压,响应速度慢,不易与UPFC换流器中的电力电子开关协调,并且在分接头切换过程中会产生电弧,容易错档,故障率高,维护量大,导致无法准确控制调压时刻[11]。随着电力电子技术的迅速发展,人们开始采用高电压、大功率电力电子器件代替机械开关,文献[16-18]提出了混合式OLTC,在原机械式OLTC的基础上利用晶闸管接通和切断电路,从而抑制电弧产生,但分接开关中仍保留传统机械开关,其响应速度较慢且控制策略复杂[15]。
目前对ST使用全电力电子OLTC的研究较少,文中提出使用全电力电子OLTC代替机械式OLTC,利用文献[10]提出的ST结构,与UPFC共同作用构成快速电磁式HUPFC,可大大提高设备性能,实现大容量连续调节。首先,简要介绍了HUPFC的基本结构,分析了快速电磁式HUPFC全电力电子OLTC的拓扑、拓扑参数设计及工作特性,重点研究了开关切换时的暂态过程,并提出了抑制开关切换时产生环流和过压的措施;然后,提出了一种适用于快速电磁式HUPFC潮流调节的抽头选择策略,详细给出了从潮流指令改变到控制全电力电子OLTC动作调节电压的过程;最后,通过Simulink仿真,验证了快速电磁式HUPFC可在潮流指令变化后快速调节,减小潮流波动,提高系统稳定性。
1 HUPFC工作原理HUPFC由大容量ST和小容量UPFC共同作用实现等效大容量柔性潮流控制功能,其基本结构如图 1所示。ST并联侧与UPFC并联侧电压源换流器(voltage source converters,VSC)均并联至系统的送端母线,ST串联侧与UPFC串联侧VSC串联后接入系统。图 1中
|
图 1 HUPFC结构 Fig. 1 Structure of HUPFC |
ST并联侧为三相变压器,带有9个二次侧绕组,其一次侧的三相绕组星形连接,其二次侧由3组绕组构成,每组中有A、B、C三相绕组[10],用于补偿传输线的一相线路,其结构如图 2所示。
|
图 2 ST结构 Fig. 2 Structure of ST |
以A相线路为例,二次侧绕组a1、b3、c2为一组,共同构成A相线路的串联单元,其注入的补偿电压
| $ \dot{U}_{\mathrm{se} 2 \mathrm{A}}=\dot{U}_{\mathrm{a} 1}+\dot{U}_{\mathrm{b} 3}+\dot{U}_{\mathrm{c} 2} $ | (1) |
式中:
线路总的串联补偿电压
| $ \dot{U}_{\mathrm{se}}=\dot{U}_{\mathrm{se} 1}+\dot{U}_{\mathrm{se} 2} $ | (2) |
当潮流指令发生变化后,ST的OLTC和UPFC的串联侧变流器根据各自需要提供的电压进行调压,使得线路串联补偿电压达到参考值,从而控制线路潮流。ST采用机械式OLTC实现绕组投切,其响应速度慢且须逐级离散调节,会造成线路存在较长时间的暂态过程,影响整体功率调控性能[16, 19]。为解决机械开关调压带来的诸多问题,文中采用基于全电力电子OLTC的快速电磁式HUPFC。
2 全电力电子OLTC拓扑及工作原理 2.1 全电力电子OLTC的拓扑全电力电子OLTC跨级调压,响应速度快,可实现OLTC的无触点电子化,切换过程无燃弧,应用前景广阔。快速电磁式HUPFC中ST的一个次级绕组及其OLTC的拓扑如图 3所示,其中VT1—VT10为IGBT开关;C为缓冲电容;Rc为吸收电阻。ST次级绕组使用4 ∶1不对称电压结构[10],级数设置为2,级电压比为4 ∶1;绕组的OLTC采用H桥结构,使绕组与线路之间双向连接,可改变接入电压的极性。
|
图 3 v Fig. 3 Switch topology of secondary winding of ST |
ST输出补偿电压的幅值为Use2,图 3中ST一个次级绕组的一级电压大小为0.4Use2,另一级为0.1Use2,每一级配有H桥开关模块,所有开关均由一组反串联IGBT构成,且IGBT均带有反并联二极管,以实现双向电流导通。绕组与开关模块之间设置限流电阻,用以抑制开关切换过程中形成的内部环流,在开关完成切换后开通电阻两端的开关,将限流电阻短路以降低损耗。开关两端设置RC缓冲电路以吸收IGBT关断时产生的瞬态过电压[19]。
2.2 全电力电子OLTC开关电路参数设计ST采用不对称级电压,其次级绕组的两级电压大小不同,相应的开关电路参数也不相同。开关工作在稳态时,两级绕组的开关承受的最大电压分别为各自级电压,流过开关的最大工作电流为线路电流与环流之和。开关的额定电压取正常工作时最大电压的两倍,额定电流取最大工作电流的1.5倍,据此选择合适的开关型号。现有开关型号无法满足要求时可将其串并联使用。
开关两端设置RC缓冲电路,其中缓冲电容的选取公式为:
| $ C=\frac{L_{\mathrm{k}} I^2}{(\Delta U)^2} $ | (3) |
式中:Lk为漏电感;I为电路关断电流;ΔU为漏电感产生的过电压。
吸收电阻Rc可通过式(4)来确定,其中f为系统频率。
| $ 2 \sqrt{\frac{L_{\mathrm{k}}}{C}} \leqslant R_{\mathrm{c}} \leqslant \frac{1}{4 C f} $ | (4) |
吸收电路的损耗Ps为:
| $ P_{\mathrm{s}}=C(\Delta U)^2 f / 2 $ | (5) |
控制开关的开通和关断,可以完成串联补偿电压大小的调节和极性的转换。以图 3中一级绕组为例,稳态时若绕组不接入线路,开关VT2和VT4开通,其他开关关断;若接入正的一级绕组,开关VT1、VT9和VT4开通,其他开关关断;若接入负的一级绕组,开关VT2、VT3和VT9开通,其他开关关断。任一次级绕组提供的补偿电压U和绕组状态之间的关系可表示为:
| $ U=m \times 0.4 U_{\mathrm{se} 2}+n \times 0.1 U_{\mathrm{se} 2} $ | (6) |
式中:m、n分别为两级绕组状态,取值可为1、0、-1,取1表示接入正的一级绕组,0表示绕组未接入,-1表示接入负的一级绕组。
当潮流指令改变后,ST通过控制系统得到串联补偿电压参考值,并根据绕组的状态变化控制开关切换调压。当绕组状态由0变为1时,相应的开关动作时序为:开通VT1→关断VT2→开通VT9;当绕组状态由1变为0时,开关动作时序为:关断VT9→开通VT2→关断VT1;当绕组状态由1变为-1时,开关动作时序为:关断VT9→开通VT2→关断VT1→开通VT3→关断VT4→开通VT9。图 4给出了接入正的一级绕组时开关的切换过程。
|
图 4 正向接入一级绕组时的开关动作时序 Fig. 4 Switch action sequence when the positive winding is connected |
而要说明的是,电力电子开关切换调压对开关耐压要求较高,且存在暂态扰动等问题[20-21]。在上述切换过程中,开关VT1开通后绕组短路,在H桥内部回路产生环流,如图 4(b)所示。当VT2关断时,由于变压器调压绕组等效漏电感和组件内杂散电感的存在,部分能量存储在抽头绕组的电感中,切换过程中较大的电感电流变化率会使开关两端产生过电压[17],其值超过开关的耐受值时会损坏开关。针对该问题,须对开关切换的暂态过程进行分析。
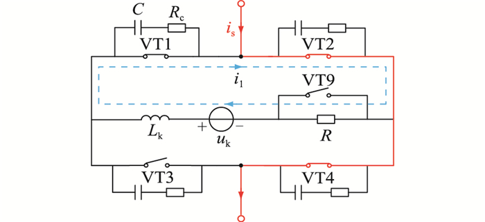
3 调压切换过程分析及低环流和过压切换方法 3.1 开关切换过程暂态分析首先以接入正的一级绕组为例,其切换过程中开关VT1开通时的等值电路如图 5所示,其中uk为级电压;is为系统电流;i1为环流;R为限流电阻。
|
图 5 开关VT1开通时的等值电路 Fig. 5 The equivalent circuit when switch VT1 is on |
假设在t1时刻控制开关动作,开关VT1开通后VT2上的电流iVT2为:
| $ i_{\mathrm{VT} 2}=i_1+i_{\mathrm{s}} $ | (7) |
VT1开关开通后等效电路的数学模型为:
| $ u_{\mathrm{k}}=R i_1+L_{\mathrm{k}} \frac{\mathrm{d} i_1}{\mathrm{~d} t} $ | (8) |
计算可得环流表达式为:
| $ i_1=-\frac{u_{\mathrm{k}}}{R_{\mathrm{c}}} \mathrm{e}^{-\frac{t}{\tau_1}}+\frac{u_{\mathrm{k}}}{R} $ | (9) |
式中:t为暂态过程的时间;τ1为时间常数,τ1=Lk/R。
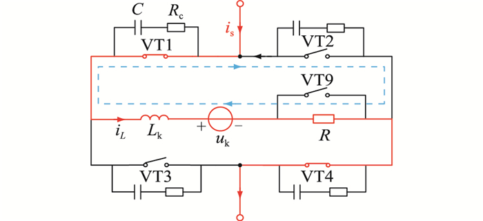
在t2时刻开关VT2关断,系统电流在电路中的流向发生变化,其等效电路如图 6所示。开关VT2关断时开关VT1上的电流iVT1和漏电感上的电流iL为:
| $ i_L=i_{\mathrm{VT} 1}=i_{\mathrm{s}}+\left(i_1\left(t_2\right)-i_{\mathrm{s}}\right) \mathrm{e}^{-\frac{t}{\tau_2}} $ | (10) |
|
图 6 开关VT2关断时的等值电路 Fig. 6 The equivalent circuit when switch VT2 is off |
式中:τ2=Lk/R+Roff,Roff为IGBT的关断电阻。
以同样方法分析切出正的一级绕组时的暂态过程,t1时刻开关VT2开通,其等值电路如图 7(a)所示,此时VT1上的电流为:
| $ i_{\mathrm{VT} 1}=i_1-i_{\mathrm{s}} $ | (11) |
|
图 7 切出一级绕组时的暂态过程等值电路 Fig. 7 The equivalent circuit of transient process when cutting out the winding |
在t2时刻开关VT1关断,其等效电路如图 7(b)所示,此时漏电感上的电流为:
| $ i_L=\left(i_{\mathrm{s}}\left(t_2\right)-i_1\left(t_2\right)\right) \mathrm{e}^{-\frac{t}{\tau_2}} $ | (12) |
接入(切出)负的一级绕组时,开关切换的暂态过程与切出(接入)正的一级绕组时一致,仅针对的开关不同。由以上分析得知切换过程中开关关断电流和diL/dt的值与级电压和系统电流有关,即与开关开通或关断的时刻相关。开关切换时刻不当可能导致开关上产生较大的环流和过压,因此须采取抑制方法以免影响开关正常工作。
3.2 低环流和过压切换方法将绕组正向接入线路,在开关VT1开通后,VT2上的电流可由式(7)写为:
| $ \begin{gathered} i_{\mathrm{VT} 2}=i_1+i_{\mathrm{s}}= \\ -\frac{U_{\mathrm{k}}}{R_{\mathrm{c}}} \sin \left(\omega t+\theta-\arctan \left(\frac{\omega L_{\mathrm{k}}}{R}\right)\right) \mathrm{e}^{-\frac{t}{\tau_1}}+ \\ \frac{U_{\mathrm{k}}}{R} \sin \left(\omega t+\theta-\arctan \left(\frac{\omega L_{\mathrm{k}}}{R}\right)\right)+ \\ I_{\mathrm{s}} \sin (\omega t+\varphi-\alpha) \end{gathered} $ | (13) |
式中:Uk为级电压大小;Is为系统电流大小;θ为绕组相位;φ为线路相位;ω为角频率;α为装设HUPFC线路阻抗角。
为使环流最小,应在ωt+θ-arctan(ωLk/R)=0时开通开关VT1,环流暂态过程时间由时间常数τ决定,达到稳态时,其值由开关动作的时刻确定。当使t2时刻VT2的关断电流最小,即iVT2=0时,可得i1=-is。由图 7可知,VT2开断时有iL=iVT1=i1,若VT2在i1≈-is时关断,此时开关VT1及变压器漏电感上的电流为:
| $ i_L=i_{\mathrm{VT} 1}=i_{\mathrm{s}} $ | (14) |
由于系统电流换向前后的值近似相等,可认为无暂态过程,电流平稳换向,diL/dt不会过大,从而实现低环流和过压切换。
同样地,当绕组正向切出时,为减小环流,可使VT2在ωt+θ-arctan(ωLk/R)=0时开通。当使t2时刻VT1的关断电流最小,即iVT1=0时,可得i1=is,此时控制开关VT1关断,有iL=0,开关VT3及变压器漏电感上的电流如式(15)所示,由此可以实现低环流和过压切换。
| $ i_{\mathrm{VT} 1}=i_L=0 $ | (15) |
快速电磁式HUPFC中,ST使用全电力电子OLTC能够快速响应,与UPFC的VSC协调配合,从而简化控制策略[9]。HUPFC串联侧协调控制策略如图 8所示,其中PL、QL分别为潮流的有功、无功指令;Ur为线路受端电压幅值;Lh为HUPFC和线路的等效电感;Id、Iq分别为线路电流d、q轴分量;Usrd、Usrq分别为线路两端电压差d、q轴分量。
|
图 8 HUPFC控制策略 Fig. 8 Control strategy of HUPFC |
系统潮流指令改变后,首先结合线路电压计算出线路补偿后的d、q轴目标电流值Idref、Iqref,然后通过比例积分(proportional integral,PI)环节得到d、q轴电压调节量x1、x2,再经过解耦控制得到串联补偿电压参考值Ud、Uq[15],此电压需要ST和UPFC协调分担。ST通过抽头选择策略得到抽头位置s1、s2、s3后控制开关切换调压,此时ST输出电压为Use2d、Use2q,UPFC则通过脉宽调制(pulse width modulation,PWM)得到串联补偿电压Use1d、Use1q。
为使ST提供的电压尽可能地接近目标补偿电压,ST可利用不对称六边形分解算法[22]确定与目标补偿点距离误差最小的工作点。但使用H桥不对称级电压结构的ST,其工作点的合成方式存在自由度(即同一个工作点可能对应不同的抽头位置和绕组状态,切换到不同位置时开关切换的动作次数不同),调配该自由度,可找到使开关动作次数最少的抽头位置,减少开关切换的暂态过程及开关损耗。文中在不对称六边形分解算法的基础上,提出一种使潮流调节时ST开关动作次数最少的抽头选择策略,其步骤如下。
(1) 假设潮流指令变化前的补偿点为U0,坐标为(a0,b0,c0),三相坐标对应的绕组状态分别为Ta1、Ta2,Tb1、Tb2,Tc1、Tc2。潮流指令变化后,使用不对称六边形分解算法[22]得到与目标补偿点最接近的工作点Un,坐标为(an,bn,cn),并求Un对应的电压矢量Uref。
| $ \boldsymbol{U}_{\mathrm{ref}}=\boldsymbol{U}_{\mathrm{An}}-1.37 \boldsymbol{U}_{\mathrm{Bn}}+0.37 \boldsymbol{U}_{\mathrm{Cn}} $ | (16) |
式中:UAn、UBn、UCn为三相电压矢量。
(2) 得到ST三相电压能够合成的所有电压矢量及其坐标,电压矢量存在冗余。将相同的电压矢量归为一组,即为ST的一个工作点,一个工作点可能对应多个坐标即多种合成方式。
(3) 使用查表法,找到与Un相同电压矢量的工作点,即可知道Un的所有合成方式。
(4) 计算不同合成方式下三相坐标对应的每一级绕组状态在潮流指令改变前后的差值,用δTa1、δTa2,δTb1、δTb2,δTc1、δTc2表示,并计算差值绝对值之和c。选择c最小的合成方式,将其坐标作为开关动作次数最少的抽头位置。
以220 kV双回线路潮流调节为例,假设前一次潮流调节时ST的工作点为(3,-3,0),第二次潮流调节时首先使用不对称六边形分解算法得到工作点(-3,-3,3),再根据上述步骤,得到该工作点的所有合成方式及对应的绕组状态,最后选出(-5,-5,1)作为抽头投切位置。工作点合成方式及对应绕组状态见表 1,可以看出合成方式2在调节时开关动作次数最少;该抽头选择策略可有效选择出开关动作次数最少的抽头位置,且次级绕组级数越多,效果越明显。
|
|
表 1 工作点合成方式及对应绕组状态 Table 1 The composition of the operating point and corresponding winding state |
传统机械式OLTC在抽头指令值变化后,会立即根据抽头位置逐级切换开关调压,而全电力电子OLTC并不直接根据抽头位置控制开关动作。因为在不同的绕组初始状态下,即使是相同的抽头位置指令,每一级绕组H桥上的开关动作顺序也不同。开关动作的顺序需要根据绕组初始状态值,以及4.1节中步骤(4)得到的调节前后绕组状态的差值共同确定。
调节前后绕组状态差值有以下5种情况:-1、0、1、2、-2,具体对应的开关动作顺序见表 2。
|
|
表 2 绕组状态差值对应的开关动作顺序 Table 2 The switch action sequence corresponding to the difference of winding states |
每一级绕组上的开关触发指令都不相同,潮流指令改变后,控制系统中ST抽头选择控制模块输出指令改变前后绕组状态的差值,然后根据表 2确定开关动作顺序,控制开关低环流和过压切换。以次级绕组a1的0.4Use2级电压为例,其在潮流指令改变前绕组状态为-1,潮流指令改变后其状态变为1,即δTa1=-2,则控制开关动作的流程如图 9所示。
|
图 9 开关动作流程 Fig. 9 Flow chart of switch operation |
文中采用文献[15]中的220 kV双回线路系统进行仿真,线路如图 10所示,其中Zs1、Zs2为电源内阻抗;Z1、Z2为线路阻抗;
|
图 10 220 kV双回线路 Fig. 10 220 kV double circuit |
|
|
表 3 线路参数 Table 3 Line parameters |
经计算可得,2条线路上的自然潮流分别为
机械式OLTC调压为有级调压,潮流调节指令改变后,ST通过控制系统得到投切指令。图 11为投切指令下OLTC投切的工作点顺序。
|
图 11 有级调压开关投切的工作点顺序 Fig. 11 Working point sequence of switch switching in step-by-step voltage regulation |
当A相和C相只接入一级绕组时,ST提供的补偿电压为
| $ \tilde{S}_{\mathrm{L} 2}^{\prime}=\sqrt{3} \dot{U}_2^{\prime} \dot{I}_2^*=238+\mathrm{j} 53.3 \mathrm{MV} \cdot \mathrm{A} $ | (17) |
由图 11和式(17)可以看出,当开关投切到ST工作点(1,0,1)时,补偿电压的横分量与目标补偿电压的横分量方向相反,造成线路2的无功调节方向与目标调节方向相反,给潮流调节带来较大波动。总体来说,采用机械式OLTC有级调压,响应速度慢,不易与UPFC协调配合,虽然随着各级绕组的逐渐接入,可实现目标潮流的控制,达到调节目的,但是绕组切换过程中会导致电压突变,使线路中产生过渡电流,给潮流调节带来较大波动。线路2电流的波形如图 12所示,机械开关有级调节的功率波形如图 13所示。
|
图 12 机械开关有级调节的线路2电流波形 Fig. 12 Line 2 current waveforms regulated by mechanical switch |
|
图 13 机械开关有级调节的功率波形 Fig. 13 Power waveforms regulated by mechanical switch |
开关工作在稳态时,两级绕组的开关中承受的最大电压分别为1.45 kV和0.36 kV。由于限流电阻的取值受热容量和体积的影响,取值为2 Ω,则流过开关的最大工作电流分别为1.5 kA和1.0 kA。因此,0.4Use2绕组开关采用型号为FZ600R17KE3-Infineon的IGBT模块,额定电流为600 A,额定电压为1.7 kV,以4个并联的IGBT模块为一组,每个开关组件由2组串联而成;0.1Use2绕组开关采用型号为FZ600R12KE3-Infineon的IGBT模块,额定电流为600 A,额定电压为1.2 kV,每个开关组件由2个并联的IGBT模块组成。
开关两端RC缓冲电路中的缓冲电容根据所选开关型号使用推荐经验值1 μH,吸收电阻Rc使用推荐经验值5 Ω[21]。
5.2.2 使用低环流和过压切换调压快速电磁式HUPFC中的ST在得到最接近目标补偿点且开关动作次数最少的抽头位置后,判断开关动作顺序,控制开关投切。仿真中所有绕组调节前状态均为0,其中a3的0.4Use2一级绕组在潮流调节前后绕组状态差值为1,在接入该绕组时若采用直接切换,其开关VT2上的电流和电压波形如图 14所示。可以看出,VT2较大的关断电流和较大的diL/dt导致VT2关断时两端产生电压尖峰,其值远大于所选型号开关的耐压值,将会损坏开关。因此,必须对开关切换过程进行控制,以保证开关安全工作。
|
图 14 直接切换时VT2的电压和电流波形 Fig. 14 Voltage and current waveforms on VT2 when switching directly |
将ST次级绕组a1、b1、c1的0.4Use2一级绕组接入同相线路,式(13)中变压器漏电感Lk取值为5%,则有arctan(ωLk/R)=10。为满足低环流和过压切换条件,应使:
| $ \omega t+\theta-\arctan \left(\omega L_{\mathrm{k}} / R\right)=0 $ | (18) |
| $ i_1\left(t_2\right)=-i_{\mathrm{s}}\left(t_2\right) $ | (19) |
代入可计算得开关VT1和VT2均需要在环流过零前后动作。实际运行中,开关动作前环流无法被监测,故对绕组级电压进行监测来控制开关切换。由于环流滞后绕组级电压10°,可在抽头投切指令变化后等待级电压过零,再延时0.5 ms控制VT1动作,并在VT1开通0.1 ms后控制VT2关断,此时:
| $ i_1\left(t_2\right) \approx i_{\mathrm{s}}\left(t_2\right) \approx i_{\mathrm{s}}\left(t_1\right)=0 $ | (20) |
系统电流换向前后的值都接近0,可认为无暂态过程,电流平稳换向,diL/dt不会过大,能够保证开关切换过程不产生过压。
次级绕组a2、b2、c2接入滞后相线路,按照上述方法可知VT1应在级电压过零延时0.5 ms后开通,再经过2π/5后控制VT2动作,此时电流关系满足式(19),可实现低环流和过压切换;次级绕组a3、b3、c3接入超前相线路,VT1在级电压过零延时0.5 ms后开通,经过2π/3后控制开关VT2动作可实现低环流和过压切换。以A相绕组为例,图 15给出了其正向接入或反向切出时开关关断的时刻,同样可得到A相绕组反向接入或正向切出时开关关断的时刻,见图 16,其中iA、iB、iC为三相线路电流。
|
图 15 A相绕组正向接入/反向切出时开关切换时刻 Fig. 15 The switching time when A-phase windings are connected forward or cut out in reverse |
|
图 16 A相绕组正向切出/反向接入时开关切换时刻 Fig. 16 The switching time when A-phase windings are cut forward or connected in reverse |
根据上述低环流和过压切换方法接入a3的0.4Use2级电压,其开关VT2上的电流和电压波形如图 17所示,与图 14对比可以看出,使用低环流和过压切换能够有效抑制开关切换过程中的环流和过压,保证开关正常安全工作。
|
图 17 低环流和过压切换时VT2的电压和电流波形 Fig. 17 Voltage and current waveforms of switch during low circulation and overvoltage switching |
各次级绕组的0.1Use2一级绕组接入和切出时也使用低环流和过压切换方法。由上述分析可知,不同次级绕组上开关切换时刻不同,即同一时刻接入每一相线路的串联补偿电压不同,因此会导致三相电压不平衡。按可能出现的电压最大不平衡情况计算,线路2中装设的HUPFC给线路提供的最大补偿线电压为6.3 kV,三相不平衡度为PV为:
| $ U_{\text {ave }}=\left(U_{\mathrm{A}}+U_{\mathrm{B}}+U_{\mathrm{C}}\right) / 3=222.1 \mathrm{kV} $ | (21) |
| $ \begin{gathered} P_{\mathrm{V}}=\frac{\max \left\{\left|U_{\mathrm{A}}-U_{\text {ave }}\right|, \left|U_{\mathrm{B}}-U_{\text {ave }}\right|, \left|U_{\mathrm{C}}-U_{\text {ave }}\right|\right\}}{U_{\text {ave }}} \times \\ 100 \%=1.9 \% \end{gathered} $ | (22) |
式中:UA、UB、UC为线路三相线电压幅值;Uave为三相电压平均值。
由于电力电子OLTC响应迅速,整个切换过程在一个周波内完成,短时间内电压不平衡度不超过4%,不会给系统带来不利影响。
5.2.3 快速电磁式HUPFC调节潮流快速电磁式HUPFC使用全电力电子OLTC可实现跨级调压,在计算出抽头位置后采用文中所述的开关切换方式,可使接入线路的绕组抽头迅速切换至所需位置,避免了频繁接入或切出绕组导致的线路电压突变,减小了系统电流的波动。线路2电流波形如图 18所示,潮流调节仿真结果如图 19所示。与图 12和图 13进行对比,可以看出ST采用全电力电子开关时,潮流调节过程更快且过程中暂态波动更小。
|
图 18 全电力电子开关跨级调压的线路2电流波形 Fig. 18 Line 2 current waveforms regulated by full-power electronic switch |
|
图 19 全电力电子开关调节的功率波形 Fig. 19 Power waveforms regulated by full-power electronic switch |
(1) 文中针对基于全电力电子OLTC的快速电磁式HUPFC关键问题开展了研究,全电力电子OLTC可跨级调压、响应速度快,结合ST次级绕组使用不对称级电压,由H桥结构的开关模块控制电压切换,使得ST在相同抽头数量和工作范围下工作点大大增加,有效降低了级电压。
(2) 文中研究了全电力电子OLTC的工作特性,对开关切换时的暂态过程进行详细分析,并提出了低环流和过压切换方法。Simulink仿真结果表明,使用该方法切换开关可有效降低切换过程中的环流和过电压,保证开关的安全可靠工作。
(3) 在使用不对称六边形分解算法选择最接近目标电压的工作点的基础上,文中提出开关动作次数最少的抽头选择策略。该策略能准确选出最接近目标电压且开关动作次数最少的抽头位置,并给出了潮流调节指令变化后控制开关动作的步骤:控制模块输出调节前后绕组状态的差值,结合潮流调节指令变化前的绕组状态值确定开关切换顺序,最后针对不同次级绕组,在适当的时间触发开关动作调节潮流。结合典型算例的Simulink仿真,结果表明,与机械式OLTC相比,采用全电力电子开关可以快速、准确调节潮流,改善潮流调节动态性能。
| [1] |
IMDADULLAH, AMRR S M, JAMIL ASGHAR M S, et al. A comprehensive review of power flow controllers in interconnected power system networks[J]. IEEE Access, 2020, 8: 18036-18063. DOI:10.1109/ACCESS.2020.2968461 ( 0) |
| [2] |
RELI F, MARI P, GLAVAŠ H, et al. Influence of FACTS device implementation on performance of distribution network with integrated renewable energy sources[J]. Energies, 2020, 13(20): 5516. DOI:10.3390/en13205516 ( 0) |
| [3] |
周华, 谢栋, 宋美雅, 等. 基于统一潮流控制器的短路电流限制技术在浙江电网的应用研究[J]. 电力电容器与无功补偿, 2021, 42(5): 168-172. ZHOU Hua, XIE Dong, SONG Meiya, et al. Study on application of short-circuit current limitation technology with unified power flow controller in Zhejiang power system[J]. Power Capacitor & Reactive Power Compensation, 2021, 42(5): 168-172. ( 0) |
| [4] |
YANG J, XU Z. Power flow calculation methods for power systems with novel structure UPFC[J]. Applied Sciences, 2020, 10(15): 5121. DOI:10.3390/app10155121 ( 0) |
| [5] |
HUANG H, ZHANG L, OGHORADA O, et al. Analysis and control of a modular multilevel cascaded converter-based unified power flow controller[J]. IEEE Transactions on Industry Applications, 2021, 57(3): 3202-3213. DOI:10.1109/TIA.2020.3029546 ( 0) |
| [6] |
罗玉春, 王毅, 闪鑫, 等. 调控系统中统一潮流控制器稳态建模的实现[J]. 电力系统保护与控制, 2022, 50(1): 148-157. LUO Yuchun, WANG Yi, SHAN Xin, et al. Realization of steady state modeling of unified power flow controller in a control system[J]. Power System Protection and Control, 2022, 50(1): 148-157. ( 0) |
| [7] |
FENG J L, HAN S, PAN Y H, et al. Steady-state modelling of extended Sen transformer for unified iterative power flow solution[J]. Electric Power Systems Research, 2020, 187: 106492. DOI:10.1016/j.epsr.2020.106492 ( 0) |
| [8] |
GASIM MOHAMED S E, JASNI J, RADZI M A M, et al. Power transistor-assisted Sen transformer: a novel approach to power flow control[J]. Electric Power Systems Research, 2016, 133: 228-240. DOI:10.1016/j.epsr.2015.10.020 ( 0) |
| [9] |
BEHERA T, DE D. Enhanced operation of 'Sen' transformer with improved operating point density/area for power flow control[J]. IET Generation, Transmission & Distribution, 2019, 13(14): 3158-3168. ( 0) |
| [10] |
KUMARI D, CHATTOPADHYAY S K, VERMA A. Improvement of power flow capability by using an alternative power flow controller[J]. IEEE Transactions on Power Delivery, 2020, 35(5): 2353-2362. DOI:10.1109/TPWRD.2020.2966579 ( 0) |
| [11] |
GASIM MOHAMED S E, JASNI J, RADZI M A M, et al. Implementation of the power transistor-assisted Sen transformer in steady-state load flow analysis[J]. IET Generation, Transmission & Distribution, 2018, 12(18): 4182-4193. ( 0) |
| [12] |
SONG J Y, YU Z Y, XIE W, et al. Hybrid unified power flow controller topology and control strategy optimization[C]//2019 IEEE 2nd International Conference on Automation, Electronics and Electrical Engineering (AUTEEE). Shenyang, China. IEEE, 2020: 6-11.
( 0) |
| [13] |
高本锋, 王晓, 梁纪峰, 等. 混合型统一潮流控制器抑制风电次同步振荡控制策略[J]. 电力建设, 2021, 42(9): 53-64. GAO Benfeng, WANG Xiao, LIANG Jifeng, et al. Control strategy of hybrid unified power flow controller to suppress wind power sub-synchronous oscillation[J]. Electric Power Construction, 2021, 42(9): 53-64. ( 0) |
| [14] |
袁佳歆, 许顺凯, 余梦泽, 等. 一种配电网多线路混合式统一潮流控制器[J]. 电力工程技术, 2023, 42(1): 2-10. YUAN Jiaxin, XU Shunkai, YU Mengze, et al. A multi-line hybrid unified power flow controller for distribution network[J]. Electric Power Engineering Technology, 2023, 42(1): 2-10. ( 0) |
| [15] |
陈凯龙. 混合式统一潮流控制器建模及其控制策略研究[D]. 北京: 华北电力大学, 2021: 40-60. CHEN Kailong. Research on modeling and control strategy of hybrid unified power flow controller[D]. Beijing: North China Electric Power University, 2021: 40-60. ( 0) |
| [16] |
PAN Y H, HAN S, FENG J L, et al. An analytical electromagnetic model of "Sen" transformer with multi-winding coupling[J]. International Journal of Electrical Power & Energy Systems, 2020, 120: 106033. ( 0) |
| [17] |
袁佳歆, 訚山, 殷洪顺, 等. 适用于配电网多线路的快速电磁式Sen变压器[J]. 高电压技术, 2021, 47(2): 564-573. YUAN Jiaxin, YIN Shan, YIN Hongshun, et al. Fast electromagnetic Sen-transformer suitable for multi-line distribution network[J]. High Voltage Engineering, 2021, 47(2): 564-573. ( 0) |
| [18] |
PAN Y H, HAN S, ZHOU C, et al. On switching transient modeling and analysis of electronic on-load tap-changers based Sen transformer[J]. International Journal of Electrical Power & Energy Systems, 2021, 130: 107024. ( 0) |
| [19] |
DHANAMJAYULU C, PADMANABAN S, RAMACHANDARAMURTHY V K, et al. Design and implementation of multilevel inverters for electric vehicles[J]. IEEE Access, 2020, 9: 317-338. ( 0) |
| [20] |
宋冬冬, 董彪, 李鹏程, 等. 机电混合式有载分接开关电弧电流转移过程[J]. 高电压技术, 2020, 46(6): 2164-2175. SONG Dongdong, DONG Biao, LI Pengcheng, et al. Arc current transfer process in hybrid electromechanical on load tap-changer[J]. High Voltage Engineering, 2020, 46(6): 2164-2175. ( 0) |
| [21] |
宋冬冬, 丁来伟, 董彪, 等. 机械式有载分接开关改进方案的设计与研究[J]. 高电压技术, 2019, 45(7): 2141-2149. SONG Dongdong, DING Laiwei, DONG Biao, et al. Design and research on the improvement scheme of purely mechanical on-load tap-changers[J]. High Voltage Engineering, 2019, 45(7): 2141-2149. ( 0) |
| [22] |
FANG Z, LIN Y Z, SONG S J, et al. State estimation for situational awareness of active distribution system with photovoltaic power plants[J]. IEEE Transactions on Smart Grid, 2021, 12(1): 239-250. ( 0) |

刘欣(1980),男,博士,副教授,研究方向为电力电子系统建模与控制、电力设备宽频建模与仿真技术(E-mail:
0)