文章编号: 2096-3203(2023)03-0061-11 中图分类号: TM743
2. 江苏徐电建设集团有限公司,江苏 徐州 221005;
3. 西安交通大学电气工程学院,陕西 西安 710049
随着电力电子技术的飞速发展,直流电压等级的变换已不再是技术壁垒,将柔性直流技术应用于配电领域是历史的必然[1-4]。新时代的直流配电网有着经济和技术上的巨大优势,未来配电网的形态将会是多种电压等级、多种电流形式并存的多层级、环网状、交直流共存、互联接口统一、继电保护完善、可实现便捷自组网的新型构架[5-6]。我国柔直配电处于起步阶段,虽然已有多个示范工程顺利投运,但是在网架结构设计、直流线路故障定位与保护、过电压与绝缘配合等方面依旧不够成熟[7]。随着换流站和直流变压器数量的增加,柔直配电网也会逐渐向更为复杂的环网型拓扑转化,但目前国内外柔直配电工程尚未有环网型系统拓扑,因此对环网型柔直配电系统的研究仍有待进一步深入。过电压与绝缘配合对柔直配电系统的稳定运行至关重要,是直流配电网亟须解决的问题[8-10]。
国内学者对柔性直流输电系统的过电压与绝缘配合已有较多研究。南网科研院以南澳三端柔直工程为研究对象,通过电磁暂态仿真软件对7种故障工况下的过电压进行了计算分析,得到了换流站各设备的最大过电压幅值,提出了站内避雷器的安装方案,最终确定了各设备的绝缘水平[11-12]。周浩、沈扬等学者以舟山五端柔直工程为研究对象,考虑3种不同的避雷器布置方案,确定了各个方案下设备的绝缘水平,对后续研究有较大的参考价值[13]。张哲任、徐政等学者对Trans Bay工程的过电压与绝缘配合展开研究,其避雷器布置方案中包含8种形式的避雷器,新增了跨接在换流阀两端的避雷器,对14种典型故障工况进行了仿真分析[14]。刘大鹏、程晓绚等学者对鲁西背靠背柔直工程开展了绝缘配合的研究,由于换流变压器阀侧采用高阻接地形式,故布置方案中新增了换流变压器中性点位置的避雷器,在考虑运行方式影响的前提下开展了典型故障工况的过电压仿真分析[15]。
与柔性直流输电系统不同,柔直配电网中换流站与直流变压器的数量更多,网络结构和故障类型更加复杂,接入负荷更加灵活多样。由于柔性直流输配电系统的低阻尼特性,当系统发生故障时短路电流上升速率极快,通常采用闭锁换流阀或者配置直流断路器的方式实现故障隔离。其中,闭锁换流阀的方式对于故障识别与定位的要求较低,可以较快地降低故障电流,但无法有效满足继电保护的选择性,可能会造成柔性直流系统大面积失电。目前,高压直流断路器的理论研究与工程实践日益成熟,其开断时长已经基本满足柔直系统的速动性要求。若直流断路器在柔性直流配电网中大规模应用,结合环网型柔性直流配电系统的高可靠性,可以在系统发生故障后有选择性地将故障线路切除,避免闭锁换流站对系统其他位置可能产生的影响。因此,对包含直流断路器的环网型柔性直流配电网过电压与绝缘配合开展相关研究至关重要。
国内对于多端柔直配电网过电压与绝缘配合的研究尚处于探索阶段,系统网络拓扑、主接线形式与接地方式的不同会对过电压水平和绝缘配合的结果有较大影响。目前国内外学者所研究的柔直配电工程拓扑多为放射型和手拉手型,并无可靠性更高的环网型结构[16-20]。对柔直配电网操作过电压的研究大多是基于无直流断路器的保护动作方案,不符合未来柔直配电网高可靠性、高灵活性的要求。此外,在包含直流断路器的柔直系统操作过电压仿真研究中,已有研究采用闭锁换流阀早于断路器动作的保护方式,但局限于高压柔性直流输电的相关措施,未考虑通过直流断路器切除故障线路、换流阀正常投切且直流配电网开环运行的情况。
文中根据理论计算和相关工程的实际运行经验,构建了±10 kV环网型柔直配电网的电磁暂态仿真模型,基于含直流断路器的保护动作方案,对±10 kV环网型柔性直流配电系统展开操作过电压研究,并得到了换流站内避雷器及直流电缆金属护层保护器的布置方案。文中的研究结果对未来中压直流断路器以及新型拓扑的应用和实践有一定的参考价值。
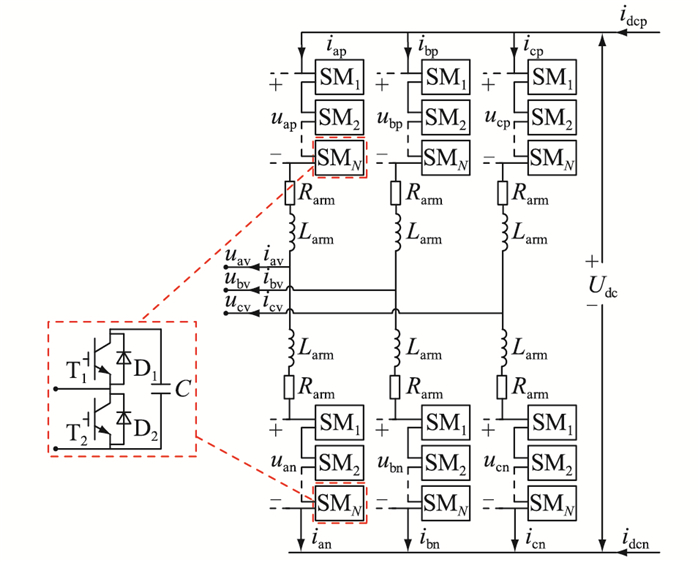
1 柔直配电网操作过电压研究 1.1 环网型柔性直流配电网仿真建模文中研究对象为环网型柔性直流配电网拓扑,其具有更高的可靠性,功率传输方式灵活多样[21]。主接线形式采用经济效益和运行可靠度较高的伪双极接线形式[22]。换流站采用模块化多电平换流器(modular multi-level converter, MMC),桥臂由N个逐级联接的子模块(sub module, SM),以及一台与之串联的桥臂电抗器Larm、桥臂电阻Rarm构成。上、下桥臂构成了一个相单元,3个相单元通过三相桥式结构相互连接,MMC拓扑如图 1所示。其中,uxv、ixv分别为交流侧相电压和相电流,x=a,b,c,分别表示a相、b相、c相;Udc为直流电压;idcp、idcn分别为正极直流电流和负极直流电流;uxp、uxn分别为x相上、下桥臂端口电压;ixp、ixn分别为x相上、下桥臂电流;C为SM电容;D1、D2为SM二极管;T1、T2为SM绝缘栅双极型晶体管(insulated gate bipolar transistor, IGBT)。
|
图 1 MMC的基本拓扑 Fig. 1 Topology of MMC |
根据控制对象的不同,MMC的控制可以分为外环功率控制和内环电流控制,其具体控制策略如图 2所示。
|
图 2 MMC的内、外环控制器 Fig. 2 Inner and outer loop controller of MMC |
图 2中,ux(x=a, b, c) 为交流系统三相电压;ixcir为换流阀环流,经派克变换后分别得到交流系统直轴电压ud、交流系统交轴电压uq、联接变压器阀侧直轴电流idv、联接变压器阀侧交轴电流iqv、换流阀环流直轴分量idcir、换流阀环流交轴分量iqcir,并输入内环电流控制器。外环功率控制器的功能是根据系统需要得到的各项控制目标(直流电压Udc、有功功率P、无功功率Q、交流电压Um)的参考值(直流电压Udcref、有功功率Pref、无功功率Qref、交流电压Umref),为内环电流控制器提供差模电流idvref和iqvref的计算结果。内环电流控制器一方面通过调整差模电压uddifref和uqdifref,使得输出电流idv和iqv快速追踪外环功率控制器给定的参考值;另一方面通过调整共模电压udcomref和uqcomref,使得内部环流idcirref和iqcirref被抑制为0。内环电流控制器输出桥臂差模电压与共模电压的参考值,经派克反变换得到uxdifref和uxcomref,最后经相应的数学变换后得到每个桥臂的电压调制波uxpref和uxnref,最终通过不同调制方式产生触发信号即可对MMC进行控制。MMC采用最近电平逼近调制方式。
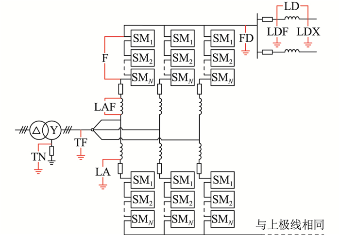
文中使用PSCAD/EMTDC构建了包含MMC换流站、基于输入串联输出并联的双有源桥(input series output parallel-dual active bridge, ISOP-DAB)直流变压器、中压直流断路器、光伏发电、蓄电池储能在内的±10 kV环网型柔直配电系统仿真模型,其拓扑如图 3所示。
|
图 3 ±10 kV环网型柔直配电系统拓扑 Fig. 3 ±10 kV ring-shaped flexible DC distribution system topology |
由图 3可知,±10 kV环网型柔直配电系统共包含3座MMC换流站,其内部联接变压器采用Dy11接线,阀侧为Y形连接且中性点经2 500 Ω电阻接地。MMC1、MMC2与110 kV交流系统连接,MMC3与中低压交流负载连接,直流固态变压器与光伏发电、蓄电池储能及750 V/400 V低压直流负载连接。各站通过地下电缆组成了环网型±10 kV柔直配电系统,并且在每条直流线路出口处均配置了平波电抗器。
模型采用的中压直流断路器为IGBT串联型混合式中压直流断路器[23-24]。光伏阵列采用最大功率点跟踪控制。文中采用YJV-8.7/10 kV-1×400型电力电缆展开仿真研究,电缆主绝缘的相对介电常数取值2.3,电缆外护套的相对介电常数取值2.4,电缆导体和金属护套的电阻率取值2.2×10-8 Ω·m。文中各模块等效模型拓扑及参数分别如图 4及表 1所示。
|
图 4 各模块等效模型拓扑 Fig. 4 Equivalent model topology of each module |
|
|
表 1 各模块等效模型参数设置 Table 1 Equivalent model parameter settings of each module |
图 4(a)中,T为高频隔离变压器;UH、UL分别为高、低压侧交流电压;CH、CL分别为高、低压侧稳压电容;u1、u2分别为高频隔离变压器原、副边交流电压;HT、LT分别为高、低压侧IGBT;HD、LD分别为高、低压侧二极管;L0为串联电感。图 4(c)中,Iph为光生电流;Upv为光伏直流电压;Ipv为光伏直流电流;I0为二极管反向饱和电流;Rs、Rp分别为串、并联等效电阻。图 4(d)中,E为受控电压源的输出电压;Rbat为电池内阻;Ubat为电池输出电压。受控电压源的输出电压E主要由蓄电池容量、运行时间、输出电流等因素决定,其表达式为:
| $ E=E_0-K \frac{Q}{Q-\int I_{\mathrm{bat}} \mathrm{d} t}+A \mathrm{e}^{-B \int {I_{\mathrm{bat}} \mathrm{d} t}} $ | (1) |
式中:E0为开路电压;K为极化电压;Q为电池容量;Ibat为输出电流;t为充放电时间;A为电压幅值常数;B为时间常数的倒数。
柔直配电系统采用主从控制策略,MMC1为主控站,控制柔直配电网直流电压Udc稳定于±10 kV,并实现有功功率的动态平衡。MMC2与110 kV交流系统连接,控制交流系统向柔直配电网输出有功功率P为10 MW。MMC3与无源交流负载连接,其潮流方向确定,因此采用定频率、定交流电压的孤岛控制,使得换流阀交流侧电压有效值Uac(rms)稳定在10 kV,频率f稳定在50 Hz。ISOP-DAB直流变压器采用单移相控制,控制无源低压直流系统从直流电网吸收有功功率5.5 MW。直流电缆1—电缆4长度分别为50、15、30、10 km。换流站的控制方式及系统参数如表 2所示。
|
|
表 2 换流站控制方式及参数 Table 2 Converter station control modes and parameters |
交流系统故障和负荷区域故障对柔直配电网影响很小,仅考虑换流阀区域故障以及直流线路故障即可,故文中所研究的故障类型如图 5所示。
|
图 5 故障类型示意 Fig. 5 Schematic diagram of fault types |
文中提出了一种含直流断路器的保护动作方案,其动作逻辑见表 3,且后续的研究均基于此套保护动作方案。为了提高柔性直流配电系统的运行可靠性,通常要求直流配电网可以像交流配电网一样,发生单极接地故障时可持续运行一段时间,故直流线路发生单极接地故障可以不采取保护措施。当某一条线路出现双极短路故障时,其两端对应的4台直流断路器将在故障3 ms后操作分断。当某一换流阀内部区域出现故障后,在故障3 ms后操作换流阀出线的2台直流断路器分断,但此时依旧无法实现故障隔离,故采取故障10 ms后闭锁故障所在换流阀、故障40 ms后分断交流侧断路器的措施。
|
|
表 3 保护动作方案 Table 3 Protection action scheme |
在进行操作过电压及绝缘配合的研究时,所选择的电压观测节点如图 6所示。
|
图 6 电压观测点示意 Fig. 6 Schematic diagram of voltage observation point |
在系统保护动作方案未投入时,经过仿真分析得到各观测节点的稳态电压幅值如表 4所示。
|
|
表 4 电压观测点及稳态值 Table 4 Voltage observation point and steady-state value |
以主控站MMC1内部故障以及MMC1出口处直流线路故障为例,进行操作过电压分布规律的仿真分析,此时系统内部未配置避雷器。电缆1与电缆2在系统中的位置如图 3所示。
MMC1换流阀区域故障时,计算得到3个换流站内部各观测节点的操作过电压值如图 7所示。
|
图 7 MMC1换流阀区域故障操作过电压 Fig. 7 Operating overvoltage during faults in MMC1 converter valve area |
MMC1出口位置出现双极短路故障时,计算得到MMC内部各节点操作过电压值如图 8所示。
|
图 8 MMC1出口直流线路双极短路故障操作过电压 Fig. 8 Operating overvoltage during bipolar short-circuit fault on the DC line at the outlet of MMC1 |
MMC1出口直流线路发生单极接地故障,计算得到3个换流站内部各观测节点的操作过电压值如图 9所示。
|
图 9 MMC1出口直流线路单极接地故障操作过电压 Fig. 9 Operating overvoltage during single-pole ground-ing fault on the DC line at the outlet of MMC1 |
分析上述数据可以发现,MMC1发生阀顶接地故障时,不仅MMC1联接变压器阀侧对地、联接变压器中性点对地、阀底对地以及阀顶对地的操作过电压取得最大值,MMC2与MMC3对应电压观测点的操作过电压也取得最大值,可见阀顶接地故障是操作过电压的重点考核工况,具有全局影响性。与之相反,MMC1桥臂电抗器两端操作过电压最大值出现在联接变压器阀侧三相接地故障时,MMC1换流阀两端操作过电压最大值出现在阀短路故障时,MMC2与MMC3对应电压观测点并未出现明显过电压,可见这2种故障工况仅有局部影响性。MMC1平波电抗器对地与MMC1平波电抗器两端操作过电压最大值出现在MMC1阀顶接地故障时,同样具有局部影响性。
由于双极短路故障时仅操作故障直流线路两端的4台直流断路器跳开,直流配电网开环运行,系统内各设备保持正常运行,因此除了平波电抗器两端,各电压观测点均未出现过电压,数值与稳态运行时无异。故障线路上的4台平波电抗器两端出现明显的操作过电压,但数值仍低于换流阀内部故障时的操作过电压。由此可知,在既定的保护方案下,直流线路双极短路故障不会使直流配电系统出现决定性的操作过电压最大值。
直流线路单极接地故障同样对联接变压器阀侧对地、联接变压器中性点对地、阀底对地以及阀顶对地的操作过电压有全局影响,但其操作过电压水平略低于阀顶接地故障,故仅对阀顶接地故障进行操作过电压的校核即可。
综上所述,所有观测点操作过电压的决定性故障工况如表 5所示。
|
|
表 5 电压观测点操作过电压决定性故障工况汇总 Table 5 Summary of operating overvoltage decisive fault conditions at voltage observation points |
基于电压观测点操作过电压决定性工况的研究,对表 5中关键工况下的操作过电压进行扫描,可得各换流站电压观测点的最大操作过电压,见表 6。
|
|
表 6 直流配电系统电压观测点最大操作过电压 Table 6 Maximum operating overvoltage at voltage observation point of DC power distribution system |
经过仿真分析,得到系统在不同故障工况下的暂态电压特性,如表 7所示。
|
|
表 7 柔性直流配电系统故障暂态电压特性 Table 7 Fault transient voltage characteristics of flexible DC power distribution system |
柔性直流配电系统换流站避雷器布置的原则为:关键设备由其紧靠的避雷器保护,交直流两侧相互独立,交流侧过电压由交流避雷器抑制,直流侧过电压由直流避雷器抑制。根据GB/T 36498—2018《柔性直流换流站绝缘配合导则》,对称单极柔性直流换流站通常需要配置联接变压器阀侧避雷器AV、联接变压器中性点避雷器NV、桥臂电抗器端间避雷器AR、桥臂电抗器阀侧避雷器LV、阀顶避雷器CBH、平波电抗器阀侧避雷器DB、平波电抗器端间避雷器DR、平波电抗器线路侧避雷器DL。根据选取的避雷器持续运行电压峰值(constant continuous operating voltage, CCOV)以及避雷器荷电率,可以得到各避雷器的直流参考电压Uref。避雷器参数配置如表 8所示。
|
|
表 8 柔性直流换流站避雷器参数配置 Table 8 Arrester parameter configuration of flexible DC converter station |
文中提出了如图 10所示的3种避雷器布置方案,其区别在于是否安装桥臂电抗器端间避雷器以及平波电抗器端间避雷器,以验证桥臂电抗器和平波电抗器两端避雷器的配合是否已经满足了操作过电压限制的需要。
|
图 10 避雷器布置方案 Fig. 10 Arrangement schemes of arresters |
根据图 10的3种避雷器布置方案,重新扫描不同故障工况下各关键位置的操作过电压,计算结果如图 11所示。
|
图 11 不同避雷器布置方案下各换流站关键位置操作过电压的分布曲线 Fig. 11 Distribution curves of operating overvoltage at key positions of each converter station under different arrester arrangement schemes |
在布置方案一中,联接变压器阀侧避雷器、联接变压器中性点避雷器、桥臂电抗器阀侧避雷器、阀顶避雷器、平波电抗器阀侧避雷器、平波电抗器线路侧避雷器的加入大大降低了各安装位置的操作过电压水平,但也提高了桥臂电抗器端间和换流阀端间的操作过电压,有一定的局限性。布置方案二加入了AR以及DR,与布置方案一相比,桥臂电抗器端间和换流阀端间操作过电压得到了限制,其余位置过电压差别不大。布置方案三表明,依靠平波电抗器阀侧避雷器与平波电抗器线路侧避雷器的配合可以有效保护平波电抗器,不必额外配置平波电抗器端间避雷器。为了保护桥臂电抗器和换流阀,有必要安装桥臂电抗器端间避雷器。因此对于环网型柔直配电网,在采取了含直流断路器的保护方案后,使用避雷器布置方案三为最优。
2.2 设备绝缘裕度与绝缘水平换流站交流设备的绝缘水平为避雷器的操作冲击保护水平乘以绝缘裕度后,取最靠近标准额定冲击耐受电压的值。直流设备没有标准耐受电压值,将计算值调整到方便的可行值即可。柔性直流换流站设备配合耐受电压的绝缘配合因数最小值如表 9所示。
|
|
表 9 柔性直流换流站设备耐受电压最小配合因数 Table 9 Minimum coordination factor of withstand voltage of flexible DC converter station equipment |
柔性直流配电系统的电压等级较低,提高设备的绝缘水平不会显著增加工程造价,因此柔性直流配电系统设备的绝缘裕度可以适当提高。文中油绝缘(阀侧)、空气绝缘以及直流极线设备的绝缘裕度取值25%,换流阀厅因其运行环境较好、故障率低,且设备耐受电压水平变化幅度不大,故绝缘裕度取值20%。根据GB/T 311.1—2012《绝缘配合第1部分:定义、原则和规则》中对标准额定冲击耐受电压的规定,得到±10 kV柔性直流配电系统换流站设备在操作过电压下的绝缘水平,计算结果如表 10所示。
|
|
表 10 柔性直流换流站设备操作过电压绝缘水平 Table 10 Operating overvoltage insulation level of flexible DC converter station equipment |
由于交流电缆三相布置不对称、三相电压不平衡等原因,其金属护套上会产生幅值可观的感应电压。对于直流电缆而言,稳态运行时电压、电流均为直流,不会产生交变的电磁场,因而稳态下直流电缆护套感应电压数值可以忽略不计[25-26]。单极无铠装直流电缆的分布参数等效模型如图 12所示。图中,Rc、Lc分别为电缆线芯的电阻和电感;Ccs、Csg分别为电缆主绝缘电容和电缆护套对地电容;Rs、Ls分别为金属护套的电阻和电感;电缆护套在线路两端直接接地,Rg为土壤接地电阻。
|
图 12 单极无铠装直流电缆分布参数等效模型 Fig. 12 Equivalent model of distribution parameters of single-pole unarmoured DC cable |
当直流电缆发生单极接地故障时,电缆线芯和金属护套连通,形成了如图 13所示的放电通路,其中RTN为联接变压器中性点接地电阻。由于文中所研究的±10 kV柔性直流配电系统联接变压器中性点采用高阻接地方式,放电回路的阻抗很大,不会产生较大的故障电流,加之单极接地故障期间直流断路器不动作,因此电缆金属护套上无明显感应电压产生。
|
图 13 直流电缆单极接地故障放电通路 Fig. 13 Discharge path of single-pole grounding fault in DC cable |
直流电缆发生双极短路故障时,虽然电缆线芯和金属护套并未产生电流通路,但故障期间线芯故障电流的上升率很高,金属护套会因电磁感应产生幅值较大的感应电压,因此须对双极短路故障进行重点校核。
3.2 电缆护套接地方式的影响基于表 3所提出的保护动作方案,以直流电缆2为研究对象,探讨电缆接地方式对护套感应电压的影响。将直流电缆2分为了5个等长的小段,每段长度3 km,并在电缆两端以及每段的连接处设置了金属护套对地电压监测点。直流电缆金属护套接地方式分为单端接地和两端接地2种,接地电阻取0.5 Ω。正负极在故障时电路参数对称,故仅对正极电缆护套的感应电压展开分析。直流电缆2接地方式与电压监测点位置(监测点①—⑥)如图 14所示,其中Ld为换流站出口平波电抗器。
|
图 14 电缆2接地方式与电压监测点位置 Fig. 14 Cable 2 grounding method and voltage monitoring point location |
护套单端接地的直流电缆在不同位置发生双极短路故障时,金属护套各电压监测点感应电压幅值如图 15(a)所示。故障点位于MMC1线路出口处时,监测点感应电压的典型波形如图 15(b)所示。
|
图 15 护套单端接地系统护套感应电压计算结果 Fig. 15 Calculation results of sheath induced voltage for sheath single-ended grounding system |
直流电缆护套单端接地方式下,电缆护套的感应电压大体呈现由直接接地点向非直接接地点逐渐增大的规律,且故障点距离非直接接地点越近,非直接接地点的感应过电压水平越高。由图 15(b)可知,在t=1.005 s时刻直流断路器动作,各监测点感应电压极性与电压幅值发生明显改变,可见在金属护套单端接地方式下直流断路器的动作对护套感应电压有着显著影响。
护套两端接地的直流电缆在不同位置发生双极短路故障时,金属护套各电压监测点感应电压幅值如图 16(a)所示。故障点位于MMC1线路出口处时,监测点感应电压的典型波形如图 16(b)所示。
|
图 16 护套两端接地系统护套感应电压计算结果 Fig. 16 Calculation results of the sheath induced voltage for sheath both-ended grounding system |
直流电缆护套两端接地方式下,电缆护套感应电压呈现中间高、两端低的趋势。除故障发生在直流电缆端部以外,故障所在位置对应的监测点感应电压幅值均大幅抬升。无论故障点在何位置,金属护套感应电压幅值均未超过6 kV,感应电压水平低于金属护套单端接地的故障工况。
无论是护套单端接地方式还是两端接地方式,护套各位置对地感应电压数值介于数十伏至数千伏之间,最大感应电压均未超过10 kV,因此柔性直流配电系统中的直流电缆不用配置金属护套保护器。护套两端接地方式下的护套感应电压分布相比单端接地方式更加均匀,实际工程中使用金属护套两端接地方式可以具有更高的可靠性。
4 结论文中对包含直流断路器的±10 kV柔直配电网操作过电压水平及绝缘配合展开了分析和研究,得到了以下结论:
(1) 当使用含直流断路器的保护方案时,各观测点最大操作过电压的决定性故障工况多为阀顶接地故障。
(2) 比较3种避雷器布置方案发现,在安装联接变压器阀侧避雷器、联接变压器中性点避雷器、桥臂电抗器阀侧避雷器、阀顶避雷器、平波电抗器阀侧避雷器、平波电抗器线路侧避雷器的基础上,须进一步安装桥臂电抗器端间避雷器,而平波电抗器端间避雷器可以不安装。
(3) 柔性直流配电网中的直流电缆护套宜采取两端接地方式,且无须安装金属护层保护器。
(4) 直流断路器的加入提高了直流配电网的可靠性和灵活性,使得在所有故障类型中占比较多的直流线路故障不再对系统正常运行和设备绝缘产生较大影响,原有避雷器布置方案也无需进行较大改变,故基于直流断路器的保护方案具有较高的应用价值。
| [1] |
马钊, 焦在滨, 李蕊. 直流配电网络架构与关键技术[J]. 电网技术, 2017, 41(10): 3348-3357. MA Zhao, JIAO Zaibin, LI Rui. Network structures and key technologies of DC distribution systems[J]. Power System Technology, 2017, 41(10): 3348-3357. ( 0) |
| [2] |
张勇军, 刘子文, 宋伟伟, 等. 直流配电系统的组网技术及其应用[J]. 电力系统自动化, 2019, 43(23): 39-49. ZHANG Yongjun, LIU Ziwen, SONG Weiwei, et al. Networking technology and its application of DC distribution system[J]. Automation of Electric Power Systems, 2019, 43(23): 39-49. DOI:10.7500/AEPS20190529001 ( 0) |
| [3] |
熊雄, 季宇, 李蕊, 等. 直流配用电系统关键技术及应用示范综述[J]. 中国电机工程学报, 2018, 38(23): 6802-6813, 7115. XIONG Xiong, JI Yu, LI Rui, et al. An overview of key technology and demonstration application of DC distribution and consumption system[J]. Proceedings of the CSEE, 2018, 38(23): 6802-6813, 7115. ( 0) |
| [4] |
曾嵘, 赵宇明, 赵彪, 等. 直流配用电关键技术研究与应用展望[J]. 中国电机工程学报, 2018, 38(23): 6791-6801, 7114. ZENG Rong, ZHAO Yuming, ZHAO Biao, et al. A prospective look on research and application of DC power distribution technology[J]. Proceedings of the CSEE, 2018, 38(23): 6791-6801, 7114. ( 0) |
| [5] |
韩永霞, 何秋萍, 赵宇明, 等. 采用柔性直流技术的智能配电网接入交流电网方式[J]. 电力系统自动化, 2016, 40(13): 141-146. HAN Yongxia, HE Qiuping, ZHAO Yuming, et al. Access mode of intelligent distribution network to AC network based on flexible DC technology[J]. Automation of Electric Power Systems, 2016, 40(13): 141-146. ( 0) |
| [6] |
叶庞琪, 陈堃, 代维谦. 柔性直流配电技术的发展与现状[J]. 湖北电力, 2019, 43(1): 18-24. YE Pangqi, CHEN Kun, DAI Weiqian. Development and status quo of flexible DC power distribution technology[J]. Hubei Electric Power, 2019, 43(1): 18-24. ( 0) |
| [7] |
李霞林, 郭力, 黄迪, 等. 直流配电网运行控制关键技术研究综述[J]. 高电压技术, 2019, 45(10): 3039-3049. LI Xialin, GUO Li, HUANG Di, et al. Research review on operation and control of DC distribution networks[J]. High Voltage Engineering, 2019, 45(10): 3039-3049. ( 0) |
| [8] |
王伟. 交直流配电网网架优化规划及典型应用场景研究[D]. 北京: 北京交通大学, 2018. WANG Wei. Research on optimal planning and typical application of AC/DC distribution network[D]. Beijing: Beijing Jiaotong University, 2018. ( 0) |
| [9] |
何秋萍, 韩永霞, 赵宇明, 等. ±10 kV直流配电系统过电压与绝缘配合[J]. 南方电网技术, 2016, 10(4): 16-22. HE Qiuping, HAN Yongxia, ZHAO Yuming, et al. Overvoltage and insulation coordination of ±10 kV DC distribution system[J]. Southern Power System Technology, 2016, 10(4): 16-22. ( 0) |
| [10] |
韩永霞, 冯帅松, 高毓群, 等. 柔性直流配电系统过电流及过电压防护研究综述[J]. 广东电力, 2020, 33(12): 81-89. HAN Yongxia, FENG Shuaisong, GAO Yuqun, et al. Review on research of overvoltage and overcurrent protection for flexible DC distribution system[J]. Guangdong Electric Power, 2020, 33(12): 81-89. ( 0) |
| [11] |
熊岩, 黄润鸿, 郭铸, 等. 南澳三端柔性直流输电工程加装直流断路器的实时仿真[J]. 南方电网技术, 2018, 12(2): 34-40. XIONG Yan, HUANG Runhong, GUO Zhu, et al. Real-time simulation of Nan′ao three terminal VSC-HVDC project equipped with DC breaker[J]. Southern Power System Technology, 2018, 12(2): 34-40. ( 0) |
| [12] |
杨柳, 黎小林, 许树楷, 等. 南澳多端柔性直流输电示范工程系统集成设计方案[J]. 南方电网技术, 2015, 9(1): 63-67. YANG Liu, LI Xiaolin, XU Shukai, et al. The integrated system design scheme of Nanao VSC-MTDC demonstration project[J]. Southern Power System Technology, 2015, 9(1): 63-67. ( 0) |
| [13] |
周浩, 沈扬, 李敏, 等. 舟山多端柔性直流输电工程换流站绝缘配合[J]. 电网技术, 2013, 37(4): 879-890. ZHOU Hao, SHEN Yang, LI Min, et al. Research on insulation coordination for converter stations of Zhoushan multi-terminal VSC-HVDC transmission project[J]. Power System Technology, 2013, 37(4): 879-890. ( 0) |
| [14] |
张哲任, 徐政, 薛英林. MMC-HVDC系统过电压保护和绝缘配合的研究[J]. 电力系统保护与控制, 2013, 41(21): 58-64. ZHANG Zheren, XU Zheng, XUE Yinglin. Study of overvoltage protection and insulation coordination for MMC based HVDC[J]. Power System Protection and Control, 2013, 41(21): 58-64. ( 0) |
| [15] |
刘大鹏, 程晓绚, 苟锐锋, 等. 异步联网工程柔性直流换流站过电压与绝缘配合[J]. 高压电器, 2015, 51(4): 104-108. LIU Dapeng, CHENG Iaoxuan, GOU Ruifeng, et al. Overvoltage and insulation coordination for MMC-HVDC asynchronous project[J]. High Voltage Apparatus, 2015, 51(4): 104-108. ( 0) |
| [16] |
何秋萍. 基于柔性直流的±10 kV配电系统过电压与绝缘配合研究[D]. 广州: 华南理工大学, 2016. HE Qiuping. Research on the overvoltage and insulation coordination of ±10 kV DC power distribution system[D]. Guangzhou: South China University of Technology, 2016. ( 0) |
| [17] |
苏宜靖. 直流配电网过电压仿真及设备绝缘配合的研究[D]. 杭州: 浙江大学, 2018. SU Yijing. Research on overvoltage simulation and equipment insulation coordination of DC distribution network[D]. Hangzhou: Zhejiang University, 2018. ( 0) |
| [18] |
肖芳磊. 中压柔性直流配电网过电压与绝缘配合方案研究[D]. 广州: 华南理工大学, 2019. XIAO Fanglei. Research on overvoltage and insulation coordination scheme of medium voltage flexible DC distribution network[D]. Guangzhou: South China University of Technology, 2019. ( 0) |
| [19] |
冯天豪. 柔性中压直流配电网接地方式及故障暂态分析的研究[D]. 西安: 西安理工大学, 2019. FENG Tianhao. Research on the grounding mode and fault transient analysis of flexible medium voltage DC distribution network[D]. Xi′an: Xi′an University of Technology, 2019. ( 0) |
| [20] |
高一波. 直流配电系统接地故障分析与接地方式研究[D]. 杭州: 浙江大学, 2015. GAO Yibo. Ground fault analysis and grounding design of DC distribution system[D]. Hangzhou: Zhejiang University, 2015. ( 0) |
| [21] |
童铸. 柔性交直流混合配电网系统构建及设备选型分析[J]. 新型工业化, 2019, 9(12): 21-25. TONG Zhu. Construction of flexible AC/DC hybrid distribution network system and analysis of equipment selection[J]. The Journal of New Industrialization, 2019, 9(12): 21-25. ( 0) |
| [22] |
徐政, 屠卿瑞, 管敏渊. 柔性直流输电系统[M]. 北京: 机械工业出版社, 2013. XU Zheng, TU Qingrui, GUAN Minyuan. Flexible DC transmission system[M]. Beijing: China Machine Press, 2013. ( 0) |
| [23] |
魏晓光, 杨兵建, 汤广福. 高压直流断路器技术发展与工程实践[J]. 电网技术, 2017, 41(10): 3180-3188. WEI Xiaoguang, YANG Bingjian, TANG Guangfu. Technical development and engineering applications of HVDC circuit breaker[J]. Power System Technology, 2017, 41(10): 3180-3188. ( 0) |
| [24] |
吴益飞, 胡杨, 易强, 等. 中压直流开断技术研究综述[J]. 供用电, 2018, 35(6): 12-16, 59. WU Yifei, HU Yang, YI Qiang, et al. Review on MVDC interruption technologies[J]. Distribution & Utilization, 2018, 35(6): 12-16, 59. ( 0) |
| [25] |
曹均正, 张轶. 基于VSC-HVDC输电的直流电缆护套过电压建模[J]. 高电压技术, 2017, 43(11): 3514-3520. CAO Junzheng, ZHANG Yi. Modeling of DC cable sheath over-voltage based on the VSC-HVDC transmission[J]. High Voltage Engineering, 2017, 43(11): 3514-3520. ( 0) |
| [26] |
孙毅, 张轶, 贺之渊, 等. 柔性直流输电系统电缆护套过电压仿真[J]. 高电压技术, 2017, 43(11): 3528-3533. SUN Yi, ZHANG Yi, HE Zhiyuan, et al. Simulation of cable sheath over-voltage in VSC-HVDC system[J]. High Voltage Engineering, 2017, 43(11): 3528-3533. ( 0) |
2. Jiangsu Xudian Construction Group Co., Ltd., Xuzhou 221005, China;
3. School of Electrical Engineering, Xi′an Jiaotong University, Xi′an 710049, China

刘书瀚(1995),男,硕士,从事电力系统过电压与绝缘配合、柔性直流输配电、直流断路器等相关工作(E-mail:
0)