养殖工船是一种可移动的海上养殖平台。与普通网箱养殖相比,养殖工船不仅具有养殖密度高、环境污染小、产品质量高等优点,而且可以布置到适宜水温和水质条件的海域进行养殖生产,有效避开台风等自然灾害。20世纪80—90年代,西方一些发达国家、日本、新加坡等国已经出现海上工业化养鱼,目前我国也开始了大型养殖平台的研发工作,但相关的学术研究还较少。2006年,丁永良首次阐述了国内外养鱼工船的发展现状,对技术要求做了简单探讨[1];2012年,徐皓等进一步探讨了我国离岸养殖战略[2]。本文研究对象是一艘由旧运输船改造的养殖工船,设计建成后布置在黄海冷水团,抽取深层低温海水,进行虹鳟(Oncorhynchus mykiss)类冷水性鱼的养殖。虹鳟对水温要求极为苛刻,适宜生活温度为12~18 ℃,超过22 ℃逐渐衰弱死亡[3]。受季风、黄海暖流及太阳辐射的影响,黄海表层温度和船体甲板温度均比较高[4],为保证最适养殖水温和较好集排污效果,需要对养鱼水舱内水体温度场和流场进行研究。
研究流态的方法分为实验测量、理论分析和数值模拟。实验测量耗时长、成本高,环境条件较难控制,测量方法和设备难免对真实结果造成干扰;理论分析具有一般普遍性,往往需要大量简化和假设;随着计算机技术发展,数值模拟的研究方法逐渐被认可,计算流体力学(Computational fluid dynamics,CFD)不仅可以深入了解流体流动及传热过程,又可以减少实验成本,应用越来越广泛[5]。国外学者运用CFD对矩形养殖池、圆形养殖池、跑道养殖池的内流态进行了研究,积累了较多可靠数据[6-9]。但有关池内温度场的研究还较少,有学者运用数值模拟对海水养殖池的温度场进行分析,探究了换热管蒸汽、间距和高度对养殖池水温分布的影响[10]。
本文利用CFD技术研究养鱼水舱的温度场和流场,确定养鱼水舱是否需要保温,并提出保温方案;并根据流态分布,确定最小进水流速;进一步探究了不同厚度保温层条件下养殖水体温度与进水流速的关系。
1 材料与方法 1.1 养殖工船及主要物理参数研究对象为钢质、单甲板、单底、双机、双桨、柴油机推进尾机型冷水团养殖工船,位于日照。工船总长LOA=86 m;垂线间长:LWL=81.1 m;型宽:B=18 m;型深:D=5.2 m;设计吃水:d=3.8 m;满载排水量:4 832.30 t;工船共有14个养鱼水舱(一个备用),分为3种规格:10 m×6 m、8 m×6 m、7 m×6 m,舱室通过横、纵舱壁分隔呈左中右3列分布。舱底龙骨和肋板高800 mm,舷侧肋骨和纵舱壁桁材高400 mm,横舱壁桁材高300 mm。养鱼水舱进排水方式为:通过舷两侧提水泵和取水管,抽取深层低温海水,经储水舱分流到各养殖水舱,再由溢流管排放到舷外,实现水流交换;每个水舱设有单独集污管,将残饵粪便汇集到集污舱,通过污水泵排至舱外。
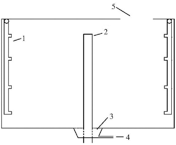
1.2 数值模拟 1.2.1 几何模型养殖水体与外界的热交换主要通过舷侧、底板、横纵舱壁热传导以及表面对流换热进行,舱内龙骨、肋板、加强筋、桁材等结构约占总传热面积的14.7%,其和舱内水体接触面积远大于与舱壁的接触面积,受舱内水体温度影响较大,因此忽略该部分对传热的影响。根据需要建立4个模型,模型1、2、3为温度场模型,与养鱼水舱(规格:10 m×6 m×3.8 m,见图 1)等比创建,模型4为流场模型,与增加保温层后的养鱼水舱(规格:9.4 m×5.2 m×3 m)等比创建,切角半径1 m,池底坡角3°,共设2根进水管,每根上安装4个进水孔,孔间距60 cm,距离池底35 cm,管径25 mm;排水为中央排水,管径250 mm。
|
(1.进水孔2.溢流管3.集污盘4.排污管5.舱口。1.Inlet 2.Overflow pipe 3.Mud trap 4.Outlet drain 5.Hatch.) 图 1 养鱼水舱示意图 Fig. 1 Fish tank sketch map |
流固耦合传热过程中数学模型主要包括:流体流动模型、流体对流换热模型、固体导热模型和流固之间的共轭传热模型。流固共轭传热关键是流体和固体交界面处的热量传递,采用如下控制方程建立固体热传导方程和流体对流换热方程之间的联系[11]。
| $ {\mathit{K}_{{\rm{cond}}}}{\rm{ = }}\frac{{\partial \mathit{T}}}{{\partial \mathit{n}}}{\rm{ = }}{\mathit{q}_{{\rm{conv}}}}{\rm{ = }}{\mathit{h}_{{\rm{conv}}}}{\rm{(}}{\mathit{T}_{\rm{w}}}{\rm{ - }}{\mathit{T}_{\rm{f}}}{\rm{)}}。$ | (1) |
式中:Kcond为固体导热系数;qconv为热交换量;hconv为局部对流换热系数;Tw为壁面温度;Tf为流体温度。
湍流运输方程[12]为:
| $ \begin{array}{l} \;\;\;\frac{{\partial \left( {\mathit{\rho k}} \right)}}{{\partial \mathit{t}}}{\rm{ + }}\frac{{\partial \left( {\mathit{\rho k}{\mathit{u}_\mathit{i}}} \right)}}{{\partial {\mathit{x}_\mathit{i}}}}{\rm{ = }}\frac{\partial }{{\partial {\mathit{x}_\mathit{j}}}}\left[{\left( {\mathit{\mu }{\rm{ + }}\frac{{{\mathit{\mu }_\mathit{t}}}}{{{\mathit{\sigma }_\mathit{k}}}}} \right)\frac{{\partial \mathit{k}}}{{\partial {\mathit{x}_\mathit{j}}}}} \right]{\rm{ + }}{\mathit{G}_\mathit{k}}{\rm{ + }}{\mathit{G}_\mathit{b}}{\rm{ - }}\\ \mathit{\rho \varepsilon }{\rm{ - }}{\mathit{Y}_\mathit{M}}{\rm{ + }}{\mathit{S}_\mathit{k}}{\rm{, }}\\ \frac{{\partial \left( {\mathit{\rho \varepsilon }} \right)}}{{\partial \mathit{t}}}{\rm{ + }}\frac{{\partial \left( {\mathit{\rho \varepsilon }{\mathit{u}_\mathit{i}}} \right)}}{{\partial {\mathit{x}_\mathit{i}}}}{\rm{ = }}\frac{\partial }{{\partial {\mathit{x}_\mathit{j}}}}\left[{\left( {\mathit{\mu }{\rm{ + }}\frac{{{\mathit{\mu }_\mathit{t}}}}{{{\mathit{\sigma }_\mathit{k}}}}} \right)\frac{{\partial \mathit{\varepsilon }}}{{\partial {\mathit{x}_\mathit{j}}}}} \right]{\rm{ + }}{\mathit{G}_{\mathit{l\varepsilon }}}\frac{\mathit{\varepsilon }}{\mathit{k}}{\rm{(}}{\mathit{G}_\mathit{k}}{\rm{ + }}\\ {\mathit{G}_{{\rm{3}}\mathit{\varepsilon }}}{\mathit{G}_\mathit{b}}{\rm{) - }}{\mathit{C}_{{\rm{2}}\mathit{\varepsilon }}}\mathit{\rho }\frac{{{\mathit{\varepsilon }^{\rm{2}}}}}{\mathit{k}}{\rm{ + }}{\mathit{S}_\mathit{\varepsilon }}。\end{array} $ | (2) |
湍流动能耗散率定义为:
| $ \mathit{\varepsilon }{\rm{ = }}\frac{\mathit{\mu }}{\mathit{\rho }}\overline {\left( {\frac{{\partial {{\mathit{\mu '}}_\mathit{i}}}}{{\partial {\mathit{x}_\mathit{k}}}}} \right)\left( {\frac{{\partial {{\mathit{\mu '}}_\mathit{i}}}}{{\partial {\mathit{x}_\mathit{k}}}}} \right)} 。$ | (3) |
式中:Gk是由平均速度梯度引起的湍动能k的产生项;Gb是由浮力引起的湍动能k的产生项;YM代表可压湍流中脉动扩张的贡献;C1ε、C2ε和C3ε为经验常数;σK和σε分别是与湍动能k和耗散率ε对应的Prandtl数;Sk和Sε是用户定义的源项;t为时间项;ρ为密度项;xi、xj为方向矢量;ui速度项;k为湍动能;ε湍动能耗散率;μ、μt分别为黏度及湍流黏度。
1.2.3 边界条件养鱼水舱进水流量影响着水体温度,水体流态决定了水舱集排污效果,根据需要对8个进水口采用速度入口(Velocity-inlet),不同温度场模型的进水流速如表 1,分为6个速度梯度;出水口定义为Out-flow。壁面温度参考极端条件下实际值,夏季黄海表层水温最高约27 ℃,外界高温海水处于不断流动状态,因此舷侧和底板温度可认为恒定,将其温度定义为300 K(27 ℃),横、纵舱壁温度接近夏季空舱时温度,定义为303 K(30 ℃),进水口温度设置为287 K(14 ℃),保温层导热系数为0.03 W/(m·K)。经过前期多次流场预模拟,将流场模型进水流速设置为3个梯度4.4、5.4、6.4 m/s。湍流强度按照下式计算,其中Re为雷诺数:
| $ {\rm{Turbulent}}\;{\rm{Intensity}}\left( {\rm{\% }} \right){\rm{ = 0}}{\rm{.16}}\mathit{R}{{\rm{e}}^{{\rm{ - 1/8}}}}。$ | (4) |
|
|
表 1 速度参数 Table 1 Velocity parameter |
用Fluent软件进行数值求解,温度场模拟采用标准k-ε湍流模型,近壁处选择标准壁面函数,控制方程采用基于有限体积的离散方法,选用二阶迎风格式进行离散;速度、能量收敛标准分别为10-3和10-6;选择基于压力的耦合算法(Couple算法)进行求解。
在标准k-ε湍流模型的基础上,可实现k-ε湍流模型分别为湍流黏性和耗散率增加了一个公式和运输方程,模型中与雷诺应力有关的量满足某些数学限制,与实际流动的物理情况相符,在处理旋转流动、强逆压梯度边界层流动和大曲率半径流动有很好的表现,因此本文流态模拟选择可实现k-ε湍流模型。
1.3 保温材料和热流量计算 1.3.1 保温材料硬质聚氨酯泡沫具有低吸水性、低密度、低热导率、高强度和抗压缩等特点,在墙体、冷库、船舱保温中得到了广泛应用[13]。研究表明,当其密度为25 kg/m3时,压缩强度达100 kPa,热导率小于0.03 W/(m·K) [14],具有良好保温性能。在应用过程中,硬质聚氨酯泡沫吸收潮气后,热导率会大幅增加,因此在使用中,需布置防潮层。
1.3.2 热流量计算 1.3.2.1 分析假设①所有养鱼水舱内水体液面在同一高度,距离舱底3.8 m,相邻养鱼水舱之间不发生热量交换;②养殖过程中环境温度保持恒定不变;③养鱼水舱温度场为稳定温度场,养殖水体温度均匀分布;④忽略船体构件对养殖舱热传递的影响;⑤玻璃钢是一种良好绝热保温材料,视为保温材料的一部分进行计算。
1.3.2.2 热传递方式忽略热辐射影响,养鱼水舱热传递方式主要有以下几种:①外界海水和舱内空气以自然对流方式进行热交换;②船体钢制结构(甲板、舷侧、底板)和保温层以热传导方式进行热交换;③舱盖板处长期处于敞开状态,其导热过程以空气自然对流换热为主。
1.3.2.3 温度参数养鱼水舱热交换量计算过程涉及的温度参数主要包括:外界空气温度、海水表层温度、甲板温度、舷侧温度(与空气接触)、养鱼水体温度。各温度参数确定如下:夏季黄海表层温度分布较均匀,在24~27 ℃之间[15],本文取黄海表层温度为27 ℃,外界空气温度34 ℃;夏季在天气晴朗的条件下,甲板无设备覆盖区域温度可达70 ℃;甲板设备覆盖区的装备各异,视其温度与各工作间温度一致;舷侧温度取45 ℃;养殖水体温度取17 ℃。
1.4 模型验证 1.4.1 温度场模拟验证由于工船未完成改造,无法对养鱼水舱内水温进行现场实验,因此作者在数值模拟前期进行了简化模型实验,验证CFD模拟的准确性。实验装置由保温水箱、钢质水槽、流量计、加热棒、温度计和导管组成;进水流量设置9个梯度,温度控制在282 K(9 ℃);水浴温度为301.5 K(28.5 ℃),利用温度计对不同流量条件下水槽内水体温度进行测量。通过Fluent设置与试验条件相同的边界条件,对水槽等比模型进行模拟。
1.4.2 流场模拟验证数值模拟的验证,通常有2种方法:一种是通过其他人的实验数据来验证;另一种是通过具体实验进行验证。为缩短研究周期、减少研究成本,本文采用Rodrigo A. Labatut[7]的实验数据来验证模型的准确性。Rodrigo A. Labatut的实验采用组合跑道式养殖池(见图 2)。通过组合进水的方式,在养殖池中形成3个相邻旋流区域,每个旋转单元尺寸为:5.5 m×5.5 m×1 m,在每个进水方向安装有5个进水孔,管径15 mm,进水速度4.8 m/s;排水方式为双排水,底流15%,溢流85%。
|
图 2 组合跑道式养殖池 Fig. 2 Mixedcell raceway (MCR) |
从图 3中可以看出,温度场数值模拟与试验数据有相同变化趋势,二者可以较好吻合,证明数值模拟方法可以对养鱼水舱温度场进行预测。将流场模拟结果与实验数据对比,结果如图 4所示,模拟结果基本符合组合跑道式养殖池的运行规律,证明可实现k-ε湍流模型可以对方形养殖池内的流态进行比较准确的模拟。
|
图 3 不同进水流量下温度实验值与模拟值 Fig. 3 Experimental and simulation values of temperature field in different inlet flow |
|
图 4 实验和模拟速度对比图 Fig. 4 Observed and simulate velocity profiles |
通过观察温度场模拟结果,由图 5G可以看出在垂直方向上养殖水体温度分布较为均匀,本文选取距离舱底1.4 m进水口处的剖面图进行分析,从图 5可知,保温层厚度为0 mm时,舱内水体温度分布较为均匀;在与进水方向一致区域,养殖水体温度明显低于其它区域;随着进水流速增加,养鱼水舱整体水温呈现逐渐降低的趋势;从图 6可以看出,在没有保温层的情况下,养殖水体温度与进水流速呈现一定关系:y=-1.75 lnx + 293.25;并且相对于进水流速的增加,养殖水体没有明显降温表现。
|
(图A~F为距离池底1.4 m温度场剖面图,与表 1速度梯度1~6相对应,G为进水流速8m/s时的温度场纵剖图。The picture A-F are temperature profiles which distance bottom 1.4 m, corresponding to the velocity gradient 1-6 in Table 1,G is temperature field profile of velocity inlet 8 m/s.) 图 5 模型1温度场剖面图 Fig. 5 Model 1-temperature profile |
|
图 6 模型1水体温度变化趋势 Fig. 6 Trend of Model 1-average temperature |
图 7为保温层厚度分别为30和50 mm时,水体温度场在不同进水流速条件下变化趋势。从图中可知,二者温度变化趋势基本相似,在相同进水流速条件下,模型3水体温度比模型2低0.2 ℃左右;这是由于保温层厚度越大,相应的热阻越大,综合导热系数减小,水体向外的散热量减小;随着进水流速增加,二者温度降低速率呈现由快到慢的变化趋势;在较小进水流速(0.2~0.4 m/s)条件下,水体仍保持较低温度(16~15 ℃);当进水流速为1 m/s时,养殖水体温度为287.4 K(14.4 ℃),接近进水口温度,此时进水流量为14 m3/h。
|
图 7 模型2和模型3水体温度变化趋势 Fig. 7 Trend of Model 2 and 3 average temperature |
图 8为流场分布图,A~C为距离舱底10 cm的流场剖面图,E为距离池底10 cm处的流体迹线图,从图中可知,养殖池内水体速度呈对称分布,速度在纵舱壁处达到最大,由舱壁向池中心逐渐减小,表明进水首先在横舱壁处保持原有方向,到达纵舱壁处开始逐渐下沉,并偏离壁面,这也是温度场中沿进水方向水温较低的原因。池中心存在一定规模死水区,该区域流速缓慢,面积随进水流速的增加而减小,但很难消失,池中心小面积的静水区可以避免沉降颗粒物再悬浮的问题,但是面积过大则会降低水舱利用率和排污能力。产生低速区的主要原因在于:(1)矩形养鱼水舱,水流经过拐角后有一部分能量损失; (2)养鱼水舱具有大的长宽比,进水口距离池底有一定的距离,导致横纵舱壁处水流速度相差较大。Fluent软件可以计算整个流场或某一截面的平均速度,从软件中导出3种进水流速条件下舱底旋转速度为:12.5、17.2和19.5 cm/s,根据Burrows等提出的池底流速控制在15~30 cm/s,颗粒物才能快速及时排出鱼池[16],故该养鱼水舱的进水流速应维持在5.4 m/s以上,即进水流量大于76.3 m3/h,水力停留时间小于1.9 h。养殖池内水体旋转速度经式(4)计算为12.9 cm/s。
| $ \mathit{U}{\rm{ = }}{\mathit{D}_{\rm{0}}}{\mathit{U}_{\rm{0}}}\sqrt {\frac{{{\mathit{n}_{\rm{0}}}{\rm{ \mathsf{ π} }}}}{{{\rm{2}}\mathit{Dh}}}} 。$ | (4) |
|
(A~C为进水流速4.4、5.4和6.4 m/s时舱底速度,D、E分别为进水流速5.4 m/s时流场横剖图和流体迹线图。From A to C is bottom velocity: inlet is 4.4、5.4、6.4 m/s. D and E respectively are the flow profile and path line of 5.4 m/s) 图 8 流场分布图 Fig. 8 Velocity distribution |
式中:U为养殖池内水体平均旋转速度,m/s;D0为进水口直径,m;U0为进水流速,m/s;n0为进水口数量;D为养殖池水动力直径,m;h为养殖池水深m。该式由Labatut[8]通过对组合跑道式养殖池流态研究提出,本文中数值模拟的流速为10 cm/s,可能由于大的长宽比造成更多的能量消耗。
陆基养殖池多为圆形池和方切角池,径深比在5:1到10:1之间,本文所述养鱼水舱具有比较大的深度和长宽比,因此进水管采用开口均匀的垂直管。由流态模拟的结果可以看出流速为5.4 m/s时,水体在垂直方向有呈现出较好混合和均匀性,有利于溶解氧在各水层的均匀分布。从流体迹线图可以看出流体经横舱壁后,逐渐偏离纵舱壁向池中心汇聚,所形成的二次流有助于将固体颗粒物聚集到池中心并及时排出。有研究表明进水孔直径对流态有显著影响,底流对池底流态无显著影响[17],因此养鱼水舱主要通过中心立管顶部溢流和底部定时排污实现排水。
由图 9可知,近壁和中心区附近流速相差较大,距离池中心3.5 m内池底纵向中心轴的速度增长缓慢,流速分布比较均匀,这与养鱼水舱内水体温度场在该区域分布均匀的结果一致。并且该区域流速远小于近壁区,养殖对象可以选择适合自身生长的流速区域生活,同时也可以通过增加进水孔直径来减小流速差异分布的现象。
|
图 9 池底中心轴速度分布 Fig. 9 The velocity distribution of the center axis at the bottom |
通过对养鱼水舱温度场数值模拟,对比不同进水流速条件下水体温度分布。在没有保温层条件下,进水流量高于76.3 m3/h时,养殖水体温度低于290.3 K(17.3 ℃),基本可以满足养殖对象对水温的需求。但在养殖海域更换及长时间运输过程中,没有条件进行大量低温海水交换。为保证养殖水体最适温度,需要对养鱼水舱做保温处理,减少外界与舱内海水之间热交换量。选取硬质聚氨酯泡沫作为保温材料,舱底龙骨、肋板和舱壁桁材具有一定高度,为避免对养殖对象造成伤害,应将船舱内板材间空隙完全填充。因此养鱼水舱底部填充保温层厚度为800 mm,舷侧和纵舱壁处为400 mm,横舱壁处为300 mm,甲板下部50 mm,并在保温层内表面用一定厚度玻璃钢内衬作为养殖池壁。
2.4.2 热流量计算结果关于计算过程,文中不再详述。由表 2结果可知,除舱盖板区域外,养鱼水舱热流量为3 354.82 W。养殖期间舱盖板处于敞开状态,传热以对流换热为主,取空气对流换热系数为10 W/(m2·℃)[18],舱盖板规格:3.5 m×1.6 m,经计算每个舱盖板热流量为952 W,养鱼水舱总热流量为15 730 W。说明在此保温方案下养鱼水舱温度可长时间满足养殖对象对水温的需求,但舱盖板处热流量较大,应在饲料投喂后及时关闭。
|
|
表 2 养鱼水舱热流量 Table 2 Heat flux of aquaculture tank |
通过构建养鱼水舱三维模型,分别利用标准和可实现k-ε湍流模型对舱内水体在不同进水流速和保温层厚度条件下温度和流速进行全流场数值模拟。结果表明:没有保温层时,外界环境对养殖水舱内水体温度存在较大影响,需对水舱进行保温处理;当保温层厚度为30和50 mm时,两者均有良好保温效果,在进水流量大于14 m3/h时,外界温差13 ℃条件下,养殖水体温度基本保持不变,因此养鱼水舱保温层厚度可选择30 mm。
流场模拟结果表明,速度在壁面处达到最大,由舱壁向池中心逐渐减小,池底存在一定规模死水区,该区域面积随进水流速增加而减小,降低了水舱的利用率和排污能力;通过观察不同进水流速条件下池底速度分布,当进水流速为5.4 m/s时,池底水体旋转速度为17.2 cm/s,因此养鱼水舱水力停留时间应小于1.9 h。
该工船来自运输船改造,为避免舱内结构对养殖对象造成伤害,应将结构间空隙完全填充,可采用硬质聚氨酯泡沫作为水舱保温材料,利用玻璃钢内衬作为养殖舱壁。经计算,该保温方案下养鱼水舱总热流量为15 730 W,每个舱盖板热流量为952 W,因此该保温方案可长时间满足养殖对象对水温的需求;但在高温时段舱盖板应及时关闭。
通过温度场和流场数值模拟验证,模拟值与实测值对比,温度误差在9.1%以内,速度模拟值和实验值可以较好吻合,充分体现了本实验设计的合理性以及所选k-ε湍流模型的准确性。
在利用冷水团养殖过程中,依据养殖对象的生长需求,需合理构建进排水系统、温控系统,对此本课题将做进一步的探讨和研究。
| [1] |
丁永良. 海上工业化养鱼[J]. 现代渔业信息, 2006, 21(3): 4-6. Ding Yongliang. Industrialized Farming Fish at Sea[J]. Modern Fisheries Information, 2006, 21(3): 4-6. ( 0) |
| [2] |
徐皓, 谌志新, 蔡计强, 等. 我国深远海养殖工程装备发展研究[J]. 渔业现代化, 2016, 43(3): 1-6. Xu Hao, Chen Zhixin, Cha Jiqiang, et al. Research on the development of deep sea aquaculture engineering equipment in China[J]. Fishery Modernization, 2016, 43(3): 1-6. ( 0) |
| [3] |
王武. 鱼类增养殖学[M]. 北京: 中国农业出版社, 2000, 496-480. Wang Wu. Culture and Enhancement of Fishes[M]. Beijing: China Agriculture Press, 2000, 496-480. ( 0) |
| [4] |
王洪贵. 海洋运输环境下船载散装谷物自然通风研究[D]. 大连: 大连海事大学, 2008. Wang Hong Gui. Research on the Natural Ventilation of Bulk Grain in ship Hold under Marine Transportation Environment[D]. Dalian: Dalian Maritime University, 2008. http://cdmd.cnki.com.cn/Article/CDMD-10151-2008048887.htm ( 0) |
| [5] |
李鹏飞, 徐敏义, 王飞飞. 精通CFD工程仿真与案例实战[M]. 北京: 人民邮电出版社, 2011. Li Pengfei, Xu Minyi, Wang Feifei. Fluent Gambit Icem CFD Tecplot[M]. Beijing: The People's Posts and Telecommunications Press, 2011. ( 0) |
| [6] |
Oca J, Masalo I. Design criteria for rotating flow cells in rectangular aquaculture tanks[J]. Aquacultural Engineering, 2007, 36(1): 36-44. DOI:10.1016/j.aquaeng.2006.06.001
( 0) |
| [7] |
Labatut R A, Ebeling J M, Bhaskaran R, et al. Modeling hydrodynamics and path/residence time of aquaculture-like particles in a mixed-cell raceway (MCR) using 3-D computational fluid dynamics (CFD)[J]. Aquacultural Engineering, 2015, 67: 39-52. DOI:10.1016/j.aquaeng.2015.05.006
( 0) |
| [8] |
Labatut R A, Ebeling J M, Bhaskaran R, et al. Exploring flow discharge strategies of a mixed-cell raceway (MCR) using 2-D computational fluid dynamics (CFD)[J]. Aquacultural Engineering, 2015, 66: 68-77. DOI:10.1016/j.aquaeng.2015.01.001
( 0) |
| [9] |
俞国燕, 魏武, 王筱珍, 等. 双通道养殖池流态模拟及验证[J]. 渔业现代化, 2012, 39(6): 10-14. Yu Guoyan, Wei Wu, Wang Xiaozhen, et al. Numerical simulation and verification on flow-field distribution in 'Cornell-type'dual-drain culture tank[J]. Fishery Modernization, 2012, 39(6): 10-14. ( 0) |
| [10] |
张慧鑫. 海水养殖水温三维传热模型与控制算法的研究[D]. 沈阳: 东北大学, 2011. Zhang Huixin. 3D Heating Model of Water Temperature and Researching Control Algorithm in Aquaculture[D]. Shenyang: Northeastern University, 2011. http://www.wanfangdata.com.cn/details/detail.do?_type=degree&id=J0122571 ( 0) |
| [11] |
骆清国, 刘红彬, 龚正波, 等. 柴油机气缸盖流固耦合传热分析研究[J]. 兵工学报, 2008, 29(7): 769-773. Luo Qingguo, Liu Hongbin, Gong Zhengbo, et al. Study on the fluid-solid coupled heat transfer of the diesel engine cylinder head[J]. Actaarmamentari, 2008, 29(7): 769-773. ( 0) |
| [12] |
Launder B E, Spalding D B. Lectures in Mathematical Models of Turbulence[M]. London: Academic Press, 1972.
( 0) |
| [13] |
邓桂芳. 聚氨酯工业的应用发展趋势观察[J]. 聚氨酯工业, 2016(3): 64-71. Deng Guifang. Application development trends of polyurethane industry[J]. Polyurethane Monthly, 2016(3): 64-71. ( 0) |
| [14] |
曾骐. 硬质聚氨酯及其聚苯乙烯复合保温材料的性能研究[D]. 武汉: 武汉科技大学, 2014. Zeng Qi. The Performance Research of Rigid Polyurethane and Polystyrene Composite Heat Preservation Material[D]. Wuhan: Wuhan University of Science and Technology, 2014. http://www.wanfangdata.com.cn/details/detail.do?_type=degree&id=D552266 ( 0) |
| [15] |
于非, 张志欣, 刁新源, 等. 黄海冷水团演变过程及其与邻近水团关系的分析[J]. 海洋学报, 2006, 28(5): 26-34. Yu Fei, Zhang Zhixin, Diao Xinyuan, et al. Analysis of evolution of the Huanghai Sea cold water mass and its relationship with adjacent water masses[J]. Acta Oceanologica Sinica, 2006, 28(5): 26-34. ( 0) |
| [16] |
Chenoweth H H. The rectangular circulating rearing pond[J]. The Progressive Fish-Culturist, 1970, 32(2): 67-80. DOI:10.1577/1548-8640(1970)32[67:TRCRP]2.0.CO;2
( 0) |
| [17] |
Labatut R A, Ebeling J M, Bhaskaran R, et al. Effects of inlet and outlet flow characteristics on mixed-cell raceway (MCR) hydrodynamics[J]. Aquacultural Engineering, 2007, 37(37): 158-170.
( 0) |
| [18] |
DNV. Rules for Classification of Ships[S]. Novway: Dot Norske Veritas, 2008.
( 0) |
2018, Vol. 48


0)