2. 漯河医学高等专科学校药理教研室
心肌缺血/再灌注损伤主要表现为患者发生心肌缺血,冠状动脉再通,心肌恢复灌注后导致的心肌损伤性反应,发生机制复杂。研究显示,氧化应激、缺血缺氧及再灌注损伤等容易导致心肌细胞坏死,并进一步引发患者心肌细胞凋亡,而细胞凋亡的发生与信号通路介导的一系列程序密切相关[1]。因此通过某种方式阻断信号通路,可有效预防或减少细胞凋亡发生,改善患者心功能。研究表明栀子苷为环烯醚萜苷类化合物,具有抗炎、抗氧化应激等功效[2]。本研究采用大鼠建立心肌缺血再灌注损伤模型,观察栀子苷对心肌缺血再灌注损伤的保护作用,并从抗氧化损伤、抗细胞凋亡等角度探讨作用机制,结果报告如下。
1 材料与方法 1.1 实验动物健康Sprague-Dawley(SD)大鼠60只,specific pathogen free(SPF) 级,雌雄各半,体重(250±320)g(河南省实验动物中心),实验动物生产许可证号:SCXK(豫)2010-0002。在温度(25±2)℃,相对湿度(50±5)% ,光照时间为12 h,适应性喂养1周后进行试验,自由进食及饮水。
1.2 主要试剂与仪器栀子苷(批号110749,中国药品生物制品检定所);乳酸脱氢酶(lactic dehydrogenase,LDH)、丙二醛(malondialdehyde,MDA)及超氧化物歧化酶(superoxide dismutase,SOD)试剂盒(南京建成生物工程研究所);末端脱氧核苷酸转移酶介导 dUTP 缺口末端标记法(terminal-deoxynucleotidyl transferase mediated nick end labeling,TUNEL)细胞调亡检测盒(武汉博士德生物有限公司);β-actin、兔抗鼠Bcl-2、Bax、p53抗体(美国Sigma公司)。HX-300 动物人工呼吸机(成都泰盟科技有限公司);BT224S 电子天平(北京赛多利斯科学仪器有限公司);计算机图像分析系统(重庆大学自动化研究所);CF-5型低温高速离心机(日本Hitachi公司);显微镜(日本Olympus公司)。
1.3 动物分组与处理60只大鼠随机分为假手术组、缺血再灌注组、栀子苷低、中、高剂量组(25、50、100 mg/kg)、阳性对照组(通心络胶囊,100 mg/kg),每组10只;栀子苷组与阳性对照组大鼠于术前灌胃给药,1次/d,连续7 d,假手术组和缺血再灌注组大鼠给予等体积蒸馏水。
1.4 动物模型建立大鼠采用戊巴比妥钠(45 mg/kg)腹腔注射麻醉,仰位固定,气管插管,接人工呼吸机(潮气量:20 mL,呼吸频率:70 次/min,呼吸时比1:1);左侧第4肋间胸壁剪开,心脏暴露,剪开心包膜,暴露心肌,除假手术组外,其余各组大鼠结扎左冠状动脉前降支,以II导联心电图ST 段抬高0.1 mV 或T 波高耸、心肌暗红色为结扎成功;结扎30 min松开再灌注24 h,以抬高的ST 段下降1/2为再灌注复制成功。
1.5 血清和心肌标本采集大鼠心肌缺血/再灌注24 h 后,腹主动脉取血,3 000 r/min离心10 min,取上清液,-20 ℃冻存备用。取出大鼠心脏置于冰上,取缺血部位心肌组织,称重,磷酸盐缓冲液(phosphate buffered saline,PBS)冲洗,4%多聚甲醛固定,石蜡包埋,并常规切片(部分用于心肌细胞凋亡检测),苏木精-伊红染色法 (hematoxylin-eosin staining,HE)染色,光镜观察心肌细胞病理变化;取部分心肌组织制成10 %组织匀浆,-20 ℃冻存备用。
1.6 指标与方法 1.6.1 氧化应激指标测定取血清,化学比色法测定LDH活性,硫代巴比妥酸比色法测定心肌组织中MDA含量,黄嘌呤氧化酶法测定心肌组织中SOD活性;无机磷法测定心肌组织中Ca2+-ATPase活性。
1.6.2 心肌细胞凋亡检测采用TUNEL法,各组取5张切片,脱氧核糖核酸酶(10 μg/mL)消化处理为阳性对照,未消化处理为阴性对照,计数凋亡细胞和细胞总数,计算细胞凋亡指数,细胞凋亡指数(%)=凋亡细胞总数/总细胞数× 100%。
1.6.3 胞浆内P53、Bcl-2、Bax蛋白表达检测采用常规方法提取心肌组织蛋白,Western blot 检测胞浆内P53、Bcl-2、Bax蛋白表达,采用凝聚成像系统扫描,并采用 Quality one 软件进行灰度分析,计算蛋白相对表达水平。
1.7 统计分析计量资料以x±s表示,采用 SPSS 15.0进行统计分析,组间比较采用单因素重复测量资料方差分析,组间两两比较采用Student-Newman-Keuls(SNK)q检验,P<0.05为差异有统计学意义。
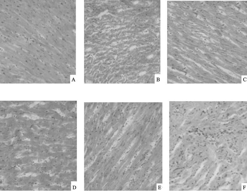
2 结 果 2.1 栀子苷对缺血再灌注大鼠心肌细胞组织病理影响(图 1)假手术组大鼠心肌细胞界限较清晰,肌纤维和细胞排列整齐,细胞大小和结构比较正常(图 1A);缺血再灌注组大鼠心肌细胞明显肿胀,细胞核不规则,细胞界限不清晰,间隙增大,胞浆染色深浅不一,心肌纤维存在中性粒细胞浸润(图 1B);阳性对照组大鼠心肌组织呈小灶性坏死,少部分细胞结构模糊,边界不清(图 1C);低、中、高剂量栀子苷组大鼠心肌可见坏死病灶,与缺血再灌注组比较,病灶相对较小,病灶区存在少数心肌纤维玻璃或波浪样改变,无明显的心肌纤维断裂、坏死等发生(图 1D、E、F)。
|
注:A:假手术组;B:缺血再灌注组;C:阳性对照组;D、E、F:栀子苷25、50、100 mg/kg组。 图 1 栀子苷对心肌缺血再灌注大鼠心肌组织病理学影响(HE,×200) |
与假手术组比较,缺血再灌注组大鼠血清中LDH活力、心肌组织MDA水平明显升高,SOD活力、Ca2+-ATPase水平明显降低(P<0.05);与缺血再灌注组比较,栀子苷50、100 mg/kg组大鼠血清LDH活性及心肌组织MDA水平明显降低,心肌组织中SOD活性和Ca2+-ATPase水平明显增加(P<0.05);与缺血再灌注组比较,阳性对照组大鼠血清LDH活性及心肌组织MDA水平明显降低,心肌组织中SOD活性和Ca2+-ATPase水平明显增加(P<0.05)。
|
|
表 1 栀子苷对缺血再灌注大鼠氧化应激指标影响(x±s,n=10) |
TUNEL染色显示,凋亡细胞呈棕色。假手术组、缺血再灌注组、栀子苷25、50、100 mg/kg组、阳性对照组大鼠心肌细胞凋亡率分别为(2.1±0.2)%、(21.2±2.6)%、(16.7±2.1)%、(12.3±1.8)%、(11.2±1.6)%、(10.3±1.4)%;与假手术组比较,缺血再灌注组大鼠心肌细胞凋亡率明显升高,差异有统计学意义(P<0.01);与缺血再灌注组比较,栀子苷50、100 mg/kg组、阳性对照组大鼠心肌细胞凋亡率明显降低,差异有统计学意义(P<0.05)。
2.4 栀子苷对缺血再灌注大鼠心肌细胞凋亡蛋白表达影响(表 2)与缺血再灌注组比较,栀子苷50、100 mg/kg组大鼠心肌组织p53、Bax蛋白表达明显降低,Bcl-2蛋白及Bcl-2/Bax 比例明显增加(P<0.05)。与缺血再灌注组比较,阳性对照组大鼠心肌组织p53、Bax蛋白表达明显降低,Bcl-2蛋白及Bcl-2/Bax 比例明显增加(P<0.05)。
|
|
表 2 栀子苷对缺血再灌注大鼠心肌细胞凋亡 蛋白表达影响(x±s,n=10) |
心肌缺血容易导致心脏缺氧,严重时破坏细胞膜并造成细胞损伤[3],细胞膜的通透性明显增加,心肌细胞能量代谢障碍,细胞膜的泵功能下降,细胞膜上Ca2+-ATPase离子通道受到破坏,心肌细胞内的Ca2 +不能及时泵出,产生钙超载,并引发细胞自我调节功能丧失,心肌细胞发生变性、坏死,LDH等酶漏出进入血清[4]。因此测定血清中LDH及心肌组织Ca2+-ATPase等酶活性,可反应心肌损伤程度。心肌缺血再灌注时,容易导致大量代谢物聚集和自由基产生,过多的自由基通过脂质过氧化破坏细胞膜,导致细胞死亡[5]。SOD具有清除超氧阴离子自由基功能,减少机体的氧化应激损伤,协调机体氧化与抗氧化平衡[6]。因此,SOD活性可代表机体对自由基的清除能力。MDA 是细胞膜的不饱和脂肪酸过氧化产物,可反应氧自由基的活性,因此MDA 能体现机体发生脂质过氧化情况,并可间接反映细胞损伤程度[7]。
本研究结果显示,中、高剂量栀子苷组大鼠血清LDH下降、Ca2+-ATPase活性升高,心肌组织SOD活性升高,心肌组织MDA含量降低;病理结果显示,发生缺血/再灌注损伤的大鼠心肌细胞明显肿胀,细胞核不规则,细胞界限不清晰,间隙增大,胞浆染色深浅不一,心肌纤维存在中性粒细胞浸润,而栀子苷处理后,心肌细胞坏死病灶明显减小,病灶区存在少数心肌纤维玻璃或波浪样变,无明显的心肌纤维断裂、坏死等发生,心肌损伤明显减轻。提示栀子苷预处理可保护心肌细胞,栀子苷抗心肌缺血再灌注损伤的机制与减少机体氧自由基生成,提高机体清除自由基的能力有相关。
研究表明氧化应激、缺血、缺氧、再灌损伤等与心肌细胞凋亡密切相关,而细胞凋亡发生的程度可反应心功能的破坏情况,而细胞凋亡的发生与信号通路介导的一系列程序密切相关[8]。细胞凋亡与凋亡蛋白的有效调控相关,一般包括促凋亡和抗凋亡蛋白,而细胞凋亡的发生为二者之间平衡失调的结果[8]。p53、Bcl-2 和Bax 蛋白为常见的凋亡蛋白,其中p53是诱导细胞调亡重要因素,当细胞发生DNA损伤或缺氧时,p53大量表达,并诱导凋亡蛋白Bax等表达,调节细胞周期和凋亡;Bcl-2具有抑制细胞凋亡功能,而Bax具有促进细胞凋亡功能,细胞凋亡是否发生由Bcl-2与Bax比例决定[9]。Bcl-2 表达水平增加,Bcl-2/Bax异二聚体比例增加,抑制细胞凋亡;Bax蛋白水平增加时,Bcl-2/Bax比率下降,产生Bax /Bax同二聚体,细胞凋亡发生[10]。本研究结果显示,中、高剂量栀子苷均能明显降低大鼠心肌细胞p53蛋白表达,上调Bcl-2/Bax比率,减少细胞凋亡的发生,并呈现剂量效应关系。提示,栀子苷可通过抑制p53表达,增加Bcl-2蛋白表达,降低Bax蛋白水平,从而抑制心肌细胞凋亡,起到保护心肌细胞作用。
| [1] | 王东辉,石博,黄可欣,等.阿托伐他汀对心肌缺血再灌注老年大鼠NF-κBp65、COX-2表达的影响[J].中国老年学杂志,2013,33(8):1856-1857. |
| [2] | 王磊,辛文锋,张文生,等.栀子苷治疗阿尔采末病及神经保护的分子机制研究进展[J].中国药理学通报,2012,28(5):604-607. |
| [3] | 苏丹,王实,夏大梅,等.麦门冬多糖对Hhcy大鼠心肌缺血再灌注保护作用[J].中国公共卫生,2011,27(4):470-471. |
| [4] | 关凤英,李红,杨世杰,等.黄芪甲苷预处理对大鼠心肌缺血再灌注损伤后细胞凋亡的保护作用及机制研究[J].中草药,2010,41(7):1146-1150. |
| [5] | 金辉,岳海波,王丽岩,等.巴戟天醇提物对实验性心肌缺血及缺氧再给氧损伤的影响[J].中国老年学杂志,2013,33(13):3122-3124. |
| [6] | 宋旭东,陈爱华,刘映峰,等.香芹酚预处理减轻小鼠心肌缺血再灌注时氧化应激及细胞凋亡[J].南方医科大学学报,2013,(11):1624-1627. |
| [7] | 尤杨,冯倩,夏岳,等.匹伐他汀对大鼠心肌缺血再灌注后氧化应激作用的影响[J].河北医科大学学报,2015(4):373-376. |
| [8] | Elsasser A,Vogt AM,Nef H,et al.Human hibernating myocardium is jeopardized by apoptotic and autophagic cell death[J].J Am Co ll Car diol,2004,43(12):2191-2199. |
| [9] | 谭永星,卫然,李雪梅,等.PI3K/Akt信号通路在氢气抑制大鼠心肌缺血再灌注时细胞凋亡中的作用[J].中华麻醉学杂志,2014,34(11):1382-1385. |
| [10] | 李军,石博,黄可欣,等.葛根素对心肌缺血再灌注大鼠心肌组织Bcl-2、Bax和Caspase-3表达水平的影响[J].中国实验诊断学,2013,17(4):631-633. |
2015, Vol. 31
