2. 中国石油勘探开发研究院 四川盆地研究中心, 成都 610041;
3. 中国石油西南油气田公司 勘探开发研究院, 成都 610041;
4. 成都理工大学 沉积地质研究院, 成都 610059
2. Research Center of Sichuan Basin, PetroChina Research Institute of Petroleum Exploration & Development, Chengdu 610041, China;
3. Research Institute of Exploration and Development, PetroChina Southwest Oil & Gas Field Company, Chengdu 610041, China;
4. Institute of Sedimentary Geology, Chengdu University of Technology, Chengdu 610059, China
古隆起在油气成藏过程中极具重要性[1-4],大中型气田的形成多与古隆起[5-8]、古隆起斜坡带[9-12]等有关。早期通过四川盆地开江地区石炭系缺失区带,确定了开江古隆起的平面展布[13]。2019年新钻井发现,在四川盆地东部边缘带又存在石炭系缺失区,而且其下伏泥盆系的地层厚度从东到西呈楔形变化,这表现为一个古隆起带的特征,但前人在该区域的探讨较少,对其展布、规模、存续时代及演化特征等方面都缺乏深入的研究。
在对四川盆地东部新钻井资料、新三维地震数据及野外露头资料研究的基础上,提出在奉节—云阳一带发育晚古生代持续古隆起的新地质认识,以研究区石炭系—泥盆系地层为重点对象,探讨该古隆起的特征及演化规律,剖析上古生界沉积构造背景,着重研究古地貌控制下的石炭系地层识别及分布特征、构造演化,分析该区域石炭系油气成藏的条件,并对石炭系有利天然气勘探区带进行预测评价,以期为四川盆地东部石炭系天然气扩展勘探新领域提供支撑。
1 区域概况四川盆地进入晚古生代后大部分地区上升为陆地,其中泥盆纪和石炭纪仅在陆缘地区才有沉积[1, 14]。盆地东部上古生界发生了多期构造运动,泥盆系和石炭系经历了多期强烈剥蚀,泥盆系仅分布在盆地边缘,内部鲜有钻遇,石炭系的分布范围较泥盆系广阔,向西可到乐山-龙女寺古隆起边缘[图 1(a)],二叠系的分布范围可覆盖全盆地。石炭系可分为河洲组和黄龙组2个岩石地层,目前对河州组的研究相对较少[15],已知该段地层主要为褐灰色云质砂岩,厚度较薄,一般小于20 m,多为5~ 10 m,其上覆黄龙组因曾是四川盆地天然气的主要产出层位,前人对该组的研究较多,构造[16-20]、地层与沉积[20-25]、储层发育特征[26-30]、成藏机理[31-35]等方面均有涉及,该段地层主要为浅灰色泥粉晶云岩,下部有时发育膏盐,一般残余厚度为30~50 m,最厚可达80 m[图 1(b)],具有明显的暴露剥蚀特征,整体向西尖灭,在盆地东部亦出现多个剥蚀天窗。二叠系沉积时受到构造影响弱,整体地层厚度变化平缓,表现为稳定的台地沉积[36-38]。综上所述,泥盆系—石炭系的变化可以反映四川盆地东部晚古生代构造演变关系。
|
下载原图 图 1 四川盆地东部地质概图(a)与上古生界综合柱状图(b)[16, 24] Fig. 1 General geological map(a)and comprehensive stratigraphic column(b)of Upper Paleozoic in eastern Sichuan Basin |
四川盆地东部奉节—云阳地区的天然气勘探程度较低,近年来逐步部署了多块三维地震,如Fj和Fn三维区等,覆盖面积约800 km2,成像质量较早期的二维地震有了明显的提高。针对深层古生界的钻探也加大了投入,如已完钻Ya26,Dx3,Lt1等井,但目前仅零星井有测试产量,还未取得规模性的突破。
2 奉节古隆起的提出根据目前的钻井和地震资料,已经明确了在四川盆地东部发育有南北向的开江古隆起[13]。在盆地东部边缘带前期钻井和地震部署较少,但在外围地区如建始长梁、巫山白鹤坪等地发现了多处上古生界地层露头,其古生界地层序列较盆地内部发育更加完整,从下到上依次发育:志留系、泥盆系、石炭系和二叠系,其中石炭系黄龙组的发现使一些学者认为开江古隆起以东的石炭系可以与盆地东部外侧地层直接对接,没有受到局部隆起的间隔[20],然而近几年来随着天然气勘探的深入,在盆地东部边缘带陆续钻探的深井揭示,石炭系在奉节—云阳一带存在剥蚀变薄甚至消失的特征。
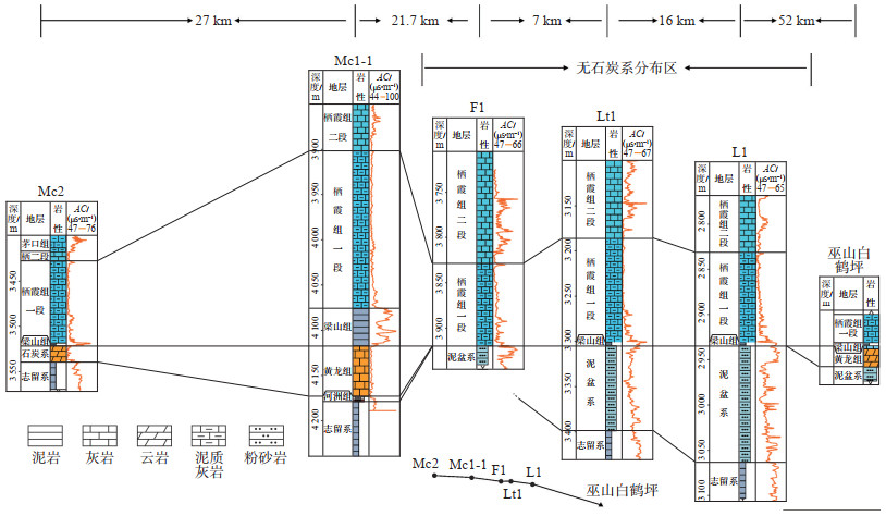
图 2为四川盆地东部边缘带钻探的5口井与巫山白鹤坪地层的对比剖面,自西向东依次为Mc2井、Mc1-1井、F1井、Lt1井、L1井和巫山白鹤坪露头,跨越长度123.7 km,从盆地东北部到边缘泥盆系栖霞组一段的地层厚度变化比盆地内部复杂得多,西侧Mc2井和Mc1-1井泥盆系缺失,而东侧白鹤坪露头剖面,L1井、Lt1井和F1井均可见泥盆系粉砂岩,这反映了泥盆系自东向西变薄的特征;在东侧巫山白鹤坪等露头,西侧Mc2井、Mc1-1井发育石炭系黄龙组,而中部F1井、Lt1井、L1井的石炭系却缺失,这表明石炭系展布存在平面间断。综合分析认为,在该区存在一个古隆起使得石炭系局部缺失,泥盆系呈楔形向西变薄直至消失,古隆起的主体在F1井附近,位于Mc1-1 —L1井之间。
|
下载原图 图 2 四川盆地东部Mc2—Mc1-1—F1—Lt1—L1—巫山白鹤坪地层剖面对比(位置见图 1) Fig. 2 Stratigraphic sections correlation of wells Mc2, Mc1-1, F1, Lt1, L1 and Baiheping in eastern Sichuan Basin |
在四川盆地东部地区的F1,Lt1等井以南有已钻井分布,向南约29 km的云安厂构造(参见图 1)中,石炭系黄龙组存在自西向东变薄的现象,黄龙组在该构造内的Ya6井中厚度为35.5 m,在Dx3井中厚度为57 m,在Dx3井以东约10 km处的Ya26井中厚度仅为6 m。由于Ya26井与Mc1-1井东西向水平距离为7 km,与F1井距离为27 km,判断认为Ya26井尚不在奉节古隆起的主体部位,但已经非常靠近。以此推测认为奉节古隆起有向F1井以南发育的可能。万云强等[39]对云安厂构造以南约50 km处的龙驹坝构造的研究表明,该构造内L4井至L6井的黄龙组地层呈变薄趋势,碎屑物含量逐渐增多,构造东侧41 km处的Q2井黄龙组缺失,Q2井以东66 km处的建始长梁露头中发现了17 m厚的黄龙组,这与图 2的连井特征非常相似。
综上所述,四川盆地东部边缘带发育的奉节古隆起呈近南北向展布,跨度约为79 km(参见图 1)。其显著的特征是石炭系黄龙组遭受剥蚀,泥盆系向古隆起变薄,同时伴随着河洲组和黄龙组岩性也发生变化,河洲组白云质粉砂岩向东白云石含量明显减少。甚至影响了早二叠世的沉积,在F1井处连广泛分布的二叠系梁山组也缺失(图 2)。
4 奉节古隆起的刻画古隆起边界刻画研究较为复杂,许多学者倾向于在构造认识的基础上给出一个较为主观的轮廓,但其并不能清楚地确定古隆起的具体展布特征。本文针对四川盆地东部地层的结构变化特征,基于正演模型[40],利用新处理的三维地震数据来确定三维区古隆起的轮廓并刻画其平面展布规律。上文中提到在Lt1井中未发现石炭系,通过地震波合成记录[图 3(a)]和地震剖面[图 3(b)]可知,其二叠系底界为一个中—弱波峰的上半叶,这与研究区大部分钻遇薄石炭系黄龙组(厚度小于10 m)的探井地震反射特征非常相似,均表现为中—弱反射[图 3(c),(d)],因此在未钻井之前,很容易误认为Lt1井发育薄层石炭系。造成这一错误认识的原因是地震反射波的地质解读具有多解性:①当中二叠统下伏地层为石炭系黄龙组时,地层速度大,约为6 500 m/s,相应的波阻抗也较大,可以在二叠系底部形成较强的波峰反射,而当黄龙组厚度较小时,对应的振幅也较弱。②当从下到上的地层结构从志留系—石炭系—二叠系变为志留系—泥盆系—二叠系时,由于地震波在泥盆系砂岩中的平均速度下降,为5 000 m/s,也能呈现中—弱波峰的反射特征。
|
下载原图 图 3 四川盆地东部Lt1井与L6井地震剖面对比 Fig. 3 Seismic section comparison between well Lt1 and well L6 in eastern Sichuan Basin |
图 4(a)为根据研究区的地层特征,钻井、测井以及露头样品岩石物理测试数据设计出的地层模型正演剖面,其中两侧的石炭系和泥盆系呈楔形,厚度为0~60 m,反映这2套地层的剥蚀尖灭特征。从地震剖面[图 4(b)]上可明显看出,二叠系底界出现了4种反射特征:①石炭系较厚的时候,二叠系底界表现为强—中的波峰反射特征;②当石炭系较薄的时候,二叠系底界表现为弱的波峰反射特征;③当泥盆系较薄的时候,二叠系底界表现为强的波峰反射特征;④当泥盆系较厚的时候,二叠系底界表现为中等的波峰反射特征。其中②和④类似,容易把厚层泥盆系误认成薄层石炭系,在研究区天然气勘探过程中就出现过类似的误解,如F1井钻前预测有薄层石炭系存在,而实钻后证实仅发现了泥盆系,并没有石炭系。前期研究中,在盆地东部由于志留系—石炭系—二叠系中各系岩性变化大且单层厚度较为稳定,前2种反射特征在研究区较为普遍,通过二叠系底界振幅变化可以确定石炭系平面分布[27]。盆地东部边缘钻遇泥盆系的3口深井,整体岩性为粉砂岩,弹性参数变化不大,所以后2种反射特征在盆地东部边缘带具有区域代表意义,能满足平面研究的需求。
|
下载原图 图 4 四川盆地东部地区志留系—下二叠统底部地质模型(a)和正演剖面(b) Fig. 4 Geologic model(a)and forward section(b)of Silurian-Lower Permian bottom in eastern Sichuan Basin |
目前已经在Fj和Fn共2个三维区采集了地震资料,根据对二叠系底界均方根振幅的提取获得平面振幅大小的分布特征,参考实钻情况和模型正演的认识,可以将2个三维区分为3个区带。如图 5所示,左侧Ⅰ区为弱振幅区,可能为石炭系薄地层区,无泥盆系地层;中间Ⅱ区为强振幅区,可能为薄泥盆系地层区;右侧Ⅲ区为弱振幅区,可能为厚泥盆系地层区。奉节古隆起位于Ⅰ和Ⅱ区带内,整体呈北北东走向,南北长度为33 km,东西宽度为10~ 21 km,覆盖面积为515 km2。三维区以南,即云安厂到龙驹坝构造带,由于三维资料尚未全面覆盖,只有待部署新三维区后,亦可通过该方法确定古隆起南部的详细分布范围。
|
下载原图 图 5 四川盆地东部Fj和Fn三维区二叠系底界均方根振幅平面分布 Ⅰ. 无泥盆系区;Ⅱ. 薄泥盆系区;Ⅲ. 厚泥盆系区 Fig. 5 Plane distribution of root mean square amplitude of the bottom Permian in Fj and Fn 3D region, eastern Sichuan Basin |
奉节古隆起与开江古隆起相距95 km,两者在平面展布、构造位置、地层对比等方面既有关联又有区别(表 1)。这2个隆起带可能决定了研究区上古生界地层格局,尤其影响石炭系原始沉积与后期剥蚀的特征。由于海平面下降,使得古隆起西侧和东侧均存在石炭系黄龙组残余,同时古隆起的主体部位石炭系遭受剥蚀殆尽。从上覆二叠系栖霞组的厚度来看,在奉节—云阳一带与开江、泸州一样地层变薄,反映出该古隆起亦影响了后期栖霞组的沉积面貌[38],这说明隆起一直持续到早二叠世。
|
|
下载CSV 表 1 四川盆地东部奉节古隆起与开江古隆起特征对比 Table 1 Comparison of characteristics between Fengjie paleo-uplift and Kaijiang paleo-uplift in eastern Sichuan Basin |
前期学者们认为二叠系龙潭组煤系地层沉积时地势平缓[1, 36],这可以作为恢复二叠纪前构造的参考面。图 6为过F1井和Lt1井的三维地震剖面,将龙潭组底界拉平后,在F1井和Lt1井下方可见志留系隆起(图中标识为临湘组底界),这说明奉节古隆起可能是一个早期的隆起。上文中已说明L1— Lt1—F1井区泥盆系成楔形变薄的特征,推测该隆起在泥盆系已经存在,并且控制了泥盆系残余地层的分布。
|
下载原图 图 6 四川盆地东部Fj三维区过F1井和Lt1井的叠前时间偏移剖面 Fig. 6 Pre-stack time migration sections across well F1 and well Lt1 in Fj 3D region in eastern Sichuan Basin |
四川盆地东部地区发育2个古隆起:开江古隆起和奉节古隆起,其中开江古隆起距离盆地内的乐山—龙女寺古隆起约113 km,奉节古隆起距开江古隆起约95 km,通过残余地层分布和古构造恢复可知,研究区的构造演化可分为5个阶段(图 7):①泥盆纪低位期。泥盆系在奉节古隆起以东沉积,沉积后遭受剥蚀。②石炭纪低位期。下石炭统河洲组沉积跨越奉节古隆起,终止于开江古隆起东侧。③石炭纪海进—高位期。上石炭统黄龙组进一步海泛,已跨过开江古隆起,周缘形成障壁,造成膏湖和膏云湖沉积;中期海平面扩大形成障壁海湾,沉积一套局限白云岩;晚期进入高位期,形成开阔相灰岩。④石炭纪海退期。黄龙组沉积后,海平面下降,黄龙组遭到广泛剥蚀,在古隆起地区石炭系几乎剥蚀殆尽,凹陷区尚残留30~50 m地层。⑤二叠纪海进期。下二叠统梁山组在四川盆地东部普遍沉积,但在奉节古隆起北部部分缺失;栖霞组一段在奉节古隆起区略薄,随后古隆起消失。这个演化过程说明了在生油高峰期(三叠纪)[32]之前,研究区石炭系可以在奉节古隆起的控制下产生地层尖灭线,进而形成有效的地层圈闭。
|
下载原图 图 7 四川盆地东部泥盆系—石炭系沉积充填演化图 Fig. 7 Sedimentary filling evolution of Devonian-Carbon in eastern Sichuan Basin |
(1)基于区域地质背景,结合新钻井、新三维地震数据及野外露头资料,认为在四川盆地东部奉节—云阳一带发育晚古生代奉节古隆起。
(2)奉节古隆起为古生代持续隆起,参与控制了四川盆地东部上古生界地层特征,包括5个主要阶段:泥盆纪低位期、石炭纪低位期、石炭纪海进—高位期、石炭纪海退期、二叠纪海进期。
(3)奉节古隆起具有重要的天然气勘探意义:在古隆起西侧石炭系发育,可以形成向斜—斜坡区内地层圈闭,是现实勘探领域,古隆起东侧同样发育石炭系,但构造和地层展布复杂,是远景勘探领域。
| [1] |
郭正吾, 邓康龄, 韩永辉, 等. 四川盆地形成与演化. 北京: 地质出版社, 1996: 56-65. GUO Z W, DENG K L, HAN Y H, et al. The formation and development of Sichuan Basin. Beijing: Geological Publishing House, 1996: 56-65. |
| [2] |
黄籍中. 从四川盆地看古隆起成藏的两重性. 天然气工业, 2009, 29(2): 12-17. HUANG J Z. The pros and cons of paleohighs for hydrocarbon reservoiring: A case study of the Sichuan Basin. Natural Gas Industry, 2009, 29(2): 12-17. DOI:10.3787/j.issn.1000-0976.2009.02.003 |
| [3] |
宋文海. 乐山-龙女寺古隆起大中型气田成藏条件研究. 天然气工业, 1996, 16(增刊1): 13-26. SONG W H. Research on reservoir-formed conditions of largemedium gas fields of Leshan-Longnüsi Palaeohigh. Natural Gas Industry, 1996, 16(Suppl 1): 13-26. |
| [4] |
赵裕辉. 川东地区高陡构造成因机制及含油气性分析. 北京: 中国地质大学(北京), 2005. ZHAO Y H. Genetic mechanism and oil-gas analysis of high and steep structure in east Sichuan. Beijing: China University of Geosciences(Beijing), 2005. |
| [5] |
杨跃明, 文龙, 罗冰, 等. 四川盆地达州-开江古隆起沉积构造演化及油气成藏条件分析. 天然气工业, 2016, 36(8): 1-10. YANG Y M, WEN L, LUO B, et al. Sedimentary tectonic evolution and reservoir-forming conditions of the Dazhou-Kaijiang paleouplift, Sichuan Basin. Natural Gas Industry, 2016, 36(8): 1-10. |
| [6] |
何登发, 谢晓安. 中国克拉通盆地中央古隆起与油气勘探. 勘探家, 1997, 2(2): 11-19. HE D F, XIE X A. Petroleum exploration in central paleo-uplifts of Cratonic basins in China. Petroleum Explorationist, 1997, 2(2): 11-19. |
| [7] |
魏国齐, 杨威, 刘满仓, 等. 四川盆地大气田分布、主控因素与勘探方向. 天然气工业, 2019, 39(6): 1-12. WEI G Q, YANG W, LIU M C, et al. Distribution rules, main controlling factors and exploration directions of giant gas fields in the Sichuan Basin. Natural Gas Industry, 2019, 39(6): 1-12. |
| [8] |
马新华, 杨雨, 文龙, 等. 四川盆地海相碳酸盐岩大中型气田分布规律及勘探方向. 石油勘探与开发, 2019, 46(1): 1-13. MA X H, YANG Y, WEN L, et al. Distribution and exploration direction of medium and large-sized marine carbonate gas fields in Sichuan Basin, SW China. Petroleum Exploration and Development, 2019, 46(1): 1-13. |
| [9] |
李文正, 张建勇, 李浩涵, 等. 鄂西-渝东地区克拉通内裂陷分布特征及油气勘探意义. 天然气地球科学, 2020, 31(5): 675-685. LI W Z, ZHANG J Y, LI H H, et al. Distribution characteristics of intracratonic rift and its exploration significance in western Hubei and eastern Chongqing area. Natural Gas Geoscience, 2020, 31(5): 675-685. |
| [10] |
洪海涛, 田兴旺, 孙奕婷, 等. 四川盆地海相碳酸盐岩天然气富集规律. 中国地质, 2020, 47(1): 99-110. HONG H T, TIAN X W, SUN Y T, et al. Hydrocarbon enrichment regularity of marine carbonate in Sichuan Basin. Geology in China, 2020, 47(1): 99-110. |
| [11] |
倪新锋. 叠合盆地构造-层序岩相古地理演化及成藏效应. 成都: 成都理工大学, 2007. NI X F. The evolution of tectonic sequence-based lithofacies paleogeography and its significance of accumulation of superimposed basins. Chengdu: Chengdu University of Technology, 2007. |
| [12] |
刘树根, 孙玮, 李智武, 等. 四川叠合盆地海相碳酸盐岩油气分布特征及其构造主控因素. 岩性油气藏, 2016, 28(5): 1-17. LIU S G, SUN W, LI Z W, et al. Distribution characteristics of marine carbonate reservoirs and their tectonic controlling factors across the Sichuan superimposed basin. Lithologic Reservoirs, 2016, 28(5): 1-17. |
| [13] |
梁东星, 胡素云, 古志东, 等. 四川盆地开江古隆起形成演化及其对天然气成藏的控制作用. 天然气工业, 2015, 35(9): 35-41. LIANG D X, HU S Y, GU Z D, et al. Formation and evolution process of Kaijiang paleohigh in the Sichuan Basin and its controlling effects on gas pool formation. Natural Gas Industry, 2015, 35(9): 35-41. DOI:10.3787/j.issn.1000-0976.2015.09.005 |
| [14] |
陈洪德, 张成弓, 黄福喜, 等. 中上扬子克拉通海西-印支期(泥盆纪-中三叠世)沉积层序充填过程与演化模式. 岩石学报, 2011, 27(8): 2282-2298. CHEN H D, ZHANG C G, HUANG F X, et al. Filling process and evolutionary model of sedimentary sequence of Middle-Upper Yangtze craton in Hercynian-Indosinian(Devonian-Middle Triassic). Acta Petrologica Sinica, 2011, 27(8): 2282-2298. |
| [15] |
李爱国, 易海永, 汪福勇, 等. 渝东下石炭统河洲组的分布及其对油气运移的影响. 天然气勘探与开发, 2001, 24(4): 23-27. LI A G, YI H Y, WANG F Y, et al. The distribution of the Lower Carboniferous Hezhou Formation in the eastern Chongqing and its effect on oil and gas migration. Natural Gas Exploration and Development, 2001, 24(4): 23-27. DOI:10.3969/j.issn.1673-3177.2001.04.004 |
| [16] |
范慧达. 四川盆地东北部古隆起的构造演化与成因机制. 北京: 中国地质大学(北京), 2018. FAN H D. Tectonic evolution and formation mechanism of paleouplift in the northeastern Sichuan Basin. Beijing: China University of Geosciences(Beijing), 2018. |
| [17] |
张超. 四川盆地东部开江古隆起形成与演化. 北京: 中国石油大学, 2016. ZHANG C. The formation and evolution of Kaijiang paleo-uplift in eastern Sichuan Basin. Beijing: China University of Petroleum, 2016. |
| [18] |
韩克猷. 川东开江古隆起大中型气田的形成及勘探目标. 天然气工业, 1995, 15(4): 1-5. HAN K Y. Formation and exploration targets of large and medium gas fields in the Kaijiang paleo-uplift in east Sichuan. Natural Gas Industry, 1995, 15(4): 1-5. DOI:10.3321/j.issn:1000-0976.1995.04.015 |
| [19] |
文华国, 郑荣才, 沈忠民, 等. 四川盆地东部黄龙组古岩溶地貌研究. 地质论评, 2009, 55(6): 816-827. WEN H G, ZHENG R C, SHEN Z M, et al. Study on the Carboniferous palaeokarst landform in eastern Sichuan Basin. Geological Review, 2009, 55(6): 816-827. DOI:10.3321/j.issn:0371-5736.2009.06.006 |
| [20] |
陈宗清. 扬子区石炭纪黄龙期沉积相. 沉积学报, 1990, 8(2): 23-31. CHEN Z Q. Huanglong sedimentary facies in the Yangtze regoin. Acta Sedimentologica Sinica, 1990, 8(2): 23-31. |
| [21] |
胡忠贵, 郑荣才, 文华国, 等. 渝东-鄂西地区黄龙组层序-岩相古地理研究. 沉积学报, 2010, 28(4): 696-705. HU Z G, ZHENG R C, WEN H G, et al. Sequence-lithofacies paleogeographic study on Huanglong Formation in eastern Chongqingwestern Hubei area. Acta Sedimentologica Sinica, 2010, 28(4): 696-705. |
| [22] |
李伟, 张志杰, 党录瑞, 等. 四川盆地东部上石炭统黄龙组沉积体系及其演化. 石油勘探与开发, 2011, 38(4): 400-408. LI W, ZHANG Z J, DANG L R, et al. Depositional systems and evolution of the Upper Carboniferous Huanglong Formation in the eastern Sichuan Basin. Petroleum Exploration and Development, 2011, 38(4): 400-408. |
| [23] |
文华国, 郑荣才, 沈忠民. 四川盆地东部黄龙组碳酸盐岩储层沉积-成岩系统. 地球科学-中国地质大学学报, 2011, 36(1): 111-121. WEN H G, ZHENG R C, SHEN Z M. Sedimentary-diagenetic systems of Carbonatite reservoirs in the Huanglong Formation, eastern Sichuan Basin. Earth Science-Journal of China University of Geosciences, 2011, 36(1): 111-121. |
| [24] |
王坤, 李伟, 王东坤. 四川盆地东部石炭系黄龙组潮汐沟道发育特征及对优质储层展布的控制作用. 海相油气地质, 2014, 19(1): 19-26. WANG K, LI W, WANG D K. Development and control on reservoir distribution of tidal channels in Carboniferous Huanglong Formation in the east of Sichuan Basin. Marine Origin Petroleum Geology, 2014, 19(1): 19-26. DOI:10.3969/j.issn.1672-9854.2014.01.003 |
| [25] |
郑荣才, 彭军, 高红灿. 渝东黄龙组碳酸盐岩储层的古岩溶特征和岩溶旋回. 地球化学, 2003, 31(1): 28-35. ZHENG R C, PENG J, GAO H C. Palaeokarst-related characteristics and cycles of carbonate reservoirs in Huanglong Formation, Upper Carboniferous, eastern Chongqing. Geology Geochemistry, 2003, 31(1): 28-35. DOI:10.3969/j.issn.1672-9250.2003.01.005 |
| [26] |
陈浩如, 郑荣才, 文华国. 南大巴山前缘黄龙组储层特征. 岩性油气藏, 2010, 22(2): 62-68. CHEN H R, ZHENG R C, WEN H G. Reservoir characteristics of Huanglong Formation in the margin of southern Daba Mountain. Lithologic Reservoirs, 2010, 22(2): 62-68. |
| [27] |
夏文谦. 川东南北部石炭系黄龙组储层地质特征及储层预测研究. 成都: 成都理工大学, 2011. XIA W Q. The reservoir geological characteristics and reservoir prediction of Carboniferous Huanglong Formation in north of southeastern Sichuan Basin. Chengdu: Chengdu University of Technology, 2011. |
| [28] |
胡明毅, 邓猛, 胡忠贵, 等. 四川盆地石炭系黄龙组储层特征及主控因素分析. 地学前缘, 2015, 22(3): 310-321. HU M Y, DENG M, HU Z G, et al. Reservoir characteristics and main control factors of the Carboniferous Huanglong Formation in Sichuan Basin. Earth Science Frontier, 2015, 22(3): 310-321. |
| [29] |
张兵, 郑荣才, 王绪本, 等. 四川盆地东部黄龙组古岩溶特征与储集层分布. 石油勘探与开发, 2011, 38(3): 257-267. ZHANG B, ZHENG R C, WANG X B, et al. Paleokarst and reservoirs of the Huanglong Formation in eastern Sichuan Basin. Petroleum Exploration and Development, 2011, 38(3): 257-267. |
| [30] |
郑博, 曹竣峰. 重庆马槽坝-黑楼门地区上石炭统黄龙组白云岩储层类型及其控制因素. 沉积与特提斯地质, 2014, 34(2): 98-103. ZHENG B, CAO J F. Types and controls on the dolostone reservoirs in the Upper Carboniferous Huanglong Formation, MacaobaHeiloumen region, Chongqing. Sedimentary Geology and Tethyan Geology, 2014, 34(2): 98-103. |
| [31] |
陈宗清. 川东石炭系地层-构造复合圈闭气藏的预测、分类与评价. 石油学报, 2000, 21(3): 25-30. CHEN Z Q. Forecast, classification and assessment for gas reservoirs of Carboniferous stratigraphic-structural combination traps in eastern Sichuan. Acta Petrolei Sinica, 2000, 21(3): 25-30. |
| [32] |
谌卓恒, 金之钧, 陈子恩, 等. 川东石炭系天然气成藏组合总体特征预测. 石油勘探与开发, 1996, 23(6): 12-15. SHEN Z H, JIN Z J, CHEN Z E, et al. Prediction of the number and size distribution of gas fields of eastern Sichuan Carboniferous gas play. Petroleum Exploration and Development, 1996, 23(6): 12-15. |
| [33] |
李伟, 张志杰, 汪洋, 等. 川东石炭系尖灭带天然气聚集特征与勘探潜力. 中国石油勘探, 2015, 20(2): 9-17. LI W, ZHANG Z J, WANG Y, et al. Characteristics and exploration potential of natural gas accumulations in Carboniferous Pinchout belts in east Sichuan. China Petroleum Exploration, 2015, 20(2): 9-17. |
| [34] |
李伟, 张志杰, 邹才能, 等. 川东石炭系天然气成藏地质条件再认识及其勘探潜力预测. 天然气工业, 2010, 30(12): 20-24. LI W, ZHANG Z J, ZOU C N, et al. Restudy of geologic conditions and prediction of exploration potential in the Carboniferous gas reservoirs of the eastern Sichuan Basin. Natural Gas Industry, 2010, 30(12): 20-24. |
| [35] |
邹才能, 徐春春, 李伟, 等. 川东石炭系大型岩性地层气藏形成条件与勘探方向. 石油学报, 2010, 31(1): 18-24. ZOU C N, XU C C, LI W, et al. The formation conditions and exploration targets of large Carboniferous lithologic and stratigraphic gas pools in the eastern Sichuan Basin. Acta Petrolei Sinica, 2010, 31(1): 18-24. |
| [36] |
黄福喜. 中上扬子克拉通盆地沉积层序充填过程与演化模式. 成都: 成都理工大学, 2011. HUANG F X. Filling process and evolutionary model of sedimentary sequence in middle-upper Yangtze cratonic basin. Chengdu: Chengdu University of Technology, 2011. |
| [37] |
黄涵宇, 何登发, 李英强, 等. 四川盆地及邻区二叠纪梁山-栖霞组沉积盆地原型及其演化. 岩石学报, 2017, 33(4): 1317-1337. HUANG H Y, HE D F, LI Y Q, et al. The prototype and its evolution of the Sichuan sedimentary basin and adjacent areas during Liangshan and Qixia stages in Permian. Acta Petrologica Sinica, 2017, 33(4): 1317-1337. |
| [38] |
王文飞. 四川盆地中二叠统地层分布规律及地质意义. 成都: 西南石油大学, 2015. WANG W F. Distribution and geological significance of Middle Permian in Sichuan Basin. Chengdu: Southwest Petroleum University, 2015. |
| [39] |
万云强, 黄捍东, 陈明剑, 等. 石柱区北部石炭系黄龙组沉积特征及储层预测. 西北大学学报(自然科学版), 2006, 36(增刊1): 22-24. WAN Y Q, HUANG H D, CHEN M J, et al. Depositional feature and reservoirs prediction of the Carboniferous Huanglong Formation in the northern Shizhu area. Journal of Northwest University(Natural Science Edition), 2006, 36(Suppl 1): 22-24. |
| [40] |
刘振峰. 油气地震地质模型述评. 岩性油气藏, 2018, 30(1): 19-29. LIU Z F. Review on oil and gas seismogeology models. Lithologic Reservoirs, 2018, 30(1): 19-29. |
| [41] |
肖开华, 刘彦. 鄂西-渝东区石炭系油气成藏影响因素及富集规律. 西北大学学报(自然科学版), 2002, 32(1): 60-64. XIAO K H, LIU Y. The factors affecting the hydrocarbon reservoir formation and its enrichment regularity in Carboniferous in western Hubei and eastern Chongqing. Journal of North west University(Natural Science Edition), 2002, 32(1): 60-64. |
| [42] |
陈学辉, 张毅. 鄂西建南地区天然气勘探成果认识与勘探目标. 江汉石油职工大学学报, 2006, 19(4): 10-12. CHEN X H, ZHANG Y. Understanding on the fruit of hydrocarbon exploration and exploration target in Jiannan region of western Hubei. Journal of Jianghan Petroleum University of Staff and Workers, 2006, 19(4): 10-12. |
2021, Vol. 33


