| 钇基稀土对51CrV4弹簧钢冲击韧性的影响 |
1b. 江西理工大学,材料科学与工程学院,江西 赣州 341000;
2. 方大特钢科技股份有限公司,南昌 330012
1b. Jiangxi University of Science and Technology, School of Materials Science and Engineering, Ganzhou 341000, China;
2. Fangda Special Steel Technology Co. Ltd., Nanchang 330012, China
弹簧钢是缓解车辆行走过程中震动和冲击的重要零件,近些年,我国对车用弹簧钢的需求量越来越大,且对其综合性能的要求越来越高[1].弹簧钢在反复的拉、压、冲击、疲劳等恶劣环境下工作,需要其具备良好的组织均匀性、淬透性和力学性能[2]. 51CrV4弹簧钢由于其高强度、高塑性和韧性等特征,而被广泛用于交通装备弹簧中[3].
目前在钢中加入稀土从而优化其性能是热门研究课题.其中,关于轻稀土改善钢材的冲击性能的研究相对较多.一部分学者认为稀土对夹杂物的改性或微合金化的单一作用是优化冲击韧性的主要原因.刘晓等[4]研究得出,Ce可以改善2Cr13不锈钢中夹杂物大小形貌,使其分布的更加均匀,同时这些细小球状弥散的稀土夹杂物使断裂方式由解理断裂变为准解理+韧窝型断裂,从而优化了钢材的冲击性能.杨吉春等[5-6]认为,在X80钢中稀土Ce主要通过微合金化改善钢材的冲击性能:Ce可以细化晶粒,推动铁素体向针状发展,延长晶界,抑制贝氏体组织形成,使粒贝更加弥散分布;而在IF钢中,稀土提高钢材冲击韧性的主要原因,是稀土改善了夹杂物的形貌、性质及分布.也有学者认为稀土优化冲击性能是夹杂物改性和微合金化双重作用的结果.岳丽杰等[7]研究发现,在Cu-P耐候钢中加入稀土La和Ce,可以净化晶界、强化晶界,同时,稀土通过对夹杂物的细化、球化及弥散作用,使耐候钢从解理断裂向韧窝断裂转变,从而改善冲击性能.
关于重稀土钇在钢中的作用及机理,部分学者也有所研究.吴春红[8]的研究结果表明,在E36钢中添加钇基稀土后,铸坯表面的横裂纹、纵裂纹都得到了很好的改善;钢中的气体含量有效降低;铸坯的中心偏析得到有效的改善;晶粒和组织得到细化;夹杂物由不规则变质为规则球状.彭园龙等[9]研究表明,重稀土钇对51CrV4弹簧钢夹杂物改性明显,大型夹杂物被球化和细化,生成的稀土复合夹杂物尺寸在2~4 μm,并且呈规则球状.习小军等[10]研究得出,钇基稀土可以减小E36船板钢珠光体组织片间距和含量,并且使珠光体表现为退化态,钢中主要夹杂即长条状的硫化锰夹杂消失,生成大量细小球状稀土夹杂,从而改善船板钢低温冲击韧性以及优化横、纵冲击间差异.
采用钇基重稀土处理51CrV4弹簧钢,并对比稀土添加前后冲击韧性的差异,提出稀土改善冲击韧性的作用机理.
1 试验材料与方法试验用钢取自南方某钢厂生产的51CrV4弹簧钢板,试验用钢的化学成分如表 1所列.
| 表 1 51CrV4弹簧钢的化学成分/(质量分数,%) Table 1 Chemical composition of 51CrV4 spring steel /(mass fraction, /%) |
![]() |
| 点击放大 |
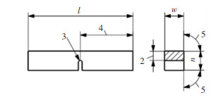
对弹簧钢的热轧板进行淬火与回火实验,淬火温度设为860 ℃,保温50 min后进行油淬;回火温度450 ℃,保温40 min后进行空冷.冲击实验在PTM1500-B1Z型液晶氏铸铁摆锤冲击试验机上进行,按GB/T229-2007加工成U5型试样,如图 1和表 2所示,测量纵向冲击功.每个产品做3次重复试验,冲击功取平均值.
![]() |
| 图 1 夏比冲击试样u型缺口 Fig. 1 Charpy pendulum impact test piece of U-notch geometry |
| 表 2 试样的尺寸与偏差 Table 2 Tolerances on specified test piece dimensions |
![]() |
| 点击放大 |
样品经打磨抛光后,用4%的硝酸酒精腐蚀,借助配有牛津能谱探头的蔡司Sigma型场发射扫描电镜,观察轧向微观组织形貌、夹杂物及断口形貌.
2 试验结果与分析 2.1 冲击试验结果由表 3中数据可知,钇基稀土的添加明显地优化了51CrV4弹簧钢的冲击性能,其纵向冲击功由8.704 J提高至14.695 J,提升了68.8%.
| 表 3 稀土添加前后的纵向冲击功对比(3次平行试验)/J Table 3 Comparison of impact energy before and after mixing rare earth addition (3 parallel tests) |
![]() |
| 点击放大 |
2.2 钇基稀土对51CrV4弹簧钢组织的影响
经热处理后,弹簧钢组织均为回火屈氏体,但碳化物的形貌和分布有所不同. 图 2所示为51CrV4弹簧钢添加前后回火组织形貌对比图.如图 2(a)所示,51CrV4弹簧钢组织中马氏体板条明显,在马氏体板条边界存在大量片状和细粒状θ碳化物,且片状碳化物呈连续网状分布;由图 2(b)所示,RE-51CrV4弹簧钢组织中网状片状碳化物被中断,且碳化物出现球化,马氏体板条特征有所消失,碳化物分布更加弥散.片层状的碳化物在受力时会使基体产生很大的应力集中,所以片层状碳化物更易断裂或产生微裂纹,而连续分布的碳化物更有利于裂纹沿着碳化物扩展[11];碳化物的弥散分布和球化均能降低受力时的应力集中,使冲击过程中的微裂纹启裂功升高[12].另一方面,稀土可以强化奥氏体基体,有利于碳化物在后续的热处理过程中溶解、团聚、粒化和均匀分布,从而抑制显微裂纹扩展[13].故钇基稀土的添加明显提升了热处理后51CrV4弹簧钢的冲击韧性.
![]() |
| 图 2 组织形貌(SEM) Fig. 2 Microstructure and morphology (SEM) |
2.3 钇基稀土对51CrV4弹簧钢夹杂物影响
图 3所示为51CrV4弹簧钢添加前后夹杂物形貌及能谱分析. 51CrV4弹簧钢中存在很多类似图 3(a)中的Al2O3复合夹杂,这类夹杂物为脆性夹杂,熔点和硬度均较高,在轧制过程中不易变形,在外力作用下易破碎为带棱角的小夹杂,易产生应力集中,成为裂纹源.稀土钢中夹杂物可分为3种,分别是稀土氧化物、稀土硫化物和稀土复合夹杂,稀土变质后的夹杂物硬度更低,熔点较高,形状为球状或类球状,其热膨胀系数和弹性模量与钢基体接近,不易产生应力集中[14]. 图 3(b)中夹杂为稀土复合夹杂,形状为球状.钇基稀土的添加使Al2O3复合夹杂变质为硬度更低的、球状稀土复合夹杂,从而改善了51CrV4弹簧钢的冲击韧性.
![]() |
| 图 3 夹杂物形貌及能谱 Fig. 3 Morphology and EDX of inclusions |
2.4 钇基稀土对51CrV4弹簧钢断口形貌的影响
图 4所示为51CrV4弹簧钢添加稀土前后的冲击断口扫描形貌对比图,图 5所示为RE-51CrV4弹簧钢断口中夹杂物及其能谱.如图 4(a)所示,热处理后51CrV4断口形貌为典型的准解理断口,表现为撕裂棱和韧窝.如图 4(b)所示,热处理后RE-51CrV4断口形貌为典型的韧性断裂,存在大量韧窝,且团聚现象明显,在韧窝处有大量细小夹杂物,在夹杂物和韧窝之间存在较大的空隙,说明在断裂过程中发生了塑性变形.经能谱分析,韧窝处的夹杂物为稀土复合夹杂.
![]() |
| 图 4 冲击断口形貌 Fig. 4 Impact fracture morphology |
![]() |
| 图 5 RE-51CrV4弹簧钢断口中夹杂物及其能谱 Fig. 5 Morphology and EDX of inclusions from impact fracture morphology of RE-51CrV4 spring steel |
Al2O3复合夹杂在受力过程中极易破碎,这些碎小的夹杂物与钢基体结合性较差,在冲击过程中,应力集中于裂纹的尖端,产生的塑性变形很小,导致裂纹扩展的速度非常快[6].而稀土夹杂物近似球状且在冲击过程中不易变形,可以缓解裂纹扩展时产生的应力集中,阻碍了裂纹扩展[15].同时,稀土的添加使试验钢的硫含量由0.003 0%降至0.001 6%(如表 1所列),且稀土优先在晶界处偏聚,有效减少了硫元素在晶界处的偏析,净化晶界并提高了晶界强度,由沿晶断裂向穿晶断裂过渡,提高了钢材的冲击韧性[16].稀土元素能提升夹杂物和晶界抵抗裂纹形成和扩展的能力[17].
3 结论1)钇基稀土促进了51CrV4弹簧钢回火组织中碳化物的球化,阻碍了网状碳化物的生成,使其分布更加弥散.钇基稀土对钢中夹杂物有很好的改性作用,脆性Al2O3复合夹杂物被变质为稀土复合夹杂,更加球化和细化.这些改变均有利于弹簧钢冲击韧性的优化.
2)钇基稀土的添加明显改善了51CrV4弹簧钢的冲击韧性,纵向冲击功提升了68.8%;断裂方式由脆性断裂转变为韧性断裂,在韧窝处存在大量的细小弥散的稀土复合夹杂,稀土对夹杂物的变质作用是其转变的主要原因.
| [1] |
尹振江, 罗迪强, 李红卫, 等. 60Si2Mn弹簧钢高温塑性研究[J].
江西冶金, 2017, 37(4): 5–9.
DOI: 10.3969/j.issn.1006-2777.2017.04.002.
|
| [2] |
罗迪强, 赖朝彬, 彭园龙, 等. 51CrV4弹簧钢相变规律研究[J].
有色金属科学与工程, 2016, 7(5): 61–66.
|
| [3] |
罗迪强, 谢飞鸣, 汪志刚, 等. 高品质弹簧钢51CrV4的高温塑性研究[J].
材料导报, 2016, 30(12): 90–94.
|
| [4] |
刘晓, 杨吉春. 高学中稀土对2Cr13不锈钢夹杂物的变质及对冲击韧性的影响[J].
工程科学学报, 2010, 32(5): 605–609.
|
| [5] |
杨吉春, 曹晓恩, 杨昌桥, 等. 稀土Ce对X80钢低温冲击韧性的影响[J].
稀土, 2013, 34(2): 1–5.
|
| [6] |
杨吉春, 杨昌桥, 贾利涛. 铈对IF钢冲击韧性的影响[J].
稀土, 2014, 35(3): 19–22.
|
| [7] |
岳丽杰, 汪磊丽, 王龙妹. 微量稀土对洁净耐候钢力学性能的影响[J].
稀土, 2014, 35(6): 20–26.
|
| [8] |
吴春红, 孙乐飞, 赖朝彬, 等. 钇基稀土处理对E36铸坯夹杂物的影响[J].
钢铁钒钛, 2016, 37(5): 139–146.
|
| [9] |
尹振江, 彭园龙, 蔡茜娜, 等. 钇基稀土对51CrV4弹簧钢夹杂物影响[J].
有色金属科学与工程, 2017, 8(4): 26–30.
|
| [10] |
习小军, 赖朝彬, 李京社, 等. 钇基稀土对E36钢板显微组织及冲击性能的影响[J].
北京科技大学学报, 2017, 39(2): 244–250.
|
| [11] |
CUI Y X, WANG C L.
Fracture analysis[M]. Harbin: Harbin Institute of Technology Press, 1998: 73.
|
| [12] |
陈俊丹, 莫文林, 王培, 等. 回火温度对42CrMo钢冲击韧性的影响[J].
金属学报, 2012, 48(10): 1186–1193.
|
| [13] |
王仲钰. 稀土变质处理改善高锰钢性能[J].
新技术新工艺, 2001(1): 28–29.
DOI: 10.3969/j.issn.1003-5311.2001.01.016.
|
| [14] |
张芳, 杨吉春. 稀土元素镧对20钢组织和性能的影响[J].
特殊钢, 2009, 30(1): 63–65.
DOI: 10.3969/j.issn.1003-8620.2009.01.023.
|
| [15] |
LIU X, YANG J C, GAO X Z. Effects of RE on the inclusions and impact toughness of 2Cr13 stainless steel[J].
Journal of University of Science & Technology, 2010, 32(5): 605–609. |
| [16] |
YANG X, WU P, WU C, et al. Behavior of rare earth on modifying inclusion in special steel[J].
Journal of the Chinese Rare Earth Society, 2010, 28(5): 612–618. |
| [17] |
王龙妹. 稀土元素在新一代高强韧钢中的作用和应用前景[J].
中国稀土学报, 2004, 22(1): 48–54.
DOI: 10.3321/j.issn:1000-4343.2004.01.008.
|
2018, Vol. 9










