| 电沉积Ni-W-WC复合镀层摩擦磨损性能 |
2. 钨资源高效开发及应用技术教育部工程研究中心,江西 赣州 341000
2. Tungsten Resource Effective Development and Application Technology Engineering Research Center of The Ministry of Education, Ganzhou 341000, China
Ni-W合金镀层由于具有高硬度、良好耐磨性、耐腐蚀性以及一系列优良的光、电、磁效应等性质而作为代铬镀层[1],广泛应用于国民生产生活中诸多领域[2-3]. 复合电镀又称分散电镀、镶嵌电镀,是用电镀的方法使所需金属或合金微粒与镀层金属共沉积形成复合镀层,此方法沉积的镀层性能往往可以得到大幅度地提高[4-9]. 王晋春等[10]研究SiC纳米颗粒对Ni-W合金镀层组织及性能的影响,结果表明,随着SiC纳米颗粒的添加,镀层硬度有较大幅度地提高. 彭成章等[11]研究Al2O3纳米颗粒对Ni-P镀层的影响,结果表明,随着Al2O3纳米颗粒的添加,Ni-P镀层的减磨、耐磨、耐腐蚀性能会有较大幅度的提高. WC是一种黑色六方晶体,具有金属光泽的合金,硬度高,具有良好的导电,导热能力及耐腐蚀性. 其微粒作为硬质相掺杂进入镀层中形成复合镀层,孙万昌等[12]研究WC颗粒对Ni镀层性能的影响,结果表明,随着WC颗粒的添加,Ni镀层的硬度,耐磨性得到提高,同时切削性能也得到改善. 但是目前关于WC应用在Ni-W镀层中,改善合金镀层组织结构和性能的研究报道较少,对其强化机理方面的研究缺失.基于此,论文作者通过向Ni-W合金镀液中添加亚微米/微米级WC颗粒,系统研究WC颗粒对复合镀层组织结构及摩擦磨损性能的影响,并对其作用机理进行探讨.
1 实 验 1.1 基材预处理基材为紫铜片,尺寸为4 cm×3.5 cm.预处理流程:金相砂纸打磨→抛光→碱性除油→热水洗→自来水冲洗→蒸馏水淋洗→酸性除锈→冷水洗→超声波清洗→蒸馏水淋洗→活化→蒸馏水淋洗.
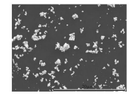
1.2 实验条件镀液配方及电沉积工艺参数如表 1所示,工艺参数:Dk=4 A/dm2,T=65 ℃,t=1 h;阳极材料为石墨.往基础镀液中分别添加浓度为0.5 g/L、1 g/L、1.5 g/L、2 g/L的WC颗粒(粉末粒度为0.8~2 μm),在扫描电镜下观察其微观形貌如图 1所示,研究WC添加量对复合镀层显微硬度及耐磨性的影响.
| 表1 电沉积Ni-W合金镀液配方 Table 1 Electroplating solution formula of Ni-W alloys |
![]() |
| 点击放大 |
![]() |
| 图 1 WC形貌观察 Fig. 1 Morphology observation of WC |
1.3 分析测试方法
样品制备完成后,制成金相试样,试样经王水深腐蚀后,TM3030扫描电子显微镜对合金试样的表面形貌进行观察,并用能谱分析镀层的化学成分,采用HSR-2M型高速往复摩擦磨损试验机对复合镀层的摩擦系数及磨痕深度进行测定,载荷为100 N,试验时间为30 min,同样测量4个位置取平均值;在XJP-100金相显微镜、LEO1450扫描电子显微镜和M21X型X射线衍射仪上观察分析Ni-W镀层的显微组织和物相组成.采用FM-ARS9000型显微硬度计测量镀层的显微硬度,载荷为300 g,加载时间10 s,在不同的位置测量3次取平均值.
2 结果与讨论 2.1 镀层的表面形貌结果分析图 2为添加亚微米/微米级WC颗粒前后合金镀层的表面形貌对比.
![]() |
| 图 2 添加WC前后镀层形貌对比 Fig. 2 Comparison of coating before and after adding WC particles |
由图 2可得,与添加WC的镀层相比,未添加WC镀层的表面形貌更加平坦,且表面存在近球形的胞状组织,而添加WC的镀层表面也出现同样的胞状组织,但是后者尺寸却远小于前者. 该胞状结构是在电沉积过程中通过不断地聚合实现累积长大的,在图 2(a)中所示胞状组织上做能谱分析可以证明这一点,分析结果如图 3所示. 这与电沉积的岛状生长理论相符,这种大晶胞的长大也间接地反应内部晶粒的长大[13-15]. 而添加WC后的镀层,由于微米级的WC颗粒仍然具有较大的表面能,可以明显看到表面一个个WC小颗粒团聚在一起,被镍钨镀层包裹在镀层内部. 并且胞状组织明显尺寸减小,说明WC颗粒弥散分布在基质中会产生明显的细化晶粒的作用.
![]() |
| 图 3 胞状组织能谱分析 Fig. 3 EDS of cellular structure |
2.2 镀层的显微硬度
添加WC后镀层表面显微硬度如图 4所示.观察曲线可以发现,与未添加WC的镀层比较,添加WC镀层表面的显微硬度得到明显提高. 且在一定范围内随着添加量的升高,硬度会逐渐增大,其原因为:在常温下WC颗粒作为第二相进入镀层中,在镀层中弥散分布,对镀层起到弥散强化的作用. 晶粒的大小和显微硬度满足Hall-Petch关系,镀层晶粒越细小,镀层显微硬度越大. 在一定范围内WC添加量越大,镀层晶粒尺寸减小,镀层硬度提高. 当WC添加量超过1 g/L时,随着添加量的增加,硬度随之降低,其原因为:WC属于导体,当其添加量过大时,引起镀层表面析氢现象严重,使镀层沉积速率减小,对镀层厚度产生不利影响,此外过量的WC颗粒在电沉积过程中容易发生团聚,使得硬质相长大,故硬度会有所降低.
![]() |
| 图 4 不同WC添加量下各镀层的显微硬度 Fig. 4 Microhardness of coatings with different addition of WC |
2.3 镀层的耐磨性能 2.3.1 镀层磨痕形貌
图 5为不同WC添加量下的磨痕显微形貌. 由图 5(a)可以发现在未添加WC的镀层,扫描电镜下观察表面犁沟明显,表现出明显的黏着磨损和磨粒磨损的特征,并且在磨痕周边可以清晰地看出镀层开裂现象. 由图 5(b)~(e)可以发现,在添加WC的镀层上,表面的犁沟数量大大减少,且在磨痕周边没有发现开裂现象,但是在添加量为2 g/L的镀层中,磨痕底部却出现开裂现象.
![]() |
| 图 5 不同WC添加量下各试样的磨痕显微形貌 Fig. 5 Morphologies of coatings with different addition of WC |
2.3.2 镀层的摩擦磨损性能
不同WC添加量下的镀层经摩擦磨损试验后摩擦系数如图 6所示. 从图 6可见,相同的条件下,未添加WC镀层的摩擦系数波动幅度较大,而添加WC镀层摩擦系数波动幅度较小,故添加WC镀层的摩擦性能相比未添加WC镀层更加稳定. 随着WC添加量的增加,摩擦系数均有先降低再升高的趋势. 其中在1 g/L的添加量下,摩擦系数最小,其摩擦性能最好.而当添加量增加到2 g/L时,摩擦至中后期,摩擦系数突然增加,结合磨损后表面形貌图,判断此时镀层已出现开裂现象. 在往复式摩擦磨损试验机上,测量试样摩擦磨损后的磨痕深度及磨痕宽度. 得出在不同WC添加量下的各试样磨痕深度和磨痕宽度数据如图 7所示.
![]() |
| 图 6 不同WC添加量下各试样的摩擦系数 Fig. 6 Friction coefficient of coatings with different addition of WC |
![]() |
| 图 7 不同WC添加量下各镀层的磨痕深度和磨痕宽度 Fig. 7 Wear scar depth and width of coatings with different addition of WC |
由图 7知,相同的磨损条件下,添加WC镀层的磨痕深度和宽度均小于未添加WC镀层的磨痕深度和宽度. 其中添加量为1 g/L 的镀层的磨痕深度和磨痕宽度最小.
图 8所示为各镀层的磨损体积损失与WC添加量的关系. 可见当添加量小于1 g/L时,磨损体积随着WC添加量的增加而减小,而当添加量大于1 g/L时,磨损体积随着WC添加量的增加而增加.其原因是:Ni-W-WC复合镀层中的WC微粒具有高硬度和热稳定性,可有效增强复合镀层的承载强度和屈服强度,使得复合镀层具有良好的机械摩擦学性能.当WC添加量大于1 g/L时,由于阴极析氢现象严重,阻碍 Ni-W合金在基体上沉积,对镀层的厚度产生不利影响,同时WC微粒的团聚也使得镀层的强度降低,使得镀层的耐磨性降低.
![]() |
| 图 8 不同WC添加量下各试样的磨损体积 Fig. 8 Wear volume loss for coatings with different addition of WC |
WC颗粒在镀层中弥散分布,通过细晶强化和高密度位错强化等作用提升镀层的硬度、强度和耐磨性. 常温下,镀层受到外力发生塑性变形时,镀层内部的WC微粒会对应力起到分散作用,使得应力不易集中;此外镀层在摩擦磨损的过程中 WC微粒周围的位错,作为位错钉扎点,阻止位错的进一步滑移,从而阻止裂纹的扩展. 这就是为什么未添加WC镀层的磨痕边缘会出现裂纹,而添加WC镀层的磨痕边缘不易出现裂纹的原因. 但是,在同时添加WC的试样中,随着WC添加量的增加,耐磨性能却呈现出先升高后降低的趋势. 分析原因:WC微粒属于硬质相,在复合镀层中,WC微粒具有高的硬度和稳定性,发挥着阻碍磨料对金属基质的磨损等抗磨作用,同时硬质颗粒可减轻甚至消除摩擦副之间的黏着磨损,有效地增强镀层的屈服强度和承受外加载荷的能力,故适量添加WC微粒可以有效增强复合镀层的耐磨性. 但是,WC属于导体,当WC微粒在溶液中添加过量后,电沉积过程中,WC微粒在阴极上的大量吸附会导致电流密度增大,从而引起阴极表面出现大量析氢的现象,使得镀层的沉积速率大幅度降低,对镀层的厚度产生不利的影响[16]. 同时,大量WC微粒在镀层中容易团聚,使得镀层的强度降低,故WC添加量为2 g/L时,试样的磨痕底部会出现裂纹现象. 在添加量小于1 g/L时,WC的弥散强化、高密度位错强化等作用起主导地位,而添加量大于1 g/L后,阴极的析氢现象和WC微粒的团聚等不利因素占据主导地位.
3 结 论1) Ni-W合金镀层为Ni基固溶体,W元素主要以置换固溶体形式存在Ni 晶格中.通过弥散强化作用,使得WC颗粒作为第二相分布在Ni-W合金镀层中,可以有效提升镀层的强度、硬度和耐磨性.
2) 随着WC添加量的增加,镀层性能呈现先升高后降低的现象,在添加量为1 g/L时,镀层与基体的结合状态良好,且镀层的力学性能达到最优,显微硬度Hv0.3为650左右.
3) WC添加量小于1 g/L时,WC的弥散强化作用占主导地位,当添加量大于1 g/L时,阴极的析氢现象占主导地位.
| [1] |
ELIAZA N, SRIDHARA T M, GILEADIB E. Synthesis and characterization of nickel tungsten alloys by electrodeposition[J].
Ele-ctrochimica Acta, 2005,50 (14):2893–2904. DOI: 10.1016/j.electacta.2004.11.038. |
| [2] | 陈天玉. 镀镍合金[M]. 北京: 化学出版社 , 2007 . |
| [3] | 侯铎, 施太和, 曾德智, 等.电镀钨合金镀层组性能及其耐腐蚀性能的研究[J]. 材料导报,2012,26 (5):12–15. |
| [4] |
SRIRAMAN K R, GANESH S R. Corrosion behavior of electrodeposited nanocrystalline Ni-W and Ni-Fe-W alloys[J].
Material Science and Engineering A, 2007,460 . |
| [5] |
CELIS J P, ROOS J R, BUELENS C, et al. Mechanism of electrolytic composite plating survery and trends[J].
Transcations of Institute of Metal Finishing, 1991,69 (4):133–139. |
| [6] |
FRANSAER J, CELIS J P, ROOS J R. Mechanism of composite electroplating[J].
Transcations of Institute of Metal Finishing, 1993,9 (16):97–100. |
| [7] |
HOVESTAD A, JANSSEN L J J. Electrochemical codeposition of inert particle in a metallic matrix[J].
Journal of Apply Electrohemistry, 1995,25 (6):519–527. DOI: 10.1007/BF00573209. |
| [8] | 杜克勤, 覃奇贤, 郭鹤桐.复合电沉积机理研究进展[J]. 电镀与精饰,1995,17 (6):21–25. |
| [9] | 冯秋元, 李廷举, 金俊泽.复合电镀机理研究及最新进展[J]. 稀有金属材料与工程,2007,36 (3):559. |
| [10] | 王晋春, 程旭东, 李丹红, 等.Ni-W-SiC纳米复合电镀工艺的研究[J]. 材料工程,2006 (3):25–28. |
| [11] | 彭成章, 朱玲玲.电沉积Ni-P/纳米Al2O3复合镀层的摩擦磨损与耐铝液侵蚀性能[J]. 中国有色金属学报,2010,20 (6):1177–1182. |
| [12] | 孙万昌, 侯冠群, 丁晋, 等.WC含量对Ni-WC复合镀层摩擦磨损性能的影响[J]. 热加工工艺,2014,43 (10):151–154. |
| [13] | 陈一胜, 张雪辉, 陈颢, 等.热处理对电沉积Ni-W合金镀层组织结构?硬度及耐蚀性能的影响[J]. 材料保护,2011,44 (4):43–45. |
| [14] |
WANG M, YANG Z, LIU D, et al. Synthesis and evaluation of pulse current and direct current electroplating Ni-W coatings on steel[J].
Rare Metal Materials and Engineering, 2012,41 (s2):707–710. |
| [15] | 陈颢, 羊建高, 李金辉, 等.电沉积晶态钨基合金镀层组织及磨损性能[J]. 粉末冶金材料科学与工程,2014,19 (4):553–558. |
| [16] | 王吉会, 尹玫.(Ni-P)-WC纳米微粒复合电镀的研究[J]. 电镀与精饰,2005,27 (1):1–3. |
2016, Vol. 7










