| 磁场对镍基 Ni-Mn-Ga 铁磁合金相变温度影响的热力学分析 |
2. 江西理工大学机电工程学院,江西赣州 341000
2. School of Mechanic and Electronic Engineering, Jiangxi Univers ity of Science and Technology, Ganzhou 341000, China
镍基铁磁合金作为一种新型的软磁材料,正在许多领域内得到日益广泛的应用,如作为传感器的 NiMnGa、NiFeGa、NiCoA1、NiFeMnGa、NiFeCoGa 等磁致伸缩材料[1-4].然而,和实际应用密切相关的一个重要问题是镍基铁合金相变温度受磁场影响的问题.为此,通过测定Ni-Mn-Ga 镍基铁磁合金在磁场中相变温度的改变,并根据铁磁学的有关原理进行热力学计算分析,从中了解自由能差为相变驱动力对母相和马氏体相自由能相等时的平衡温度的影响;同时结合对化学自由能和弹性应变能是可逆性及塑性应变能的不可逆性过程的分析,以期找到马氏体与母相之间的化学自由能变化与温度之间的某种联系,这有可能为弄清磁场影响镍基铁磁合金相变温度的物理机制,以及为如何通过合金化而研究和开发出具有磁致伸缩效应的性能优异的镍基铁磁合金提供理论依据.
1 实验方法 1.1 试样制备实验采用常用的镍基铁磁合金Ni-Mn-Ga 作为试样.
首先,将Ni52MN24Ga23多晶试样制作成尺寸为3 mm×3 mm×3 mm 的小块作为磁化曲线测量备用.其次,电阻-温度关系测量,相变样品采用Ni52MN24Ga23多晶,试样尺寸为80 mm×2 mm×0.8 mm.由于钮扣锭尺寸限制,我们将同一成分的两个40 mm 长试样通过银焊连接起来而得.最后,示差扫描量热法热分析测量样品使用10 mg 左右的合金碎屑.
1.2 检测方法试样称重后,采用振动磁强计(VSM)测量试样的磁化曲线.
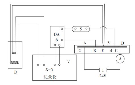
电阻-温度关系测量,采用四端电阻法,实验电路如图 1 所示.试样的AD 两端通以恒定的24 V 电压,电阻变化则通过BC 两端的电流来显示.电压测量电路中串联入一电位差计,调节其输出电势以抵消BC段试样起始的电位降,这是为了提高温度变化时BC段试样上电阻变化引起的电位降变化的灵敏度.
![]() |
| 1.稳压电源;2.试样;3.热电偶;4.加热炉;5.电位差计;6.放大器;7.记录仪;8.冷端 图 1 四端电阻法实验电路图 |
试样由电炉加热,冷却时采用断电随炉冷却到室温的方法.分别在试样的两端不加磁场和加0.7 T的直流磁场状态下进行冷却.在试样中部E 处点焊上热电偶,用冰水混合物保持冷端温度0 ℃.通过X-Y记录仪的X 端来测量温度变化时热电偶所产生的电压变化,显示了试样的温度.通过X-Y 记录仪的Y 端来记录温度变化时BC 段试样由于电阻变化而产生的电流变化.
X-Y 记录仪的X、Y 端都取0.5 mA/cm 档,放大器放大倍数为3.
热分析实验设备为日本TITC 株式会社产2910 型 Modulated DSC 分析仪,加热/ 冷却速率为10 K/ min.
2 实验结果Ni52MN24Ga23多晶试样的磁化曲线见图 2.
![]() |
| 图 2 试样的磁化曲线 |
Ni52MN24Ga23多晶试样的电阻-温度关系曲线图见图 3,电阻测量的温度范围为从室温至400 K 左右,再冷至室温.
![]() |
| 图 3 电阻-温度关系曲线图 |
由于马氏体相变及其逆相变的开始和终了温度 Ms、Mf、As和Af应分别对应于曲线与直线的切点.从实验结果来看,在磁场冷却状态下相变温度升高了约1.5 K,具有明显的磁场影响特征.
Ni52MN24Ga23多晶试样的热分析其热焓变化量为2.657×107 J/m3.
3 热力学分析根据马氏体相变热力学理论,在没有外磁场的情况下,马氏体相变的驱动力由化学自由能与非化学自由能提供[5].图 4 是母相和马氏体相自由能随温度变化规律的示意图[6],其中T0表示母相和马氏体相自由能相等时的平衡温度,由于要克服非化学自由能,马氏体相变需要过冷,发生相变这个温度即为马氏体相变的起始温度Ms, 在此温度下马氏体自由能与母相自由能之差△GP→M <0,即马氏体相具有较低的自由能时,母相才能转变为马氏体.这个自由能差称为相变驱动力(实际上是负值).为表示方便,一般所说的相变驱动力大小指其绝对值而言.马氏体逆相变需要在T0以上一个温度才开始,即图 4 中的As, 逆相变同样需要一定的驱动力,即△GM→P .
![]() |
| 图 4 马氏体相变中两相化学自由能随温度变化规律的示意图 |
马氏体相变时的非化学自由能或相变阻力主要包含应变能和界面能[7].马氏体相变驱动力的热力学公式可用式(1)表示:
|
(1) |
式(1)中,△GchemP→M (T) 是由相变而引起的化学自由能变化,△GstraP→M是伴随相变的弹性应变能,包括切变和膨胀应变能等,△GintP→M是伴随母相与马氏体相界迁移的界面能,包括摩擦、内耗等能量.
在从母相到马氏体的正相变和马氏体到母相的逆相变中,化学自由能和弹性应变能是可逆的,而塑性应变能是不可逆的[8].基于这3 项能量,可以得到总的自由能与温度变化关系的示意图 5.
![]() |
| 图 5 母相和马氏体相自由能随温度变化规律的示意图 |
假定马氏体与母相之间的化学自由能变化与温度呈线性关系(图 5),△GstraP→M +△GintP→M为常数,那么就可以利用相变开始温度Ms、逆相变结束温度Af和马氏体相变的热焓变化△H,求得非化学自由能项.
结合图 5,由式(1)△G=△GP→M (T)=△GchemP→M (T)+△Gnon-chemP→M(T)可知,
当T=T0(两相平衡温度)时,△GchemP→M (T0)=0,则△GP→M (T0)=△GchemP→M (T0)+△Gnon-chemP→M(T0)>0 未发生相变;当T=Ms(相变开始温度)时,△GP→M (MS)=0,有式(2):
|
(2) |
假定相变时,降温1 K 所发生的热焓变化量为△H/T0,那么相变点附近化学自由能与温度的变化关系可以近似用式(3)表示,即
|
(3) |
其中△H 是相变总的热焓变化量,其值可利用 Ni52MN24Ga23合金试样热分析得出,测试为2.657×107 J/m3,这与Chernenko 等[9]报导的Ni52.6MN24.4Ga23.0合金相变总的热焓变化量2.683×107 J/m3 比较一致.两相平衡温度T0可通过该合金的T0=(Ms+Af)/2 得到T0=320 K.那么由式(2)得
|
外加磁场后,磁场产生的静磁能对自由能的变化有较大的影响,因此在温度为T,外加磁场为H0时,自由能的表达形式可写为式(4):
|
(4) |
Shimizu[10]和Kakeshita 等[11]对Fe-Ni 合金磁场诱发马氏体相变研究表明,磁场对马氏体相变的影响不仅是由于Zeeman 效应,还有高磁场磁化率和磁致伸缩效应.对Ni52MN25Ga23合金(非Invar 合金),因其磁致伸缩率很低,后两种因素可忽略.因此,在磁场作用下,△Gmagnetic (H0) 是外磁场施加给试样的磁场能,其值用 
从图 2 的磁化曲线可知,对于Ni52MN24Ga23合金,当外加磁场为H0~0.7 T 时,该合金已达到饱和,磁能所产生的相变驱动力由外磁场施加给试样的磁场能提供.由于没有测定母相的磁化曲线,近似取相关文献[12]中所测得的Ni2MnGa 母相和马氏体相的磁化曲线,外磁场施加给马氏体相的磁场能为1.17×105 J/m3,外磁场施加给母相的磁场能为2.7×104 J/m3.由此可知相变时,磁场对试样增加的自由能改变为9×104 J/m3,见示意图 6.
![]() |
| 图 6 在磁场能作用下自由能随温度变化关系的示意图 |
从图 6 可见,由于外磁场降低了马氏体的自由能,根据几何关系可得
△ACT’∽ △DFT’
那么,有
|
而AC=DE(磁场作用前后,非化学自由能不改变),所以有
|
同时FT’∥ET,AC⊥DT’和ED⊥DT’,即
△DET0≌△ACT’ AT’=DT0
所以有

|
代入相应的数据,可得T’=321.59 K,则
T’-T0=1.59K,也即在Ms’时,△GchemP→M(T)+△Gmagnetic(H0)=△Gnon-chemP→M(T),有Ms’=Ms+1.59 K.所以得出结论,当外加磁场为H0~0.7 T 时,相变温度升高了约1.59 K,这与实验结果,Ni52MN24Ga23试样中发现的磁场作用下使相变温度出现了1.5 K 的升高比较吻合.由于 Ni52MN24Ga23试样塑性差而不能轧制,铸态合金难免存在织构,影响其磁性能;另外,实验过程中也会产生精度误差,测试相变温度与理论计算值有0.09 K偏差是能接受的.
4 结论(1)磁场对镍基铁磁合金相变温度有适当提高.试样在H0~0.7 T 时,Ni52MN24Ga23的相变温度提高了1.5 K.
(2)利用马氏体相变热力学理论,分析了磁场对镍基铁磁合金化学自由能和非化学自由能与温度的变化关系,建立了其作用的数理模型.
(3)通过测量磁化曲线、电阻-温度关系和热分析等手段,利用其实验结果,采用数理模型计算了磁场对镍基铁磁合金相变温度影响的大小,并与实验值基本吻合.
马氏体相变热力学为研究镍基Ni-Mn-Ga 铁磁合金在磁场中的相变影响提供了合适的计量方法.可供同类型的镍基铁磁合金在其它外加能量场分析判定相变温度改变时参考.
| [1] |
K. Oikawa, T. Ota, F. Gejima, et a1. Phase equilibria and phase transformations in new B2-type ferromagnetic shape memory alloys of Co-Ni-Ga and Co-Ni-A1 systems[J].
Mater. Trans., 2001, 42(11): 2472–2475. DOI: 10.2320/matertrans.42.2472. |
| [2] |
Z. H. Liu, J. L. Chen, H. N. Hu, et al. The influence of heat treatment on the magnetic and phase transformation properties of quaternary Heusler alloy Ni50Mn8Fe17Ga25 ribbons[J].
Scripta Mater., 2004, 51(10): 1011–1015. DOI: 10.1016/j.scriptamat.2004.07.005. |
| [3] |
K. Oikawa, T. Ota, Y. Sutou, et a1. Magnetic and martensitic phase transformation in a Ni54Ga27Fe19 alloy[J].
Mater. Trans., 2002, 43(9): 2360–2362. DOI: 10.2320/matertrans.43.2360. |
| [4] |
K. Oikawa, T. Ota, T. Ohmori, et a1. Magnetic and martensitic phase transtions in ferromagnetic Ni -Ga -Fe shape memory alloys[J].
Appl. Phys. Eett., 2002, 81(27): 5201–5203. |
| [5] | 徐祖耀, 李麟. 材料热力学:第 2 版[M]. 北京: 科学出版社 , 2000: 198. |
| [6] | 周如松. 金属物理(下)[M]. 北京: 高等教育出版社 , 1992: 131. |
| [7] | 徐祖耀. 马氏体相变与马氏体 :第 2 版[M]. 北京: 科学出版社 , 1999: 431-432. |
| [8] |
S. Zhang, P G. McCormick. Thermodynamic analysis of shape memory energy[J].
Acta Materialia, 2000, 48(12): 3081–3089. DOI: 10.1016/S1359-6454(00)00120-8. |
| [9] |
V. A. Chernenko, E. Cesari, V. V. Kokorin, et al. The development of new ferromagnetic shape memory alloys in Ni-Mn-Ga system[J].
Scripta Metallurgica et Materialia, 1995, 33(8): 1239–1244. DOI: 10.1016/0956-716X(95)00370-B. |
| [10] |
K. Shimizu, S. Kijima, Z. Yu. Magnetic field -induced martensitic tranformations in Fe-Ni-C invar and non-invar alloys[J].
Transactions of the Japan Institute of Metals, 1985, 26(9): 630–637. DOI: 10.2320/matertrans1960.26.630. |
| [11] |
T. Kakeshita, T. Saburi, K. Shimizu. Effects of hydrostatic pressure and magnetic field on martensitic transformations[J].
Materials Science and Engineering A, 1999, 273-275: 21–39. DOI: 10.1016/S0921-5093(99)00287-7. |
| [12] |
K. Ullakko, J. K. Huang, C. Kanter, et al. Large magnetic -field - induced strains in Ni2MnGa single crystals[J].
Appl. Phys. lett., 1996, 69(13): 1996–1968. |
2012, Vol. 3







