| SLon立环脉动高梯度磁选机在承钢黑山选钛厂的应用 |
SLon立环脉动高梯度磁选机是一种应用广泛的高效选矿设备,目前已在全国的黑色金属磁选和非金属矿物除铁中大量使用,获得很好的技术经济效果,为我国贫、细、杂的铁矿资源开发利用,提高非金属矿产品质量发挥了很大的作用;在钛铁矿选矿中的应用也越来越广泛,该类磁选机在承钢黑山选钛厂的应用就是又一实例[1]。
1 矿石性质 1.1 矿物组成承德钢铁公司黑山铁矿矿石类型为磁铁矿和钛铁矿为主的混合矿。其选钛厂的原料来自选铁后的尾矿。经镜下鉴定,原矿中的金属氧化物以钛铁矿和钛磁铁矿为主;同时有少量白钛矿、赤铁矿、褐铁矿;金属硫化物为黄铁矿、黄铜矿等;脉石矿物则以斜长石和绿泥石为主,还有少量石英、方解石、黑云母等;矿石嵌布粒度较细。其原矿的矿物组成及化学分析见表 1、表 2。
| 表 1 主要矿物含量 % |
![]() |
| 点击放大 |
| 表 2 原矿的化学成分 % |
![]() |
| 点击放大 |
1.2 矿物的物理性质
原矿主要矿物物理性质见表 3。由表 3可知,钛铁矿与主要脉石矿物绿泥石和斜方石在密度、导电性及磁性等方面有差异。从密度来看,采用重选方法可有效分离脉石矿物斜长石,绿泥石则较难分离;从磁性来看,采用强磁选可有效分离斜长石和绿泥石;从比电阻来看,钛铁矿与绿泥石和斜长石的比电阻差在8个数量级以上,可有效分选出钛铁矿。
| 表 3 主要矿物的物理性质 |
![]() |
| 点击放大 |
1.3 试样的粒度特性
由表 4可知,矿样中+0.4mm以上占28%,TiO2品位1.92%。金属分布率仅5.57%,因此考虑脱除0.4mm以上级别, 采用-0.4mm粒级入选[2-3]。
| 表 4 矿样粒度筛析结果 % |
![]() |
| 点击放大 |
2 SLon立环脉动高梯度磁选机探索试验
承德黑山选钛厂建厂时采用磁-浮工艺流程,未能获得46.5%TiO2合格钛精矿。以后虽然加入重选工艺,但还是未能获得46.5%TiO2合格钛精矿,只能生产少量低品位钛精矿。建厂一年来的生产, 磁选段磁选机不能充分弃除绿泥石提高磁选钛精矿品位,以致浮选精矿含绿泥石较多,浮选不能获合格钛精矿。鉴于SLon型立环脉动高梯度磁选机在攀枝花选钛厂、重庆太和铁矿强磁-浮选选钛工艺中的成功应用;承德黑山铁矿决定采用3台SLon-1750磁选机取代原有广州院SSS-Ⅱ双频脉冲立环湿式高梯度磁选机,以图解决其钛铁矿选矿技术难题。
为此,2004年开展了SLon磁选机的探索性磁选试验,考察SLon型磁选机选别性能。我们先在SLon-100周期式脉动高梯度磁选机上进行小型试验。试验矿样取自承德黑山铁矿,矿样颗粒较粗,原矿品位为TiO2 7.6%,矿样中含有强磁性矿物,故在试料进入磁选机前,需经过弱磁选,其尾矿再进强磁机,磁性产品经过0.15mm的筛子,筛上物返回球磨机,筛下物进强磁机选别,获得磁选精矿。两段强磁所用的介质均为Ø3mm棒介质,试验结果见表 5, 其数质量流程图见图 1。
| 表 5 SLon-100周期式脉动高梯度磁选机小型试验结果 % |
![]() |
| 点击放大 |
![]() |
| 图 1 数质量流程图 |
给矿品位为TiO2 7.60%,品位较低,在这样的品位条件下,能做到最终精矿品位TiO2 25.60%,产率17.81%,回收率59.99%。试验结果令人满意。
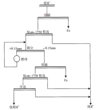
3 SLon立环脉动高梯度磁选机的工业应用根据小试结果,黑山选钛厂随即将三台SLon-1750磁选机取代原有磁选机,其中粗选采用二台SLon-1750磁选机, 精选一台。磁选粗精矿经磨矿筛分作业后,筛下矿先进Ø5m浓泥斗浓缩,再入一台SLon-1750磁选机精选得磁选精矿。磁精矿浓缩后经浮选一粗一扫五精作业,产出含TiO2大于46.5%的钛精矿,其生产工艺流程见图 2。
![]() |
| 图 2 黑山铁矿生产工艺流程 |
为保证钛收率,磁选机采用大电流高场强运行,场强为0.64~0.9T, 磁选机测试表明,当给矿品位为9.8%TiO2,精矿产率58.42%,品位为14%TiO2,回收率83.45%,尾矿品位为3.9%TiO2。
2005年4月份生产报表统计各项综合指标见表 6。
| 表 6 4月份现场综合指标 % |
![]() |
| 点击放大 |
由表 6可知一段磁选综合指标平均给矿9.26%TiO2时,获得精矿产率49.54%,品位14.62%TiO2,回收率78.22%;二段磁选给矿14.62%TiO2,精矿产率48.77%,品位24.14%TiO2,回收率80.53%。磁选总产率为24.16%,品位24.14%TiO2,总回收率为62.99%。结果与小试指标即总精矿产率17.81%, 品位25.60%TiO2,回收率59.99%(见表 5)相符, 说明SLon立环高梯度磁选机生产应用指标良好, 数据稳定可靠, 为浮选精选获得合格钛精矿创造了先决条件, 为确保全厂钛的回收率打下基础。
浮选是获得46.5%TiO2钛精矿的又一关键作业。经流程检测,现场精选给矿细度一般为0.18mm占70%~80%,有时仅65%,达不到小试时精选给矿细度-0.15mm占100%的要求,影响了精选效果,使浮选给矿品位达不到设计要求的28%TiO2。这种情况下,只有在浮选流程中将精一作业尾矿改为粗选浮选机,降低粗选酸量,适当降低浮选粗精钛品位,提高粗选钛收率;精选操作则采取逐步提高每次作业精矿品位原则,合理分配精矿富集比,发挥每次精选作业的作用,确保钛的回收率和精矿品位。
4 结语实践证明,强磁-浮选流程选别回收黑山钛铁矿指标好、流程短、投资低。SLon立环脉动高梯度磁选机以其优异的选矿性能和机电性能成功解决了钛铁矿选矿技术难题,达到了精矿品位≥46.5%TiO2的设计目标,确保了钛精矿作为生产钛白粉的优质原料。
| [1] |
熊大和. SLon型磁选机在齐大山选矿厂的应用[J].
金属矿山, 2002(4): 42–44.
|
| [2] |
勾树山, 石云良, 陈正学. 黑山钛铁矿工艺特性与选矿工艺流程试验研究[J].
金属矿山, 2001(9): 34–36.
|
| [3] |
王兆元. 从太和铁矿选铁尾矿中回收钛铁矿的工业试验研究[J].
江西有色金属, 2004(3): 16–18.
|
2005, Vol. 19


