| 电动天井爬罐在我矿的应用 |
爬罐法掘天井,国外已有几十年的历史。我国六十年代从瑞典引进了阿利玛克风动爬罐,仅在少数矿山使用,尚未全面推广,至于电动天井爬罐,则是首次应用。我矿1985年从杨家杖子矿务局购进一台TD—1.6 × 1.6型电动爬罐,试验掘进了两条总长达98米的天井,效果明显,掘进效率比支柱法及吊罐法高1~3倍。其主要技术经济指标如表 1。
| 表 1 主要技术经济指标 |
![]() |
| 点击放大 |
现就如何使用好电动爬罐谈几点看法:
一 培训人员是电动胆罐推广的重要环节电动天井爬罐的应用,是一项新的工作,要用好这种新设备,并取得较好的效果,没有对操作人员的全面技术培训和严格的考核,是不可能的。设备要人来掌握,为了尽快提高操作人员素质,做好新技术推广工作,我矿采取技术人员现场跟班指导和举办短期训练班相结合,使操作人员了解设备性能,掌握操作要领和事故处理方法,是电动爬罐顺利推广的重要环节。
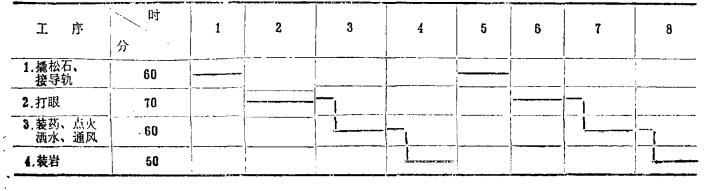
二 改进劳动组织,加强各工序之间的紧密配合与协作采取综合劳动组织形式,全组共5人,其中,凿岩爆破工2人, 装运工3人,负责装运矿石、安设导轨,并兼维修工作。电动爬罐法掘进天井,每一作业循环有4道主要工序,彼此紧密衔接,互不影响。各工序循环如下表。
| 表 2 各主要工序循环图表 |
![]() |
| 点击放大 |
三 加强维护保养,严格执行操作规程
TD—1.6×1.6型电动爬罐,设有制动器、限速保险器、漏电保护等安全装置,要加强对设备的维护保养和检查工作,出现故障及时处理,以保证安全生产。安装导轨时,不允许25°弯轨与直轨直接连接; 作业时,不容许断电让爬罐自重下滑,每掘完一个天井,应全面检查维修,对易损件要及时更换,一般情况下蜗轮在掘进200~250米时就需更换一次。
四 正确安装导轨爬罐掘进沿脉斜天井,只要在安装导轨时选择好弯轨,使其总角度与设计天井倾斜角度相同或误差在允许的范围内,随天井掘进注意测量导轨的倾斜角度,一般就能保证天井的质量。但在掘进垂直天井及急倾斜沿脉天井时,情况有所不同,如掘垂直天井时,会出现导轨倾斜,而导轨的倾斜又直接影响井筒的倾斜,造成天井质量达不到设计要求,甚至导致整个工程报废。在掘沿脉天井时,由于矿脉的变化,使之跟不到矿脉,结果丢脉掘进。
现就如何解决这些问题,确保施工质量,谈几点看法。有两种情况必须注意:
一是垂直天井,爬罐是在导轨上运行,而导轨又是安装在井壁的中心线上的,由于爬罐主机的重心不是在导轨的中心线上的,而是偏在一侧,因而使导轨往重心偏移的一侧倾斜,结果造成井简随导轨倾斜而弯曲。如不及时处理,偏斜就会越来越大,结果使工程质量不合设计要求,甚至造成整个天井报废。实践证明,要确保工程质量,关键在于使导轨的中心线始终与天井中心线相吻合,这就必须:
1.从硐室到导轨转弯处, 安装时人为地使导轨沿天井中心线,适当向圆弧外缘带一定的角度(2~4度),导轨在天井中上端平面与天井中心线的垂直水平面,保持2~4度的夹角,如图 1及图 2所示,这样,导轨上的主机重心便向内侧偏移,随天井掘进导轨又逐渐往内侧移过来,以至跨越天井垂直中心线,往圆弧内侧倾斜,达到矫正天井掘进方向的目的。
![]() |
| 图 1 导轨在天井中的安装示意图 |
![]() |
| 图 2 导轨在硐室内的安装示意图 |
2.在天井上掘过程中,每安装一根导轨,务使其中心线与天井设计中心线保持一致,如发现有偏移,要及时纠正,其方法是在打新安装的导轨的锚杆孔之先,用螺栓或钎杆将所偏斜的导轨顶正,然后打锚杆孔,待装上锚杆紧固好螺丝后,再将顶撑用的螺丝或钢钎拆除,这样导轨就不致偏斜。
3.经常检査导轨锚杆螺丝是否松动,发现有松动的现象应及时拧紧。锚杆螺丝在安装时虽经紧固,但由于爬罐上下及凿孔时的振动力,造成一些描杆螺丝的松动,而锚杆螺丝的松动又必然导致导轨向主机重心偏斜。
二是倾钭沿脉天井,由于急倾斜薄矿脉,在走向和倾向上,都有分支复合、膨缩弯曲等变化,在目前尚无外弯轨的情况下,跟脉是比较困难的,为解决此一问题,在沿脉天井掘进之初,将矿脉控制在天井中心位置或向导轨侧稍偏10~30公分,这样就可控制矿脉,不致远离导轨偏斜;反之,则装上一根3度的内弯轨,使天井始终沿脉掘进。
五 对TD—1.6×1.6型电动蔣罐的评价通过我矿应用实践证明,TD—1.6× 1.6型电动爬罐,设计合理,技术性能良好,是一种比较理想的天井掘进设备,不仅适用于一般天井,且适用于高盲天井及沿脉天井的掘进,有推广应用的价值。其主要优点是:
1.能提高天井掘进效率1~3倍,大大加快了成井速度,对矿山生产的发展有利。
2.减轻了工人的劳动强度,改善了作业条件,能掘高天井,这是普通掘进法难以办到的。
3.能节省大量木材。一个高50米的天井可以节约木材13立方米。
4.安全生产有保障。
5.作业成本比普通法低。
6.与风动爬罐相比,更能降低能耗。
1987, Vol. 1


