文章信息
- 王元清, 柳晓晨, 石永久, 尹建, 欧阳元文
- WANG Yuanqing, LIU Xiaochen, SHI Yongjiu, YIN Jian, OUYANG Yuanwen
- 铝合金盘式节点静力性能的有限元参数分析
- Parametric analysis of static behavior for aluminum alloy TEMCOR joints
- 武汉大学学报(工学版), 2017, 50(5): 688-696, 732
- Engineering Journal of Wuhan University, 2017, 50(5): 688-696, 732
- http://dx.doi.org/10.14188/j.1671-8844.2017-05-008
-
文章历史
- 收稿日期: 2016-11-23
2. 上海通正铝业工程技术有限公司,上海 200949
2. Shanghai Tongzheng Aluminum Industry Co., Ltd., Shanghai 200949, China
随着建筑结构对跨度、性能、施工周期等要求的不断提升,铝合金网格结构的应用日益广泛,对于有效连接铝合金网格结构各杆件的节点形式的需求也逐渐增加.铝合金盘式节点以力学性能好、外形美观、施工便捷、维护简单、造价经济等优点,在国内外工程实际中得到越来越广泛的应用.目前,全球已建成7 500多个采用盘式节点的铝合金单层网壳结构.2000年后我国的诸多体育场馆等大型公共建筑也相继应用了节点形式为铝合金盘式节点的单层网壳结构[1].
盘式节点如图 1所示,又称为板式节点、圆盘盖板节点、锚栓盘节点、TEMCOR节点等.节点通常由铝合金节点板、杆件和紧固螺栓3部分构成:杆件截面形式多为工字型,杆件之间互成一定角度,通过紧固螺栓将杆件上、下翼缘与上、下节点板连接形成节点[2-3].
|
| 图 1 铝合金盘式节点 Figure 1 Aluminum alloy TEMCOR Joints |
铝合金盘式节点为美国TEMCOR公司基于《美国铝合金设计手册》研发的专利,暂无国外铝合金盘式节点研究资料.针对此类节点的承载力计算公式和设计方法,各国铝合金结构设计规范,如欧洲规范EN 1999-1-1:2007、澳大利亚/新西兰规范AS/NZS 1664.1:1997、AS/NZS 1664.2:1997及我国规范GB 50429-2007均无规定.
国内相关研究开始于21世纪初,侯和涛等[4]通过编译美国TEMCOR公司提供的资料,总结了盘式节点的优势;邹磊等[5-8]对采用盘式节点的单层网壳进行了整体静力和稳定性分析;王元清等[9-10]对盘式节点进行了节点性能试验研究;薛庆等[11]研究了盘式节点的施工技术;郭小农等[12-13]研究了盘式节点的初始刚度及设计方法.
现有研究多针对采用盘式节点的铝合金网壳进行整体分析和施工方法研究,对于盘式节点的节点性能研究很少且仅针对某特定几何尺寸的盘式节点,针对几何参数对铝合金盘式节点承载性能及刚度的影响研究很少,因此本文针对盘式节点的5个几何参数,设计了24个节点试件,利用大型通用有限元分析软件ABAQUS对节点抗弯承载力及初始刚度进行了非线性有限元参数分析,得出各参数对抗弯承载力及初始刚度的影响规律,为铝合金盘式节点的节点设计提供参考.
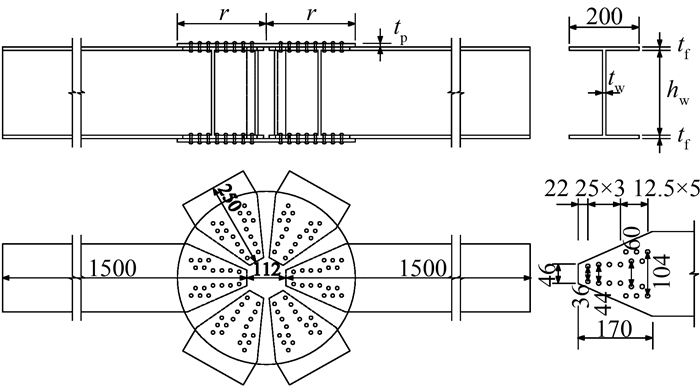
1 有限元模型及验证分析 1.1 铝合金盘式节点主要参数本文所研究铝合金盘式节点的几何简图如图 2所示.影响节点抗弯承载力及初始刚度的几何参数主要有:节点盘半径r、节点盘厚度tp、腹板高度hw、腹板厚度tw、翼缘厚度tf,参数意义及细部尺寸如图 2所示.以试件SP1为标准试件,SP2~SP4为试验-有限元验证试件,试件几何参数取值如表 1所示.
|
| 图 2 铝合金盘式节点的几何简图(单位:mm) Figure 2 Schematic drawing of aluminum alloy TEMCOR joints (unit:mm) |
| mm | |||||
| 试件编号 | hw | tw | tf | tp | r |
| SP1 | 250 | 10 | 10 | 10 | 255 |
| SP2 | 260 | 7 | 10 | 11 | 227.5 |
| SP3 | 330 | 8 | 10 | 11 | 255 |
| SP4 | 430 | 8 | 10 | 11 | 255 |
| SP5~SP8 | 150~350 | 10 | 10 | 10 | 255 |
| SP9~SP12 | 250 | 5~15 | 10 | 10 | 255 |
| SP13~SP16 | 250 | 10 | 5~25 | 10 | 255 |
| SP17~SP20 | 250 | 10 | 10 | 5~25 | 255 |
| SP21~SP24 | 250 | 10 | 10 | 10 | 255~315 |
在标准试件SP1几何参数基础上:
1) 试件SP5~SP8研究腹板高度的影响,分别取腹板高度hw为150、200、300、350 mm;
2) 试件SP9~SP12研究腹板厚度的影响,分别取腹板厚度tw为5.0、7.5、12.5、15.0 mm;
3) 试件SP13~SP16研究翼缘厚度的影响,分别取翼缘厚度tf为5、15、20、25 mm;
4) 试件SP17~SP20研究节点盘厚度的影响,分别取节点盘厚度tp为5、15、20、25 mm;
5) SP21~SP24研究节点盘半径的影响,分别取节点盘半径r为270、285、300、315 mm.
1.2 有限元分析模型 1.2.1 材料模型铝合金节点盘、工字型杆件的本构模型采用Ramberg-Osgood模型.进行有限元模型与试验结果校验时,铝合金材料的力学性能参数取材料性能试验[9]结果;进行有限元参数分析时,铝合金材料的力学性能参数取材性试验结果的加权平均值,参数取值如表 2所示,铝合金材料的泊松比取为0.33.
| 试件编号 | 弹性模量 E/MPa |
屈服强度 f0.2/MPa |
极限强度 fu/MPa |
n |
| SP1、SP5~SP24 | 70 607 | 252.4 | 286.4 | 25.2 |
紧固螺栓采用M10不锈钢紧固螺栓,不锈钢材料为冷加工奥氏体不锈钢.罗翠等[14]基于奥氏体不锈钢理想弹塑性本构模型对铸铝节点的承载性能分析与实际值基本吻合,因此螺栓材料的本构模型采用理想弹塑性模型,力学性能参数按照GB/T3098.6-2000规范规定取值,如表 3所示,不锈钢材料的泊松比取为0.29.铝合金及不锈钢材料应力-应变曲线示意如图 3所示.
| 螺栓型号 | 屈服强度 fy/MPa |
抗拉强度 fub/MPa |
螺母强度 fun/MPa |
破坏扭矩 MBmin/(N·m) |
| M10 | 600 | 800 | 800 | 74 |
|
| 图 3 铝合金、不锈钢材料模型 Figure 3 Material model of aluminum alloy and stainless steel |
由于建立完整模型,单元数量过多,计算速度慢,又由于试件几何尺寸、支承情况、刚度分布及荷载作用对称,因此在ABAQUS中将模型简化为1/4几何模型,几何模型及模型各部分网格划分如图 4所示.模型各部分的单元及接触类型如表 4所示.
|
| 图 4 几何模型及模型各部分网格划分 Figure 4 Finite element model and meshing of each part |
| 单元及接触类型 | 模拟对象 |
| C3D8I | 工字型杆件腹板、节点区以外的翼缘、理想刚接模型 |
| C3D6 | 工字型杆件节点区翼缘、节点盘、螺栓 |
| 摩擦 | 节点盘、螺栓及加载板间的接触 |
根据试件受力及几何的对称性,简化得模型的边界条件如图 5所示.杆件端采用活动铰支座,节点盘端采用滑动支座.通过位移加载的方式对节点盘中心施加竖直向下的荷载.
|
| 图 5 有限元模型边界条件及加载方式简图 Figure 5 Schematic diagram of boundary conditions and loading method |
节点刚度根据节点弯矩转角试验及有限元数据,采用Eurocode 3[9、15-17]中对初始转动刚度Sj, ini的规定计算,计算公式如下:
(1)
(2)
(3)
式中:Sj, ini为节点的初始转动刚度;Mj, Rd为工字型杆件的塑性受弯承载力;f0.2为铝合金材料的屈服强度;Wpx为工字型杆件截面绕x轴的塑性截面抵抗矩.
1.2.5 承载力确定准则节点承载力的确定根据节点受上述荷载作用下的荷载-应变曲线,取荷载-应变曲线极值点的荷载作为节点极限承载力.
1.3 有限元模型验证分析运用上述有限元模型建立试件SP2~SP4有限元模型,并将有限元分析结果与试验数据[14]对比,验证有限元模型准确性.对比结果如图 6及表 5所示.
|
| 图 6 SP2~SP4荷载位移曲线试验与有限元对比 Figure 6 Comparison of load-displacement curves between finite element analysis and experiment results of SP2-SP4 |
| 试件 | 有限元计算值/kN | 试验值/kN | 误差/% |
| SP2 | 201.957 | 207.359 | -2.61 |
| SP3 | 313.526 | 356.078 | -11.95 |
| SP4 | 409.684 | 450.443 | -9.04 |
由图 6及表 5数据可知,有限元数据与试验数据吻合较好,平均误差为-7.87%,产生误差的原因可能是试验试件螺栓存在一定预紧力.该有限元模型用于对铝合金盘式节点进行参数分析合理有效.
2 铝合金盘式节点影响参数分析 2.1 腹板高度hw的影响针对腹板高度hw对节点性能的影响分析,建立有限元模型SP1、SP5~SP8,分别取hw5=150 mm、hw6=200 mm、hw1=250 mm、hw7=300 mm、hw8=350 mm,模型其他几何参数按照表 1选取.腹板高度hw对铝合金盘式节点抗弯承载力、初始刚度、最大螺栓轴力及最大螺栓剪力影响的有限元分析结果如图 7~10所示.
|
| 图 7 承载力的腹板高度影响分析 Figure 7 Analysis of effect of web height on bearing capacity |
|
| 图 8 初始刚度的腹板高度影响分析 Figure 8 Analysis of effect of web height on initial stiffness |
|
| 图 9 最大螺栓轴力的腹板高度影响分析 Figure 9 Analysis of effect of web height on maximum axial force in bolt |
|
| 图 10 最大螺栓剪力的腹板高度影响分析 Figure 10 Analysis of effect of web height on maximum shearing force in bolt |
由图 7及表 6可知,腹板高度每提高33.33%,承载力提高:23.02%、32.19%、30.99%、31.11%.随着铝合金工字型杆件腹板高度的增加,节点承载力近似成线性提高.
| 腹板高度/mm | 150 | 200 | 250 | 300 | 350 |
| 抗弯承载力/kN | 158.08 | 194.47 | 245.35 | 294.34 | 343.51 |
由图 8及表 7可知,相较Sj, ini 150=1 976.99 kN·m·rad-1,腹板高度每提高33.33%,初始刚度提高:58.13%、63.25%、68.31%、18.25%.工字型杆件腹板高度提高,初始刚度增大.hw=150~300 mm,节点初始刚度随着腹板高度的增加而线性提高;hw=300~350 mm,初始刚度随腹板高度增大而提高的提高幅度减小.
| 腹板高度/mm | 150 | 200 | 250 | 300 | 350 |
| 初始刚度 /(kN·m·rad-1) |
1 976.99 | 3 126.31 | 4 376.79 | 5 727.32 | 6 088.16 |
1) 腹板高度的变化对最大螺栓轴力Fn在节点中的分布影响不大,节点上、下翼缘的最大螺栓轴力Fn均表现为1号螺栓最大轴力明显高于其他螺栓,这主要是由于集中力P作用于节点盘中心,靠近节点盘中心的螺栓存在撬力.
2) 上翼缘1号螺栓最大螺栓轴力Fn随腹板高度的增加表现为先增大后减小,这主要是由于随腹板高度的变化,节点破坏模式发生改变.hw=150 mm时,节点的破坏模式表现为工字型杆件下翼缘17、18号螺栓孔处破坏;hw=200~350 mm时,节点的破坏模式表现为工字型杆件下翼缘17、18号螺栓孔处破坏且工字型杆件发生腹板局部屈曲.
3) 腹板高度对于最大螺栓剪力Fv的影响表现为:上翼缘最大螺栓剪力Fv随腹板高度的增大而有所增大,腹板高度对下翼缘最大螺栓剪力Fv影响不大.
2.2 腹板厚度tw的影响针对腹板厚度tw对节点性能的影响分析,建立有限元模型SP1、SP9~SP12,分别取tw9=5.0 mm、tw10=7.5 mm、tw1=10.0 mm、tw11=12.5 mm、tw12=15.0 mm,模型其他几何参数按照表 1选取.腹板厚度tw对铝合金盘式节点抗弯承载力、初始刚度、最大螺栓轴力及最大螺栓剪力影响的有限元分析结果如图 11~14所示.
|
| 图 11 承载力的腹板厚度影响分析 Figure 11 Analysis of effect of web thickness on bearing capacity |
|
| 图 12 初始刚度的腹板厚度影响分析 Figure 12 Analysis of effect of web thickness on initial stiffness |
|
| 图 13 最大螺栓轴力的腹板厚度影响分析 Figure 13 Analysis of effect of web thickness on maximum axial force in bolt |
|
| 图 14 最大螺栓剪力的腹板厚度影响分析 Figure 14 Analysis of effect of web thickness on maximum shearing force in bolt |
由图 11及表 8可知,相较Pu, 5=215.88 kN,腹板厚度每提高50%,承载力提高:7.22%、6.44%、5.15%、0.76%.随着铝合金工字型杆件腹板厚度的增加,节点承载力有所提高,但是提高幅度不大.
| 腹板厚度/mm | 5.0 | 7.5 | 10.0 | 12.5 | 15.0 |
| 抗弯承载力/kN | 215.88 | 234.46 | 245.35 | 256.48 | 258.12 |
由图 12及表 9可知,相较Sj, ini 5=4 266.15 kN·m·rad-1,腹板厚度每提高50%,初始刚度变化:5.28%、-2.69%、-2.81%、-15.24%.可见初始刚度随腹板厚度的增加有减小的趋势,但减小幅度不大.
| 腹板厚度/mm | 5.0 | 7.5 | 10.0 | 12.5 | 15.0 |
| 初始刚度/(kN·m·rad-1) | 4266.15 | 4491.38 | 4376.79 | 4256.82 | 3606.48 |
1) 腹板厚度的变化对最大螺栓轴力Fn在节点中的分布影响不大,节点上、下翼缘的最大螺栓轴力Fn均表现为1号螺栓最大轴力明显高于其他螺栓,这主要是由于集中力P作用于节点盘中心,靠近节点盘中心的螺栓存在撬力.
2) 上、下翼缘最大螺栓轴力和最大螺栓剪力均表现为先增大后减小,这主要是由于随腹板厚度变化导致的节点破坏模式发生改变.tw=5.0 mm时,节点的破坏模式表现为工字型杆件下翼缘17、18号螺栓孔处破坏;tw=7.5~15.0 mm时,节点的破坏模式表现为工字型杆件下翼缘17、18号螺栓孔处破坏且工字型杆件发生腹板局部屈曲.
2.3 翼缘厚度tf的影响针对翼缘厚度tf对节点性能的影响分析,建立有限元模型SP1、SP13~SP16,分别取tf13=5 mm、tf1=10 mm、tf14=15 mm、tf15=20 mm、tf16=25 mm,模型其他几何参数按照表 1选取.翼缘厚度tf对铝合金盘式节点抗弯承载力、初始刚度、最大螺栓轴力及最大螺栓剪力影响的有限元分析结果如图 15~18所示.
|
| 图 15 承载力的翼缘厚度影响分析 Figure 15 Analysis of effect of flange thickness on bearing capacity |
|
| 图 16 初始刚度的翼缘厚度影响分析 Figure 16 Analysis of effect of flange thickness on initial stiffness |
|
| 图 17 最大螺栓轴力的翼缘厚度影响分析 Figure 17 Analysis of effect of flange thickness on maximum axial force in bolt |
|
| 图 18 最大螺栓剪力的翼缘厚度影响分析 Figure 18 Analysis of effect of flange thickness on maximum shearing force in bolt |
由图 15及表 10可知,相较Pu, 5=141.01 kN,翼缘厚度每提高一倍,承载力提高:72.99%、10.92%、15.08%、6.08%.节点承载力随翼缘厚度的增大而提高.翼缘厚度从5 mm增大至10 mm时,承载力提高幅度比较大;翼缘厚度超过10 mm后,承载力提高幅度减小.
| 翼缘厚度/mm | 5 | 10 | 15 | 20 | 25 |
| 抗弯承载力/kN | 141.01 | 245.35 | 260.76 | 282.02 | 258.12 |
由图 16及表 11可知,相较Sj, ini5=2 785.70 kN·m·rad-1,翼缘厚度每提高5 mm,初始刚度变化:57.11%、117.73%、67.76%、62.21%.节点初始刚度随节点翼缘厚度的增大而提高,且提高幅度较大.
| 翼缘厚度/mm | 5 | 10 | 15 | 20 | 25 |
| 初始刚度/(kN·m·rad-1) | 2 785.70 | 4 376.79 | 7 656.44 | 9 543.90 | 11 276.97 |
1) 除tf=5、10 mm试件外,铝合金工字型杆件最大螺栓轴力Fn分布均匀,随翼缘厚度无明显变化规律.
2) 铝合金工字型杆件最大螺栓剪力Fv在工字型杆件上、下翼缘分布均匀,随翼缘厚度的增大,先增大后减小.
2.4 节点盘厚度tp的影响针对节点盘厚度tp对节点性能的影响分析,建立有限元模型SP1、SP17~SP20,分别取tp17=5 mm、tp1=10 mm、tp18=15 mm、tp19=20 mm、tp20=25 mm,模型其他几何参数按照表 1选取.节点盘厚度tp对铝合金盘式节点抗弯承载力、初始刚度、最大螺栓轴力及最大螺栓剪力影响的有限元分析结果如图 19~22所示.
|
| 图 19 承载力的节点盘厚度影响分析 Figure 19 Analysis of effect of plate thickness on bearing capacity |
|
| 图 20 初始刚度的节点盘厚度影响分析 Figure 20 Analysis of effect of plate thickness on initial stiffness |
|
| 图 21 最大螺栓轴力的节点盘厚度影响分析 Figure 21 Analysis of effect of plate thickness on maximum axial force in bolt |
|
| 图 22 最大螺栓剪力的节点盘厚度影响分析 Figure 22 Analysis of effect of plate thickness on maximum shearing force in bolt |
由图 19及表 12可知,相较Pu, 5=135.30 kN,节点盘厚度每提高一倍,承载力提高:81.34%、-1.91%、8.99%、2.28%.可知节点承载力随节点盘厚的增加而提高,节点盘厚度小于10 mm时提高幅度较大,超过10 mm,提高幅度减小.
| 节点盘厚度/mm | 5 | 10 | 15 | 20 | 25 |
| 抗弯承载力/kN | 135.30 | 245.35 | 242.76 | 254.93 | 258.01 |
由图 20及表 13可知,相较Sj, ini5=5 706.91 kN·m·rad-1,节点盘厚度每提高50%,初始刚度变化:-23.31%、-1.36%、5.20%、-1.07%.可见初始刚度随节点盘厚度的增加整体呈降低的趋势,节点盘厚度小于10 mm时降低幅度较大,超过10 mm,降低幅度减小.
| 节点盘厚度 /mm |
5 | 10 | 15 | 20 | 25 |
| 初始刚度 /(kN·m·rad-1) |
5 706.91 | 4 376.79 | 4 299.00 | 4 595.88 | 4 534.86 |
1) tp=10、20 mm,铝合金工字型杆件最大螺栓轴力Fn呈现1号、10号最大螺栓轴力明显大于其他螺栓;tp=5、15、25 mm,最大螺栓轴力在杆件上、下翼缘各螺栓之间分布较均匀.最大螺栓轴力随节点盘厚度无明显变化规律.
2) 铝合金工字型杆件最大螺栓剪力Fv在工字型杆件上、下翼缘分布均匀,随节点盘厚度无明显变化规律.
2.5 节点盘半径r的影响针对节点盘半径r对节点性能的影响分析,建立有限元模型SP1、SP21~SP24,分别取r1=255 mm、r21=270 mm、r22=285 mm、r23=300 mm、r24=315 mm,模型其他几何参数按照表 1选取.节点盘半径r对铝合金盘式节点抗弯承载力、初始刚度、最大螺栓轴力及最大螺栓剪力影响的有限元分析结果如图 23~26所示.
|
| 图 23 承载力的节点盘半径影响分析 Figure 23 Analysis of effect of plate radius on bearing capacit |
|
| 图 24 初始刚度的节点盘半径影响分析 Figure 24 Analysis of effect of plate radius on initial stiffness |
|
| 图 25 最大螺栓轴力的节点盘半径影响分析 Figure 25 Analysis of effect of plate radius on maximum axial force in bolt |
|
| 图 26 最大螺栓剪力的节点盘半径影响分析 Figure 26 Analysis of effect of plate radius on maximum shearing force in bolt |
由图 23及表 14可知,节点盘半径对节点承载力Pu基本无影响.
| 节点盘半径/mm | 255 | 270 | 285 | 300 | 315 |
| 抗弯承载力/kN | 245.35 | 245.40 | 245.46 | 245.52 | 356.58 |
由图 24及表 15可知,节点盘半径对节点初始刚度Sj, ini基本无影响.
| 节点盘半径 /mm |
255 | 270 | 285 | 300 | 315 |
| 初始刚度 /(kN·m·rad-1) |
4 376.79 | 4 510.64 | 4 486.36 | 4 443.13 | 4 389.82 |
如图 25、26所示,节点盘半径对上、下翼缘螺栓最大螺栓轴力Fn及最大螺栓剪力Fv基本无影响.
3 结论基于盘式节点的5个主要几何参数,对24个节点试件的非线性有限元参数分析结果表明:
1) 杆件腹板高度增加:节点承载力近似成线性提高;腹板高度从150 mm增大至300 mm时,节点初始刚度线性提高;腹板高度超过300 mm,初始刚度的提高幅度有所减小.
2) 杆件腹板厚度增加:节点承载力有所提高,节点初始刚度有所减低,但是提高和降低幅度均不大.
3) 杆件翼缘厚度增加:节点承载力提高,翼缘厚度从5 mm增大至10 mm时,承载力提高幅度比较大;翼缘厚度超过10 mm后,承载力提高幅度减小;节点初始刚度随节点翼缘厚度的增大而提高且提高幅度较大.
4) 节点盘厚的增加:节点承载力提高,节点盘厚度从5 mm增大至10 mm时,提高幅度较大,超过10 mm,提高幅度减小;初始刚度整体呈降低的趋势,节点盘厚度小于10 mm时降低幅度较大,超过10 mm,降低幅度减小.
5) 节点盘半径的变化对节点承载力及初始刚度均影响不大.
综上所述,建议采用提高铝合金工字型杆件的腹板高度及翼缘厚度的方式改善铝合金盘式节点的受力性能.
| [1] |
柳晓晨, 王元清, 石永久, 等. 铝合金网格结构的连接节点形式及其工程应用[C]//第14届全国现代结构工程学术研讨会会议论文集, 2014: 60-67.
Liu Xiaochen, Wang Yuanqing, Shi Yongjiu, et al. Research and engineering applications of joints used in aluminum alloy grid structures[C]// Proceedings of the 14th National Conference on Modern Structural Engineering, 2014:60-67. |
| [2] |
杨联萍, 韦申, 张其林. 铝合金空间网格结构研究现状及关键问题[J].
建筑结构学报, 2013, 34(2): 1–19.
Yang Lianping, Wei Shen, Zhang Qilin. Aluminum reticulated spatial structures: state of the art and key issues[J]. Journal of Building Structures, 2013, 34(2): 1–19. |
| [3] |
张竟乐, 赵金城, 许洪明. 单层网壳板式节点的刚度分析[J].
工业建筑, 2005, 35(4): 88–90.
Zhang Jingle, Zhao Jincheng, Xu Hongming. Analysis of stiffness of gusset-type joints for single-layer reticulated shells[J]. Industrial Construction, 2005, 35(4): 88–90. |
| [4] |
侯和涛, 孙林波. 大跨铝网格结构体系的最新进展与创新[J].
建筑钢结构进展, 2004, 6(1): 45–49.
Hou Hetao, Sun Linbo. The latest progress and innovation of large-span aluminum grid structures[J]. Progress in Steel Building Structures, 2004, 6(1): 45–49. |
| [5] |
王立维, 杨文, 冯远, 等. 中国现代五项赛事中心游泳击剑馆屋盖铝合金单层网壳结构设计[J].
建筑结构, 2010, 40(9): 73–76.
Wang Liwei, Yang Wen, Feng Yuan, et al. Design on single-layer aluminum shell roof of Swimming and Sword Gymnasium of Chinese Modern Five Competition Center[J]. Building Structure, 2010, 40(9): 73–76. |
| [6] |
邹磊. 重庆空港体育馆铝合金穹顶结构分析[D]. 重庆: 重庆大学, 2009.
Zou Lei. Structure analysis study on aluminum alloy dome of Chongqing Konggang Stadium[D]. Chongqing:Chongqing University, 2009. http://cdmd.cnki.com.cn/Article/CDMD-10611-2009149950.htm |
| [7] |
房庆强, 赵金城. 上海科技城单层铝合金椭球体网壳设计[J].
建筑结构, 2010, 31(6): 34–36.
Fang Qingqiang, Zhao Jincheng. Design of the aluminum dome covering the Shanghai Science and Technology Museum[J]. Building Structure, 2010, 31(6): 34–36. |
| [8] |
田炜, 黄磊, 施骏, 等. 义乌游泳馆倒置铝合金格构式屋盖设计[J].
建筑钢结构进展, 2008, 10(1): 44–48.
Tian Wei, Huang Lei, Shi Jun, et al. Design of up-down aluminum alloy grid structure for roof of Yiwu Natatorium[J]. Progress in Steel Building Structures, 2008, 10(1): 44–48. |
| [9] |
王元清, 柳晓晨, 石永久, 等. 铝合金网壳结构盘式节点受力性能试验[J].
沈阳建筑大学学报(自然科学版), 2014, 30(5): 769–777.
Wang Yuanqing, Liu Xiaochen, Shi Yongjiu, et al. Experimental study on mechanical performance of TEMCOR joints in aluminum alloy shell structures[J]. Journal of Shenyang Jianzhu University (Natural Science), 2014, 30(5): 769–777. DOI:10.11717/j.issn:2095-1922.2014.05.01 |
| [10] |
韦申, 杨联萍, 张其林, 等. 铝合金单层网壳螺栓连接节点试验研究[J].
建筑钢结构进展, 2014, 16(4): 46–50.
Wei Shen, Yang Lianping, Zhang Qilin, et al. An experimental study on joints with bolt-connections in single-layer aluminum reticulated shells[J]. Progress in Steel Building Structures, 2014, 16(4): 46–50. |
| [11] |
薛庆, 赵崇贤, 高波, 等. 大跨度单层铝合金网壳结构安装技术[J].
建筑施工, 2012, 33(12): 1097–1099.
Xue Qing, Zhao Chongxian, Gao Bo, et al. Installation technology for long-span single-layer Al alloy reticulated shell structure[J]. Building Construction, 2012, 33(12): 1097–1099. |
| [12] |
郭小农, 邱丽秋, 罗永峰, 等. 铝合金板式节点受弯承载力试验研究[J].
湖南大学学报:自然科学版, 2014, 41(4): 47–53.
Guo Xiaonong, Qiu Liqiu, Luo Yongfeng, et al. Experimental research on bending capacity of aluminum alloy gusset joints[J]. Journal of Hunan University(Natural Sciences), 2014, 41(4): 47–53. |
| [13] |
郭小农, 熊哲, 罗永峰, 等. 铝合金板式节点初始刚度[J].
同济大学学报:自然科学版, 2014, 42(8): 1161–1166.
Guo Xiaonong, Xiong Zhe, Luo Yongfeng, et al. Initial bending stiffness of aluminum alloy gusset joint[J]. Journal of Tongji University(Natural Science), 2014, 42(8): 1161–1166. |
| [14] |
罗翠, 王元清, 石永久, 等. 网壳结构中铸铝节点承载性能的非线性分析[J].
建筑科学, 2010, 26(5): 57–61.
Luo Cui, Wang Yuanqing, Shi Yongjiu, et al. Nonlinear analysis for bearing properties of cast aluminum joint in aluminum alloy lattice shell structures[J]. Building Science, 2010, 26(5): 57–61. |
| [15] | Hasan R, Kishi N, Chen W F. A new nonlinear connection classification system[J]. Journal of Constructional Steel Research, 1998, 47(1-2): 119–140. DOI:10.1016/S0143-974X(98)80105-3 |
| [16] | Eurocode C E N. 3: Design of Steel Structures, Part 1-8: Design of Joints, Brussels: EN1993-1-8, European Committee for Standardization[S]. |
| [17] |
王元清, 柳晓晨, 石永久, 等. 铝合金网壳结构盘式节点受力性能有限元分析[J].
天津大学学报(自然科学与工程技术版), 2015, 48(5): 769–777.
Wang Yuanqing, Liu Xiaochen, Shi Yongjiu, et al. Finite element analysis of mechanical performance of TEMCOR joints in aluminum alloy shell structures[J]. Journal of Tianjin University (Science and Technology), 2015, 48(5): 769–777. |
2017, Vol. 50


