| 一种基于BUCK变换器的变结构控制系统 |
无刷直流电机具有结构简单、转矩大和效率高等优点,因此在工业领域广泛应用。但是无刷直流电机受制于非理想反电势波形引起的原理性电磁转矩脉动,无法满足高精度系统应用。在一台正常的无刷直流电机中,其换相转矩脉动通常较大,甚至超过平均转矩的40%,因此,抑制换相转矩脉动对于提升无刷直流电机精度而言十分关键。
目前,国内外专家对于抑制无刷直流电机的转矩脉动提出了诸多方法。文献[1]给出了一种矩阵变换器驱动无刷直流电机实现交交变频调速控制策略,该方法有效提高了无刷直流电机的控制精度。文献[2]引入了正比于瞬时转矩的合成电流变量,并推导出每个扇区下的合成电流与非换相相电流之间的关系式,通过控制所需合成电流的对应非换相电流,达到抑制转矩脉动的目的。文献[3]提出了一种基于准Z源网络抑制永磁无刷直流电机换相转矩脉动的方法, 在实验中该方法能将转矩脉动抑制在平均转矩的12%以下。文献[4]设计了一种闭环控制系统, 速度反馈控制使电机运行性能更加稳定, 该系统有效提高了无刷直流电机稳定性。
在研究了文献[5]、文献[6]所设计的BUCK电路后,提出了基于BUCK变换器的无刷直流电机变频控制。在母线上加入BUCK变换器,通过调节BUCK电路中驱动晶闸管开关的信号的占空比大小,来连续地调节直流母线电压,采用滑模变结构控制策略,抑制电机的换相转矩脉动。将所设计的BUCK变换器运用到无刷直流电机变结构控制系统中进行仿真实验,仿真结果验证了此方法的可行性,从而提升了无刷直流电机的转矩控制性能。
1 无刷直流电机变结构控制理想状态下的无刷直流电机的电压方程、转矩方程和运动方程分别如式1、式2和式3所示:
电压方程:
| $ \begin{array}{l} \begin{array}{*{20}{c}} {\left\lceil {{u_a}} \right\rceil }\\ {{u_b}}\\ {\left\lfloor {{u_c}} \right\rfloor } \end{array} = \begin{array}{*{20}{c}} {\left\lceil {\begin{array}{*{20}{c}} R&0&0 \end{array}} \right\rceil }\\ {\begin{array}{*{20}{c}} 0&R&0 \end{array}}\\ {\left\lfloor {\begin{array}{*{20}{c}} 0&0&R \end{array}} \right\rfloor } \end{array} \cdot \begin{array}{*{20}{c}} {\left\lceil {{i_a}} \right\rceil }\\ {{i_b}}\\ {\left\lfloor {{i_c}} \right\rfloor } \end{array} + \frac{d}{{dt}}\begin{array}{*{20}{c}} {\left\lceil {\begin{array}{*{20}{c}} L&0&0 \end{array}} \right\rceil }\\ {\begin{array}{*{20}{c}} 0&L&0 \end{array}}\\ {\left\lfloor {\begin{array}{*{20}{c}} 0&0&L \end{array}} \right\rfloor } \end{array} \cdot \\ \begin{array}{*{20}{c}} {\left\lceil {{i_a}} \right\rceil }\\ {{i_b}}\\ {\left\lfloor {{i_c}} \right\rfloor } \end{array} + \begin{array}{*{20}{c}} {\left\lceil {{e_a}} \right\rceil }\\ {{e_b}}\\ {\left\lfloor {{e_c}} \right\rfloor } \end{array}, \end{array} $ | (1) |
式中,ua、ub、uc为三相定子电压,ea、eb、ec为三相定子反电动势,ia、ib、ic为三相定子相电流;L=Ls-M, LS是单相绕组自感,M是两相绕组间互感;R是三相定子绕组的相电阻。
转矩方程:
| $ {T_e} = \left( {{e_a}{i_a} + {e_b}{i_b} + {e_c}{i_c}} \right)/\omega , $ | (2) |
式中,ω为无刷直流电机得转子角速度。
运动方程:
| $ {T_e} - {T_1} = B\Omega + J\frac{{d\Omega }}{{dt}}, $ | (3) |
式中,Te为电磁转矩,T1为负载转矩;B为摩擦系数,J为转子转动惯量,Ω为转子机械角速度,且有ω=pΩ(p为电机极对数)。
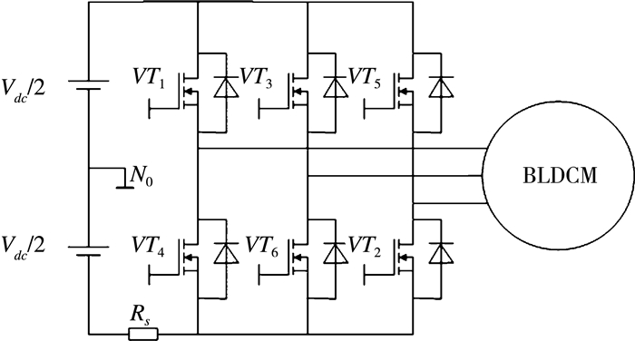
无刷直流电机的电路结构如图 1所示。
![]() |
| 图 1 无刷直流电机的电路结构 |
由无刷直流电机的转矩方程式2和和运动方程式3可得:
| $ \dot \omega = - a\omega - b + c{T_e}, $ | (4) |
式中,a=B/J;b=pTe/J;c=p/J。
考虑到外部干扰,式4可以写为:
| $ \dot \omega = - \left( {a + \Delta a} \right)\omega - \left( {b + \Delta b} \right) + \left( {c + \Delta c} \right){T_e}, $ | (5) |
式中,Δa、Δb、Δc是外部干扰的和。
转子转速误差可表示为:
| $ e\left( t \right) = \omega \left( t \right) - \mathop {\omega \left( t \right)}\limits^{\rm{*}} , $ | (6) |
式中,
| $ \dot e\left( t \right) = \dot \omega \left( t \right) - \dot \omega \mathop {\left( t \right)}\limits^ * = - ae\left( t \right) + u\left( t \right) + f\left( t \right), $ | (7) |
式中,
设计以转速误差为基准的滑模切换函数:
| $ S\left( t \right) = e\left( t \right) + k\int_0^t {e\left( \tau \right)d\left( \tau \right)} , $ | (8) |
式中,k为正常数,显然S(t)可微。
定义李雅普诺夫函数:
| $ V = \frac{1}{2}\mathop {S\left( t \right)}\limits^2 $ | (9) |
其导数为:
| $ \begin{array}{l} \dot V = S\left( t \right)\dot S\left( t \right)\\ \;\;\; = S\left( t \right)\left[ {\left( {k - a} \right)e\left( t \right) + u\left( t \right) + f\left( t \right)} \right]。\end{array} $ | (10) |
为使
| $ u\left( t \right) = \left( {a - k} \right)e\left( t \right) - K{\mathop{\rm sgn}} \left( S \right), $ | (11) |
式中,K为滑模增益,选取K≥|f|。此时系统渐近稳定。
2 换相区转矩脉动分析无刷直流电机换相期间三相绕组的电压方程为:
| $ \begin{array}{l} \begin{array}{*{20}{c}} {\left\lceil {{V_{ga}}} \right\rceil }\\ {\frac{{{V_{dc}}}}{2}}\\ {\left\lfloor {{V_{gc}}} \right\rfloor } \end{array} = \begin{array}{*{20}{c}} {\left\lceil {\begin{array}{*{20}{c}} R&0&0 \end{array}} \right\rceil }\\ {\begin{array}{*{20}{c}} 0&R&0 \end{array}}\\ {\left\lfloor {\begin{array}{*{20}{c}} 0&0&R \end{array}} \right\rfloor } \end{array} \cdot \begin{array}{*{20}{c}} {\left\lceil {{i_a}} \right\rceil }\\ {{i_b}}\\ {\left\lfloor {{i_c}} \right\rfloor } \end{array}\\ \;\;\;\;\;\;\;\;\; + \frac{d}{{dt}}\begin{array}{*{20}{c}} {\left\lceil {\begin{array}{*{20}{c}} L&0&0 \end{array}} \right\rceil }\\ {\begin{array}{*{20}{c}} 0&L&0 \end{array}}\\ {\left\lfloor {\begin{array}{*{20}{c}} 0&0&L \end{array}} \right\rfloor } \end{array} \cdot \begin{array}{*{20}{c}} {\left\lceil {{i_a}} \right\rceil }\\ {{i_b}}\\ {\left\lfloor {{i_c}} \right\rfloor } \end{array}\\ \;\;\;\;\;\;\;\;\; + \begin{array}{*{20}{c}} {\left\lceil {{e_a}} \right\rceil }\\ {{e_b}}\\ {\left\lfloor {{e_c}} \right\rfloor } \end{array} + \begin{array}{*{20}{c}} {\left\lceil {{V_{NN0}}} \right\rceil }\\ {{V_{NN0}}}\\ {\left\lfloor {{V_{NN0}}} \right\rfloor } \end{array}, \end{array} $ | (12) |
式中,Vdc是直流母线电压,Vga、Vgc分别是A相、C相绕组与参考地之间的端电压。VNN0是电机三相绕组中点与参考地之间的电压。
由式(12)可得:
| $ {V_{NN0}} = \frac{1}{3}\left( {{V_{ga}} + {V_{gc}} + \frac{1}{2}{V_{dc}}} \right) - \frac{1}{3}\left( {{e_a} + {e_b} + {e_c}} \right)。$ | (13) |
在实际情况下,通常所调制的PWM信号频率都比较高,所以三相绕组的电气时间常数L/R一般而言远远大于载波周期, 因此电阻R可以忽律不计。理想情况下的无刷直流电机反电动势的平顶部分宽度为120°,并且无刷直流电机换相的持续时间极短,因此可以将换相期间的三相反电动势认为是常数,即ea=Em,eb=ec=-Em。
因此由式3、式4可得三相绕组电流:
| $ \left\{ \begin{array}{l} {i_a} = \left( {\frac{2}{3}{V_{ga}} + \frac{1}{3}{V_{gc}} - \frac{1}{6}{V_{dc}} - \frac{4}{3}{E_m}} \right)\frac{t}{L} + {i_{a0}}\\ {i_b} = \left( { - \frac{1}{3}{V_{ga}} + \frac{1}{3}{V_{gc}} + \frac{1}{3}{V_{dc}} + \frac{2}{3}{E_m}} \right)\frac{t}{L} + {i_{b0}}\\ {i_c} = \left( { - \frac{1}{3}{V_{ga}} - \frac{2}{3}{V_{gc}} - \frac{1}{6}{V_{dc}} + \frac{2}{3}{E_m}} \right)\frac{t}{L} + {i_{c0}} \end{array} \right., $ | (14) |
式中,ia0、ib0、ic0是换相前三相绕组相电流的稳态值。
由式(14)可的换相期间的电磁转矩为:
| $ {T_{em}} = \frac{{2{E_m}{I_0}}}{{{\omega _m}}} + \frac{{2{E_m}t}}{{3{\omega _m}L}}\left( {2{V_{ga}} + {V_{gc}} - \frac{1}{2}{V_{dc}} - 4{E_m}} \right), $ | (15) |
式中,t为换相时间,I0为相电流的幅值,Em为相反电动势的幅值。
换相前电机电磁转矩的稳态值为:
| $ {T_{em0}} = \frac{{2{E_m}{I_0}}}{{{\omega _m}}}。$ | (16) |
换相时电机的转矩脉动值为:
| $ \Delta {T_{em}} = \frac{{2{E_m}t}}{{3{\omega _m}L}}\left( {2{V_{ga}} + {V_{gc}} - \frac{1}{2}{V_{dc}} - 4{E_m}} \right)。$ | (17) |
以6-1区换相到1-2区为例,可得换相转矩脉动值为:
| $ \left\{ \begin{array}{l} \Delta {T_{em}} = \frac{{2{E_m}t}}{{3{\omega _m}L}}\left( {{V_{dc}} - 4{E_m}} \right)V{T_2} = 1\\ \Delta {T_{em}} = \frac{{2{E_m}t}}{{3{\omega _m}L}}\left( { - 4{E_m}} \right)V{T_2} = 0 \end{array} \right.。$ | (18) |
当Vdc < 4Em,也就是当无刷直流电机高速运行的时候,换相转矩脉动值始终小于零,因此在换相期间平均电磁转矩将减小。并且PWM调制波信号的占空比越大,换相转矩脉动的振幅越小。
当Vdc > 4Em,也就是当无刷直流电机低速运行的时候,换相转矩脉动值始终大于零,因此PWM调制波信号的占空比越小,换相转矩脉动的振幅越大。
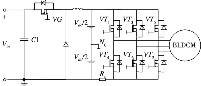
3 基于BUCK变换器的控制方法所设计的无刷直流电机变结构控制方法是在母线上加入BUCK变换器,其控制拓扑图如图 2所示。通过调节BUCK电路中驱动晶闸管开关的信号的占空比大小,来连续地调节母线电压,并有如下关系:
| $ {V_{dc}} = D \cdot {V_{in}}, $ | (19) |
![]() |
| 图 2 基于BUCK变换器的控制拓扑图 |
式中,D是BUCK电路开关管的占空比,Vin是BUCK电路入端电压。
在BUCK电路来调节母线电压大小的基础上,原来三相逆变桥PWM信号控制的方式变为恒通控制,具体控制方式如图 3所示。每一次状态切换均采用恒通控制。
![]() |
| 图 3 三相六状态恒通方式 |
在该方法下,6-1区换相到1-2区时,VT2恒为1,则此时的换相转矩脉动值为:
| $ \Delta {T_{em}} = \frac{{2{E_m}t}}{{3{\omega _m}L}}\left( {{V_{dc}} - 4{E_m}} \right)。$ | (20) |
因为在此控制方式下恒有Vdc < 4Em,所以此控制方式能够有效地减小转矩脉动,使得电机平稳运转。
4 仿真实验结果仿真实验中选用的无刷直流电机参数如表 1所示。
| 表 1 无刷直流电机参数 |
![]() |
为突出提出的BUCK变换器的控制性能,实验中读取了单相电流、单相反电动势、两相电流和换相电流的数据波形,从电流脉动分析转矩脉动。
从图 4中可以看出:单相电流的波形比较趋近于方波,电流脉动较小(换言之,其转矩脉动也较小)。验证了设计的BUCK变换器能够有效地减小转矩脉动。
![]() |
| 图 4 单相电流与单向反电动势 |
从图 5中可以看出:在电流换相期间,电流脉动非常的小,验证了设计的BUCK变换器能够有效地减小换相期间的转矩脉动。
![]() |
| 图 5 两相电流 |
5 结论
1) 针对无刷直流电机广泛存在的换相转矩脉动较大的问题,提出了基于BUCK变换器的无刷直流电机变结构控制。在详细分析了换相区转矩脉动产生的原因后,设计了BUCK变换器。
2) 以一台1.5 kW无刷直流电机为实验对象,利用所设计的基于BUCK变换器的无刷直流电机变结构控制系统进行仿真验证。仿真结果表明,该方法能够有效地减小换相期间的转矩脉动。
| [1] |
姜田贵, 周波. 用于驱动无刷直流电机的矩阵变换器闭环调制[J]. 中国电机工程学报, 2009, 29(36): 88-95. DOI:10.3321/j.issn:0258-8013.2009.36.014 |
| [2] |
李珍国, 王江浩, 高雪飞, 等. 一种合成电流控制的无刷直流电机转矩脉动抑制系统[J]. 中国电机工程学报, 2015, 35(21): 5592-5599. |
| [3] |
夏鲲, 朱琳玲, 曾彦能, 等. 基于准Z源网络的永磁无刷直流电机换相转矩脉动抑制方法[J]. 中国电机工程学报, 2015, 35(4): 971-978. |
| [4] |
王峰, 杨文焕, 杨凯辰, 等. 无刷直流电机变频调速控制系统仿真研究[J]. 电子科技, 2015, 28(6): 100-103. |
| [5] |
徐丽萍, 李党婴. 基于LM2576的BUCK型直流变换器设计[J]. 电气应用, 2010, 29(4): 42-44;53. |
| [6] |
倪雨, 许建平, 王金平, 等. 滞环调制全局滑模控制Buck变换器设计[J]. 中国电机工程学报, 2010, 30(21): 1-6. |
2018, Vol. 32






