进气道试验主要测量进气道内气流的静态和动态特性,一般采用引射或抽吸方式获得进气流量。引射方式的进气道试验技术,其核心部件为引射器,试验时,引射器安装在模型内部。抽吸方式的进气道试验技术,其核心部件为真空泵,试验时,真空泵通过管道与模型尾喷口连接。引射器的设计理论、机理及工作特性研究主要始于20世纪30年代。1946年,Keenan和Newman提出了等面积和等压混合引射器一维理论模型。1976年,Emanuel利用一维理论对引射器流动参数的影响规律进行了研究,并对引射器进行了优化设计[1]。1977年,Munday和Bagster提出了临界喉道概念,认为喉道限制了引射器最大引射能力[2]。此外,Judy C. Bergmann和Stefanie Hirt分别在NASA格林研究中心和美国空军阿诺德工程发展中心发展了进气道试验技术[3-4]。
喷流试验主要获取喷流对飞行器气动特性的影响和矢量喷管性能参数,采用高压气源模拟发动机喷流。基于引射器的动力模拟试验技术一直是许多国家进行飞行器动力模拟试验的重要方法。20世纪60年代,美国已成功将引射器应用于飞行器动力模拟试验中,研究飞行器进气/喷流对飞机气动特性的影响。俄罗斯目前还主要采用引射器进行喷流的模拟,美国和欧洲现在基本采用TPS来同时模拟发动机的进气/喷流效应,但由于TPS单元尺寸相对较大,战斗机喷流模拟试验仍然主要采用引射器进行。
国内以往进气道和喷流试验主要在3m量级风洞中开展。中国空气动力研究与发展中心Φ3.2m风洞和中国空气动力研究院3.5m×2.5m风洞均采用引射方式进行进气道试验[5-6],存在模型缩比后进气唇口外形及进气口处各类装置难以精确模拟的困难,并且采用引射器来获得的进气流量有时不能完全达到缩比后的流量要求。王勋年等利用引射器发展了发动机进气/喷流一体化模拟试验技术[7],但进气流量受到一定限制。贾毅等利用设计的喷流模拟器进行了喷流影响和矢量喷管性能研究[8],但缩比后的喷流模拟器尺寸小,内部气流管道、喷管、波纹管以及天平等设计难度大,一定程度上限制了技术的应用。本文主要介绍在8m×6m风洞采用真空泵抽吸系统和喷流模拟器建立的大尺度模型进气道和喷流试验技术和系统。
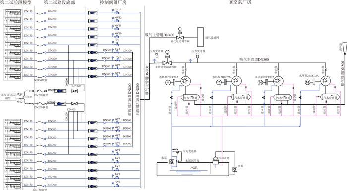
1 试验系统 1.1 进气道试验系统进气道试验系统的核心是真空泵抽吸系统,其结构见图 1。模型进气道出口设计为两路,经扩张达到Φ0.25m,首先通过Φ0.25m软管连接并扩张至第二试验段下方两路Φ0.4m钢管,然后每路分为4路Φ0.4/Φ0.3m分管,最后融合为一路Φ0.8m管路连接至四台真空泵。其中,从两路Φ0.4m钢管分为8路Φ0.4/Φ0.3m分管的原因在于系统兼顾了8m×6m风洞吸气地板的抽吸功能要求。
|
图 1 真空泵抽吸系统结构 Figure 1 Structure of vacuum-pump system |
系统抽吸流量与真空泵的抽吸能力、管道直径/长度/材质、管路沿程阀门性能以及进气道喉道面积相关。真空泵抽吸能力为系统的根本,真空泵由4台水环泵作为主动力,泵前最低吸入压力为16000Pa,单台泵对应抽吸流量227m3/min;入口压力为55000Pa时,单台泵对应抽吸流量为383m3/min。管道直径/长度/材质、管路沿途阀门性能以及综合管路气流流速决定压力损失。四台泵同时工作、无模型、带单根Φ0.25m软管条件下,系统最大抽吸流量为(8~9)kg/s。
采用某双发战斗机验证模型进行了进气道试验,验证模型比例为1:8,进气道喉道面积为8594mm2,当量直径约0.1046m,实际测量得到单个喉道最大抽吸流量约为1.95kg/s,对应喉道气流速度达到声速。
1.2 喷流试验系统喷流试验系统结构见图 2。系统由通气支杆、主天平、喷流模拟器、喷管天平、矢量喷管、校准专用天平和空气桥等组成,其中,校准专用天平和空气桥等用于进行喷流模拟器的地面校准,其核心部件为喷流模拟器。
|
图 2 喷流试验系统结构 Figure 2 Structure of jet test system |
喷流模型内部结构见图 3。模型通过主天平连接在通气支杆上,全机气动力由主天平测量。高压气源通过通气支杆进入喷流模拟器,从尾喷管排出形成喷流,模拟发动机喷流效应。矢量喷管和喷流模拟器为一个整体,喷管天平固定端与喷流模拟器固定端连接,并与模型脱离,喷管天平浮动端与矢量喷管连接,喷管气动力由喷管天平测量。
|
图 3 喷流模型内部结构 Figure 3 Structure of jet test model |
喷流模拟器内部结构见图 4。高压气源通过固定端内腔,经过安装在固定端腔体四周的声速喷管进入整流锥与矢量喷管管体之间,沿整流锥表面从尾喷口喷出。密封室内只承受高压,无气流流动。
|
图 4 喷流模拟器内部结构 Figure 4 Structure of jet simulator |
喷管天平测量结果的准确修正是喷流试验技术的关键。采用喷管天平的目的在于获得矢量喷管喷流的反推力。喷流天平实际测量获得的力包括喷流模拟器自身重量、喷流模拟器与固定端连接带来的内力、喷流模拟器内部气流流动的摩擦力以及喷流的反推力。为获得干净的喷流反推力,必须对前面三种力进行分离。
喷流模拟器与固定端连接带来的内力是喷流模拟器固定端与喷管天平固定端多点连接造成的。为防止压缩空气从环室与喷嘴之间的间隙洩出,同时保证供气管路对喷管天平测力的影响较小,在浮动端和固定端之间的密封室前段和后段安装了两处金属波纹管进行密封。由于波纹管自身具有一定刚度,必然会带来一定内力,并且在承受高压情况下,波纹管的刚度将显著增加,导致波纹管刚度影响量显著增大。
将喷流模拟器自身重量影响定义为重力效应,金属波纹管自身刚度影响定义为附加刚度效应,高压情况下金属波纹管刚度增大的影响定义为压力效应,喷流模拟器内部气流流动造成的摩擦力定义为流动效应,那么,天平实际测量结果为:
| $F = {f_T} + {f_G} + {f_A} + {f_P} + {f_F}$ | (1) |
式(1)中,F代表天平测量实测结果,fT代表反推力,fG代表重力效应,fA代表附加刚度效应,fP代表压力效应,fF代表流动效应。
重力效应采用扣除天平初读数的方法修正。附加刚度效应通过将“喷管天平/喷流模拟器”作为一个整体进行静态校准,按照“喷流天平/喷流模拟器”组合体校准公式进行载荷计算。压力效应和流动效应采用喷流模拟器校准装置校准完成。喷流模拟器校准装置见图 5,通过测量不同落压比下的校准天平测量结果对喷流天平测量结果进行修正。
|
图 5 喷流模拟器校准装置 Figure 5 Calibration equipment for jet simulator |
8m×6m风洞进气道和喷流试验系统的建立,可将以往在3m量级风洞进行试验的模型比例增大1倍,能够更为精细地模拟战斗机气动外形,获得更为准确的进气道性能、喷流对战斗机气动特性影响及矢量喷管性能参数。真空吸气系统抽吸流量可实现8m×6m试验段大尺度战斗机进气道模型100%进气流量要求,采用内置喷管天平的喷流模拟器和相应的修正技术,可准确获得矢量喷管的反推力及性能参数。
| [1] |
Emanuel G. Optimum performance for a single-stage gaseous ejector[R]. AIAA 76-0341, 1976.
( 0) |
| [2] |
Munday J T, Bagster D F. A new ejector theory applied to steam jet refrigeration[J]. Industrial and Engineering Chemistry Process Design and Development, 1977, 16(4): 442-449. DOI:10.1021/i260064a003 ( 0) |
| [3] |
Bergmann J C. Improvements in inlet testing at the arnold engineering development center[R]. AIAA 99-2113, 1999.
( 0) |
| [4] |
Hirt S. Large-scale low-boom inlet test overview[R]. NASA Technical Conference, 20110011262.
( 0) |
| [5] |
高静, 郝卫东, 闫永昌, 等. 进气道低速特性试验技术研究[J]. 流体力学实验与测量, 2004, 18(1): 38-42. ( 0) |
| [6] |
巫朝君, 孔鹏, 王勋年, 等. 基于张线尾撑的进气道低速风洞试验技术研究[J]. 实验流体力学, 2012, 26(2): 86-89. ( 0) |
| [7] |
王勋年, 巫朝君, 陈洪, 等. 战斗机推进系统模拟低速风洞试验技术研究[J]. 实验流体力学, 2011, 25(3): 46-49. ( 0) |
| [8] |
贾毅, 郑芳, 黄浩, 等. 低速风洞推力矢量试验技术研究[J]. 实验流体力学, 2014, 28(6): 92-97. ( 0) |
| [9] |
王勋年, 孙正荣, 刘伯均, 等. 低速风洞试验[M]. 北京: 国防工业出版社, 2002.
( 0) |
2017, Vol. 35



0)