2. College of Resource and Civil Engineering, Northeastern University, Shenyang 110006, China
为减小地震作用给建筑结构造成的不良影响,调谐质量阻尼器 (tuned mass damper,TMD) 作为一种传统的被动减振装置,因机理明晰、效果显著、安装简单和易于维护得到了较为广泛的应用。但TMD也存在诸如空间要求严苛、对外激励过于敏感等缺点[1-4]。为使TMD获得更好更稳定的减振效果,国内外学者做了很多研究,秦丽等[5]将冲量装置和离合装置附加于TMD后提出了调速型TMD,Igusa[6]将多个质量块附加于TMD提出了多重调谐质量阻尼器 (multiple tuned mass damper,MTMD),Chang等[7]将主动控制力引入结构控制领域,提出了主动调谐质量阻尼器 (active tuned mass dampers,ATMD) 来克服TMD的缺陷等。
地震作用下,碰撞现象普遍存在。如相邻的建筑结构间距较小时,不同高度部位的构件发生碰撞破坏。碰撞作用会导致构件破坏,但碰撞作用过程中的能量耗散作用也可以被利用。在结构的振动控制系统中,可以通过碰撞作用实现能量的耗散。粘弹性物质可以有效的吸收能量和缓冲边界上的冲击。还可以通过松弛和蠕变等特有性质保持振子的有效性和吸能性[8-10]。由将粘弹性物质附加于TMD后发展而来的粘弹性碰撞调谐阻尼器 (viscoelastic pounding tuned mass damper,PTMD) 被Song等[11]于2013年提出,并PTMD对了输电塔在EI地震波下的减振问题,Li等[12]探讨了PTMD的鲁棒性Singla等[13]则将其用在交通信号杆的风致振动的减振当中,Bordalo等[14]将其用于小比例的管道结构减振,都取得了较好的效果。作为一种新型减振装置,国内外对PTMD的研究还较少,本文尝试将PTMD用于高层钢结构减振,研究其减振效果,考察碰撞材料、预留间隙、地震强度等因素对PTMD的减振效果的影响。
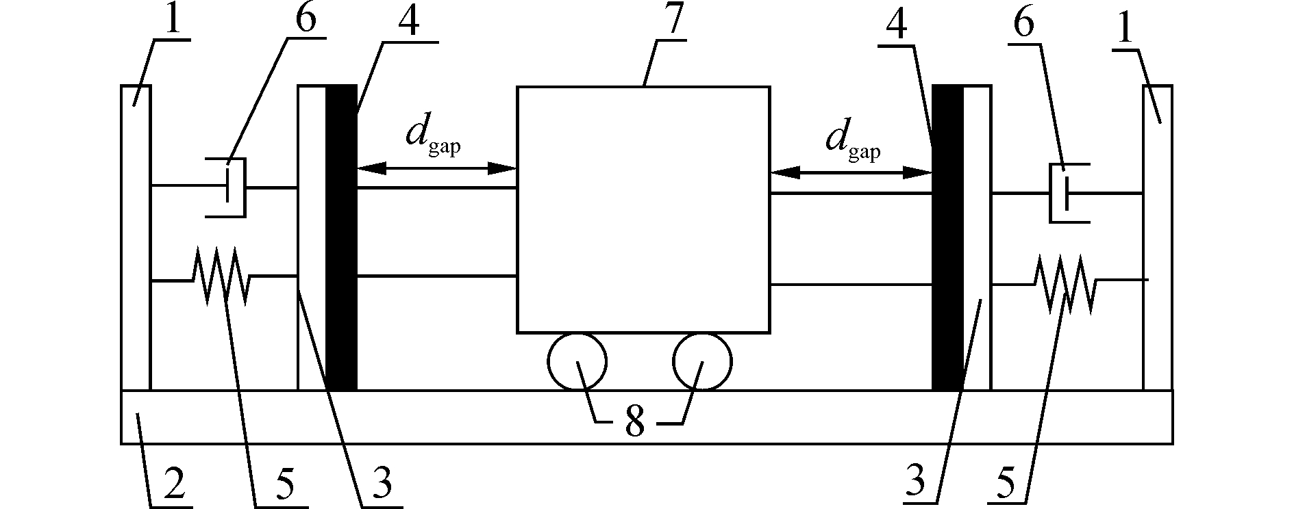
1 模型建立 1.1 运动方程PTMD通过在TMD上附加碰撞装置得到,如图 1所示。质量块和碰撞挡板之间预留有间隙dgap,当质量块与主结构相对位移小于该值,无碰撞,PTMD实质上是TMD,通过谐振效应提供控制力;一旦质量块与主结构相对位移超过该值,发生碰撞,控制力由谐振力和碰撞产生的碰撞力组成。
|
| 图1 PTMD装置构造 Figure 1 Schematic of PTMD 注:1.TMD限位装置,2.安装底板,3.碰撞限位装置,4.碰撞材料,5.弹簧,6.阻尼器,7.质量块,8.滚轮 |
PTMD安装于高层结构后,主结构运动方程:
| $ \mathit{\boldsymbol{M\ddot X + C\dot X + KX = }} - \mathit{\boldsymbol{M}}{\mathit{\boldsymbol{X}}_g} + \mathit{H}\mathit{\boldsymbol{F + }}{\mathit{\boldsymbol{F}}_{{\rm{TMD}}}} $ | (1) |
式中:M、K分别代表结构的质量和刚度矩阵;C为结构的阻尼矩阵,满足瑞利阻尼假设。M、K、C表达式如下:
| $ \mathit{\boldsymbol{M = }}{\rm{diag}}\left[ {\begin{array}{*{20}{c}} {{m_1}} & {{m_2}} & \cdots & {{m_{n - 1}}} & {{m_n}} \end{array}} \right] $ | (2) |
| $ \mathit{\boldsymbol{K = }}\left[ {\begin{array}{*{20}{c}} {{k_1} + {k_2}} & { - {k_2}} & {} & {} & {} & {} & {}\\ { - {k_2}} & {{k_2} + {k_3}} & { - {k_3}} & {} & {} & {} & {}\\ {} & { - {k_3}} & {{k_2} + {k_3}} & \ddots & {} & {} & {}\\ {} & {} & { - {k_4}} & \ddots & { - {k_{n - 2}}} & {} & {}\\ {} & {} & {} & \ddots & {{k_{n - 2}} + {k_{n - 1}}} & { - {k_{n - 1}}} & {}\\ {} & {} & {} & {} & { - {k_{n - 1}}} & {{k_{n - 1}} + {k_n}} & { - {k_n}}\\ {} & {} & {} & {} & {} & { - {k_n}} & {{k_n}} \end{array}} \right] $ | (3) |
| $ \mathit{\boldsymbol{C}} = \alpha \mathit{\boldsymbol{K}} + \beta \mathit{\boldsymbol{M}} $ | (4) |
其中
| $ \alpha \mathit{\boldsymbol{ = }}\frac{{2\zeta {\omega _1}{\omega _2}}}{{{\omega _1} + {\omega _2}}} $ | (5) |
| $ \beta \mathit{\boldsymbol{ = }}\frac{{2\zeta }}{{{\omega _1} + {\omega _2}}} $ | (6) |
式中:ω1、ω2为结构的前两阶圆频率,ζ为结构阻尼比。
FTMD为来自TMD的控制力,若PTMD安装于第j层,则
| $ {\mathit{\boldsymbol{F}}_{{\rm{TMD}}}} = {\left[ {0 \cdots 0{k_d}\left( {{x_d} - {x_j}} \right) + {c_d}\left( {{{\dot x}_d} - {{\dot x}_j}} \right) \cdots 0} \right]^{\rm{T}}} $ | (7) |
式中xj表示第j层的位移。
PTMD运动方程:
| $ {m_d}{{\ddot x}_d} + {c_d}{{\dot x}_d} + {k_d}{x_d} = - {m_d}{x_d} - HF - {\mathit{\boldsymbol{F}}_{{\rm{TMD}}}} $ | (8) |
| $ H = \left\{ \begin{array}{l} 1,\;\;\;\left| {{x_d} - {x_j}} \right| > {d_{{\rm{gap}}}}\\ 0,\;\;\;其他 \end{array} \right. $ | (9) |
式中:xd表示PTMD质量块的位移,kd和cd分别是PTMD的弹簧刚度和阻尼器的阻尼系数。F是由于PTMD质量块与粘弹性材料发生碰撞而产生的碰撞力,按式 (10) 计算。
1.2 粘弹性碰撞的碰撞力将质量块与碰撞板接触面图 2所示,两者接触力按下式计算[15]
|
| 图2 质量块与粘弹性碰撞壁接触示意 Figure 2 Schematic of collisions with viscoelastic material contact |
| $ F = \frac{4}{3}{E^ * }R_1^{ * 1/2}{d^{3/2}} $ | (10) |
粘弹性材料的本构模型有很多,如最基本的Kelvin模型、Maxwell模型和精确度较高的三参数模型 (见图 3),以及更复杂的模型,如四参数模型、五参数模型等。
|
| 图3 三参数固体本构模型示意 Figure 3 3-parameters constitutive model |
由于三参数模型具有较高的精度,能够很好的体现材料的粘弹性特征,且易于在Matlab等数学软件中实现拉氏变换等特点,本文采用该模型描述碰撞材料的本构关系。
1.4 钢结构模型参数与输入的地震响应采用文献[20]给出的14层钢结构模型,层重7×107 kg,层刚度4.934×105 kN/m,阻尼比0.02,结构前两阶圆频率分别是0.458 rad、1.368 rad。若无说明,本文输入地震激励为宁河天津东西向地震波,波谱有效频宽0.30~35 Hz,峰值加速度1.45 m/s2,持续时间20 s,台站处烈度7度。计算在SIMULINK中完成,计算方法ODE4,时间步长0.001 s。
2 参数研究考虑到结构在地震作用下的振动实际上是一个随机振动过程,现采用均方根值 (RMS) 来表示反应的平均能量水平:
| $ {\rm{RM}}{{\rm{S}}_X} = \sqrt {\left( {\sum\limits_{i = 1}^n {{{\left( {{X_i}} \right)}^2}/n} } \right)} $ | (11) |
式中:Xi表示每个采样时刻点对应的结构反应,n表示采样点数。
计算结构的减震率公式如下
| $ \eta = \frac{{{\rm{RM}}{{\rm{S}}_{{\rm{without}}\;{\rm{control}}}} - {\rm{RM}}{{\rm{S}}_{{\rm{PTMD}}\;{\rm{control}}}}}}{{{\rm{RM}}{{\rm{S}}_{{\rm{without}}\;{\rm{control}}}}}} \times 100\% $ | (12) |
作为对比,计算同质量比的TMD的减振效果,其频率比和阻尼比按照Ioi[16-17]给出的最优值计算:
| $ \begin{array}{*{20}{c}} {{f_t} = \frac{1}{{1 + \mu }} - \left( {0.24 + 1.7\mu - 2.6{\mu ^2}} \right)\zeta - }\\ {\left( {1.0 - 1.9\mu + {\mu ^2}} \right){\zeta ^2}} \end{array} $ | (13) |
| $ \begin{array}{*{20}{c}} {{\zeta _{{\rm{opt}}}} = \sqrt {\frac{{3\mu }}{{8 + 8\mu }}} + \left( {0.1 + 0.1\mu + 0.4{\mu ^2}} \right)\zeta - }\\ {\left( {0.01 + 0.9\mu + 3{\mu ^2}} \right){\zeta ^2}} \end{array} $ | (14) |
式中:μ是质量块和结构质量之比,ζ是结构阻尼比。
对于PTMD,最优频率比依然适用,但是最优阻尼比已不适用,为TMD最优阻尼比3倍[12]。
2.1 碰撞材料和预留间隙对减振效果的影响粘弹性材料种类繁多,性质各异。其性质与材料配方、浇筑方式、制作设备、固化时间等制作工艺都有密切的关系。为讨论碰撞材料对减振效果的影响,根据相关文献已制备的聚氨酯弹性体,设置A、B、C、D、E五种材料序列,本构参数如表 1。
| 序列 | E1 | E2 | C | 等效模量E* |
| A | 2×105 | 2×105 | 4×103 | 1×105 |
| B | 2×106 | 2×106 | 4×104 | 1×106 |
| C | 2×107 | 2×107 | 4×105 | 1×107 |
| D | 2×108 | 2×108 | 4×106 | 1×108 |
| E | 2×109 | 2×109 | 4×107 | 1×109 |
图 4是质量比为μ=2.0%,附加不同材料的PTMD对主结构的减振率随预留间隙的变化曲线。
|
| 图4 使用不同碰撞材料的PTMD对结构的减振率 (μ=2.0%) Figure 4 Vibration reduction of PTMD with different pounding materials (μ=2.0%) |
碰撞材料是影响碰撞效果的关键因素之一。对等效弹性模量较低的碰撞材料 (A组和B组),减振率随着间隙的增大而减小。预留间隙在0.05 m时,使用A组材料PTMD对顶层位移、顶层加速度、13~14层间位移和11~12层间位移均方值减振率可分别达到30.4%、22.4%、27.3%和28.1%;B组则可分别达到40.7%、32.4%、33.9%和37.9%。当间隙超过0.4 m之后,不发生碰撞,PTMD退化成传统TMD,减振率为一定值。这表明,碰撞抑制了结构振动,消耗了能量,PTMD能够有效减轻结构振动。
使用C、D、E三组材料的PTMD对结构顶层位移、13~14层间位移、11~12层间位移均方值减振率随预留间隙的增大先上升后下降最后减振率稳定在一个恒定值。C、D、E三组顶层位移均方值减振率分别在0.2、0.3、0.3 m处达到最大值41.7%、40.7%和40.5%;C组对13~14层间位移均方值和11~12层间位移均方值减振率均在预留0.25 m间隙时取得最大值33.7%和38.1%,E、D组则都在0.35 m时取得最大值,两组最大值分别为31.6%、3.5%和30.8%、36.8%。
D、E两组对结构顶层加速度均方值的控制效果差。D组预留小于0.35 m,E组预留间隙小于0.2 m,PTMD增大了结构反应。此时碰撞强烈,碰撞力将巨大的冲量,不利于减振。
综上,PTMD的减振效果和碰撞材料以及碰撞装置的预留间隙有密切关系。需要根据实际情况选择合适的碰撞材料和预留间隙。碰撞材料较软,适当减小预留间隙可获得良好的控制效果。碰撞材料较硬,减振效果随着预留间隙增大先提高后降低最后恒定。因此,需同时考虑预留间隙和碰撞材料的性质对PTMD进行优化。
2.2 地震强度对PTMD的减振效果影响采用C组材料,预留0.25 m间隙,保持波谱不变,按比例系数αamp(式15) 缩放峰值加速度的大小amax,图 5是不同地震强度下的PTMD控制减振率曲线。由图 5可见,随着地震强度增加,各参数的减振系数经历了一个先上升后下降的过程。这表明在地震强度较低的时候,附加质量块和主结构响应都较小,预留间隙可能过大,碰撞发生少甚至不发生,碰撞不完全,PTMD实际上相当于TMD,减振效果下降。地震强度加强,结构响应加剧,碰撞频次增加,一定范围内碰撞加强将增强PTMD的耗能能力,提高减振率。但一旦碰撞过于剧烈,碰撞力过大、碰撞频次过高,将会影响结构的结构动力特性,甚至产生副作用,放大结构反应。
| $ {\alpha _{{\rm{amp}}}} = \frac{{{a_{\max }}}}{{1.45}} $ | (15) |
|
| 图5 不同地震强度下PTMD减振率 (C组材料,dgap=0.25 m,μ=2.0%) Figure 5 Vibration reduction ration of PTMD under different earthquake magnitude (C type material, dgap=0.25 m, μ=2.0%) |
一般情况下地震波谱不具有明显规律和周期性。为考察PTMD在不同地震作用的减振效果,选取El、KOBE、TAFT和QIANAN等四种典型的地震波谱,保持峰值加速度1.45 m/s2(不改变波谱其他特征),分别输入结构进行模拟。
图 6给出了PTMD各地震波谱作用下的减振效果。由图 6可知,PTMD对个地震作用下的结构振动仍有较好的减振效果。以2%质量比的PTMD为例,对EI、KOBE、TAFT和QIANAN波下的对顶层减振率分别可达25.1%、25.2%、20.4%和31.9%,对顶层加速度的减震率分别达到了11.8%、13.2%、7.2%和7.4%,13~14层层间位移可达15.5%17.0%、11.4%和14.6%,对11~12层间位移则有18.9%、20.3%、14.8%和19.4%。
|
| 图6 不同地震作用下PTMD减振率 (C组材料,dgap=0.25 m) Figure 6 Vibration reduction of PTMD subject to different earthquakes (C type material, dgap=0.25 m) |
为保证TMD减振效果,主结构一般需附加巨大的质量块。这些动辄上百吨的质量块无论是安装,还是后续的维护都存在较大的难度,特别是对于悬吊式TMD还将增加安全隐患,因此在保证减振效果的前提下降低质量块的重量有重要意义。图 7是相同质量比下PTMD和TMD的减振效果曲线。
|
| 图7 PTMD和TMD的减振对比 (C组材料,dgap=0.25 m) Figure 7 Comparison between PTMD and TMD on control effect (C type material, dgap=0.25 m) |
虽然PTMD对顶层加速度的减振效果和TMD相当,但PTMD对顶层位移和13~14、11~12层间位移的减振效果要远优于同质量的TMD。PTMD对结构顶层位移的减震率是TMD的近两倍,对层间位移的减振效率也能比TMD提高至少35.7%。换言之,在同等控制要求下,PTMD能够大幅度减轻附加质量块的重量,如质量比0.5%的PTMD即可达到2%的TMD的对顶层位移的控制效果。
3.2 空间要求和附加阻尼TMD的原理是谐振效应,这就要求质量块在工作过程中要做大位移运动,而为了降低TMD的敏感性,一般会采取附加阻尼的方式来改善TMD效果,由于质量块要做大位移摆动,附加阻尼就必须是持续工作的大功率阻尼,这会增加成本,另一方面,要保证TMD的效果,需要为质量块提供足够的空间,这也会导致空间浪费。
PTMD的工作原理已经不再单纯是谐振效应,因此质量块的位移将会被有效限制,图 8是TMD和PTMD质量块和顶层的相对位移 (即最小安装要求) 时程曲线,TMD结构的质量块与顶层相对位移达到了0.502 m,而PTMD只有0.346,下降了31.0%,因此PTMD可以大幅降低阻尼的功率要求和安装限制,也更加经济适用。
|
| 图8 PTMD和TMD质量块与主结构相对位移时程曲线 (天津波,C组材料,dgap=0.25 m,μ=2.0%) Figure 8 Comparison between PTMD TMD on space requirement (TIANJIN wave, C type material, dgap=0.25 m, μ=2.0%) |
1) 碰撞材料和预留间隙对PTMD的减振效果至关重要,若碰撞材料等效弹性模量较低,减振率将随着间隙的增大而减小最后趋于恒定;碰撞材料等效弹性模量较高,减振率随预留间隙的增大先上升后下降最后稳定在一个定值。
2) 获得了PTMD在各工况下的减振曲线,PTMD在不同地震强度和不同地震作用下对高层钢结构均有较好的减振效果。
3) 从减振效果、空间要求和附加质量块重量三方面对比了TMD与PTMD,结果表明PTMD可以大幅降低阻尼的功率要求、安装空间限制和质量块重量,比TMD更加经济有效。
| [1] | HOUSNER G W, BERGMAN L A, CAUGHEY T K, et al. Structural control:past, present, and future[J]. Journal of engineering mechanics, 1997, 123(9): 897–971. DOI:10.1061/(ASCE)0733-9399(1997)123:9(897) |
| [2] | MARANO G C, GRECO R. Optimization criteria for tuned mass dampers for structural vibration control under stochastic excitation[J]. Journal of vibration and control, 2011, 17(5): 679–688. DOI:10.1177/1077546310365988 |
| [3] | AFSHARFARD A, FARSHIDIANFAR A. Free vibration analysis of nonlinear resilient impact dampers[J]. Nonlinear dynamics, 2013, 73(1/2): 155–166. |
| [4] | BISEGNA P, CARUSO G. Closed-form formulas for the optimal pole-based design of tuned mass dampers[J]. Journal of sound and vibration, 2012, 331(10): 2291–2314. DOI:10.1016/j.jsv.2012.01.005 |
| [5] |
秦丽, 周锡元, 闫维明. 调速型TMD及其地震控制效果的数值模拟[J].
振动与冲击, 2008, 27(2): 12–18, 37.
QIN Li, ZHOU Xiyuan, YAN Weiming. Velocity-adjustable TMD and numerical simulations for its seismic control effectiveness[J]. Journal of vibration and shock, 2008, 27(2): 12–18, 37. |
| [6] | IGUSA T, XU K. Vibration control using multiple tuned mass dampers[J]. Journal of sound and vibration, 1994, 175(4): 491–503. DOI:10.1006/jsvi.1994.1341 |
| [7] | CHANG J C H, SOONG T T. Structural control using active tuned mass damper[J]. Journal of the engineering mechanics division, 1980, 106(6): 1091–1098. |
| [8] | JEDARI S S, SADIGHI M, SHAKERI M, et al. An investigation on low velocity impact response of multilayer sandwich composite structures[J]. The scientific world journal, 2013, 2013: 175090. |
| [9] | GHALAMI-CHOOBAR M, SADIGHI M. Investigation of high velocity impact of cylindrical projectile on sandwich panels with fiber-metal laminates skins and polyurethane core[J]. Aerospace science and technology, 2014, 32(1): 142–152. DOI:10.1016/j.ast.2013.12.005 |
| [10] | MAMALIS A G, SPENTZAS K N, MANOLAKOS D E, et al. Experimental investigation of the collapse modes and the main crushing characteristics of composite sandwich panels subjected to flexural loading[J]. International journal of crashworthiness, 2008, 13(4): 349–362. DOI:10.1080/13588260801933691 |
| [11] | ZHANG Peng, SONG Gangbing, LI Hongnan, et al. Seismic control of power transmission tower using pounding TMD[J]. Journal of engineering mechanics, 2013, 139(10): 1395–1406. DOI:10.1061/(ASCE)EM.1943-7889.0000576 |
| [12] | LI Hongnan, ZHANG Peng, SONG Gangbing, et al. Robustness study of the pounding tuned mass damper for vibration control of subsea jumpers[J]. Smart materials and structures, 2015, 24(9): 095001. DOI:10.1088/0964-1726/24/9/095001 |
| [13] | LI Luyu, SONG Gangbing, SINGLA M, et al. Vibration control of a traffic signal pole using a pounding tuned mass damper with viscoelastic materials (Ⅱ):experimental verification[J]. Journal of vibration and control, 2015, 21(4): 670–675. DOI:10.1177/1077546313488407 |
| [14] | BORDALO S N, MOROOKA C K, TOCHETT L G, et al. Experimental assessment of the behaviour of a pipe vibration damper underwater[C]//ASME 2014 33rd International Conference on Ocean, Offshore and Arctic Engineering. San Francisco, California, USA:ASME, 2014:3782-3783. |
| [15] | XUE Qiqiao, ZHANG Chunwei, HE Jian, et al. An updated analytical structural pounding force model based on viscoelasticity of materials[J]. Shock and vibration, 2016, 2016: 2596923. |
| [16] | IOI T, IKEDA K. On the Houde damper for a damped vibration system[J]. Bulletin of JSME, 1980, 23(176): 273–279. DOI:10.1299/jsme1958.23.273 |
| [17] | JANIN O, LAMARQUE C H. Comparison of several numerical methods for mechanical systems with impacts[J]. International journal for numerical methods in engineering, 2001, 51(9): 1101–1132. DOI:10.1002/nme.206 |
| [18] |
李春祥, 刘艳霞. 高层建筑TMD风振控制优化设计[J].
计算力学学报, 2001, 18(1): 69–73.
LI Chuanxiang, LIU Yanxia. Optimum design of TMD for suppressing vibration of tall buildings subjected to wind[J]. Chinese journal of computational mechanics, 2001, 18(1): 69–73. |


