2. Telecommunication Department, Heilongjiang University of Science and Technology, Harbin 150022, China
机器人遥操作应用十分广泛,遥操作机器人系统能够极大改善机器人的作业能力,使人们可以完成有害或者远距离环境下的作业任务,如空间探索、远程医疗等[1]。基于网络的主从遥操作控制中,时延的存在会影响遥操作系统的稳定性和实时性,有时会使系统不可用。尤其是对于远程外科手术,网络时延会导致系统的不稳定,甚至会对患者生命安全造成威胁[2]。因此,研究远程手术中时延问题对于远程手术的发展具有重要的意义。
近年来,许多专家学者在网络时延方面做了大量的研究。Anderson和Spong提出了一套基于散射因子分析法的无源控制方法[3],使得系统在任何时延的情况下都能保持稳定。Niemeyer和Slotine提出了波变量理论,重新设计了滤波器使系统不断的耗能,从而保证了系统稳定性[4]。Strassberg和Goldenberg利用稳定性判据分析了大时延条件下遥操作系统的稳定性问题[5]。他们提出了“被动距离”和“透明距离”的概念,随后的Leung等利用这两个概念设计了遥操作系统的控制器,并利用H∞理论对系统进行稳定性分析[6]。Yongqiang Ye为了改善系统性能提出新的补偿预测方法[7]。Lee 和Spong引入PD控制器来提高系统性能,并证明了双向不对称固定有界时延的网络遥操作系统的稳定性[8]。
本文针对基于网络的骨科复位手术主从端之间的时延和外界干扰对系统性能的影响,通过选择适当的加权函数将系统的干扰问题转化为H∞鲁棒控制问题,采用基于H∞混合灵敏度和μ综合的方法在主从端设计了鲁棒控制器。通过广域网完成主从遥操作骨科复位实验,验证了遥操作骨科复位手术在Internet环境下实施的可行性。
1 网络时延特性分析通过测量北京和哈尔滨2个网络节点之间对远程网络时延RTT (round trip time)时间序列。在同一时间段分别测试UDP、TCP/IP协议下网络时延值,如图 1所示。
|
| 图1 UDP、TCP/IP协议下网络时延测试 Figure 1 Network time delay test under UDP and TCP/IP |
经过分析可知基于UDP协议时延均值为192.93 ms,基于TCP/IP协议时延均值为300.43 ms,因此可以看出采用了UDP协议的网络延时较短。
通过实验还发现,在不同时间段内同一种协议下的网络时延特性有明显的不同。这里仅以TCP/IP协议为例,分别测量了在同一天的下午(2∶00-4∶00)和晚上(8∶00-10∶00)的网络时延值。图 2可以看出,晚上的网络时延较稳定,但是有个别的时延值跳变比较大,下午的时延值跳变很严重。图 1(c)中的时延均值经过计算为282.19 ms,图 1(d)中的时延均值为286.88 ms。虽然两种协议各有优缺点,但考虑的时延长短的问题,本文采用UDP协议进行远程数据传输。
2 动力学模型修正对于远程手术首先要保证系统的稳定性,同时尽可能的提高透明性,控制结构采用F-P双通道结构。将机器人主从手等效为质量-阻尼系统。采用如下控制策略:
| ${{\tau }_{m}}={{m}_{m}}{{\dot{v}}_{m}}+{{b}_{m}}{{v}_{m}}-{{f}_{s}}$ | (1) |
| ${{\tau }_{s}}={{m}_{s}}{{\dot{v}}_{m}}+{{b}_{s}}{{v}_{m}}+{{f}_{s}}$ | (2) |
采用上述控制策略有个重要的问题是主从机械手的动力学模型难以准确获得,针对由于动力学模型与实际模型存在差异的问题,本文利用扰动观测器的方法解决。设其质量和阻尼的估计值分别为m~、b~。假设机器人的名义动力学方程为
| $\tilde{m}sV\left( s \right)+\tilde{b}V\left( s \right)={{F}_{0}}\left( s \right)\text{ }$ | (3) |
若将实际模型的非线性项及其与名义模型的参数差异等均看成扰动,并设为Fdis,包括动力学参数的误差、摩擦项、非线性项等,则机器人的实际动力学模型为
| $\tilde{m}sV\left( s \right)+\tilde{b}V\left( s \right)+{{F}_{dis}}\left( s \right)=F\left( s \right)\text{ }$ | (4) |
于是扰动项可以由下式计算:
| ${{F}_{dis}}\left( s \right)=F\left( s \right)-\left( \tilde{m}sV\left( s \right)+\tilde{b}V\left( s \right) \right)$ | (5) |
将扰动项通过前馈补偿给机器人的输入信号,即控制器的输出信号,即可将实际模型修正为名义模型,如图 2所示。
|
| 图2 扰动观测器结构图 Figure 2 Disturbance observer diagram |
图中虚线框的内部即为扰动观测器的结构。实际应用中,加速度信号难以获得,引入一阶低通滤波器,通过框图变换,避免对加速度信号的测量或差分求解,如图 3所示。
|
| 图3 扰动观测器的改进方案 Figure 3 Substitution of disturbance observer |
对图 3中虚线框内的部分进行简化,即可得到以下两式:
| ${{{\hat{F}}}_{dis}}(s)=Q(s)\left[ F(s)-(\tilde{m}sV(s)+\tilde{b}V(s)) \right]$ | (6) |
| $F(s)={{F}_{0}}(s)+{{{\hat{F}}}_{dis}}(s)$ | (7) |
式中
将以上两式代入式(4),即可得到:
| $\tilde{m}sV\left( s \right)+\tilde{b}V\left( s \right)+{{F}_{dis}}\left( s \right)\left( 1-Q\left( s \right) \right)={{F}_{0}}\left( s \right)$ | (8) |
当低通滤波器Q(s)的截止频率相对于操作点频率足够高时,可以认为Q(s)≈1,则式(8)变为式(3)。即经过扰动观测器的修正,机器人的实际动力学模型被修正为名义模型。之后对控制系统的设计可以直接采用名义动力学参数。图 4给出远程控制系统设计原理框图。 Pm(s)、Ps(s)分别表示主手和从手修正后的名义动力学传递函数:
| ${{P}_{m}}\left( s \right)=\frac{1}{{{m}_{m}}{{s}^{2}}+{{b}_{m}}s},{{P}_{s}}\left( s \right)=\frac{1}{{{m}_{s}}{{s}^{2}}+{{b}_{s}}s}$ | (9) |
式中:mm、bm、km分别表示主手期望阻抗的质量、粘滞系数和弹性系数,ms、bs、ks分别表示从手期望阻抗的质量、粘滞系数和弹性系数。
|
| 图4 远程控制系统框图 Figure 4 Remote control system diagram |
遥操作外科手术过程中,从端机器人在与组织接触之前做自由运动,利用H∞的方法设计主、从端控制器。主端控制器设计需要满足两个性能指标:主操作手理想顺应性;控制对象的输入um1不能超过预设的饱和限制;另外噪声dm1也应当包含在外界干扰中。主手控制器Km设计如图 5所示。
|
| 图5 主操作端控制器框图 Figure 5 Master controller diagram |
图 5中Wm1、Wm2和Wm3均为与频率相关的加权函数。因此,上述控制器设计问题转化为H∞标准控制问题:
| $\begin{align} & z=\left[ \begin{matrix} {{W}_{m1}}\left( {{f}_{h}}-{{v}_{m}} \right) \\ {{W}_{m2}}{{u}_{m1}} \\ \end{matrix} \right],w=\left[ \begin{matrix} {{f}_{h}} \\ {{d}_{m1}} \\ \end{matrix} \right] \\ & y={{v}_{m}}+{{W}_{m3}}{{d}_{m1}},u={{u}_{m1}} \\ \end{align}$ | (10) |
H∞控制器在很大程度上取决于加权函数的选择,经过多次试验下面分别给出灵敏度加权函数Wm1(s)、补灵敏度加权函数Wm2(s)和加权函数Wm3(s)的表达式:
| ${{W}_{m1}}\left( s \right)=\frac{0.09{{s}^{2}}+0.009s+1}{{{s}^{2}}+10s+0.1}\text{ }$ | (11) |
| ${{W}_{m2}}\left( s \right)=\frac{0.4s+0.011}{0.001s+1}\text{ }$ | (12) |
| ${{W}_{m3}}\left( s \right)=\frac{0.005s}{0.001s+1}$ | (13) |
名义模型和加权函数选定以后,将混合灵敏度方法转化为标准的H∞控制问题,由于使用混合灵敏度方法设计出来的控制器阶次过高,采用主导极点法得到一个3阶的控制器传递函数为
| ${{K}_{m}}=\frac{-0.353\text{ }3{{s}^{2}}-4.101s+213.4}{{{s}^{3}}+34.42{{s}^{2}}+111.4s+213.8\text{ }}$ | (14) |
灵敏度函数和灵敏度加权函数倒数1/Wm1(s)、补灵敏度函数和补灵敏度加权函数的倒数1/Wm2(s)的奇异值响应如图 6所示。系统的灵敏度函数和补灵敏度函数都位于其加权函数倒数之下,满足
|
| 图6 灵敏度、补灵敏度及加权函数倒数的幅频图 Figure 6 Frequency characteristic diagram of the sensitivity function,complementary sensitivity function and reciprocal of weighted functions |
主手控制器降阶前后的Bode图如图 7所示。通过对比可以看出降阶后并没有改变控制器低频Bode图的形状,高频部分降阶后频率特性斜率变大了,只对系统抗干扰能力有影响,而对于控制器的稳态性能影响不大。
|
| 图7 主端控制器Bode图 Figure 7 Master controller Bode figure |
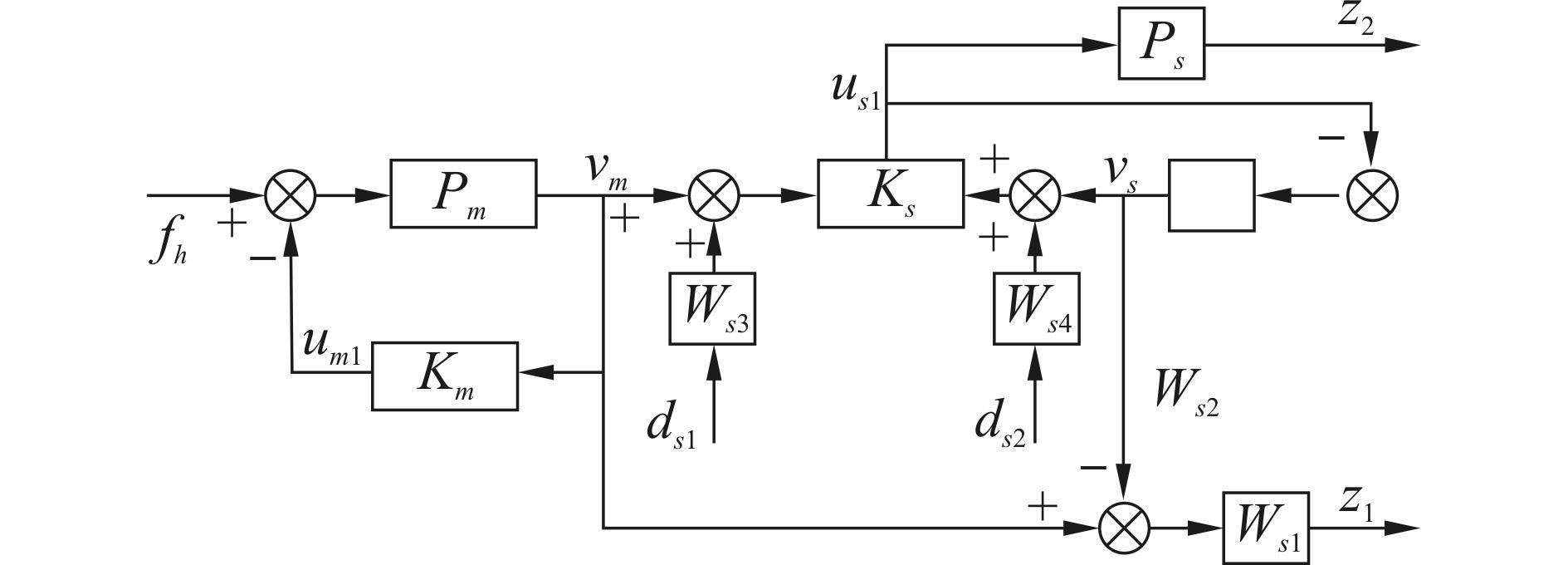
对于从端控制器需满足:从端vs跟踪主端vm;控制转矩us1不能超过预设的饱和限制;为了规范化引入噪声ds1、ds2。从端控制器设计框图 8所示。图 8中Ws1、Ws2、Ws3和Ws4为加权函数,同样可以将从端控制器设计问题转化为H∞标准控制问题:
| $\begin{align} & z=\left[ \begin{matrix} {{W}_{s1}}\left( {{v}_{m}}-{{v}_{s}} \right) \\ {{W}_{s2}}{{u}_{s1}} \\ \end{matrix} \right],w=\left[ \begin{matrix} {{f}_{h}} \\ {{d}_{s1}} \\ {{d}_{s2}} \\ \end{matrix} \right] \\ & y=\left[ \begin{matrix} {{v}_{m}}+{{W}_{s3}}{{d}_{s1}} \\ {{v}_{s}}+{{W}_{s4}}{{d}_{s2}} \\ \end{matrix} \right],u={{u}_{s1}} \\ \end{align}$ | (15) |
取加权函数值如下:
| $\begin{align} & {{W}_{s1}}=3\times {{10}^{-5}}\frac{{{s}^{2}}+10s+10\text{ }000}{{{s}^{2}}+10s+0.1} \\ & {{W}_{s2}}=0.96\frac{s}{s+1\text{ }000} \\ & {{W}_{s3}}=\frac{s}{0.001s+1} \\ & {{W}_{s4}}=0.7\frac{s}{0.001s+1} \\ \end{align}$ |
利用MATLAB工具箱hinfsyn指令得控制器:
| ${{K}_{s1}}=\frac{-81.63{{s}^{2}}-2\text{ }584s-10\text{ }640}{{{s}^{3}}+30.92{{s}^{2}}+220.8s+2\text{ }954}$ | (16) |
| ${{K}_{s2}}=\frac{0.002\text{ }631{{s}^{2}}+0.084\text{ }47s+0.3747}{{{s}^{3}}+30.92{{s}^{2}}+220.8s+2\text{ }954}$ | (17) |
|
| 图8 无约束状态从端控制器 Figure 8 Slave controller design of unconstrained space |
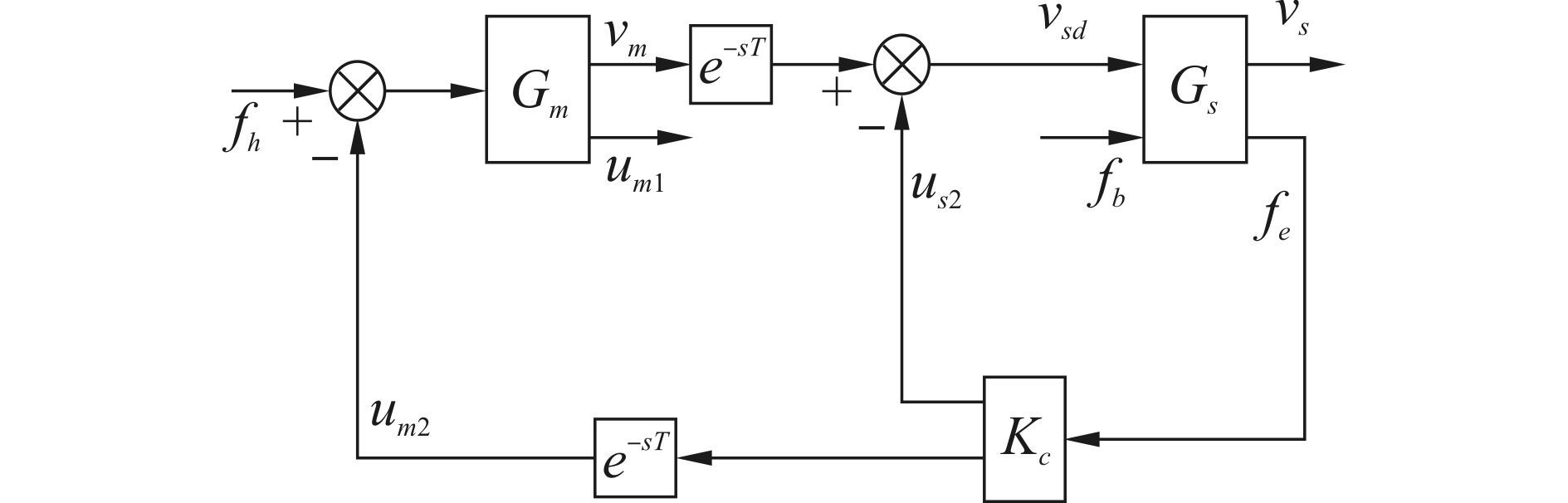
受限运动状态从端机器人与患者软组织有力的接触,主操作手对人手的作用力必须能够跟踪从机械手与环境的作用力。具有延时的整个系统可由图 9所示。受限运动状态下控制器设计要考虑:Kc的设计不能影响已经设计好的无约束运动状态;误差信号vm-vs必须包含在评价信号中;主端的力反馈能够跟踪从手末端传感器的感应力fs-(um1+um2);控制力矩不能超过饱和限制;系统对于主、从手之间的通信信道中的时延必须保持稳定。
|
| 图9 受限运动状态下控制器框图 Figure 9 Restricted space controller design diagram |
将时延放到一个模块中去,即把反馈通道的时延模块放到前向通道,定义:
| ${{f}_{b}}\leftarrow {{e}^{-sT}}{{f}_{b}};{{v}_{s}}\leftarrow {{e}^{-sT}}{{v}_{s}}$ | (18) |
这样做并不会改变系统的输入输出特性,也就是说系统的H∞范数并没有改变,因为‖e-sT‖=1。把时延看作对系统的一种干扰,其中Δ2T(s)=e-2sT-1,由于其最大幅值为2,即‖Δ2T‖∞=2,所以干扰比较大。Δ2T(s)在低频时比较小,对于每个低通滤波器F,当T→0时,‖Δ2T‖∞→0。这就意味着如果把干扰模块移到主手系统Gm的外部,这将能够很好的减少前面所说的系统保守性,如图 10所示。
|
| 图10 控制器替换模型 Figure 10 Controller substitution mode |
对于一个单输入、单输出带宽滤波器Wc(s)满足如下条件:
| ${{\left\| {{W}^{-1}}_{c}{{\Delta }_{2Tm}} \right\|}_{\infty }}<1$ | (19) |
把Δ2Tm写成Δ2Tm=Δ2TmW-1cWc,现在干扰为W-1cΔ2Tm,其范数小于1,因此,H∞设计如下所示:
| $\eqalign{ & z = \left[ {\matrix{ {{W_1}\left( {{v_m} - {v_s}} \right)} \cr {{W_2}[{f_s} - \left( {{u_{m1}} + {u_{m2}}} \right)} \cr {{W_3}{u_{m2}}} \cr \matrix{ {W_4}{u_{s2}} \hfill \cr {z_5} \hfill \cr} \cr } } \right] \cr & w = \left[ {\matrix{ {{f_h}} \cr {{f_b}} \cr {{w_3}} \cr } } \right],y = {f_s},u = \left[ \matrix{ {u_{m2}} \hfill \cr {u_{s2}} \hfill \cr} \right] \cr} $ | (20) |
通过选择合适的加权函数矩阵,可以找到一个控制器,使得w3到z5的范数不大于1,同时,其余输入到输出的范数尽可能的小。运用H∞优控制理论来解决受限运动时控制器的设计问题,经过多次选择加权函数如下。
| ${{W}_{m1}}\left( s \right)=0.000\text{ }03\frac{{{s}^{2}}+18s+10\text{ }000}{{{s}^{2}}+18s+0.01}$ | (21) |
| ${{W}_{m2}}\left( s \right)=0.000\text{ }03\frac{{{s}^{2}}+10s+10\text{ }000}{{{s}^{2}}+10s+0.1}$ | (22) |
| ${{W}_{3}}\left( s \right)={{a}_{3}}\frac{s}{0.1s+1},{{W}_{4}}\left( s \right)={{a}_{4}}\frac{s}{0.1s+1}$ | (23) |
函数Wc(s)设计时如前所述,可得
| ${{W}_{c}}\left( jw \right)>{{\Delta }_{2T}}\left( jw \right){{G}_{m1}}\left( jw \right)\forall w,\forall T\le 4\text{ }$ | (24) |
假设单向时延TMAX=2,Wc(s)经过选择,取
| ${{W}_{c}}(s)=5\frac{s{{\left( 0.007s+1 \right)}^{2}}}{{{\left( 0.035s+1 \right)}^{3}}\left( 1.9s+1 \right)}$ | (25) |
曲线
|
| 图11 控制器替换模型 Figure 11 Controller substitution mode |
根据以上的传递函数与加权函数,本文采用μ综合的方法来设计系统,求控制器Kc的表达式:
| ${{K}_{cs}}=\frac{6\text{ }086{{s}^{2}}+52\text{ }990s-1\text{ }052\text{ }000}{{{s}^{3}}-1\text{ }740{{s}^{2}}+123\text{ }900s+2\text{ }837\text{ }000\text{ }}$ | (26) |
| ${{K}_{cm}}=\frac{2\text{ }489{{s}^{2}}-48\text{ }080s-1\text{ }700\text{ }000}{{{s}^{3}}-1\text{ }740{{s}^{2}}+123\text{ }900s+2\text{ }837\text{ }000}$ | (27) |
操作者在主端握住主操作手,控制从端机器人做自由运动,此时位置跟踪性能是主从系统性能的一个重要指标。为了验证系统的这一特性以复位机器人为从端执行器进行了遥操作骨科复位位置跟踪实验,搭建实验平台如图 12所示。
|
| 图12 远程运动实验平台 Figure 12 Remote motion experiment platform |
自由运动下主从位置跟踪曲线如图 13所示。从图中从端机器人和主端动作的跟随一致性可以看出,虽然在自由状态下没有时延控制器,但是当主操作手低速运动时,从端复位机器人的位姿跟踪基本上保留了主端的运动信息,这说明了主从端控制器设计的有效性。
|
| 图13 自由运动状态下主从位置跟随曲线 Figure 13 Master-slave position tracking under freedom space |
构建外科手术主从遥操作系统如图 14所示。
|
| 图14 远程外科手术系统框图 Figure 14 Remote needle procedure diagram |
为了测量拔伸过程中肌肉的拮抗力和主端反馈力,在断骨的末端和主操作手动平台上都安装了力传感器,验证机器人辅助骨科复位手术中的力跟踪性能,如图 15和图 16所示。
|
| 图15 断骨接触时主从力曲线 Figure 15 Master-slave force tracking of broken bones contact |
|
| 图16 拉伸动作下主从力曲线 Figure 16 Master-slave force of stretch traction |
图 15给出在没有使用时延补偿控制器情况下力跟踪的曲线,力反馈信息失真比较大,且在主端存在突变。图 16给出系统采用了灵敏度函数设计的鲁棒控制器下力跟踪曲线,可以看出在一定网络的时延影响下,主端的反馈力会滞后从端的接触力。但是控制器对时延有一定的抑制作用,主端基本上能够跟踪上从端的力信息,且力反馈跟踪波形基本上相符,同时也消除了力反馈中出现的跳变现象。通过该实验可以看出设计控制器的有效性。
6 结论本文通过测试UDP、TCP/IP协议下网络时延值,采用UDP协议进行远程数据传输。
1) 引入扰动观测器和低通滤波器将机器人动力学模型进行了修正。由于网络延时的不可预知性,并考虑外科手术的实际情况,将延时假设为固定时延,最大值为2 s。运用H∞混合灵敏度鲁棒控制方法设计的主从端控制器。
2) 针对固定时延,采用μ综合的方法将时延看成扰动加以处理。
3) 建立了远程遥操作骨科复位手术机器人实验系统,在广域网环境下实现了主操作手的力觉反馈,实验结果表明系统具备定时延环境下的控制稳定性,能够满足远程遥操作手术的要求。
| [1] | SHERIDAN T B. Telerobotics, automation and human supervisory control[M]. Cambridge: The MIT Press,1992: 66 -73. |
| [2] | FERRE M, BUSS M, ARACIL R, et al. Advances in telerobotics[M]. Berlin Heidelberg: Springer,2007: 46 -52. |
| [3] | HUA Changchun, YANG Yana, GUAN Xinping. Neural network-based adaptive position tracking control for bilateral teleoperation under constant time delay[J]. Neurocomputing, 2013, 113: 204–212. |
| [4] | NIEMEYER G, SLOTINE J J E. Telemanipulation with time delays[J]. The International Journal of Robotics Research, 2004, 23(9): 873–890. |
| [5] | DONG Hongli, WANG Zidong, GAO Huijun. Distributed H∞ filtering for a class of Markovian jump nonlinear time-delay systems over lossy sensor networks[J]. IEEE transactions on industrial electronics, 2013, 60(10): 4665–4672. |
| [6] | LEUNG G M H, FRANCIS B A, APKARIAN J. Bilateral controller for teleoperators with time delay via μ-synthesis[J]. IEEE transactions on robotics and automation, 1995, 11(1): 105–116. |
| [7] | KIM J, CHANG P H, PARK H S. Two-channel transparency-optimized control architectures in bilateral teleoperation with time delay[J]. IEEE transactions on control systems technology, 2013, 21(1): 40–51. |
| [8] | YE Yongqiang, PAN Yajun, GUPTA Y. Time domain passivity control of teleoperation systems with random asymmetric time delays[C]//Proceedings of the 48th IEEE Conference on Decision and Control, 2009 held jointly with the 200928th Chinese Control Conference. CDC/CCC 2009. Shanghai, China:IEEE, 2009:7533-7538. |
| [9] | LEE D, SPONG M W. Passive bilateral teleoperation with constant time delay[J]. IEEE transactions on robotics, 2006, 22(2): 269–281. |
| [10] | KADAM S D, WAGHMARE L M. Control of integrating processes with dead-time using PID controllers with disturbance observer based smith predictor[C]//2013 IEEE International Conference on Control Applications (CCA). Hyderabad:IEEE, 2013:1265-1269. |
| [11] | PAN I, DAS S, GUPTA A. Tuning of an optimal fuzzy PID controller with stochastic algorithms for networked control systems with random time delay[J]. ISA transactions, 2011, 50(1): 28–36. |


